PTS-NAHEAD-10.pdf - 第118页
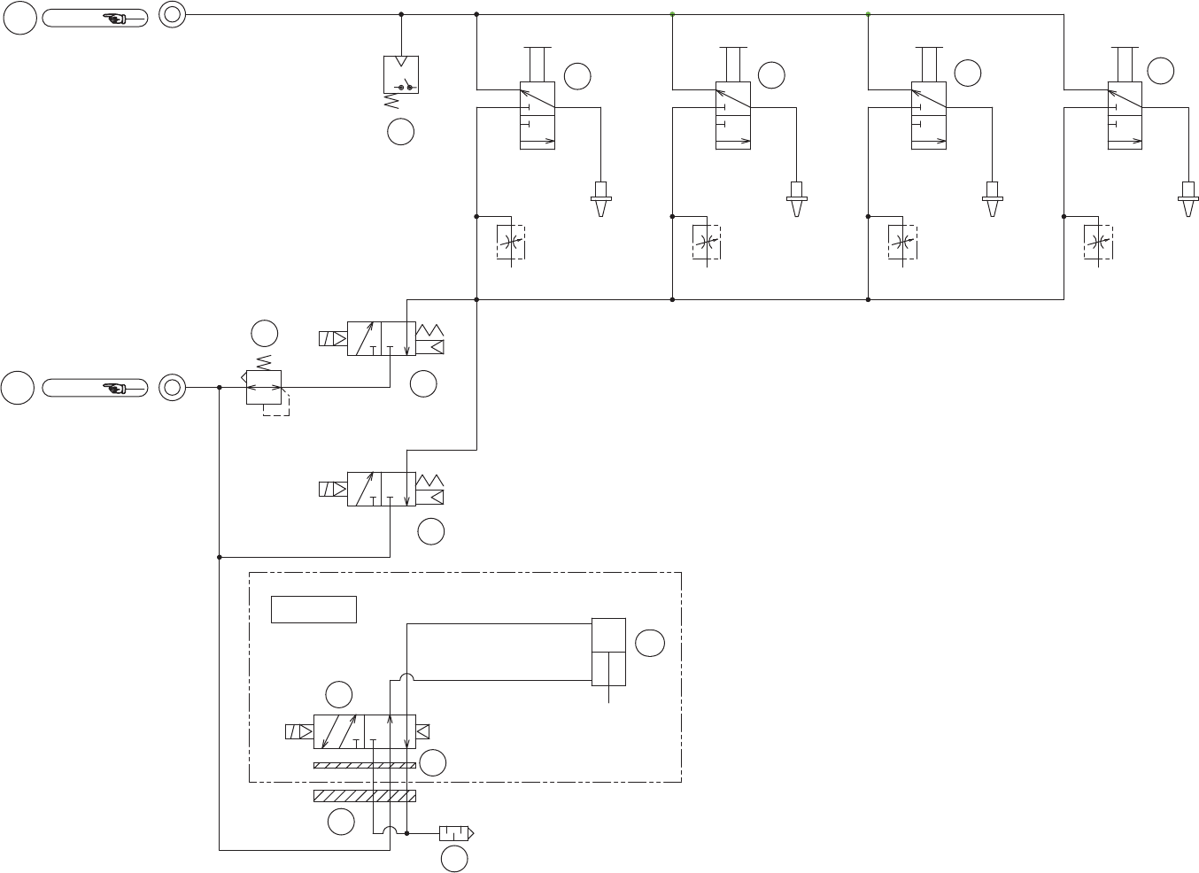
㈇ᅽ ┿✵࣏ࣥࣉࡼࡾ Neg press (From Vacuum pump) OPTION % $ ┿✵◚ቯ NOZZLE NOZZLE NOZZLE NOZZLE [A] [B] [C] [D] Pos press ṇᅽ (500KPa) Air blow ࣀࢬࣝࢡ࣮ࣜࢽࣥࢢ Nozzle cleaning ⮬ືࣂࢵࢡࢵࣉࣆࣥᶵ⬟ Auto backup pin equipment Ref.BED Ref.BED a1 a1…

H04SF,H04S HEAD 4/
H04SF,H04S ヘッド 4/
2UGKHE000137
No. Drg.No. & Code No. QTY Description Rating Remarks
番号 図番 & コード番号 個数 品名 規格 備考
1 2MGTHE000301 1 SEAL, BAR CODE
シール バーコード
H04SF, GY0A1, Without Picker, unit serial number
5 2MGTHE000701 1 NAMEPLATE
銘板
6 2MGTHE000800 1 BLOCK, REFERENCE
ブロック 基準
7 H76627 2 BOLT, HEX SOCKET
ボルト 六角穴
M2.5X020(3カ クロ)
8 W61309 2 WASHER, LOCK
ワッシャ スプリング
2.5M/M(3カ クロ)
9 H65744 1 PIN
ピン
JPBB3-5
11 2AGTHE000201 1 PIN, REFERENCE
ピン 基準
12 2AGTHE000300 1 PIN, REFERENCE
ピン 基準
51 PX09851 1 SEAL, BAR CODE
シール バーコード
H04S,HY0A1, Without Picker, unit serial number
55 PX09901 1 NAMEPLATE
銘板
56 AA18D06 1 PIN, REFERENCE
ピン 基準
57 H68441 2 BOLT, HEX SOCKET
ボルト 六角穴
M02.5X010(3カクロ)
58 W61309 2 WASHER, LOCK
ワッシャ スプリング
2.5M/M(3カ クロ)
117
PTS- NAHEAD- 10

㈇ᅽ
┿✵࣏ࣥࣉࡼࡾ
Neg press
(From Vacuum pump)
OPTION
%
$
┿✵◚ቯ
NOZZLE NOZZLE NOZZLE NOZZLE
[A] [B] [C] [D]
Pos press
ṇᅽ
(500KPa)
Air blow
ࣀࢬࣝࢡ࣮ࣜࢽࣥࢢ
Nozzle cleaning
⮬ືࣂࢵࢡࢵࣉࣆࣥᶵ⬟
Auto backup pin equipment
Ref.BED
Ref.BED
a1a1
a2a2
5
6
10
9
8
7
1
1
2
3
3
3
3
+6)+6࣊ࢵࢻ
H04SF,H04S HEAD 5/
2UGKHE000137
118
PTS- NAHEAD- 10

H04SF,H04S HEAD 5/
H04SF,H04S ヘッド 5/
2UGKHE000137
No. Drg.No. & Code No. QTY Description Rating Remarks
番号 図番 & コード番号 個数 品名 規格 備考
1 XB03330 2 VALVE, SOL
バルブ SOL
2 2MGKHB006000 1 VALVE, PRESSURE REDUCING
バルブ 減圧
3 XS01186 4 SPOOL
スプール
5 S1058B 1 SILENCER
サイレンサ
AN120-M3
6 H62140 1 PLATE
プレート
SYJ3000-21-12A
7 XS00842 1 SENSOR, PRESSURE
センサ 圧力
8 PJ06032 1 PLATE, ACRYLIC
プレート アクリル
9 H1122D 1 VALVE, SOL
バルブ SOL
SYJ3140-5M0U
10 XS01844 1 CYLINDER
シリンダ
119
PTS- NAHEAD- 10