PTS-NAHEAD-10.pdf - 第178页
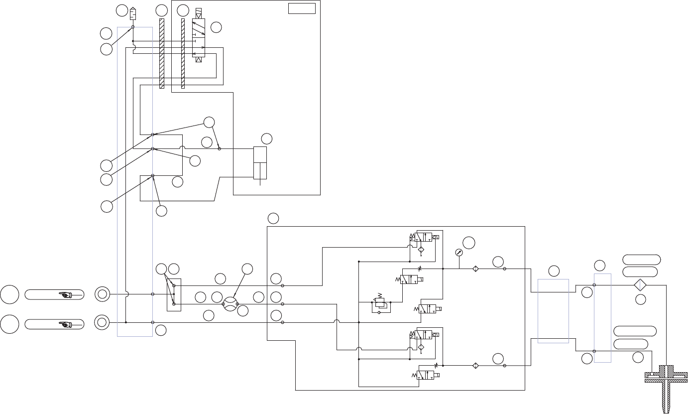
㈇ᅽ ┿✵࣏ࣥࣉࡼࡾ Neg press (From Vacuum pump) ࠉὀ⮬ືࣂࢵࢡࢵࣉࣆࣥᶵ⬟࢜ࣉࢩࣙࣥࢆྲྀࡅࡿሙྜࡣࠊ ࠉရ␒㸪ရ␒㸪ရ␒ࢆ㏣ຍࡋࠊရ␒㸪ရ␒ࡣせ࡞ࡾࡲࡍࠋ Note) When the optional auto backup pin equipment is attached, part numbers 27, 28, 29 are added and p…
このページはブランクページです
This page is intentionally blank.
此页是空白页
177
PTS- NAHEAD- 10

㈇ᅽ
┿✵࣏ࣥࣉࡼࡾ
Neg press
(From Vacuum pump)
ࠉὀ⮬ືࣂࢵࢡࢵࣉࣆࣥᶵ⬟࢜ࣉࢩࣙࣥࢆྲྀࡅࡿሙྜࡣࠊ
ࠉရ␒㸪ရ␒㸪ရ␒ࢆ㏣ຍࡋࠊရ␒㸪ရ␒ࡣせ࡞ࡾࡲࡍࠋ
Note) When the optional auto backup pin equipment is attached, part numbers 27, 28, 29
are added and part numbers 21 and 24 are not required.
[
[
[
XB0247*
ȭ
0
0
ȭ
0
0
0
ȭ
ȭ
ȭ
ȭ
ȭ
$
%
ȭ
0
0
0
0
0
0
0
0
OPTION
ࣀࢬࣝ྾╔
ࣃ࣮ࢶ྾╔
Part pickup
Nozzle pickup
⮬ືࣂࢵࢡࢵࣉࣆࣥᶵ⬟
Auto backup pin equipment
Pos press
ṇᅽ
(500KPa)
Ref.BED
Ref.BED
a1a1
a2a2
ȭ
34
29
23
1
20
26
22
23
25
27
21
28
6
9
9
16
15
14
5
10
11
13
10
10
8
7
12
12
4
19
12
31
12
17
30
30
30
30
+࣊ࢵࢻ
H01 HEAD 5/
UH00689
178
PTS- NAHEAD- 10

H01 HEAD 5/
H01 ヘッド 5/
UH00689
No. Drg.No. & Code No. QTY Description Rating Remarks
番号 図番 & コード番号 個数 品名 規格 備考
1 PT01516 1 BODY
本体
4 AA37149 1 HOUSING
ハウジング
5 PM35524 1 BOLT, JOINT
ボルト ジョイント
6 XS01582 1 SENSOR
センサ
7 S4033G 1 SENSOR, PRESSURE
センサ 圧力
PSE543-M5
8 A64049 1 ELBOW
エルボ
M-5ALHU-4-X1130
9 A4068H 2 ELBOW
エルボ
M-5ALU-4
10 N2030T 3 NIPPLE
ニップル
M-5AU-4
11 A4067A 1 ELBOW
エルボ
M-3ALU-4
12 A4068G 4 ELBOW
エルボ
M-5ALU-3
13 2MGKHG011600 1 TUBE
チューブ
14 PZ14431 1 TUBE
チューブ
15 2MGKHG011700 1 TUBE
チューブ
16 2MGKHG011500 1 TUBE
チューブ
17 PZ09532 1 HOSE, AIR
ホース エアー
19 RH04339 1 HARNESS
ハーネス
20 S1058B 1 SILENCER
サイレンサ
AN120-M3
21 H62140 1 PLATE
プレート
SYJ3000-21-12A
22 A4067G 1 ELBOW
エルボ
M-3AU-3
23 A40669 3 ELBOW
エルボ
M-3ALU-3
25 2MGKHG007500 1 TUBE
チューブ
26 PZ15271 1 TUBE
チューブ
27 H1122D 1 VALVE, SOL
バルブ SOL
SYJ3140-5M0U
28 XS01854 1 CYLINDER
シリンダ
29 PJ06431 1 PLATE, ACRYLIC
プレート アクリル
30 H3145H 4 PLUG
プラグ
M-3P
31 AA1FZ05 1 FILTER
フィルタ
Consumable Parts
34 2MGKHG011200 1 VALVE UNIT
バルブユニット
179
PTS- NAHEAD- 10