PTS-NAHEAD-10.pdf - 第23页
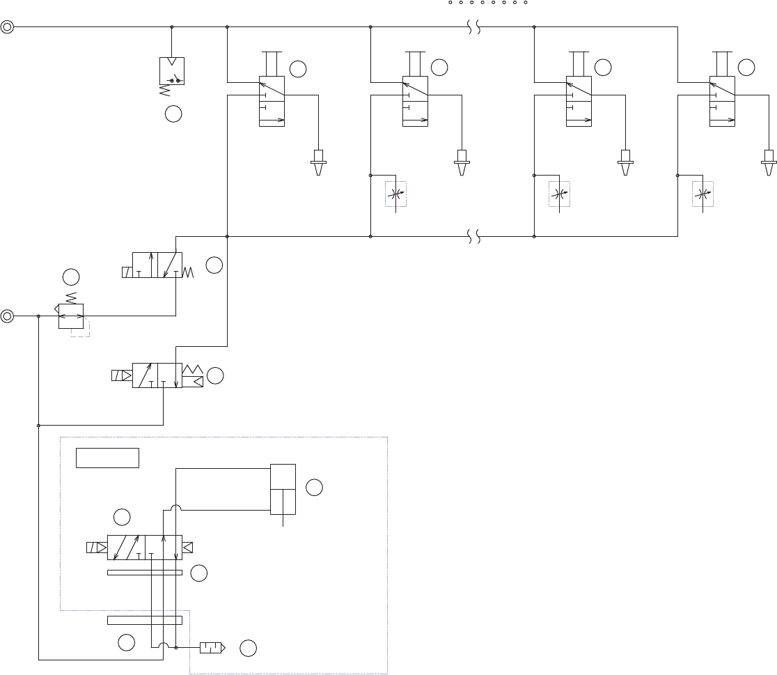
H24S HEAD 3/ H24S ヘ ッド 3/ 2UGTHA000161 No. Drg.No. & Code No. QTY Description Rating Remarks 番号 図番 & コード番 号 個数 品名 規格 備考 1 2MGTHA0 87300 1 VALVE, PR ESSURE REDUC ING バルブ 減圧 2 2MGTHA0 73400 1 VALVE, SOL バルブ SOL 3 …

㹙W㹛㹙X㹛
Option
⮬ືࣂࢵࢡࢵࣉࣆࣥᶵ⬟
Auto backup pin equipment
㹀
㸿
Nozzle cleaning
ࣀࢬࣝࢡ࣮ࣜࢽࣥࢢ
┿✵◚ቯ
ṇᅽ
㸦㸳㸮㸮㹉㹎㹟㸧
Neg press
(From Vacuum pump)
NOZZLE NOZZLE NOZZLE NOZZLE
㹙A㹛㹙B㹛
㈇ᅽ
㸦┿✵࣏ࣥࣉࡼࡾ㸧
Pos press
Air blow
555
5
10
9
11
8
7
4
3
2
1
+6࣊ࢵࢻ
H24S HEAD 3/
2UGTHA000161
22
PTS- NAHEAD- 10

H24S HEAD 3/
H24S ヘッド 3/
2UGTHA000161
No. Drg.No. & Code No. QTY Description Rating Remarks
番号 図番 & コード番号 個数 品名 規格 備考
1 2MGTHA087300 1 VALVE, PRESSURE REDUCING
バルブ 減圧
2 2MGTHA073400 1 VALVE, SOL
バルブ SOL
3 2MGTHA078001 1 VALVE, SOL
バルブ SOL
4 XS00842 1 SENSOR, PRESSURE
センサ 圧力
5 2AGTHA005807 24 SPOOL
スプール
7 H62140 1 PLATE
プレート
SYJ3000-21-12A
8 PJ06032 1 PLATE, ACRYLIC
プレート アクリル
9 H1122D 1 VALVE, SOL
バルブ SOL
SYJ3140-5M0U
10 XS01844 1 CYLINDER
シリンダ
11 S1058B 1 SILENCER
サイレンサ
AN120-M3
23
PTS- NAHEAD- 10

※HE1C2 123456※
1
2
3
4
5
6
7
8
8
10
10
11
9
12
13
14
16
18
15
17
19
20
24
26
25
28
27
29
33
34
35
30
31
32
30.1
2UGTHA000161
H24S HEAD (AUTO BACKUP PIN EQUIPMENT)
+6࣊ࢵࢻ⮬ືࣂࢵࢡࢵࣉࣆࣥᶵ⬟
24
PTS- NAHEAD- 10