PTS-NAHEAD-10.pdf - 第159页
H02F,H02 HEAD 7/ H02F,H02 ヘッド 7/ UH02646 No. Drg.No. & Code No. QTY Description Rating Remarks 番号 図番 & コード番 号 個数 品名 規格 備考 1 2AGTHH0 00106 1 BODY 本体 2 PM054D 4 1 STAY ステー 3 PM04HH6 1 SLIDER スライダ 4 PM04HK 6 1 SL I…

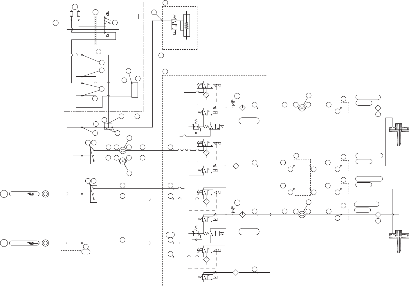
Note) When the optional auto backup pin equipment
is attached, part number 18 is removed and
part number 19 through 26,48 through 50 are added.
ὀ⮬ືࣂࢵࢡࢵࣉࣆࣥᶵ⬟㸦࢜ࣉࢩࣙࣥ㸧ྲྀࡅࡢሙྜࠊရ␒㸯㸶ࢆྲྀࡾእࡋࠊ
ရ␒㸯㸷㹼㸰㸴ࠊ㸲㸶㹼㸳㸮ࢆ㏣ຍࡍࡿࠋ
ȭ4
ȭ4
Z㍈ࣈ࣮ࣞ࢟
XS03470
(OPTION)
or
ȭ3.2
ȭ3.2ȭ3.2
M5
ȭ3.2
ȭ3.2
ȭ3.2
ȭ3.2
M5M5
M5M5
M5
ȭ3.2
ȭ3.2
A
B
M3
M3
M3
M3
ȭ4(S)
ȭ4(S)
ȭ4(S)
ȭ4(S)
ȭ4(S)
M5
M5
M5
M5
ȭ4(S)
M5
M3
XB03123
M5
M5
ȭ3.2
M5
M5
M5
M5
M5
M3
M3 ȭ4
ȭ4(S)
M5
a2
a1
Neg press
(From Vacuum pump)
㈇ᅽ
㸦┿✵࣏ࣥࣉࡼࡾ㸧
ṇᅽ
Pos press
Ref.BED
Ref.BED
OPTION
Auto backup pin equipment
⮬ືࣂࢵࢡࢵࣉࣆࣥᶵ⬟
NOZZLE1
NOZZLE2
ࣃ࣮ࢶ྾╔
Part pickup
Nozzle pickup
ࣀࢬࣝ྾╔
Nozzle pickup
ࣀࢬࣝ྾╔
Part pickup
ࣃ࣮ࢶ྾╔
NOZZLE1
NOZZLE2
Z-axis brake
(500KPa)
25
1
19
24
50
48
20
26
21
22
21
3118
29
34
3023
912
36
35
7
13
38
7
37
13
13
13
40
12 9
39
41
11
14
52
14
14
14
51
17
33
32
28
4415
8
28
42
42
16
16
2
15 46
15
8
15
27
28
47
43
43
16
6
3
15
15
15
4
16
45
28
27
5
15
52.1
11.1
49
53
53
+)+࣊ࢵࢻ
H02F,H02 HEAD 7/
UH02646
158
PTS- NAHEAD- 10

H02F,H02 HEAD 7/
H02F,H02 ヘッド 7/
UH02646
No. Drg.No. & Code No. QTY Description Rating Remarks
番号 図番 & コード番号 個数 品名 規格 備考
1
2AGTHH000106
1 BODY
本体
2 PM054D4 1 STAY
ステー
3 PM04HH6 1 SLIDER
スライダ
4 PM04HK6 1 SLIDER
スライダ
5 PM03MK5 1 CAP
キャップ
6 PM03ML5 1 CAP
キャップ
7 XS01582 2 SENSOR
センサ
8 S4033G 2 SENSOR, PRESSURE
センサ 圧力
PSE543-M5
9 PM0CHB2 2 BOLT, JOINT
ボルト ジョイント
11 Y3044Z 1 UNION, ELBOW
ユニオン エルボ
LH-0425-M3
11.1 R2031B 1 RING
リング
LS-0425
12 A64049 2 ELBOW
エルボ
M-5ALHU-4-X1130
13 A4068H 4 ELBOW
エルボ
M-5ALU-4
14 N2030T 4 NIPPLE
ニップル
M-5AU-4
15 A4067R 8 ELBOW
エルボ
M-5AU-3
16 A4068G 4 ELBOW
エルボ
M-5ALU-3
17 2MGKHH014000 1 VALVE UNIT
バルブユニット
18 H3145H 1 PLUG
プラグ
M-3P
19 S1058B 2 SILENCER
サイレンサ
AN120-M3
20 A4067G 1 ELBOW
エルボ
M-3AU-3
21 A40669 3 ELBOW
エルボ
M-3ALU-3
22 A4067H 1 ELBOW
エルボ
M-3AU-4
23 A4067A 1 ELBOW
エルボ
M-3ALU-4
24 H1077W 1 VALVE, SOL
バルブ SOL
PCS242-NB-D24L
25 PJ15302 1 PLATE, ACRYLIC
プレート アクリル
26 XS02773 1 CYLINDER
シリンダ
27 XS01582 2 SENSOR
センサ
28 A4068G 4 ELBOW
エルボ
M-5ALU-3
29 PM096S1 1 JOINT, HOSE
ジョイント ホース
30 A4067H 2 ELBOW
エルボ
M-3AU-4
31 A4067H 1 ELBOW
エルボ
M-3AU-4
32 A4067H 1 ELBOW
エルボ
M-3AU-4
33 2MGKHH000700 1 CYLINDER
シリンダ
34 PZ54271 1 TUBE
チューブ
35 PZ42601 1 TUBE
チューブ
36 PZ42621 1 TUBE
チューブ
37 PZ42561 1 TUBE
チューブ
38 PZ42571 1 TUBE
チューブ
39 PZ42591 1 TUBE
チューブ
40 PZ42581 1 TUBE
チューブ
41 PZ42611 1 TUBE
チューブ
42 PZ42661 2 TUBE
チューブ
43 PZ15271 2 TUBE
チューブ
44 PZ42631 1 TUBE
チューブ
45 PZ42671 1 TUBE
チューブ
46 PZ42641 1 TUBE
チューブ
47 PZ42671 1 TUBE
チューブ
48 PZ42641 1 TUBE
チューブ
49 PZ42651 1 TUBE
チューブ
50 PZ54281 1 TUBE
チューブ
51 PZ54291 1 TUBE
チューブ
159
PTS- NAHEAD- 10

H02F,H02 HEAD 7/
H02F,H02 ヘッド 7/
UH02646
No. Drg.No. & Code No. QTY Description Rating Remarks
番号 図番 & コード番号 個数 品名 規格 備考
52 N2140D 1 NIPPLE
ニップル
LC-0425-M5
52.1 R2031B 1 RING
リング
LS-0425
53 AA8BD03 2 FILTER
フィルタ
160
PTS- NAHEAD- 10