MN-E00372EDW-XX_B(1).pdf - 第184页
CS DWG NO. OF REV DESCRIPTION SHEET DESCRIPTION NO. PART NO. PART INFORMATION AND IS NOT TO BE USED OR DO NOT SCALE REPRODUCED WITH OUT PERMISSION OF THIS DRAWING CON TAINS PROPRIETARY ALL CAPACITORS ARE IN µ F ALL RESIS…

CS DWG NO.
OF
REV
DESCRIPTION
SHEET
DESCRIPTION
NO.
PART
NO.
PART
INFORMATION AND IS NOT TO BE USED OR
DO NOT SCALE
REPRODUCED WITHOUT PERMISSION OF
THIS DRAWING CONTAINS PROPRIETARY
ALL CAPACITORS ARE IN µ F
ALL RESISTORS ARE IN Ω
ALL DIM ARE IN mm
UNLESS OTHERWISE SPECIFIED
A S M
DWG REV
(WC) PLATFORM BASE ASSY (G2)
01-E10991
CS-01-E10991
11
FROM: 01-E10991_B_2014.08.29
B2
B
ASM Pacific Technology
ASM CUSTOMER SERVICE DRAWINGASM CUSTOMER SERVICE DRAWING
ASM CUSTOMER SERVICE DRAWINGASM CUSTOMER SERVICE DRAWINGASM CUSTOMER SERVICE DRAWINGASM CUSTOMER SERVICE DRAWING ASM CUSTOMER SERVICE DRAWINGASM CUSTOMER SERVICE DRAWINGASM CUSTOMER SERVICE DRAWINGASM CUSTOMER SERVICE DRAWING
ASM CUSTOMER SERVICE DRAWINGASM CUSTOMER SERVICE DRAWING
ASM CUSTOMER SERVICE DRAWINGASM CUSTOMER SERVICE DRAWINGASM CUSTOMER SERVICE DRAWINGASM CUSTOMER SERVICE DRAWING ASM CUSTOMER SERVICE DRAWINGASM CUSTOMER SERVICE DRAWINGASM CUSTOMER SERVICE DRAWINGASM CUSTOMER SERVICE DRAWING
ASM CUSTOMER SERVICE DRAWINGASM CUSTOMER SERVICE DRAWING ASM CUSTOMER SERVICE DRAWINGASM CUSTOMER SERVICE DRAWING
21 3 4 5 6 7 8
8765431 2
B
A
C
D
E
F F
E
D
C
A
B
ITEM PART NO. DESCRIPTION QTY.
1 01-E10988 (WC) PLATFORM BASE (G2) 1
2 01-E18997 (WC) CASSETTE PRESENT SNR ASSY (6 INCH) 1
3 01-E18998 (WC) CASSETTE PRESENT SNR ASSY (8 INCH) 1
4 01-E18999 (WC) CASSETTE PRESENT SNR ASSY (12 INCH) 1
1
2
3
4
Assembly View
13-5
(WC83) WAFER CASSETTE ELEVATOR

CS DWG NO.
OF
REV
DESCRIPTION
SHEET
DESCRIPTION
NO.
PART
NO.
PART
INFORMATION AND IS NOT TO BE USED OR
DO NOT SCALE
REPRODUCED WITHOUT PERMISSION OF
THIS DRAWING CONTAINS PROPRIETARY
ALL CAPACITORS ARE IN µ F
ALL RESISTORS ARE IN Ω
ALL DIM ARE IN mm
UNLESS OTHERWISE SPECIFIED
A S M
DWG REV
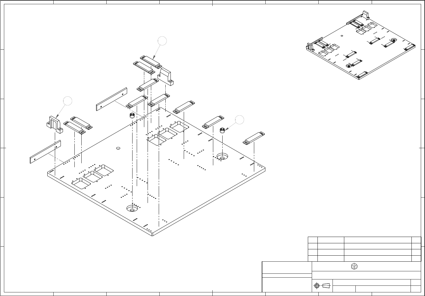
(WC) PLATFORM BASE (G2)
01-E10988
CS-01-E10988
11
FROM: 01-E10988_D_2014.08.29
D1
D
ASM Pacific Technology
ASM CUSTOMER SERVICE DRAWINGASM CUSTOMER SERVICE DRAWING
ASM CUSTOMER SERVICE DRAWINGASM CUSTOMER SERVICE DRAWINGASM CUSTOMER SERVICE DRAWINGASM CUSTOMER SERVICE DRAWING ASM CUSTOMER SERVICE DRAWINGASM CUSTOMER SERVICE DRAWINGASM CUSTOMER SERVICE DRAWINGASM CUSTOMER SERVICE DRAWING
ASM CUSTOMER SERVICE DRAWINGASM CUSTOMER SERVICE DRAWING
ASM CUSTOMER SERVICE DRAWINGASM CUSTOMER SERVICE DRAWINGASM CUSTOMER SERVICE DRAWINGASM CUSTOMER SERVICE DRAWING ASM CUSTOMER SERVICE DRAWINGASM CUSTOMER SERVICE DRAWINGASM CUSTOMER SERVICE DRAWINGASM CUSTOMER SERVICE DRAWING
ASM CUSTOMER SERVICE DRAWINGASM CUSTOMER SERVICE DRAWING ASM CUSTOMER SERVICE DRAWINGASM CUSTOMER SERVICE DRAWING
21 3 4 5 6 7 8
8765431 2
B
A
C
D
E
F F
E
D
C
A
B
ITEM PART NO. DESCRIPTION QTY.
1 26-E82212 (WC) SIDE GUIDE 8INCH (H 4.7) 10
2 26-E89670 (WC) LEVEL SCREW 2
3 S26-F38694 (WC) SIDE GUIDE 12INCH 2
Assembly View
1
2
3
13-6
(WC83) WAFER CASSETTE ELEVATOR

CS DWG NO.
OF
REV
DESCRIPTION
SHEET
DESCRIPTION
NO.
PART
NO.
PART
INFORMATION AND IS NOT TO BE USED OR
DO NOT SCALE
REPRODUCED WITHOUT PERMISSION OF
THIS DRAWING CONTAINS PROPRIETARY
ALL CAPACITORS ARE IN µ F
ALL RESISTORS ARE IN Ω
ALL DIM ARE IN mm
UNLESS OTHERWISE SPECIFIED
A S M
DWG REV
(WC) CASSETTE PRESENT SNR ASSY (6 INCH)
01-E18997
CS-01-E18997
11
FROM: 01-E18997_A_2012.07.03
A1
A
ASM Pacific Technology
ASM CUSTOMER SERVICE DRAWINGASM CUSTOMER SERVICE DRAWING
ASM CUSTOMER SERVICE DRAWINGASM CUSTOMER SERVICE DRAWINGASM CUSTOMER SERVICE DRAWINGASM CUSTOMER SERVICE DRAWING ASM CUSTOMER SERVICE DRAWINGASM CUSTOMER SERVICE DRAWINGASM CUSTOMER SERVICE DRAWINGASM CUSTOMER SERVICE DRAWING
ASM CUSTOMER SERVICE DRAWINGASM CUSTOMER SERVICE DRAWING
ASM CUSTOMER SERVICE DRAWINGASM CUSTOMER SERVICE DRAWINGASM CUSTOMER SERVICE DRAWINGASM CUSTOMER SERVICE DRAWING ASM CUSTOMER SERVICE DRAWINGASM CUSTOMER SERVICE DRAWINGASM CUSTOMER SERVICE DRAWINGASM CUSTOMER SERVICE DRAWING
ASM CUSTOMER SERVICE DRAWINGASM CUSTOMER SERVICE DRAWING ASM CUSTOMER SERVICE DRAWINGASM CUSTOMER SERVICE DRAWING
21 3 4 5 6 7 8
8765431 2
B
A
C
D
E
F F
E
D
C
A
B
ITEM PART NO. DESCRIPTION QTY.
1 01-E19000 (WC) CASSETTE PRESENT SNR MECH ASSY 2
2 02-E04894 (WC) CASSETTE PRESENT SNR (8 INCH) 1
1
NOTE:53-40395 is included of 02-E04894 in the assembly.
53-40395
2
Assembly View
13-7
(WC83) WAFER CASSETTE ELEVATOR