文档中心
/
MN-E00372EDW-XX_B(1).pdf
MN-E00372EDW-XX_B(1).pdf - 第247页
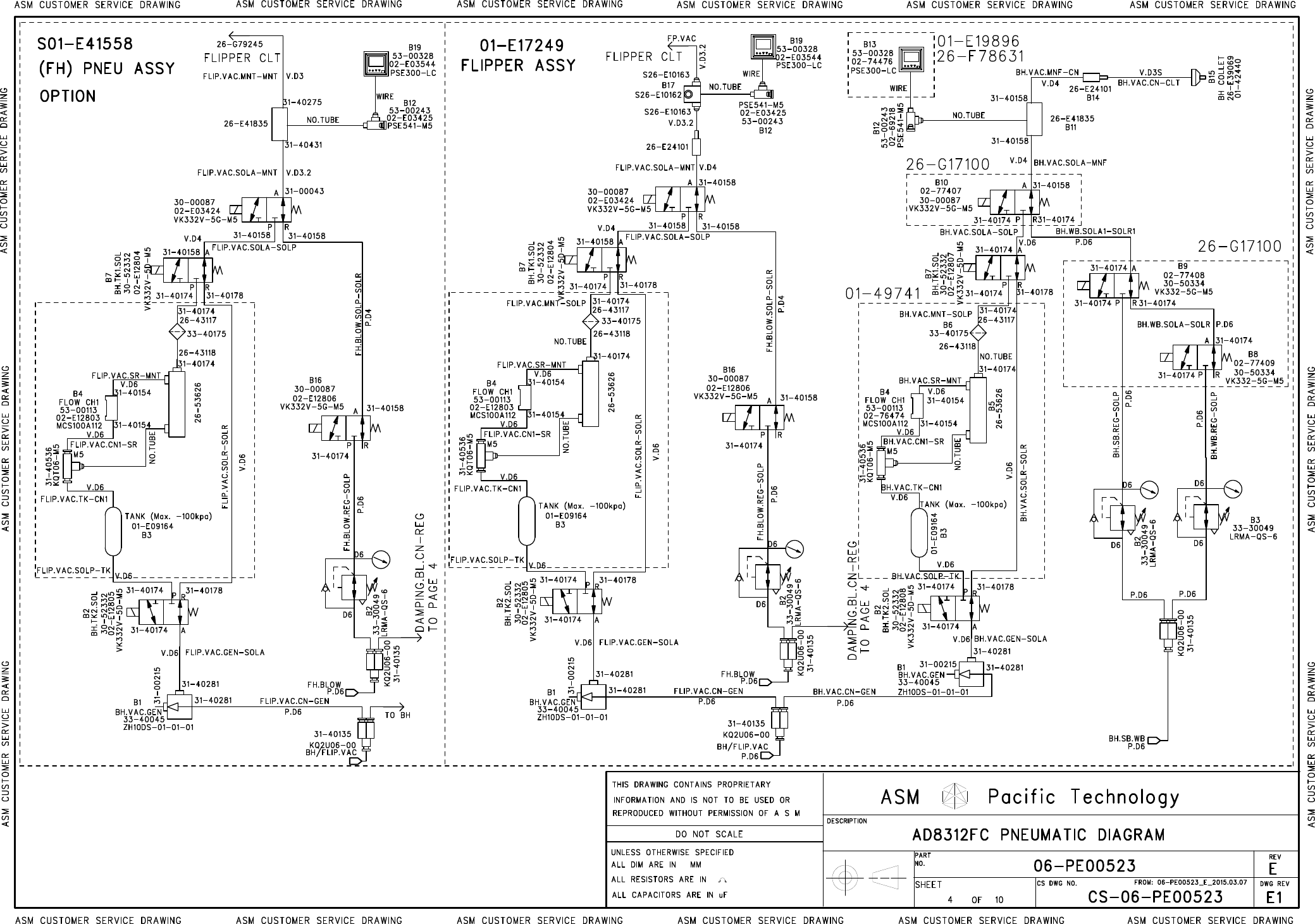
A-32 AD8312FC WIRING & M/C CONFIGURATION
目录
100%
显示:宽度
宽度
1 / 268
回到旧版
旧版
?
A-31
AD8312FC WIRING & M/C CONFIGURATION
A-32
AD8312FC WIRING & M/C CONFIGURATION
A-33
AD8312FC WIRING & M/C CONFIGURATION
该页面需要启用 JavaScript 才能进行交互式预览。