CX-1_维修调整.pdf - 第262页
Rev 2.2 维修调整要领书 18 -2- 8 . 各传感器的通用设置项目 ① WAIT 传感器组件 ( 40064197 ) ② STOP 传感器 -1 组件 ( 40064198 ) ③ STOP 传感器 -2 组件 ( 40064202 ) 传感器在交货时是初始状态,所以请参考下表进行各项设定操作。 No. 功能选择项目 设定值 1 输出的设定 • STOP_SENSOR ⇒ DO ( Dark_On ) • WAIT_SENS…

Rev 2.2
维修调整要领书
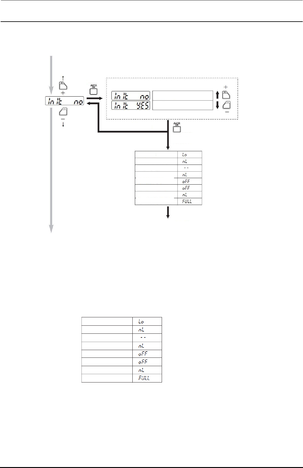
【初始化】
返回【选择传感类型】
(注)如在功能选择画面显示中间按 FUNC/CANCEL 按钮,则回到正常动作。
初始状态如下所示。
使所有的设置恢复到出厂状态。
按
不进行初始化
初始化
按
不进行初始化
初始化
输出切换
传感类型
定时器种类
显示类型
显示值移位
监视器休眠
选择保持时间
键锁类型
正常动作
输出切换
传感类型
定时器种类
显示类型
显示值移位
监视器休眠
选择保持时间
键锁类型
18-9

Rev 2.2
维修调整要领书
18-2-8.各传感器的通用设置项目
① WAIT 传感器组件 (40064197)
② STOP 传感器-1 组件 (40064198)
③ STOP 传感器-2 组件 (40064202)
传感器在交货时是初始状态,所以请参考下表进行各项设定操作。
No.
功能选择项目
设定值
1 输出的设定
•
STOP_SENSOR ⇒DO (Dark_On)
•
WAIT_SENSOR ⇒LO (Light_On)
2 选择传感类型 Normal
3 选择定时器种类 无定时器
4 选择显示类型 设定值和受光量
5 显示值位移功能 无位移值设定
6 监视器休眠功能 监视器休眠无效
7 选择保持时间 保持时间 2 秒
但任何设定项目均可
8 选择键锁类型 锁定除调谐之外的操作
18-2-9.各传感器的灵敏度调整
关于各传感器的灵敏度调整方法请参阅 QA 表。
• WAIT 传感器组件 (40064197) ⇒ 请参照 QA 表“薄基板输送装置 No.8”进行调整。
• STOP 传感器-1 组件 (40064198) ⇒ 请参照 QA 表“薄基板输送装置 No.9”进行调整。
• STOP 传感器-2 组件 (40064202) ⇒ 请参照 QA 表“薄基板输送装置 No.10”进行调整。
18-10

Rev 2.2
维修调整要领书
18-3.更换 WAIT 传感器(等候传感器)的方法
<拆卸方法>
1)从放大器上拆下④的光纤部。(拆卸方法参看“18-2-4 将光纤安装到放大装置上”)
2)拆下束扎光纤的部分。
(拆下的束线箍不能再
用,故安装时请另行准
备。)
3)松开⑤的螺钉并取下,将
①从装置上拆下。
4)请拆下⑧。
5)松开⑦拆下④。
<安装方法>
按上述 5)~1)的操作步骤进行安装。将光纤插入放大器中时,别搞错投光和受光。插入时,相
对输送方向,要使上游侧是受光部,下游侧是投光部。
No.
货号
货名
数量
备注
①
40063952 WAIT 传感器托架 FLR 1 以身前为基准 左→右,
以内侧为基准 右→左
40065137 WAIT 传感器托架 FRL 1 以身前为基准 右→左,
以内侧为基准 左→右
② 40063951 WAIT 传感器托架底座 1
③ E2284725000 支持板 B 1
④ 40064197 WAIT 传感器组件 1
⑤ SL6040892TN 带垫片六角孔螺栓 M4 L=8 4
⑥ SM6051002TN 六角孔螺栓 2
⑦ SL6030692TN 带垫片六角孔螺栓 M3 L=6 4
⑧ EA9500B0100 束线箍 3
18-11