劲拓回流焊用户手册(标准机).pdf - 第100页
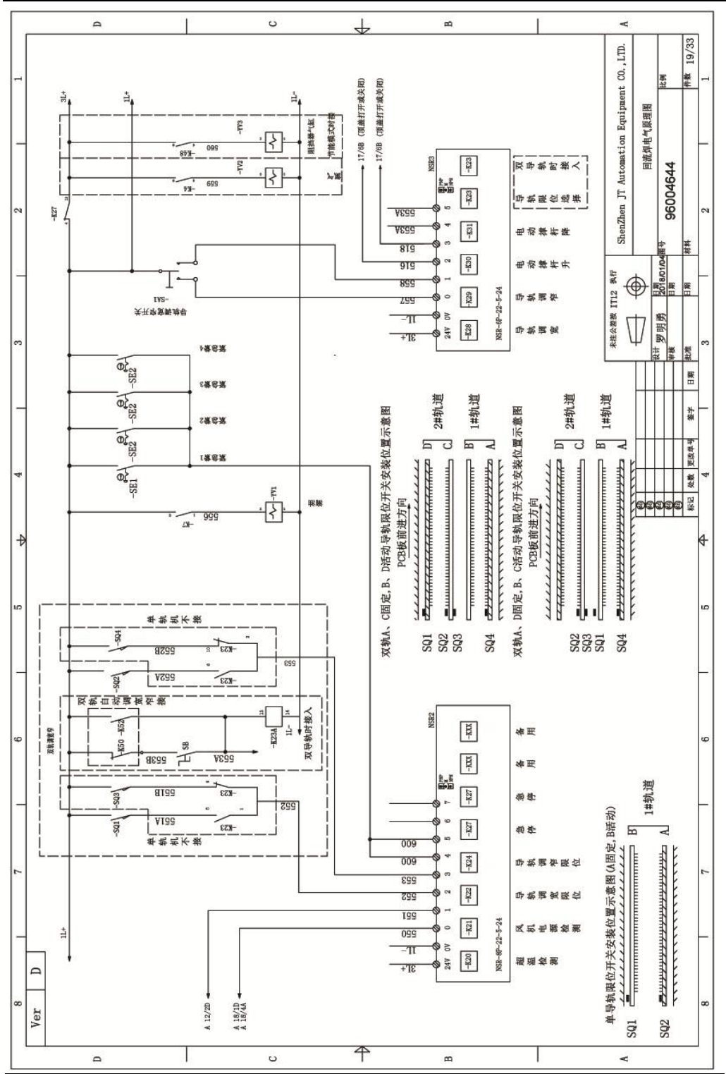
TEA 系列无铅回流焊机用户手册 附图 TEA 系列无铅回流焊机用户手册 附图 - 96 - - 96 -

附图 TEA系列无铅回流焊机用户手册 附图 TEA系列无铅回流焊机用户手册
- 95 - - 95 -

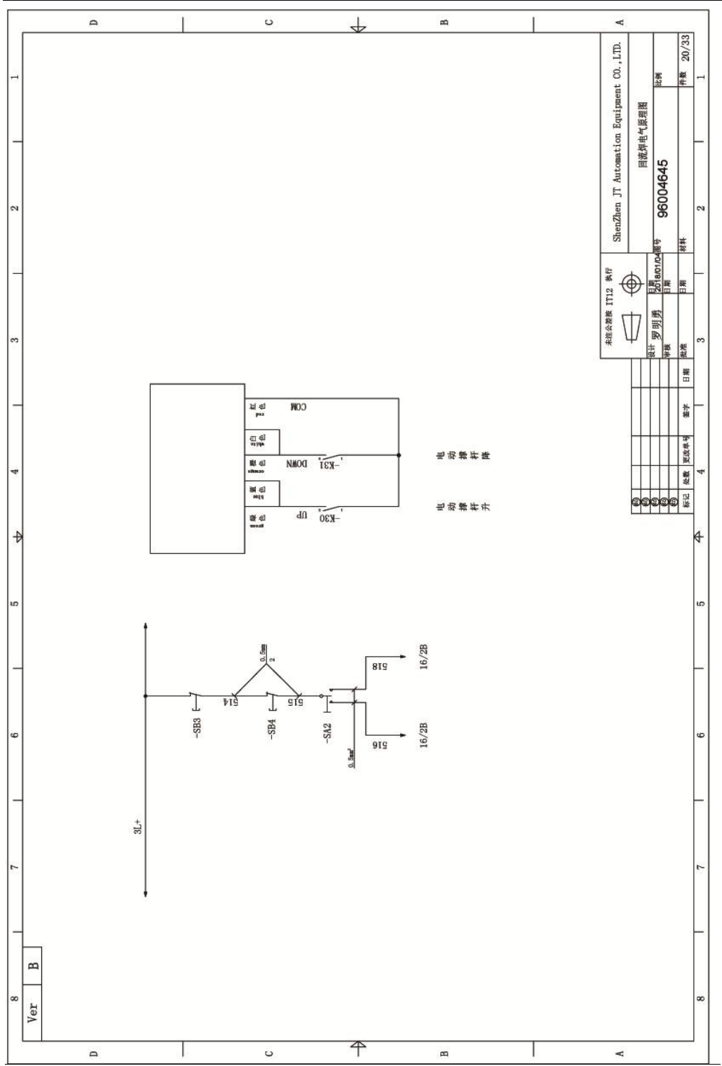
TEA系列无铅回流焊机用户手册 附图 TEA系列无铅回流焊机用户手册 附图
- 96 - - 96 -

附图 TEA系列无铅回流焊机用户手册 附图 TEA系列无铅回流焊机用户手册
- 97 - - 97 -