第六卷 元件数据库.pdf - 第59页
6OM-1752 2-39 (5) 中心位置 ( 宽度方向 )、先端 ( 顶端 ) 位置 ( 长度方向 )[mm] 设定引脚组的位置。 设定离设定外形尺寸的基准位置的位置坐标。 • 对象元件 : IC( 复杂 )、连接器 ( 复杂 )、 其他带引脚 ( 复杂 ) 顶端位置(长度方向)2 中心位置(宽度方向)1 中心位置(宽度方向)2 顶端位置(长度方向)1 元 件 传 送 方 向 F6B34 • 连接器、其他带引脚中为…

6OM-1752
2-38
(4) 间距 [mm]
设定引脚组内的引脚间距。
•
对象元件:IC( 复杂 )、连接器 ( 复杂 )、
其他带引脚 ( 复杂 )
间距1
间距2
元
件
传
送
方
向
F6B32
例 : 特殊情况
间距
无引线
间距
电极
元件仰视图
F6B33
1305-001
2.2 (B01) 形状数据

6OM-1752
2-39
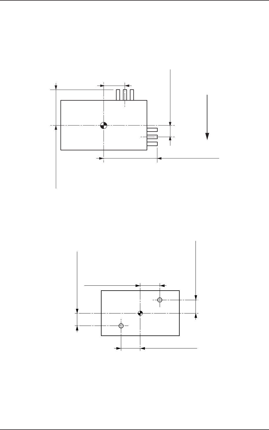
(5) 中心位置 ( 宽度方向 )、先端 ( 顶端 ) 位置 ( 长度方向 )[mm]
设定引脚组的位置。
设定离设定外形尺寸的基准位置的位置坐标。
•
对象元件:IC( 复杂 )、连接器 ( 复杂 )、
其他带引脚 ( 复杂 )
顶端位置(长度方向)2
中心位置(宽度方向)1
中心位置(宽度方向)2
顶端位置(长度方向)1
元
件
传
送
方
向
F6B34
•
连接器、其他带引脚中为
“
引脚类型
”
为电极、
“
引脚类型形状
”
为
圆形或椭圆形时,请设定从外形尺寸设定基准位置到引脚组中心的位
置的顶端位置 ( 长度方向 )。
中心位置(宽度方向)2
中心位置(宽度方向)1
顶端位置(长度方向)2
顶端位置(长度方向)1
F6B35
1305-001
2.2 (B01) 形状数据

6OM-1752
2-40
Note
坐 标系如下 :
+宽度方向
+长度方向
+宽度方向
+长度方向
+
宽
度
方
向
+
宽
度
方
向
+
长
度
方
向
+
长
度
方
向
F6B36
1305-001
2.2 (B01) 形状数据