Excellent Modular Component Placer EXCEN Series EXCEN PRO(M)/(D)/(L) Technical Reference.pdf - 第286页
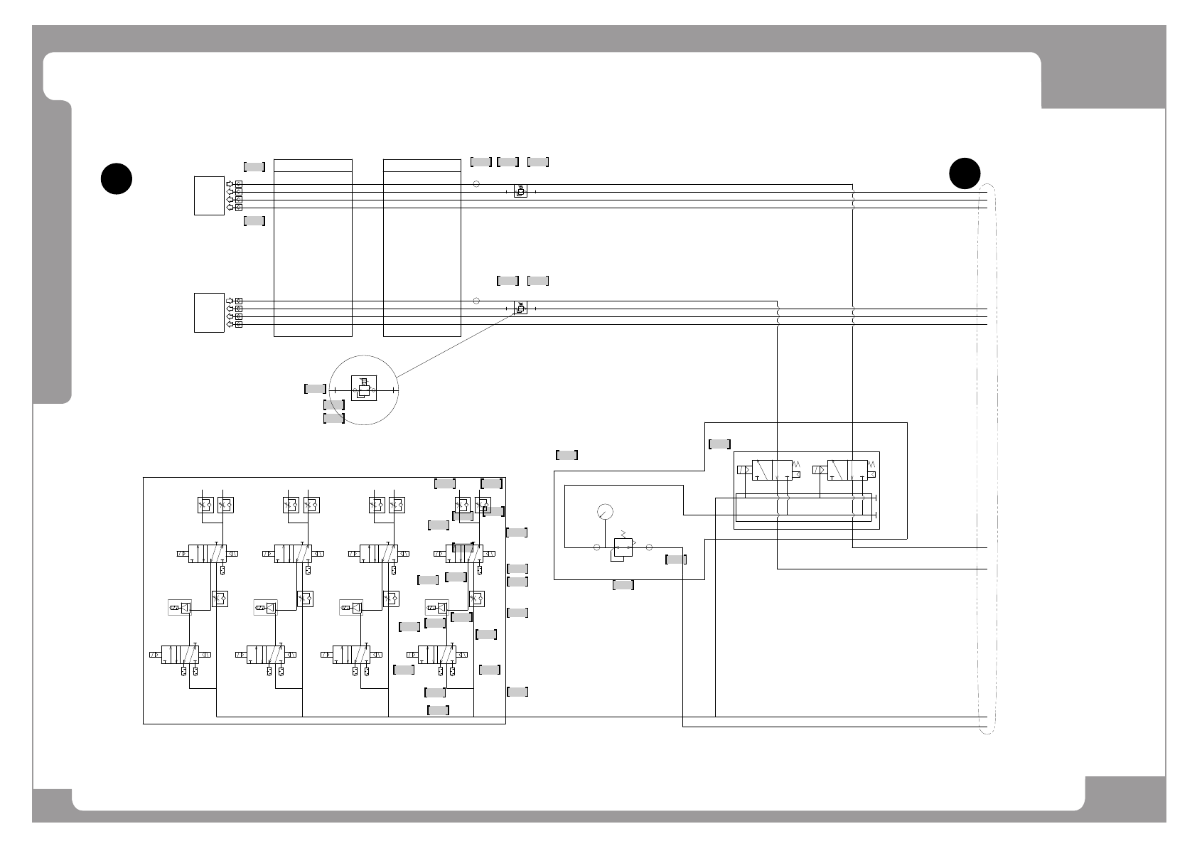
Page +$1:+$ 280 EXCEN PRO(M) EXCEN PRO(D ) EXCEN PRO(L) Air (2/5) - EXCEN PRO(D) Extension 9 12 11 10 9 20 21 22 17 9 9 12 9 9 19 13 13 18 11 15 13 14 16 6 7 8 8 X-AXIS CABLEVEYOR Y -AXIS CABLEVEYOR 2R-HEAD 1F-HEAD KK2S-…

Page
+$1:+$
279
EXCEN PRO(M)
EXCEN PRO(D)
EXCEN PRO(L)

Page
+$1:+$
280
EXCEN PRO(M)
EXCEN PRO(D
)
EXCEN PRO(L)
Air (2/5) - EXCEN PRO(D) Extension
9
12
11
10
9
20
21
22
17
9
9
12
9
9
19
13 13
18
11
15
13
14
16
6
7
8 8
X-AXIS CABLEVEYOR Y-AXIS CABLEVEYOR
2R-HEAD
1F-HEAD
KK2S-04E
ĭ</
TU0425B
ĭ%+3)&⏝)
ĭ:9DFXXP
ĭ%8+33LORW⏝䠅
ĭ<%/2:
KK2S-04E
KK2S-04E
KK2S-04E
ĭ</
TU0425B
ĭ:/
78:
ĭ:/
78:
FC14-000258
&283/(5
KK3S-08E
KK3S-08E
KK2S-04E
FC14-000257
&283/(5
KK2S-04E
ĭ%+3)&⏝)
ĭ:9DFXXP
ĭ%8+33LORW⏝䠅
ĭ<%/2:
+3
FITTING
KQ2H8-10
KQ2H8-10
ĭ
6(703D
ĭ%/
ĭ
&OHDQLQJ%ORZ
+3
REGULATOR
AR20-02BG-1RY
+3
FITTING
KQ2L06-02S
KQ2L06-02S
TU0604B
NOZZLE CLEAN㟝
AM03-004068B
V1_CLEANING_%/2:_ASSY
+3
78%(B&$3
KQ2C04-00
+3
78%(B&$3
KQ2C04-00
+3
78%(B&$3
KQ2C04-00
+3
78%(B&$3
KQ2C04-00
%
$
3
%
$
3
%
$
3
%
$
3
%
$
3
%
$
3
%
$
3
%
$
3
+3
VALV E
SY3220-5MZ-M5
+3
VALV E
SY3220-5MZ-M5
+3
EJECTOR
ZU07S
+3
AS1002F-04
+3
AN05-M5
+3
AN05-M5
+3
AN05-M5
+3
AS1211F-M5-04
+3
KQ2S06-M5A
FC14-900645
.43
+3
KQ2S06-M5A
FC14-900645
.43
+3
KQ2S06-M5A
+3
AS1211F-M5-04
+3
KQ2S06-M5A
+3
KQ2S06-M5A
+3
KQ2S06-M5A
+3
KQ2UD04-06A
+3
KQ2T06-00
+3
KQ2S04-M5
+3
KQ2T06-04
ĭ<
ĭ%
ĭ<
1F
2R
A
R
3
3E
A
R
3
3E
3E
3
RR
ĭ%/
TU10605B
ĭ%/
TU10605B
AM03-000069
93B&/($1,1*B9$/9(B$66<
$5&-3=
(3
ELECTRIC_REGULATOR
ITV1030-211N-X154
+3
FILTER
EBKX-L7004-120
+3
JOINT
KQ2L04-01S
KQ2L04-01S
A
A-B
1
3 4 4
4 4
5
2

Page
+$1:+$
281
Air (2/5) - EXCEN PRO(D) Extension
EXCEN PRO(M)
EXCEN PRO(D)
EXCEN PRO(L)
NO. PART NO. PART NAME Q'TY Old No. Supply Supply LT Reference
1 FC14-000258 COUPLER-COUPLER_KK3S-08E;KK3S-08E 1
2 FC14-000257 COUPLER-COUPLER_KK2S-04E;KK2S-04E 3
3 HP06-000260 FITTING-KQ2H8-10;KQ2H8-10,STRAIGHT TYPE 2
4 HP06-900091 FITTING_TUBE_CAP KQ2C04-00A 4
5 HP06-900041 JOINT KQ2L04-01S 4
6 EP07-000344 REGULATOR,ELECTRIC-ITV1030-211N-X154_SMC 2
7 HP04-000160 FILTER,AIR-EBKX-L7004-120_SMC 2
8 HP14-900088 SPEED CONTROLLER[AS1211F-M5-04] 2
9 HP06-900117 FITTING KQ2S06-M5 24
10 HP06-000348 FITTING-KQ2UD04-06A;UNION,ONE TOUCH,6-4 4
11 HP14-000976 VALVE,SOLENOID-VALVE;TC,AD,PRESSURE,M5 8
12 FC14-900645 PLUG KQ2P-06 8
13 HP09-000219 SILENCER-AN05-M5;THREAD 12
14 HP06-000074 FITTING-STRAIGHT FITTING;KQ2S04-M5N,ONET 4
15 HP11-900096 VACUUM_GENERATOR ZU07S 4
16 HP06-000267 FITTING-AS1002F-04;SPEED CONTROLLER 4
17 AM03-000069 ASSY,AIR-VP_CLEALING_VALVE_ASSY 1
18 HP06-000230 FITTING-KQ2T06-04;ONE_TOUCH,T,8 4
19 HP06-000347 FITTING-KQ2T06-00A;TEE,ONE TOUCH,6 4
20 AM03-004068B ASSY,AIR-V1_CLEANNING_BLOW_ ASSY 1
21 HP09-000105 REGULATOR-REGULATOR;AR20-02BG-1RY,0.2MPA 1
22 HP06-900104 FITTING KQ2L06-02S 1