FX-3操作手册(程序员,管理员).pdf - 第96页
操作手册 I I Rev00 2-57 3) 所用元件的方向与元件供应角度的关系 生产时使用的元件的方向,不一定是本设备规定的 0 度方向。 请根据元件的实际方向,设置 元件供应角度 。 所用元件的方向 元件供应角度的设定值 0° 90° 180° 270° 上图以 SOT 元件作为示例进行说明。关于其他的元件,请参照下页 “④JUKI 的元件供应角度的定义”输入“元件供应角度” 。 ※ 请以本设备规定的0度方向为基准,输入元件的纵横尺…

操作手册 II Rev00
2-56
(4) 元件供应角度
该设置是为了消除本设备规定的元件供应角度与实际供给元件的供应角度的差。
<帮助您理解>
1) 贴片角度
本装置以“贴片元件的姿势”为基准来定义元件的角度。
贴片角度=0 度(当贴片数据中“角度”设置为 0 度时)的状态如下图。
(按各元件种类定义)
注意) 根据生产基板的规格,当 CAD 数据的贴片角度定义与本装置的贴片角度定义不一
致时,需要变更 CAD 数据的贴片角度。
QFP QFP(PLCC) SOP TSOP-1 TSOP-2 插头
图 2-3-5-2-2-4 贴片角度为 0°
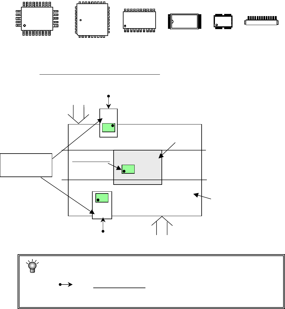
2) 元件供应角度
当“元件供应角度=0 度、贴片角度=0 度”
时,为了获得如上图的贴片结果,要求元件
的供给方向应如下图所示。
(标明元件种类=SOP)
后
基板
带状供料器 贴片角度 0°
管状供料器
贴片机
前
无论元件是从设备的前面供给还是从后面供给,都不需要更改元件数据的设定,
而可根据元件的供应位置自动控制,改变供给方向→贴片方向的关系。
表示实际使用时的供给
方向。

操作手册 II Rev00
2-57
3) 所用元件的方向与元件供应角度的关系
生产时使用的元件的方向,不一定是本设备规定的 0 度方向。
请根据元件的实际方向,设置元件供应角度。
所用元件的方向
元件供应角度的设定值 0° 90° 180° 270°
上图以 SOT 元件作为示例进行说明。关于其他的元件,请参照下页
“④JUKI 的元件供应角度的定义”输入“元件供应角度”。
※ 请以本设备规定的0度方向为基准,输入元件的纵横尺寸。
例)
各种元件被定义的 0 度方向 横向尺寸 纵向尺寸
6 3
6
3

操作手册 II Rev00
2-58
4) JUKI的元件供应角度定义
表 2-3-5-2-2-2 用图解方式说明了元件供应角度 0°的定义及各个角度。
对于没有极性的元件,无需区别 0°与 180°、90°与 270°。
表 2-3-5-2-2-2 JUKI 的元件供应角度的定义
元件种类 0° 90° 180° 270°
方型芯片
圆筒型芯片
铝电解电容器
GaAsFET
SOT
SOP
HSOP
SOJ
QFP
QFN
QFJ(PLCC)
BQFP(PQFP)