JM-20-Rev05.pdf - 第119页
- 114 - REF.NO NOTE PART NO D E S C R I P T I O N 品 名 Qty 1 400-11065 CONVEYOR BELT EX(250) 搬送ベルトEX(250) 4 2 400-11061 RAIL PLATE R(250) レールプレートR(250) 2 3 400-11060 RAIL PLATE F(250) レールプレートF(250) 2 4 401-38188 RAIL_F_25…

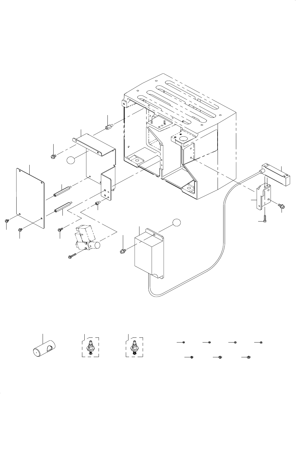
- 113 -
57.CONVEYOR EXTENTION COMPONENTS(250MM)
コンベア延長(250 MM)
13
1
16
15
14
3
2
10
4
5
6
6
7
7
11
10
11
12
12
8
9
8
9
16
14
15
16
14
15
14
15
16

- 114 -
REF.NO NOTE PART NO D E S C R I P T I O N
品 名
Qty
1 400-11065 CONVEYOR BELT EX(250)
搬送ベルトEX(250)
4
2 400-11061 RAIL PLATE R(250)
レールプレートR(250)
2
3 400-11060 RAIL PLATE F(250)
レールプレートF(250)
2
4 401-38188 RAIL_F_250
レール_F_250
2
5 401-38189 RAIL_R_250
レール_R_250
2
6 401-38190 PWB_GUIDE_EX_250
基板ガイド_EX_250
4
7 SL-6031092-TN SCREW M3 L=10
座金付き六角穴ボルト M3 L=10
16
8 SL-6041092-TN SCREW M4 L=10
座金付き六角穴ボルト M4 L=10
24
9 NM-6040002-SN NUT M4X0.7 TYPE2
六角ナット M4X0.7 2種
24
10 401-40931 JOINT_PLATE_250
ジョイント_プレート_250
4
11 SL-6031092-TN SCREW M3 L=10
座金付き六角穴ボルト M3 L=10
8
12 SL-6041292-TN SCREW M4 L=12
座金付き六角穴ボルト M4 L=12
12
13 HX-0044000-00 CABLE BAND
束線バンド
20
14 401-38303 RESIST_LIGHTEN_ROLLER_ASM
レイジストライテンローラ組
8
15 SM-4041201-SC SCREW M4X0.7 L=12
なべ小ねじ M4X0.7 L=12
8
16 WP-0430800-SC WASHER M4
平座金小形丸 M4
8

- 115 -
58.SIMPLE GAIN WEIGHT UNIT COMPONENTS
簡易荷重ユニット関係
13
12
11
10
3
2
6
4
13
1
8
8
9
9
7
A
A
1615
17 18 19 20
21 22 23
14
5