JM-20-Rev05.pdf - 第141页
- 136 - NOTE( 注記 ) #01....FOR ST ST 用 #02....FOR EN EN 用 REF.NO NOTE PART NO D E S C R I P T I O N 品 名 Qty 1 401-37322 BU ORG SENSOR A SM BU原点センサ組 1 2 401-10058 BU LOCK SENS CAB LE ASM BU ロックセンサケー ブル組 1 3 400-92574 BU LO…

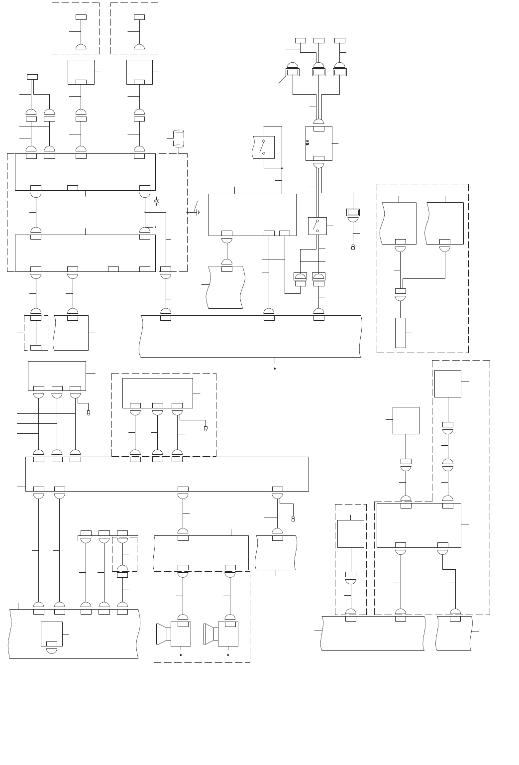
- 135 -
68.SYSTEM DIAGRAM(5)
SYSTEM DIAGRAM(5)
6-1A
CPU BOARD(4/7)
3-2D
6-3B
POWER UNIT
(6/9)
5-1C
CN305CN5
LOAD CELL ASM
CN26 CN526
COVER OPEN SW(R)
COVER OPEN SW(F)
MBF SET SW(FR)
CN546 CN46
MBF SET SW(FL)
CN548 CN48
EMG SW(R)
EMG SW(F)
LOAD CELL OPTION
CN507
LOAD CELL
LOAD CELL AMP
CN538CN38
CN539CN39
CN516
CN16
COUT
STOP
WAIT
S8
S7
S6
S5
S4
S3
S2
S1
SB1
T.PIN OPTION
AWC OPTION
AWC OPTION
AWC OPTION
RIGHT
SENSOR
S8
S7
S6
S5
S4
S3
S2
S1
RIGHT
EN ON LY
AWC ORG
T.PIN
BU RCV
BU LOCK
BU ORG
BU EMIS
LEFT
SB2
AWC O RG
SENSOR
T.PIN
SENSOR
BU PIN SENSOR
(RECEIVING)
BU LO CK
SENSOR
BU O RG
SENSOR
COUT
SENSOR
STOP
SENSOR
WAIT
SENSOR
LEFT
SENSOR
CN307CN7
CN303CN3
CN304CN4
VCS S.V.CABLE ASM
VCS OP SENS ASM
VCS ST SENS ASM
CN476
CN474
CN475
COVER BR
CN032
7-2A
BASE
PCB(3/5)
POWER UNIT(5/9)
CN7
CN030
4-3D
2-2D
4-1D
MI FEEDER
PCB(3/5)
CN66 CN566
(to
RFID)
5-5A
(to
RFID)
5-5A
MTS2
MTS1
CN1 CN201
IS L
I/F R
MTC I/F
7-2A
LAN4
LAN4
Depth from focus processing[(DFFP)
CN5
CN305
DFFP VCS
VCS DFFP
CN481
CN481R
MBF SW(FR)
OPEN ROP
OPEN
FOP
MBF SW(FL)
CN484
CN483
CN480
CN484R
CN483R
CN480R
CN484
CN483
CN482
CN481
CN480
CN547
CN47
CN549
CN49
STOP SW(R)
START SW(R)
CN484F
HOD
CN561
CN61
HOD BOX
CN801
CN537 CN37
SIGNAL
TOWER
REAR MONITOR OPTION
CONSOLE SW(F)
REAR MONITOR OPTION
CONSOLE SW(R)
MAINTENANCE
KEY SW
CN483F
START SW(F)
CN482F
CN481F
CN480F
CN543
CN43
CN542
CN42
VCS OPTION
(1-4C)
5-1D
CN473
CN473
CN10CN310
CN036
CN036
4-1C
CN9CN9 CN9
IO-20
PCB(6/6)
CN313
CN13
IO-CN9
CN2 CN302
COAXIAL
LIGHT PCB
CN1
VCS-CN1
VCS-CN2
CN2
BOTTOM
LIGHT PCB
CN3
VCS-CN3
SIDE LIGHT
UNIT
LIGHT
CTRL PCB
BU PIN SENSOR
(EMISSION)
VCS PWR
VCS TRG
1 3 7 11 13
5
12
63
2 4 6 10
8 9
14
15
16
17 18 19
20 8 9
21
22
23
24
2625 27
28
STOP SW(F)
29
30 31
32
33
28
29
31
32
34
33
35 36
37
38 38
39 39
40 41
42
43
44
45
47
48
49
50
51
52
54
53
55
56
57
58
59
60
61
62
64 65
66
67
68
69
70 71
72
73
46

- 136 -
NOTE( 注記 ) #01....FOR ST ST 用
#02....FOR EN EN 用
REF.NO NOTE PART NO D E S C R I P T I O N
品 名
Qty
1 401-37322 BU ORG SENSOR ASM
BU原点センサ組
1
2 401-10058 BU LOCK SENS CABLE ASM
BU ロックセンサケーブル組
1
3 400-92574 BU LOCK SENS ASM
BU ロックセンサ組
1
4 401-10059 BU PIN(RECEVING) CABLE ASM
BUピン受光センサケーブル組
1
5 400-92575 BU PIN SENSOR RECEIVER ASM
BUピン受光センサ組
1
6 401-37324 T.PIN SENS CABLE ASM
T.ピンセンサケーブル組
1
7 400-92576 T.PIN SENS ASM
Tピンセンサ組
1
8
#01
401-37036 POWER_UNIT(ST)
電源ユニット(ST)
1
9
#02
401-37045 POWER_UNIT(EN)
電源ユニット(EN)
1
10 401-10061 AWC ORG SENS CABLE ASM
AWC原点センサケーブル組
1
11 401-37323 AWC ORG SENSOR ASM
AWC原点センサ組
1
12 401-10062 RIGHT SENS CABLE ASM
ライトセンサケーブル組
1
13 401-36544 RIGHT SENS ASM
ライトセンサ組
1
14 401-36571 LIGHT CTRL PWR CABLE ASM
ライトコントロール電源ケーブル組
1
15 401-07163 LIGHT CTRL PCB ASM
ライトコントロール基板組
1
16 401-07239 VCS LIGHT CABLE ASM
VCSライトケーブル組
1
17 401-07164 COAXIAL LIGHT PCB ASM
COAXIALライト基板組
1
18 401-07165 BOTTOM LIGHT PCB ASM
ボトムライト基板組
1
19 401-07167 SIDE LIGHT ASM
サイドライト組
1
20 401-36345 IO-20 PCB ASM
IO−20基板組
1
21 401-36569 LIGHT SP RELAY CABLE ASM
ライト SP中継ケーブル組
1
22 401-36570 LIGHT SP CABLE ASM
ライト SPケーブル組
1
23 401-36572 VCS SENS CABLE ASM
VCSセンサケーブル組
1
24 401-36573 VCS SV CABLE ASM
VCS SVケーブル組
1
25 400-02147 VCS OP SENS ASM
VCS OPセンサ組
1
26 400-02146 VCS ST SENS ASM
VCS STセンサ組
1
27 400-02148 VCS SV CABLE ASM
VCS SVケーブル組
1
28 401-36549 START SW CABLE ASM
スタートスイッチケーブル組
1
29 401-36550 STOP SW CABLE ASM
ストップスイッチケーブル組
1
30 401-36551 MAINTENANCE KEY SW CABLE ASM
メンテナンスキースイッチケーブル組
1
31 401-36552 CONSOLE SW CABLE ASM
CONSOLE スイッチケーブル組
1
32 401-36553 EMG SW CABLE ASM
EMGスイッチケーブル組
1
33 401-36558 COVER OPEN SW CABLE
カバーオープンスイッチケーブル
1
34 400-48045 SIGNAL TOWER LIGHT ASM
シグナルタワーライト組
1
35 E9649-729-000 HOD ASM.
HOD組
1
36
#02
E9662-729-000 HOD (EN)
HOD(EN)
1
37 401-36545 SIGNAL LIGHT CABLE ASM
シグナルライトケーブル組
1
38 HD-0028100-00 SENSOR
センサー
1
39 401-36559 MBF SET SW ASM
MBFセットスイッチ組
1
40 401-36554 MBF SET SW (FL) CABLE ASM
MBFセットスイッチ(FL)ケーブル組
1
41 401-36555 MBF SET SW (FR) CABLE ASM
MBFセットスイッチ(FR)ケーブル組
1
42 401-36547 SW RELAY F CABLE
スイッチリレーFケーブル
1
43 401-36556 COVER SW CABLE ASM(F)
カバースイッチケーブル組(F)
1
44 401-36548 SW RELAY R CABLE
スイッチリレーRケーブル
1
45 401-36557 COVER SW CABLE ASM(R)
カバースイッチケーブル組(R)
1
46 401-36546 HOD IF CABLE ASM
HOD IFケーブル組
1
47 401-36346 BASE PCB ASM
ベース基板組
1
48 401-36568 MTC MTS I/F CABLE ASM
MTC MTS I/Fケーブル組
1
49 401-30370 MI FEEDER PCB ASM
MIフィーダ基板組
1
50 401-10050 MTC MTS I/F BR CABLE ASM
MTC MTS I/F ブラケットケーブル組
1
51 401-13668 RFID MTS I/F CBL ASM
RFID MTS I/Fケーブル組
1
52 401-36543 SB CABLE ASM
SBケーブル組
1
53 401-10052 LEFT SENS CABLE ASM
レフトセンサケーブル組
1
54 401-36534 LEFT SENS ASM
レフトセンサ組
1
55 401-10053 BU PIN(EMISSION) CABLE ASM
BU PIN 投光センサケーブル組
1
56 400-92569 BU PIN SENSOR EMISSION ASM
BU PIN 投光センサ組
1
57 401-10054 WAIT SENS CABLE ASM
ウェイトセンサケーブル組
1
58 401-10064 WAIT SENSOR ASM
ウェイトセンサ組
1
59 401-10055 STOP SENS CABLE ASM
ストップセンサケーブル組
1
60 401-10065 STOP SENSOR ASM
ストップセンサ組
1
61 401-10056 C.OUT SENS CABLE ASM
C.OUTセンサケーブル組
1
62 401-10066 C.OUT SENSOR ASM
C.OUTセンサ組
1
63 401-10057 BU ORG SENS CABLE ASM
BU原点センサケーブル組
1
64 401-42187 LOAD CELL ASM
ロードセル組
1
65 401-42191 LOAD CELL POWER CABLE ASM
ロードセル電源ケーブル組
1
66 401-42190 LOAD CELL ANALOG CABLE ASM
ロードセルアナログケーブル組
1
67 401-45616 VCS DFFP PWR CABLE ASM
VCS DFFP電源ケーブル組
1
68 401-45617 CAMERA TRIG CABLE ASM
カメラTRIGケーブル組
1
69 401-45618 VCS DFFP CABLE ASM
VCS DFFPケーブル組
1
70 401-50125 VCS CAMERA
VCSカメラ
1
71 401-50126 VCS LENS
VCSレンズ
1
72 401-45619 VCS LAN CABLE ASM
VCS LANケーブル組
1
73 401-23242 CPU BOARD
CPUボード
1

- 137 -
69.SYSTEM DIAGRAM(6)
SYSTEM DIAGRAM(6)
㸯
㸰
㸱㸲
㸳㸳
㸶
㸷
㸯㸴
㸯㸮
㸯㸯 㸯㸰
㸯㸵
㸳㸶
㸯㸱 㸯㸲 㸯㸱 㸯㸳
㸴㸳
㸰㸱
㸰㸲
㸰㸳
㸷 㸯
㸰㸵 㸰㸵
㸱㸷 㸲㸮
㸴㸮
㸳㸵
㸳㸷 㸳㸶
㸲㸷
㸲㸶
㸲㸵
㸲㸳
㸲㸴
㸳㸮
㸳㸰
㸳㸯
㸳㸱
㸲㸰
㸲㸱
㸳㸲
㸳㸳
㸰㸶
㸰㸷
㸳㸴
㸰㸴
㸱㸮
㸱㸯
㸱㸱
㸱㸳
㸱㸲
㸯㸷
㸰㸮
㸰㸯
㸰㸰
㸯㸷
㸱㸰
㸲㸯
㸵㸫㸰㸿
㸳㸫㸲㹂
㹓㹑㹀ࠉ㹑㹃㹊㹃㹁㹒ࠉ
㹎㹁㹀ࠉ㸿㹑㹋
㸴㸫㸱㸿
㸴㸫㸯㹀
㸲㸮㸯㸱㸳㸲㸱㸱
㹐㹑㸰㸱㸰㹁ࠉ㹀㹍㸿㹐㹂
㸦㸱㸭㸲㸧
㹒㹐㹍㹊㹊㹃㹗
㹒㹐㹍㹊㹊㹃㹗
㹋㸫㹀㸿㹌㹉ࠉ㹄
㹋㸫㹀㸿㹌㹉ࠉ㹐
㹐㹑㸰㸱㸰㹁ࠉ㹀㹍㸿㹐㹂㸦㸲㸭㸲㸧
㹋㸫㹀㸿㹌㹉ࠉ㹐
㹄㸯㸲㹃
㸵㸫㸰㸿
㹎㹍㹕㹃㹐ࠉ㹓㹌㹇㹒㸦㸵㸭㸷㸧
㹋㸫㹀㸿㹌㹉ࠉ㹄
㸦㹲㹭ࠉ㹋㹒㹑ࠉ
㹇㸭㹄㸧
㸳㸫㸳㸿
㸳㸫㸯㹂
㸴㸫㸯㹂
㹄㸯㸰㹃
㹐㸯㸳㹃
㹄㸯㸱㹃
㹔㹍㹓㹒
㹇㹎㸫㹖㸳ࠉ
㹎㹁㹀㸦㸱㸭㸱㸧
㹑㹃㹊㹃㹁㹒 㹁㹌㸳
㹀㸿㹑㹃ࠉ
㹎㹁㹀㸦㸲㸭㸳㸧
㹁㹌㸱㸲
㹁㹌㸰
㹁㹌㸱
㹓㹑㹀㹝㹁㹎㹓
㹓㹑㹀㹝㹇㹌
㹁㹌㸯
㹓㹑㹀
㹁㹎㹓ࠉ
㹀㹍㸿㹐㹂㸦㸴㸭㸵㸧
㸿㹁㹁㹃㹑㹑㹍㹐㹗
㹁㸿㹀㹊㹃
㸴㸫㸲㹁
㹑㹇㹍㸲
㸯㸫㸰㹁
㹁㹌㸲㸴㸱
㹁㹌㸲㸴㸱
㹐㹄㹇㹂ࠉ㸿㹌㹒㹃㹌㹌㸿
㹐㹄㹇㹂ࠉ㸿㹌㹒㹃㹌㹌㸿
㸯㸫㸲㹁
㹄㸯㸵㹃
㹀㸿㹐㹁㹍㹂㹃ࠉ㹐㹃㸿㹂㹃㹐ࠉ㹍㹎㹒㹇㹍㹌
㹀㸿㹐㹁㹍㹂㹃ࠉ
㹐㹃㸿㹂㹃㹐
㹀㹐
㸿㹒㹖㸫㹎㹍㹕㹃㹐㸦㸱㸭㸱㸧
㸴㸫㸯㹁
㸿㹒㹖㸫㸴 㹁㹌㸴
㹓㸿㹐㹒㹁㹍㹋㸫㹁㸭㹃
㸴㸫㸱㹀
㹆㹃㸿㹂ࠉ㹓㹌㹇㹒㸦㸯㸧
㹁㹌㸮㸰㸵
㹋㹍㹊㹃㹖
㹆㹉㸮㸱㸲㸴㸰㸮㸮㸰㸮
㹓㹎㹑㹝㹐
㸰㸮㸮㹫㹫
㸯㸮㸮㹫㹫
㹆㹁㹆㹃㹁㹉
㹁㹌㸮㸰㸱
㹁㹌㸲㸮㸷
㹎㹑㸫㹍㹎
㹁㹌㸰
㹁㹌㸯
㹁㹌㸲㸮㸶
㹁㹌㸲㸮㸵
㹁㹌㸲㸮㸴
㹓㹎㹑ࠉ㹍㹎
㹲㹭
㹎㹑㹓ࠉ
㹓㹎㹑
㸲㸮㸮㸷㸳㸵㸲㸳
㹓㹎㹑ࠉ㹀㹗㹎㸿㹑㹑ࠉ㹑㹕
㹁㹌㸮㸮㸷
㹁㹌㸮㸮㸷
㹋㸿㹇㹌ࠉ㹑㹕
㹁㹌㸮㸯㸮㹁㹌㸮㸯㸮
㹑㹕
㸩㸰㸲㹔ࠉ
㸵㸳㹕
㹓㹎㹑
㹁㹌㸲㸴㸱
㹋㹒㹑㸰
㹑㹕㹇㹒㹁㹆㹇㹌㹅ࠉ
㹆㹓㹀
㹋㹎㹁㸫㸲㹁
㹁㹎㹓ࠉ
㹀㹍㸿㹐㹂㸦㸵㸭㸵㸧
㹇㹑ࠉ㹊
㹊㸿㹌
㹖㸲
㹖㸱
㹁㹌㸲㸴㸱
㹁㹆㸰
㹁㹆㸯
㹁㹆㸰
㹁㹆㸯
㹖
㹖㹊㸿㹌
㹊㸿㹌
㹇㹑
㸦㸩㸧㸦㸫㸧
㹋㹒㹑㸯
㹁㹆㸲
㹁㹆㸱
㹁㹌㸮㸰㸰
㹎㹕㹐㹐㸰㸰
㹆㹓㹀㹝㹀㹍㹖
㹐㹄㹇㹂㹝㹎㹕㹐
㹁㹆㸲
㹁㹆㸱
㹂㹁㹝㹇㹌
㹂㹁㹝㹇㹌㹎㹓㹒
㹎㹐㹍㹅
㹃㹒㹆㹃㹐㹌㹃㹒
㹖㸳
㹂㹁ࠉ㹇㹌㹎㹓㹒
㹖㸰
㹖㸯
㹔㹁㹑ࠉ㹍㹎㹒㹇㹍㹌
㹔㹁㹑ࠉ㹁㸿㹋㹃㹐㸿㸦㹖㹁㸫㹆㹐㸳㸮㸧
㹊㹃㹌㹘㹃㸦㹍㹎㹒㹇㹍㹌㸧
㹔㹁㹑㸦㸰㸵㹫㹫㸧
㹔㹁㹑㸰㸵
㹍㹁㹁㸫㹐㹄
㹍㹁㹁㸫㹐㹄㸦㹁㹌㸰㸧
㹔㹁㹑ࠉ㹁㸿㹋㹃㹐㸿㸦㹖㹁㸫㹆㹐㸳㸮㸧
㹊㹃㹌㹘㹃㸦㹑㹒㸿㹌㹂㸿㹐㹂㸧
㹔㹁㹑㸦㸳㸲㹫㹫㸧
㹔㹁㹑㸳㸲
㹍㹁㹁㸫㹊㹐
㹍㹁㹁㸫㹊㹐㸦㹁㹌㸴㸧
㹐㹃㸿㹐ࠉ㹋㹍㹌㹇㹒㹍㹐ࠉ㹍㹎㹒㹇㹍㹌
㸯㸫㸱㹁
㸱㸫㸱㹀
㹊㸿㹌㸯
㹁㹍㹔㹃㹐
㹓㹑㹀ࠉ㹁㹆㸰
㹓㹑㹀ࠉ㹁㹆㸯
㹓㹑㹀
㸴㸫㸯㹁
㸳㸫㸱㹂
㹑㸿㹒㸿ࠉ㹑㹑㹂
㸿㹔㸯
㹇㹌㸫㹂㹁㸯㸰㹔
㹐㹑㹍㹓㹒㸰
㹐㹑㹍㹓㹒㸯
㹐㹃㸿㹐ࠉ㹋㹍㹌㹇㹒㹍㹐ࠉ㹍㹎㹒㹇㹍㹌
㸿㹒㹖㸫㸳
㹁㹌㸳
㹍㹓㹒㸫㹂㹁㸯㸰㹔
㹍㹓㹒㸫㹂㹁㸯㸰㹔
㹐㹊㹁㹂㸫㹎㹕㹐
㹐㸫㹂㹔㹇㸫㹂
㹎㹍㹕㹃㹐
㹂㹔㹇㹇㹌
㹐㹑㸰㸱㸰㹁ࠉ㹎㹁㹁㹎㹓ࠉ㹁㹍㹋㸰
㹁㹎㹓㸫㹂㹔㹇㹂㹔㹇ࠉ㹍㹓㹒㸰
㹐㹑㸰 㹐㹊㹁㹂㸰㸱㸰㹁
㹎㹍㹕㹃㹐
㹐㹃㸿㹐ࠉ㹊㹁㹂ࠉ
㹋㹍㹌㹇㹒㹍㹐
㹍㹓㹒㹝㹂㹁㸯㸰㹔㸦㹋㸰㸧
㹐㹑㸰㸱㸰㹁
㹂㹔㹇㸫㹂
㸴㸫㸲㹂
㸿㹒㹖ࠉ
㹓㹌㹇㹒㸦㸰㸭㸱㸧
㹇㹬㹮㹳㹲㹝㹂㹁㸯㸰㹔
㹐㹑㸫㹎㹁㸯
㹁㹍㹋㸰
㹑㹓㹎㹃㹐ࠉ㹇㹋㹎㹍㹑㹃ࠉ
㹀㹍㸿㹐㹂
㹂㹔㹇㸯
㹁㹎㹓㸫㹂㹔㹇
㹂㹔㹇㹍㹓㹒㸯
㹐㹑㸯
㹄㸫㹂㹔㹇㸫㹂
㹄㹊㹁㹂㸰㸱㸰㹁
㹄㹊㹁㹂㸫㹎㹕㹐
㹄㹐㹍㹌㹒ࠉ㹊㹁㹂ࠉ
㹋㹍㹌㹇㹒㹍㹐
㹍㹓㹒㹝㹂㹁㸯㸰㹔㸦㹋㸯㸧
㹐㹑㸰㸱㸰㹁
㹂㹔㹇㸫㹂
㹁㹎㹓ࠉ
㹀㹍㸿㹐㹂㸦㸳㸭㸵㸧
㸱㸴 㸱㸶
㸴 㸴
㸴 㸱㸵
㸦㹲㹭ࠉ㹋㹀㸿㹌㹉㹄ࠉ㹇㸭㹄㸧
ࠉࠉࠉࠉࠉࠉࠉࠉࠉࠉ㸵㸫㸱㹀
㸦㹲㹭ࠉ㹋㹀㸿㹌㹉㹐ࠉ㹇㸭㹄㸧
ࠉࠉࠉࠉࠉࠉࠉࠉࠉࠉ㸵㸫㸱㹁
㸵㸵
㸳㸷
㸲㸲
㸯
㸴㸯
㸳
㸳 㸳
㸳
㹄㹐㹍㹌㹒
㹉㹣㹷㹠㹭㹟㹰㹢
㹵㹧㹲㹦
㹲㹰㹟㹡㹩㹠㹟㹪㹪
㸦㹑㹎㸿㹁㹃㹐ࠉ㸿㹑㹋㸧
㸴㸲
㹐㹃㸿㹐ࠉ㹋㹍㹌㹇㹒㹍㹐ࠉ
㹍㹎㹒㹇㹍㹌
㹋㹍㹔㹃ࠉ㸴㸫㸰㹂
㸴㸰 㸴㸱
㸯㸶
㹄㹝㹉㹀
㹐㹝㹉㹀
㹄㹐㹍㹌㹒
㹉㹣㹷㹠㹭㹟㹰㹢
㹵㹧㹲㹦
㹲㹰㹟㹡㹩㹠㹟㹪㹪
㸦㹑㹎㸿㹁㹃㹐ࠉ㸿㹑㹋㸧
㹐㹃㸿㹐
㹉㹣㹷㹠㹭㹟㹰㹢
㹵㹧㹲㹦
㹲㹰㹟㹡㹩㹠㹟㹪㹪
㸦㹑㹎㸿㹁㹃㹐ࠉ㸿㹑㹋㸧
㸴㸲
㸴㸲