JM-20-Rev05.pdf - 第137页
- 132 - REF.NO NOTE PART NO D E S C R I P T I O N 品 名 Qty 1 401-29650 4AXIS INTEG RAL TYPE T AXIS DRIVER 4軸一体T軸ドライバ 1 2 401-36334 SERVO MOTOR 30 W サーボモータ 30W 1 3 401-36335 SERVO MOTOR 30 W サーボモータ 30W 1 4 401-30384 HEAD M…

- 131 -
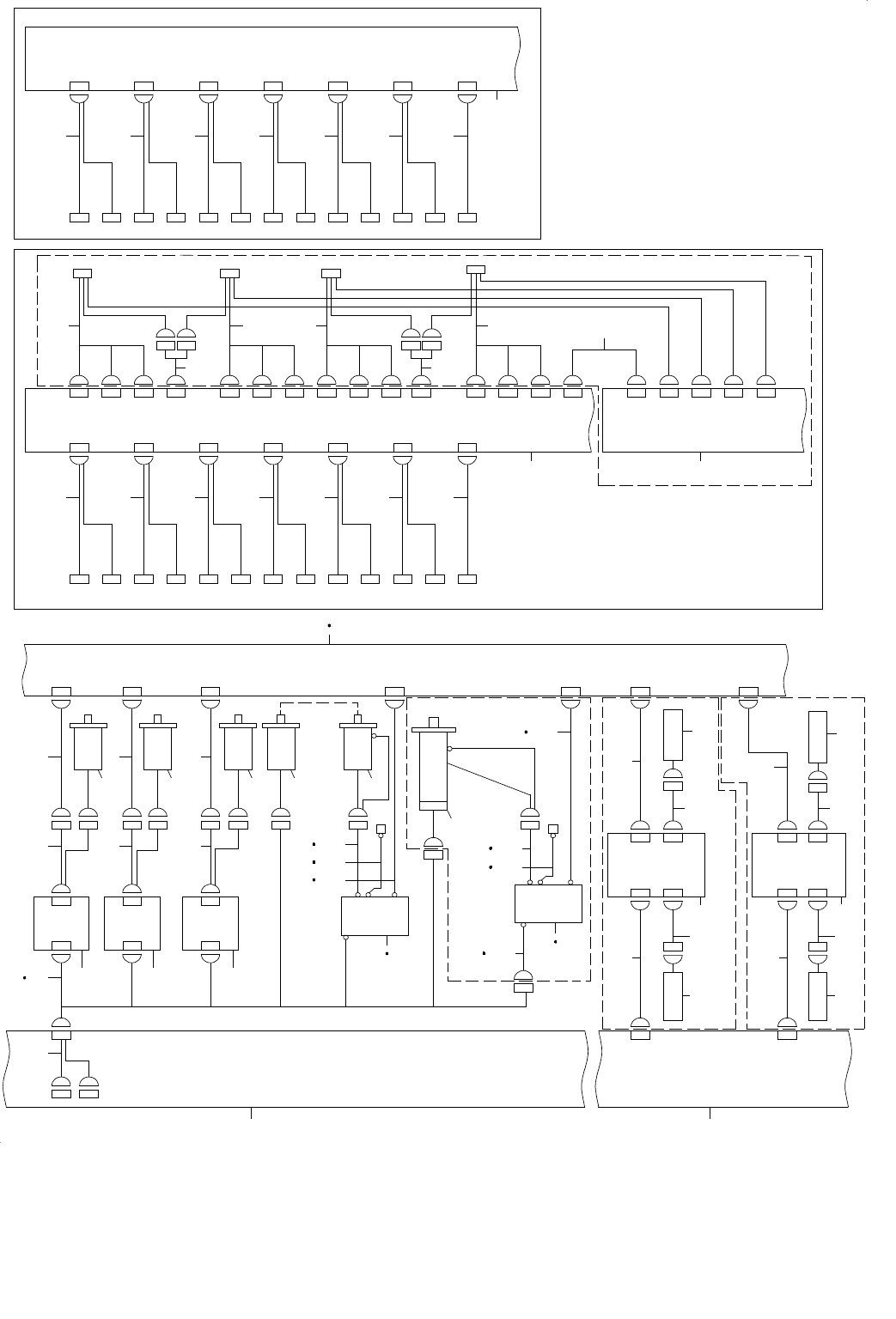
66.SYSTEM DIAGRAM(3)
SYSTEM DIAGRAM(3)
FAN
CN109
CN09
CN108
CN08
CN107
CN07
CN104
CN04
CN103
CN03
CN102
Z6
PRESSURE
SENSOR
Z5
PRESSURE
SENSOR
Z4
PRESSURE
SENSOR
Z3
PRESSURE
SENSOR
Z2
PRESSURE
SENSOR
Z1
PRESSURE
SENSOR
CN02
FAN
CN123
HEAD FAN
CN23
NZUP
HEAD MAIN
PCB(2/2)
Z6B
Z5B
Z4B
Z3B
Z2B
Z1B
Z6V
Z5V
Z4V
Z3V
Z2V
Z1V
NZL DWN2
NZL DWN1
Z6 BLW SV
Z5 BLW SV
Z4 BLW SV
Z3 BLW SV
Z2 BLW SV
Z1 BLW SV
CN113
Z6 VAC SV
Z5 VAC SV
Z4 VAC SV
Z3 VAC SV
Z2 VAC SV
Z1 VAC SV
CN112
CN15
NOZZLE
UP
SV
ASM
CN115
CN130 CN30
D-M9NL
D-M9NL
NOZZLE
DOWN
SENSOR R
NOZZLE
DOWN
SENSOR L
CN13
CN12
CN29
UC (OPTION)
CN117
CN17
HIGHT
MEASURE
SENSOR
AMP
3-2D
3-4A
Z6 MOTOR
HC-BH0336LW4-S7
Z5 MOTOR
HC-BH0336LW4-S7
Z4 MOTOR
HC-BH0336LW4-S7
2-4B
2-5B
CN17
CN22
4-1A
2-2D
6-1B
1-4C
4-3A
2-2D
CN118
CN18
HIGHT
MEASURE
SENSOR
AMP
CN027
CN023
POWER
UNIT(3/9)
CN405CN10 CN110
CN1
CN101
CN404
IO-CN1
CN1
IO-20
PCB(4/6)
CN105CN5
OCC-LF
CN410
XY BEAR
CABLE(2/3)
OCC-LF(CN5)
IP-X5
PCB(2/3)
EL-PN OPTION
OPASS OPTION
CN25 CN125
CN20
CN120
ELECTRIC-PNEUMATIC
CONVERTER
(EVD-1500-108AN-C1-3)
CN128CN27
ELECTRIC-PNEUMATIC
CONVERTER
(EVD-1500-108AN-C1-3)
CN126CN26
OCC-A2
OCC A
LIGHT PCB
OCC-A1
OCC-C
OCC
CN16
CN116
CN6
CN106
OCC A
LIGHT PCB
OCC C
LIGHT PCB
OCC
CAMERA
XC-HR50
5-3D
2-2D
JT0100A0555
LAN3
CPU
BOARD(3/7)
XY BEAR
CABLE(3/3)
LNC120
LNC120
LNC120 LED
CN133
CN114
CN033
CN121
CN132
CN021
CN014
CN032
HEAD MAIN
PCB(1/2)
CN5
CN5
CNP2D
CN2D
CNP2C
CN2C
CNP2B
CN2B
CNP2A
CN2A
T2 MOTOR
HG-AK0336L-S29
Z3 MOTOR
HC-BH0336LW4-S7
Z2 MOTOR
HC-BH0336LW4-S7
Z1 MOTOR
HC-BH0336LW4-S7
T1 MOTOR
HG-AK0336L-S29
ZTB SERVO
AMP(3/3)
MR-MD200-KW013
ZTA SERVO
AMP(3/3)
MR-MD200-KW013
CNP2D
CN2D
CNP2C
CN2C
CNP2B
CN2B
CNP2A
CN2A
11
2223 2223
25
26
13
23
24
21
22
18
16
14
19 2015 17
5
6
9
12
10
11 11
8
78
32
31
28
30
4
33
35
34
37
36
29
27
4
13

- 132 -
REF.NO NOTE PART NO D E S C R I P T I O N
品 名
Qty
1 401-29650 4AXIS INTEGRAL TYPE T AXIS DRIVER
4軸一体T軸ドライバ
1
2 401-36334 SERVO MOTOR 30W
サーボモータ 30W
1
3 401-36335 SERVO MOTOR 30W
サーボモータ 30W
1
4 401-30384 HEAD MAIN PCB ASM
ヘッドメイン基板組
1
5 401-36492 OCC CABLE ASM
OCCケーブル組
1
6 401-36489 OCC LIGHT CABLE ASM
OCCライトケーブル組
1
7 400-47512 OCC C LIGHT PCB ASM
OCC Cライト基板組
1
8 400-47508 OCC A LIGHT PCB ASM
OCC Aライト基板組
1
9 401-36486 OCC OPASS LIGHT CABLE ASM
OCC OPASSライトケーブル組
1
10 401-36487 EL-PN(L) REG CBL ASM
EL−PN(L) REGケーブル組
1
11 401-36999 REGULATOR
レギュレータ
1
12 401-36488 EL-PN(R) REG CBL ASM
EL−PN(R) REGケーブル組
1
13 401-36484 XY BEAR CABLE ASM
XYベアケーブル組
1
14 401-36490 OCC CAMERA CABLE ASM
OCCカメラケーブル組
1
15 400-48528 AIR RELAY CABLE ASM
エアー中継ケーブル組
1
16 401-36491 HEAD SP CABLE ASM
ヘッドSPケーブル組
1
17 401-36345 IO-20 PCB ASM
IO−20基板組
1
18 401-36501 HEAD POWER RELAY CABLE ASM
ヘッド電源中継ケーブル組
1
19 401-37036 POWER_UNIT(ST)
電源ユニット(ST)
1
20 401-37045 POWER_UNIT(EN)
電源ユニット(EN)
1
21 401-36485 HIGHT SENSOR ASM
HIGHTセンサ組
1
22 401-37330 HIGHT SENSOR(55) ASM
HIGHTセンサ(55)組
1
23 401-36483 HDR-LNC LED CABLE ASM
HDR−LNC LEDケーブル組
1
24 401-29658 LNC120
LNC120
1
25 401-23242 CPU BOARD
CPUボード
1
26 401-36338 LAN CABLE 5M
LANケーブル 5M
1
27 401-36481 T1 ENC CABLE ASM
T1 ENCケーブル組
1
28 401-37329 VAC SENS CABLE ASM
VACセンサケーブル組
1
29 401-36482 T2 ENC CABLE ASM
T2 ENCケーブル組
1
30 401-36494 NOZZLE DWN SENS RELAY CABLE ASM
ノズルダウンセンサ中継ケーブル組
1
31 401-36498 NOZZLE DOWN SENS L ASM
ノズルダウンセンサL組
1
32 401-36499 NOZZLE DOWN SENS R ASM
ノズルダウンセンサR組
1
33 401-37328 VAC SV CABLE ASM
VAC SVケーブル組
1
34 401-36495 NOZZLE UP SV RELAY CABLE ASM
ノズルアップSV中継ケーブル組
1
35 401-13704 NOZZLE UP SV ASM
ノズルアップケーブル組
1
36 401-36497 HEAD FAN RELAY CABLE ASM
ヘッドファン中継ケーブル組
1
37 401-13708 HEAD FAN CABLE ASM
ヘッド冷却ファンケーブル組
1

- 133 -
67.SYSTEM DIAGRAM(4)
SYSTEM DIAGRAM(4)
7-5B
CN4
CN029
CN029
CN028
CN028
BANKR04
BANKF04CN4
5-1B
AWC OPTION
CN658BUE
BU UP
ENCODER
CN7-2 CN7-2
CN7-1 CN7-1
CN7
RIGHT MOTOR DRV
CN656
RM-P
RMT
RM-2RM-1 CN2CN1
RIGHT
MOTOR
LEFT MOTOR DRV
CENTOR MOTOR DRV
CN656
CN656
LM-P
LMT
LM-2LM-1 CN2CN1
CM-PCM-2CM-1 CN 2CN1
LEFT
MOTOR
CENTOR
MOTOR
CMT
IO-CN7
CN657
CN659
AWCM
AWCE
BUM
BU UP
MOTOR
CN705
CN704
CN703
CN702
BK-FL
BK-FL
BK-RR
BK-FR
FRONT CONNECTOR BRACKET(1/2)
55-60
49-54
43-48
37-42
67-72
61-66
73-79
CN618 CN18
CN620 CN20
CN621 CN21
CN622 CN22
31-36
25-30
19-24
13-18
7-12
1-6
CN623 CN23
CN624 CN24
CN625 CN25
7-4C
(REAR)
FEEDER I/F
PCB(1/2)
5-1C
1-4C
55-60
49-54
43-48
37-42
67-72
61-66
73-79
CN618 CN18
CN620 CN20
CN621 CN21
CN622
CN22
31-36
25-30
19-24
13-18
7-12
1-6
CN623
CN23
CN624
CN24
CN625
CN25
CN5
CN4
BW RR
CN13 CN613
CN9 CN609
CN5 CN605
BW RL
CN12 CN612
CN29 CN629
CN4 CN604
CN3
CN6 CN706
CN32 CN632
DRV
PCB(1/2)
40130365
BW LR
CN11 CN611
CN7 CN607
CN3 CN603
7-4A
BW LL
CN10 CN610
CN2
CN28 CN628
CN2 CN602
(FRONT)
FEEDER I/F
PCB(1/2)
FEEDER
(REAR_RIGHT)
BANKR03
FEEDER
(REAR_RIGHT)
FEEDER
(REAR_LEFT)
BANKR02
FEEDER
(REAR_LEFT)
CN3
CN2
CN1
FEEDER
(FRONT_RIGHT)
BANKF03CN3
FEEDER
(FRONT_RIGHT)
FEEDER
(FRONT_LEFT)
BANKF02 CN2
FEEDER
(FRONT_LEFT)
DRIVE CYLINDER(R) OPTION
DRIVE CYLINDER(F) OPTION
BANKR01
CN1BANKF01
CN204
CN4
5-4A
BANK PCB (R)
BANK PCB (F)
MI FEEEDER
PCB(2/5)
CN202CN2
CN455
R14E
R13E
1
2
3 4
55 5
6
7
8
9
11
54
10 10 10 12 17
CN033
CN034
CN035
PWR35
PWR34
PWR33
PWR012
CN012
CN011
PWR011
15 16
18 19
20
21
13 14
5PHASE
DRIVER
IO-20
PCB(5/6)
3-3C
POWER UNIT(4/9)
3-3C
22
AUTO WIDTH
ADJUSTMENT MOTOR
29 30
CN660
13 14
23 24
25 26
27 28
5PHASE
DRIVER
31
32
33
55
56
35
59
37
33
57
58
34
34
36
36
38 39
42 43 44 45 46 47 48
40 41
53
52
61
5150
60
49
CONNECTOR BR UNIT BF OPTION
42 43 44 45 46 47
48
REAR CONNECTOR BRACKET(1/2)
40