JM-20-Rev05.pdf - 第134页
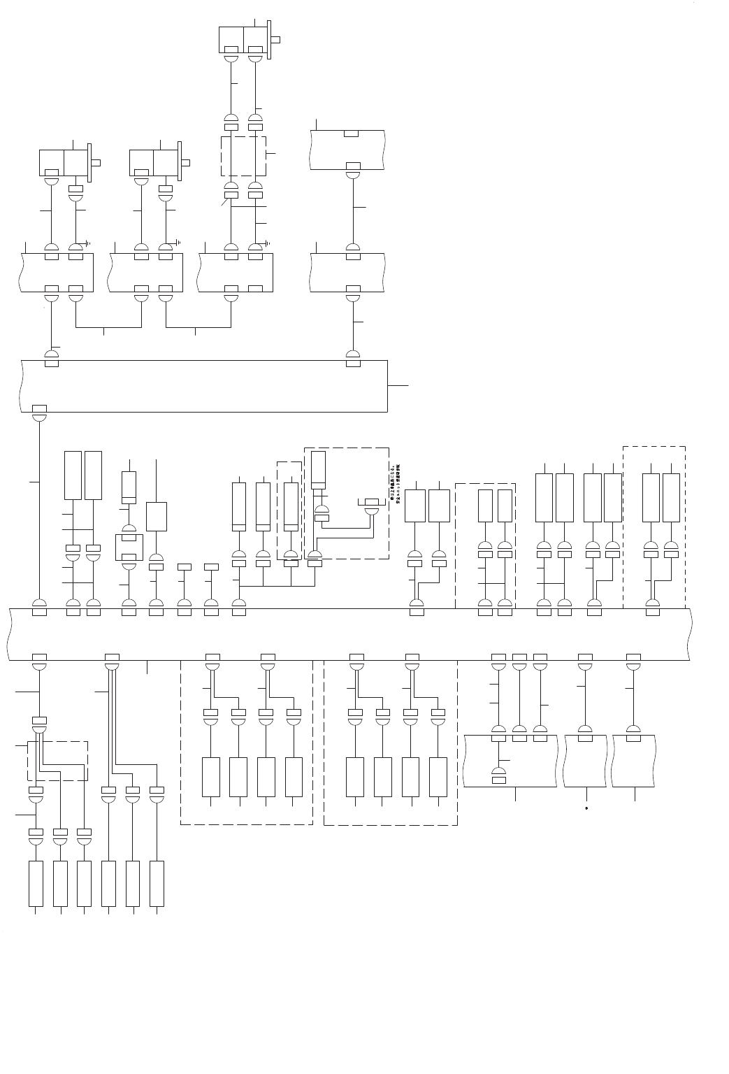
- 129 - 65. SYSTEM DIAGRAM(2) SYSTEM DIAGRA M(2) 㸯㸫㸲㹁 㸱㸫㸯㹁 㸱㸫㸯㸿 㹀㸿㹌㹉ࠉ㹎㹍㹕 㹃㹐ࠉ㹑㹕 㹀㸿㹌㹉ࠉ㹎㹍㹕 㹃㹐ࠉ㹑㹕 㹀㸿㹌㹉ࠉ 㹓㹎 㹑㹃㹌㹑㹍㹐 㸦㹐㸧 㹀㸿㹌㹉ࠉ㹓 㹎 㹑㹃㹌㹑㹍㹐 㸦㹄㸧 㹁㹌㸷㸮㸷 㹑㸿㹄㹃㹒㹗ࠉ㹓㹌㹇㹒 㸯㸫㸲㹀 㸯㸫㸲㸿 㹄㸴㹃 㹄㸳㹃 㹄㸲㹃 㸯㸫㸱㸿 㸳㸫㸱㸿 㸯㸫㸯㹁 㸯㸫㸲㹁 㸱㸫㸰㹂 㹁㹎㹓ࠉ㹁㹍 㹋㸯 㹁㹌㸲㸲 㹁㹌㸳㸲㸲 …

- 128 -
NOTE( 注記 ) #01....FOR 200V 200 V 用
#02....FOR 400V 400 V 用
#03....FOR ST ST 用
#04....FOR EN EN 用
REF.NO NOTE PART NO D E S C R I P T I O N
品 名
Qty
1
#01
401-06608 POWER LAMP 200V CABLE ASM
パワーランプ200V束線組
1
2
#02
401-06609 POWER LAMP 400V CABLE ASM
パワーランプ400V束線組
1
3 401-36442 POWER ON LAMP RELAY CABLE ASM
パワーランプ中継ケーブル組
1
4 401-36443 BREAKER OUT CABLE ASM
ブレーカOUTケーブル組
1
5 HA-0063400-00 CIRCUIT PROTECTOR
サーキットプロテクタ
1
6 HA-0063400-0B CIRCUIT PROTECTOR
サーキットプロテクタ
1
7 HA-0063400-10 CIRCUIT PROTECTOR
サーキットプロテクタ
1
8 401-36466 YR DRV FG CABLE
YR DRV FGケーブル
1
9 401-36446 TF INPUT CABLE ASM
TF入力ケーブル組
1
10 401-36340 SWITCH
スイッチ
1
11 401-36445 MTC PWR WIRE L ASM
MTC電源ワイヤーL組
1
12 401-36444 MAIN SW OUTPUT CABLE ASM
メインスイッチ出力ケーブル組
1
13 401-36420 AC INPUT NO.01 CABLE ASM
AC入力 NO.01ケーブル組
1
14 401-36421 AC INPUT NO.02 CABLE ASM
AC入力 NO.02ケーブル組
1
15 401-36423 AC INPUT NO.03 CABLE ASM
AC入力 NO.03ケーブル組
1
16 401-36424 AC INPUT NO.04 CABLE ASM
AC入力 NO.04ケーブル組
1
17 401-36425 AC INPUT NO.05 CABLE ASM
AC入力 NO.05ケーブル組
1
18 401-36427 AC INPUT NO.06 CABLE ASM
AC入力 NO.06ケーブル組
1
19 401-36428 AC INPUT NO.07 CABLE ASM
AC入力 NO.07ケーブル組
1
20 401-36430 AC INPUT NO.08 CABLE ASM
AC入力 NO.08ケーブル組
1
21 HN-0037400-00 NOISE FILTER
ノイズフィルタ
1
22 HC-0566030-P0 CAPACITOR
コンデンサ
1
23 401-36467 INPUT UNIT FG CABLE
入力ユニットFGケーブル
1
24 401-36465 YL DRV FG CABLE
YL DRV FGケーブル
1
25 401-36337 TRANSFORMER
トランス
1
26 401-36448 TF 200V OUTPUT CABLE ASM
TF 200V出力ケーブル組
1
27 401-36449 TF 34V OUTPUT CABLE ASM
TF 34V出力ケーブル組
1
28
#04
401-36461 SAFETY U 34V IN CABLE ASM(EN)
セーフティーU 34V INケーブル組(EN)
1
29
#04
401-36462 SAFETY U 34V OUT CABLE ASM(EN)
セーフティーU 34V OUTケーブル組(EN)
1
30 401-36450 TF 100VA OUTPUT CABLE ASM
TF 100VA出力ケーブル組
1
31 401-36451 TF 200VB OUTPUT CABLE ASM
TF 200VB出力ケーブル組
1
32 401-36468 TF FG CABLE ASM
TF FGケーブル組
1
33 401-36346 BASE PCB ASM
ベース基板組
1
34 401-36455 BASE PWR CABLE ASM
ベース電源ケーブル組
1
35 400-99547 VACUUM_PUMP_ASM
真空ポンプ組
1
36 401-36469 VACUUM PUMP FG CABLE ASM
真空ポンプFGケーブル組
1
37 401-36456 VAC PUMP POWER CABLE ASM
真空ポンプパワーケーブル組
1
38 401-36345 IO-20 PCB ASM
IO−20基板組
1
39 401-36460 POWER MONITOR CABLE ASM
電源モニタケーブル組
1
40
#03
401-37036 POWER_UNIT(ST)
電源ユニット(ST)
1
41
#04
401-37045 POWER_UNIT(EN)
電源ユニット(EN)
1
42 401-36452 X PWR CABLE ASM
X電源ケーブル組
1
43 401-36464 X DRV FG CABLE ASM
X DRV FGケーブル組
1
44 401-29652 X AXIS DRIVER
X軸ドライバ
1
45 401-36453 YL PWR CABLE ASM
YL電源ケーブル組
1
46 401-36454 YR PWR CABLE ASM
YR電源ケーブル組
1
47 401-36479 LZT PWR RELAY CABLE ASM
LZT電源中継ケーブル組
1
48 401-36484 XY BEAR CABLE ASM
XYベアケーブル組
1
49 401-29650 4AXIS INTEGRAL TYPE T AXIS DRIVER
4軸一体T軸ドライバ
1
50 401-36457 ATX PWR CABLE ASM
ATX電源ケーブル組
1
51 400-47894 ATX PWR RLY CABLE ASM
ATX電源中継ケーブル組
1
52 400-48006 ATX PSU
ATX電源
1
53 401-35433 8-PORT COM BOARD
8−PORT COMボード
1
54 400-48030 UPS 232C CABLE ASM
UPS通信ケーブル組
1
55 400-48007 BATTERY UNIT
バッテリユニット
1
56 401-37325 FAN CABLE ASM
ファンケーブル組
1
57 401-33768 DC FAN
DCファン
1
58 401-36458 LIGHT CTRL POWER CABLE ASM
ライトコントロール電源ケーブル組
1
59 401-36470 CPCI CHECK CABLE ASM
CPCIチェックケーブル組
1
60 401-09937 CPCI POWER CABLE ASM
CPCI電源ケーブル組
1
61 401-36459 ATX CTRL CABLE ASM
ATXコントロールケーブル組
1
62 401-29654 Y AXIS DRIVER
Y軸ドライバ
1

- 129 -
65.SYSTEM DIAGRAM(2)
SYSTEM DIAGRAM(2)
㸯㸫㸲㹁
㸱㸫㸯㹁㸱㸫㸯㸿
㹀㸿㹌㹉ࠉ㹎㹍㹕㹃㹐ࠉ㹑㹕
㹀㸿㹌㹉ࠉ㹎㹍㹕㹃㹐ࠉ㹑㹕
㹀㸿㹌㹉ࠉ㹓㹎
㹑㹃㹌㹑㹍㹐㸦㹐㸧
㹀㸿㹌㹉ࠉ㹓㹎
㹑㹃㹌㹑㹍㹐㸦㹄㸧
㹁㹌㸷㸮㸷
㹑㸿㹄㹃㹒㹗ࠉ㹓㹌㹇㹒
㸯㸫㸲㹀
㸯㸫㸲㸿
㹄㸴㹃
㹄㸳㹃
㹄㸲㹃
㸯㸫㸱㸿
㸳㸫㸱㸿
㸯㸫㸯㹁
㸯㸫㸲㹁
㸱㸫㸰㹂
㹁㹎㹓ࠉ㹁㹍㹋㸯
㹁㹌㸲㸲
㹁㹌㸳㸲㸲
㹁㹎㹓ࠉ㹀㹍㸿㹐㹂
㸦㸰㸭㸵㸧
㹁㹍㹋㸯
㹀㹉ࠉ㹎㹕ࠉ㹐
㹀㹉ࠉ㹎㹕ࠉ㹄
㹁㹌㸲㸲㸱
㹁㹌㸲㸲㸰
㹁㹌㸳㸰㸯
㹁㹌㸰㸯
㹁㹌㸳㸰㸮㹁㹌㸰㸮
㹁㹌㸳㸰㸳 㹁㹌㸲㸱㸴㹁㹌㸰㸳
㹁㹌㸳㸰㸲 㹁㹌㸲㸱㸳
㹁㹌㸰㸲
㹁㹌㸴㸷 㹁㹌㸳㸴㸷
㹁㹌㸲㸳㸮
㹁㹌㸵㸮
㹁㹌㸳㸵㸮
㸿㹇㹐ࠉ
㹎㹐㹃㹑㹑㹓㹐㹃
㹑㹃㹌㹑㹍㹐㸦㸫㸧
㹁㹌㸲㸳㸯
㸿㹇㹐ࠉ
㹎㹐㹃㹑㹑㹓㹐㹃
㹑㹃㹌㹑㹍㹐㸦㸩㸧
㹁㸫㸿㹒㹁
㹊ࠉ㹑㹃㹌㹑㹍㹐
㹁㹌㸲㸲㸱㹁
㹁㹌㸲㸲㸰㹁
㹁㸫㸿㹒㹁
㹐ࠉ㹑㹃㹌㹑㹍㹐
㸿㹒㹁ࠉ㹍㹎㹃㹌ࠉ
㹑㹃㹌㹑㹍㹐
㹁㹌㸲㸮㸱
㹁㹌㸲㸮㸰
㹁㹌㸳㸲 㹁㹌㸳㸳㸲
㸿㹒㹁ࠉ㹁㹊㹍㹑㹃ࠉ
㹑㹃㹌㹑㹍㹐
㹍㹓㹒
㹇㹌
㹁㹌㸯㸶
㹁㹌㸳㸯㸶
㹁㹌㸯㸵
㹁㹌㸳㸯㸵
㹑㹋㹃㹋㸿㸦㹍㹓㹒㸧
㹑㹋㹃㹋㸿㸦㹇㹌㸧
㹁㹌㸲㸷㸯
㹁㹌㸲㸷㸰
㹁㹌㸴㸴㸷
㹁㹌㸰
㹁㹌㸯
㹁㹌㸳㸴㸶
㹁㹌㸴㸶
㹁㹌㸳㸱㸴㹁㹌㸱㸴
㹁㸿㹊㹀㹊㹍㹁㹉ࠉ㹎㹁㹀ࠉ㸿㹑㹋
㹁㸿㹊ࠉ㹔㸿㹁㹓㹓㹋
㹑㹃㹌㹑㹍㹐
㹁㸿㹊ࠉ
㹑㸬㹔㸬
㹐㸫㸿㹒㹁ࠉ㹑㸬㹔㸬
㹃㹌
㸦 㸧
㹐㸫㸿㹒㹁ࠉ㹍㹎㹒㹇㹍㹌
㹁㹌㸳㸰㸷
㹖㹑㹒㹍㹎㹎㹃㹐ࠉ㹑㸬㹔㸬
㹁㹌㸰㸷
㸿㹒㹁ࠉ㹑㸬㹔㸬
㹁㹌㸮㸰㸮
㹁㹌㸰
㹁㹌㸲
㹁㹌㸳㸮㸲
㹇㹍㸫㹁㹌㸱
㹁㹌㸱
㹁㹌㸱
㹁㹌㸳㸮㸱
㹇㹍㸫㹁㹌㸰
㹁㹌㸰
㸱㸫㸱㹁
㸯㸫㸰㹂
㹎㹍㹕㹃㹐ࠉ㹓㹌㹇
㸦㸰㸭㸷㸧
㹁㹌㸶
㹁㹌㸶
㹁㹌㸳㸮㸰
㹇㹍㸫㹁㹌㸶
㹁㹌㸶
㸱㸫㸱㹁
㸯㸫㸯㹂
㹁㹌㸴㸰㹁㹌㸳㸴㸰
㹁㹌㸮㸰㸮
㹇㹍㸫㸰㸮ࠉ
㹎㹁㹀㸦㸱㸭㸴㸧
㸦㹐㹃㸿㹐ࠉ㹊㹃㹄㹒㸧
㸦㹐㹃㸿㹐ࠉ㹐㹇㹅㹆㹒㸧
㹁㹌㸳㸯
㹁㹌㸳㸮
㹁㹌㸳㸳㸯
㹁㹌㸳㸳㸮
㹁㹌㸲㸱㸯
㹁㹌㸲㸱㸱
㹁㹌㸲㸰㸴
㹁㹌㸲㸰㸶
㹄㹃㹃㹂㹃㹐ࠉ㹄㹊㹍㸿㹒
㹑㹃㹌㹑㹍㹐ࠉ㸦㹐㹐㸧
㸦㹃㹋㹇㹑㹑㹇㹍㹌㸧
㹄㹃㹃㹂㹃㹐ࠉ㹄㹊㹍㸿㹒
㹑㹃㹌㹑㹍㹐ࠉ㸦㹐㹄㸧
㸦㹐㹃㹁㹃㹔㹇㹌㹅㸧
㹄㹃㹃㹂㹃㹐ࠉ㹄㹊㹍㸿㹒
㹑㹃㹌㹑㹍㹐ࠉ㸦㹐㹄㸧
㸦㹃㹋㹇㹑㹑㹇㹍㹌㸧
㹄㹃㹃㹂㹃㹐ࠉ㹄㹊㹍㸿㹒
㹑㹃㹌㹑㹍㹐ࠉ㸦㹐㹐㸧
㸦㹐㹃㹁㹃㹔㹇㹌㹅㸧
㹐㹃㸿㹐ࠉ㹄㹃㹃㹂㹃㹐ࠉ㹄㹊㹍㸿㹒ࠉ㹑㹃㹌㹑㹍㹐ࠉ㹍㹎㹒㹇㹍㹌
㹐㹃㸿㹐ࠉ㹋㹀㹄ࠉ㹂㹃㹒㹃㹁㹒
㹑㹃㹌㹑㹍㹐
㸦㹃㹋㹇㹑㹑㹇㹍㹌㸧
㹁㹌㸳㸶
㹁㹌㸳㸳㸶
㹁㹌㸲㸰㸷
㹐㹃㸿㹐ࠉ㹋㹀㹄ࠉ㹂㹃㹒㹃㹁㹒
㹑㹃㹌㹑㹍㹐
㸦㹐㹃㹁㹃㹔㹇㹌㹅㸧
㹁㹌㸯㸷
㹁㹌㸳㸯㸷
㹁㹌㸲㸱㸲
㹁㹌㸲㸮㹁㹌㸳㸲㸮
㹄㹐㹍㹌㹒ࠉ㹄㹃㹃㹂㹃㹐ࠉ㹄㹊㹍㸿㹒ࠉ㹑㹃㹌㹑㹍㹐ࠉ㹍㹎㹒㹇㹍㹌
㸦㹄㹐㹍㹌㹒ࠉ㹐㹇㹅㹆㹒㸧
㸦㹄㹐㹍㹌㹒ࠉ㹊㹃㹄㹒㸧
㹁㹌㸲㸯
㹁㹌㸳㸲㸯
㹁㹌㸲㸱㸰
㹁㹌㸲㸱㸮
㹁㹌㸲㸰㸵
㹁㹌㸲㸰㸳
㹄㹃㹃㹂㹃㹐ࠉ㹄㹊㹍㸿㹒
㹑㹃㹌㹑㹍㹐ࠉ㸦㹄㹄㸧
㸦㹃㹋㹇㹑㹑㹇㹍㹌㸧
㹄㹃㹃㹂㹃㹐ࠉ㹄㹊㹍㸿㹒
㹑㹃㹌㹑㹍㹐ࠉ㸦㹄㹐㸧
㸦㹐㹃㹁㹃㹔㹇㹌㹅㸧
㹄㹃㹃㹂㹃㹐ࠉ㹄㹊㹍㸿㹒
㹑㹃㹌㹑㹍㹐ࠉ㸦㹄㹐㸧
㸦㹃㹋㹇㹑㹑㹇㹍㹌㸧
㹄㹃㹃㹂㹃㹐ࠉ㹄㹊㹍㸿㹒
㹑㹃㹌㹑㹍㹐ࠉ㸦㹄㹄㸧
㸦㹐㹃㹁㹃㹔㹇㹌㹅㸧
㹁㹌㹎㸱
㹁㹌㸰
㹁㹌㸯㹀
㹁㹌㸯㸿
㹁㹌㹎㸱
㹁㹌㸰
㹁㹌㸯㹀
㹁㹌㸯㸿
㹗㹐㹁㹌㹋㹒㹐
㹗㹐㹁㹌㹎㸱
㹗㹊㹁㹌㹎㸱
㹗㹊㹁㹌㹋㹒㹐
㹖㹁㹌㹋㹒㹐
㹋㹐㹎㹕㹑㸰㹁㹀㹊㸮㸱㹋
㸫㸿㸯㸫㹊㸫㹑㸮㸮
㹁㹌㸯㸴㸴㹁㹌㸯㸴㸳
㹖㹁㹌㹎㸱
㹁㹌㹎㸱
㹖㸫㹊㹇㹋㹖㸩㹊㹇㹋
㹁㹌㸯㹀
㹗㹐ࠉ㹑㹃㹐㹔㹍ࠉ㹋㹍㹒㹍㹐
㹆㹁㸫㹐㹎㸯㸳㸱㸫㹑㸱
㹁㹌㸯㹀
㹗㹐㹁㹌㹃㹌㹁
㹗㹐㹁㹌㸰
㹁㹆㸰
㹋㹐㸫㹈㸱㹀㹓㹑㸮㸯㸳㹋
㹁㹌㸯㸿㹁㹌㸯㸿
㹁㹌㸯㸳㸲
㹖㹁㹌㹃㹌㹁
㹁㹌㸯㸳㸰
㹋㹐㸫㹈㸱㹈㹁㹀㹊㸮㸱㹋㸫㸿㸯㸫㹊
㹖ࠉ㹑㹃㹐㹔㹍ࠉ㹋㹍㹒㹍㹐
㹆㹅㸫㹉㹐㸵㸱㸫㹑㸮㸮㸮㸮㸯㸮
㹗ࠉ㹀㹃㸿㹐ࠉ㹁㸿㹀㹊㹃㸦㸰㸭㸰㸧
㹖㹁㹌㸰
㹁㹌㸰
㹖ࠉ㹑㹃㹐㹔㹍ࠉ㸿㹋㹎㸦㸰㸭㸰㸧
㹋㹐㸫㹈㸲㸫㸵㸮㹀㸫㹉㹋㸮㸯㸰
㹗㹊㹁㹌㹃㹌㹁
㹗㹊ࠉ㹑㹃㹐㹔㹍ࠉ㹋㹍㹒㹍㹐
㹆㹁㸫㹐㹎㸯㸳㸱㸫㹑㸱
㹗㹊㹁㹌㸰
㹖ࠉ㹌㹃㸿㹐
㹖㸫㹊㹇㹋
㹗ࠉ㹀㹃㸿㹐ࠉ
㹁㸿㹀㹊㹃㸦㸯㸭㸰㸧
㹁㹌㸯㹀
㹁㹌㸯㸿
㹁㹆㸯
㹁㹆㸯
㹋㹁㹁㹌㸯㹁㹆
㹎㹍㹑㹇㹒㹇㹍㹌ࠉ㹀㹍㸿㹐㹂㸦㸰㸭㸰㸧
㹋㹐㸫㹋㹁㸯㸰㸯㸫㹑㸮
㹁㹌㸳㸮㸯
㹁㹌㸯
㹁㹌㸴㸵㹁㹌㸳㸴㸵
㹁㹌㸴㸱㹁㹌㸳㸴㸱
㹁㹌㸯㸰㸵
㹗ࠉ㹌㹃㸿㹐
㹗㸩㸩㹊㹇㹋
㹗㸫㹊㹇㹋
㹗ࠉ㹎㹍㹑ࠉ㹊㹇㹋㹇㹒
㹑㹃㹌㹑㹍㹐ࠉ㸦㹄㹃㹃㹂㹃㹐㸧
㹀㸿㹑㹃ࠉ㹎㹁㹀㸦㸰㸭㸳㸧
㹖ࠉ㹎㹍㹑ࠉ㹊㹇㹋㹇㹒
㹑㹃㹌㹑㹍㹐
㹖ࠉ㹌㹃㹅ࠉ㹊㹇㹋㹇㹒
㹑㹃㹌㹑㹍㹐
㹖ࠉ㹌㹃㸿㹐
㹑㹃㹌㹑㹍㹐
㹗ࠉ㹌㹃㹅ࠉ㹊㹇㹋㹇㹒
㹑㹃㹌㹑㹍㹐
㹗ࠉ㹌㹃㸿㹐
㹑㹃㹌㹑㹍㹐
㸯㸰㸱㸲㸳㸴
㸵
㸶
㸷 㸯㸮
㸯㸯 㸯㸰 㸯㸱 㸯㸲 㸯㸵 㸯㸶 㸯㸷 㸰㸮
㸯㸳 㸯㸴 㸰㸯 㸰㸰
㸱㸱
㸰㸱
㸰㸲
㸰㸶 㸰㸷 㸱㸮
㸰㸳
㸰㸵
㸱㸯
㸱㸰
㸰㸴
㸱㸴
㸱㸴
㸱㸳
㸱㸵
㸱㸷
㸲㸰 㸲㸲 㸲㸳
㸲㸴
㸲㸯 㸲㸱
㸲㸮
㸲㸵 㸲㸶 㸲㸷
㹁㹌㸲㸰㸮
㹁㹌㸲㸰㸯
㹁㹌㸲㸰㸰
㹁㹌㸲㸰㸱
㹀㹓㹝㹊ࠉ㹊㹍㹁㹉
㸳㸮
㸳㸯
㸳㸰 㸳㸱
㹐㹃㹎㹊㸿㹁㹇㹌㹅ࠉ㹍㹔㹃㹐㸿㹊㹊ࠉ㹁㹆㹃㹌㹅㹃㹐ࠉ㹒㸿㹀㹊㹃ࠉ㹓㹌㹇㹒
㸳㸲
㸳㸳
㸳㸴
㸳㸵
㸳㸶㸳㸶 㸴㸮㸴㸯
㸳㸷
㸴㸰
㸴㸱㸴㸲
㹁㸫㸿㹒㹁ࠉ㹍㹎㹒㹇㹍㹌
㸴㸳
㸴㸴
㸴㸵 㸴㸵
㸴㸶
㹅㹆㹒㹒㸲㸮㸮㸰㸫㹄㸮㸵㸫㸮 㸵㹋
㹋㹐㸫㹈㸱㹀㹓㹑㸮㸯㸳㹋
㹋㹐㸫㹈㸱㹀㹓㹑㸮㸯㸳㹋
㹎㹁㹉㸰㸮㸰㹆㹎㹖㸫㹄㸮㸵㸫㸶㹋
㹗㹐ࠉ㹑㹃㹐㹔㹍ࠉ㸿㹋㹎㸦㸰㸭㸰㸧
㹋㹐㸫㹈㸲㸫㸰㸮㸮㹀㸫㹉㹋㸮㸯㸰
㸴㸷 㸴㸷 㸵㸮
㹗㹊ࠉ㹑㹃㹐㹔㹍ࠉ㸿㹋㹎㸦㸰㸭㸰㸧
㹋㹐㸫㹈㸲㸫㸰㸮㸮㹀㸫㹉㹋㸮㸯㸰
㸵㸯
㹘㹒㸿ࠉ㹑㹃㹐㹔㹍ࠉ㸿㹋㹎㸦㸰㸭㸱㸧
㹋㹐㸫㹋㹂㸰㸮㸮㸫㹉㹕㸮㸯㸱
㸯㸫㸱㹀
㹘㹒㹀ࠉ㹑㹃㹐㹔㹍ࠉ㸿㹋㹎㸦㸰㸭㸱㸧
㹋㹐㸫㹋㹂㸰㸮㸮㸫㹉㹕㸮㸯㸱
㸯㸫㸱㹁
㸵㸯
㸵㸰
㸵㸱
㸵㸲
㸵㸳
㸵㸵
㸵㸴
㸵㸶
㸴㸵
㸵㸷 㸵㸷
㸶
㸶㸯
㸱㸶
㸶㸮
㸱㸲

- 130 -
NOTE( 注記 ) #01....FOR ST ST 用
#02....FOR EN EN 用
REF.NO NOTE PART NO D E S C R I P T I O N
品 名
Qty
1 401-37314 X POS LIMIT SENSOR ASM
X POSリミットセンサ組
1
2 401-37315 X NEG LIMIT SENSOR ASM
X NEGリミットセンサ組
1
3 401-37316 X NEAR SENSOR ASM
X ニアセンサ組
1
4 401-37317 Y POS LIMIT SENSOR ASM
Y POSリミットセンサ組
1
5 401-37318 Y NEG LIMIT SENSOR ASM
Y NEGリミットセンサ組
1
6 401-37319 Y NEAR SENSOR ASM
Y ニアセンサ組
1
7 401-09956 X PLUS SENSOR RELAY CABLE ASM
X軸センサ中継組
1
8 401-36471 Y BEAR CABLE ASM
ケーブル組
1
9 401-36472 X SENSOR CABLE ASM
Xセンサケーブル組
1
10 401-36473 Y SENSOR CABLE ASM
Yセンサケーブル組
1
11 401-07225 FD-FLOAT(FF)RECEIVE SENS ASM
FD−FLOAT(FF)受光センサ組
1
12 401-07226 FD-FLOAT(FR) SENS ASM
FD−FLOAT(FR)センサ組
1
13 401-07228 FD-FLOAT(FR)RECEIVE SENS ASM
FD−FLOAT(FR)受光センサ組
1
14 401-07229 FD-FLOAT(FF) SENS ASM
FD−FLOAT(FF)センサ組
1
15 401-36524 FEEDER FLOAT FL CABLE ASM
フィーダ浮きFLケーブル組
1
16 401-36525 FEEDER FLOAT FR CABLE ASM
フィーダ浮きFRケーブル組
1
17 401-07231 FD-FLOAT(RR)RECEIVE SENS ASM
FD−FLOAT(RR)受光センサ組
1
18 401-07232 FD-FLOAT(RF) SENS ASM
FD−FLOAT(RF)センサ組
1
19 401-07234 FD-FLOAT(RF)RECEIVE SENS ASM
FD−FLOAT(RF)受光センサ組
1
20 401-07235 FD-FLOAT(RR) SENS ASM
FD−FLOAT(RR)センサ組
1
21 401-36526 FEEDER FLOAT RR CABLE ASM
フィーダ浮きRRケーブル組
1
22 401-36527 FEEDER FLOAT RL CABLE ASM
フィーダ浮きRLケーブル組
1
23 401-36345 IO-20 PCB ASM
IO−20基板組
1
24 401-36506 SP RELAY CABLE ASM
SP中継ケーブル組
1
25 401-36507 BASE SP CABLE ASM
ベースSPケーブル組
1
26 401-36343 BASE IF CABLE(CH3) ASM
ベースIFケーブル(CH3)組
1
27 401-36344 BASE IF CABLE(CH4) ASM
ベースIFケーブル(CH4)組
1
28
#01
401-37036 POWER_UNIT(ST)
電源ユニット(ST)
1
29
#02
401-37045 POWER_UNIT(EN)
電源ユニット(EN)
1
30 401-23242 CPU BOARD
CPUボード
1
31 401-36504 BASE POWER CABLE ASM
ベース電源ケーブル組
1
32 401-36503 COM1 CABLE ASM
COM1ケーブル組
1
33 401-36346 BASE PCB ASM
ベース基板組
1
34 401-36342 DI 1CH CABLE ASM
DI 1CHケーブル組
1
35 401-52830 MBF DETECT SENSOR (EMISSION) CABLE ASM
MBF検出センサ(投光)ケーブル組
1
36 401-52828 REAR MBF DETECT SENS ASM
リアMBF検出センサ組
1
37 401-52831 MBF DETECT SENSOR (RECEVING) CABLE ASM
MBF検出センサ(受光)ケーブル組
1
38 400-44546 X MTR PWR CABLE
X MTR電源ケーブル
1
39 401-36509 CAL-BLOCK CABLE ASM
CAL−BLOCKケーブル組
1
40 400-07376 CALBLOCK PCB ASM
CALBLOCK基板組
1
41 400-02125 CAL VCUM SV ASM
CAL VCUM SV組
1
42 401-36510 CAL-VCUM CABLE ASM
CAL−VCUMケーブル組
1
43 401-22811 CAL-VCUM SENS ASM
CAL−VCUMケーブル組
1
44 401-36511 SMEMA IN CABLE ASM
スメマINケーブル組
1
45 401-36512 SMEMA OUT CABLE ASM
スメマOUTケーブル組
1
46 401-36505 X STOPPER SV RELAY CABLE ASM
XストッパSV中継ケーブル組
1
47 401-36641 X STOPPER SV CABLE ASM
XストッパSVケーブル組
1
48 401-36642 ATC SV CABLE ASM
ATC SVケーブル組
1
49 401-75693 R-ATC SV CABLE ASM
R−ATC SVケーブル組
1
50 401-36508 SV WIRE ASM (EN)
SVワイヤー組(EN)
1
51 401-36513 AIR PRESSURE CABLE ASM
AIR PRESSUREケーブル組
1
52 401-36514 AIR(N) SENSOR CABLE ASM
AIR(N)センサケーブル組
1
53 401-36515 AIR(P) SENSOR CABLE ASM
AIR(P)センサケーブル組
1
54 401-36516 BANK UP SENSOR(F) CABLE ASM
バンクアップセンサ(F)ケーブル組
1
55 401-36517 BANK UP SENSOR(R) CABLE ASM
バンクアップセンサ(R)ケーブル組
1
56 401-37305 BANK PWR SW (F) CABLE ASM
バンク電源スイッチ(F)ケーブル組
1
57 401-37306 BANK PWR SW (R) CABLE ASM
バンク電源スイッチ(R)ケーブル組
1
58 401-37307 BANK POWER SW F/R ASM
バンク電源スイッチF/R組
1
59 401-36518 ATC SENSOR CABLE ASM
ATCセンサケーブル組
1
60 401-10016 ATC OPEN SENS ASM
ATCオープンセンサケーブル組
1
61 401-10017 ATC CLOSE SENS ASM
ATCクローズセンサケーブル組
1
62 401-36519 C-ATC SENSOR CABLE ASM
C−ATCセンサケーブル組
1
63 400-76842 ATC OPEN SENS ASM
ATCオープンセンサ組
1
64 400-76843 ATC CLOSE SENS ASM
ATCクローズセンサ組
1
65 400-44540 16AXIS 2CH SERVO CONTROLLER
16軸2CHポジションボード
1
66 401-13685 OPTICAL FIBER CABLE 0.7M
光ファイバーケーブル 0.7M
1
67 400-44541 OPTICAL FIBER CABLE 0.15M
光ファイバケーブル0.15M
1
68 400-48071 OPTICAL FIBER CABLE 8M
光ファイバケーブル8M
1
69 401-29654 Y AXIS DRIVER
Y軸ドライバ
1
70 401-29652 X AXIS DRIVER
X軸ドライバ
1
71 401-29650 4AXIS INTEGRAL TYPE T AXIS DRIVER
4軸一体T軸ドライバ
1
72 400-45403 YR ENC CABLE ASM
YR ENCケーブル組
1
73 401-36478 YR MOTOR RELAY CABLE ASM
YRモータ中継ケーブル組
1
74 400-45401 YL ENC CABLE ASM
YL ENCケーブル組
1
75 401-36477 YL MOTOR RELAY CABLE ASM
YLモータ中継Yケーブル組
1
76 401-36475 X ENC CABLE ASM
X ENCケーブル組
1
77 401-36476 X MOTOR CABLE ASM
Xモータケーブル組
1
78 400-48068 OPTICAL FIBER CABLE 0.15M
光ファイバケーブル0.15M
1
79 400-76136 SARVO MOTOR 1500W
サーボモータ 1500W
1
80 401-29653 X AXIS MOTOR
X軸モータ
1
81 400-44545 X MOTOR ENCODER CABLE
X軸エンコーダ中継ケーブル
1