JM-20-Rev05.pdf - 第131页
- 126 - REF.NO NOTE PART NO D E S C R I P T I O N 品 名 Qty 1 401-76228 JM20_LEAD_CORRECT_JIG_BASE_ASSY JM20_リード矯正冶 具ベース組(メカ) 1 2 401-66650 JIG_FIX_BASE 矯正治具固定ベース (1) 3 SL-6041692-TN SCREW 座金付き六角穴ボルト M4 L=16 (2) 4 401-6509…

- 125 -
63.LEAD CORRECT JIG BASE COMPONENTS
リード矯正治具ベース関係
2
3
8
5
4
6
7
8
1
33
25
32
34
9 16
17 24
33
34

- 126 -
REF.NO NOTE PART NO D E S C R I P T I O N
品 名
Qty
1 401-76228 JM20_LEAD_CORRECT_JIG_BASE_ASSY
JM20_リード矯正冶具ベース組(メカ)
1
2 401-66650 JIG_FIX_BASE
矯正治具固定ベース
(1)
3 SL-6041692-TN SCREW
座金付き六角穴ボルト M4 L=16
(2)
4 401-65098 LEAD_CORRECT_JIG_ATTACH_BLOCK
リード矯正冶具取付ベース
(1)
5 SL-6031692-TN SCREW
座金付き六角穴ボルト
(2)
6 401-56189 LOCATE_PIN_B
位置決めピンB
(1)
7 401-56188 LOCATE_PIN_A
位置決めピンA
(1)
8 SM-8020302-TP SCREW M2X0.4 L=3
止めねじ M2X0.4 L=3
(2)
9 401-76201 LEAD_CORRECT_JIG_001_ASSY
リード矯正冶具_001組_LP2.5 φ0.5
1
10 401-76202 LEAD_CORRECT_JIG_002_ASSY
リード矯正冶具_002組_LP3.5 φ0.5
1
11 401-76203 LEAD_CORRECT_JIG_003_ASSY
リード矯正冶具_003組_LP5.0 φ0.55
1
12 401-76204 LEAD_CORRECT_JIG_004_ASSY
リード矯正冶具_004組_LP5.0 φ0.8
1
13 401-76205 LEAD_CORRECT_JIG_005_ASSY
リード矯正冶具_005組_LP7.5 φ0.6
1
14 401-76206 LEAD_CORRECT_JIG_006_ASSY
リード矯正冶具_006組_LP7.5 φ0.8
1
15 401-76207 LEAD_CORRECT_JIG_007_ASSY
リード矯正冶具_007組_LP10.0 φ0.6
1
16 401-76208 LEAD_CORRECT_JIG_008_ASSY
リード矯正冶具_008組_LP10.0 φ0.8
1
17 401-76209 EXTENED_LEAD_CORRECT_JIG_001_T15
リード拡大矯正治具_001_t15_LP2.5 φ0.5
(1)
18 401-76211 EXTENED_LEAD_CORRECT_JIG_002_T15
リード拡大矯正治具_002_t15_LP3.5 φ0.5
(1)
19 401-76213 EXTENED_LEAD_CORRECT_JIG_003_T15
リード拡大矯正治具_003_t15_LP5.0 φ0.55
(1)
20 401-76215 EXTENED_LEAD_CORRECT_JIG_004_T15
リード拡大矯正治具_004_t15_LP5.0 φ0.8
(1)
21 401-76217 EXTENED_LEAD_CORRECT_JIG_005_T15
リード拡大矯正治具_005_t15_LP7.5 φ0.6
(1)
22 401-76219 EXTENED_LEAD_CORRECT_JIG_006_T15
リード拡大矯正治具_006_t15_LP7.5 φ0.8
(1)
23 401-76221 EXTENED_LEAD_CORRECT_JIG_007_T15
リード拡大矯正治具_007_t15_LP10.0 φ0.6
(1)
24 401-76223 EXTENED_LEAD_CORRECT_JIG_008_T15
リード拡大矯正治具_008_t15_LP10.0 φ0.8
(1)
25 401-76210 SHRINK_LEAD_CORRECT_JIG_001_T15
リード縮小矯正治具_001_t15_LP2.5 φ0.5
(1)
26 401-76212 SHRINK_LEAD_CORRECT_JIG_002_T15
リード縮小矯正治具_002_t15_LP3.5 φ0.5
(1)
27 401-76214 SHRINK_LEAD_CORRECT_JIG_003_T15
リード縮小矯正治具_003_t15_LP5.0 φ0.55
(1)
28 401-76216 SHRINK_LEAD_CORRECT_JIG_004_T15
リード縮小矯正治具_004_t15_LP5.0 φ0.8
(1)
29 401-76218 SHRINK_LEAD_CORRECT_JIG_005_T15
リード縮小矯正治具_005_t15_LP7.5 φ0.6
(1)
30 401-76220 SHRINK_LEAD_CORRECT_JIG_006_T15
リード縮小矯正治具_006_t15_LP7.5 φ0.8
(1)
31 401-76222 SHRINK_LEAD_CORRECT_JIG_007_T15
リード縮小矯正治具_007_t15_LP10.0 φ0.6
(1)
32 401-76224 SHRINK_LEAD_CORRECT_JIG_008_T15
リード縮小矯正治具_008_t15_LP10.0 φ0.8
(1)
33 401-65107 LEAD_CORRECT_JIG_CLAMP_PLATE
リード矯正治具クランププレート
(2)
34 SL-6030892-TN SCREW M3 L=8
座金付き六角穴ボルト M3 L=8
(4)

- 127 -
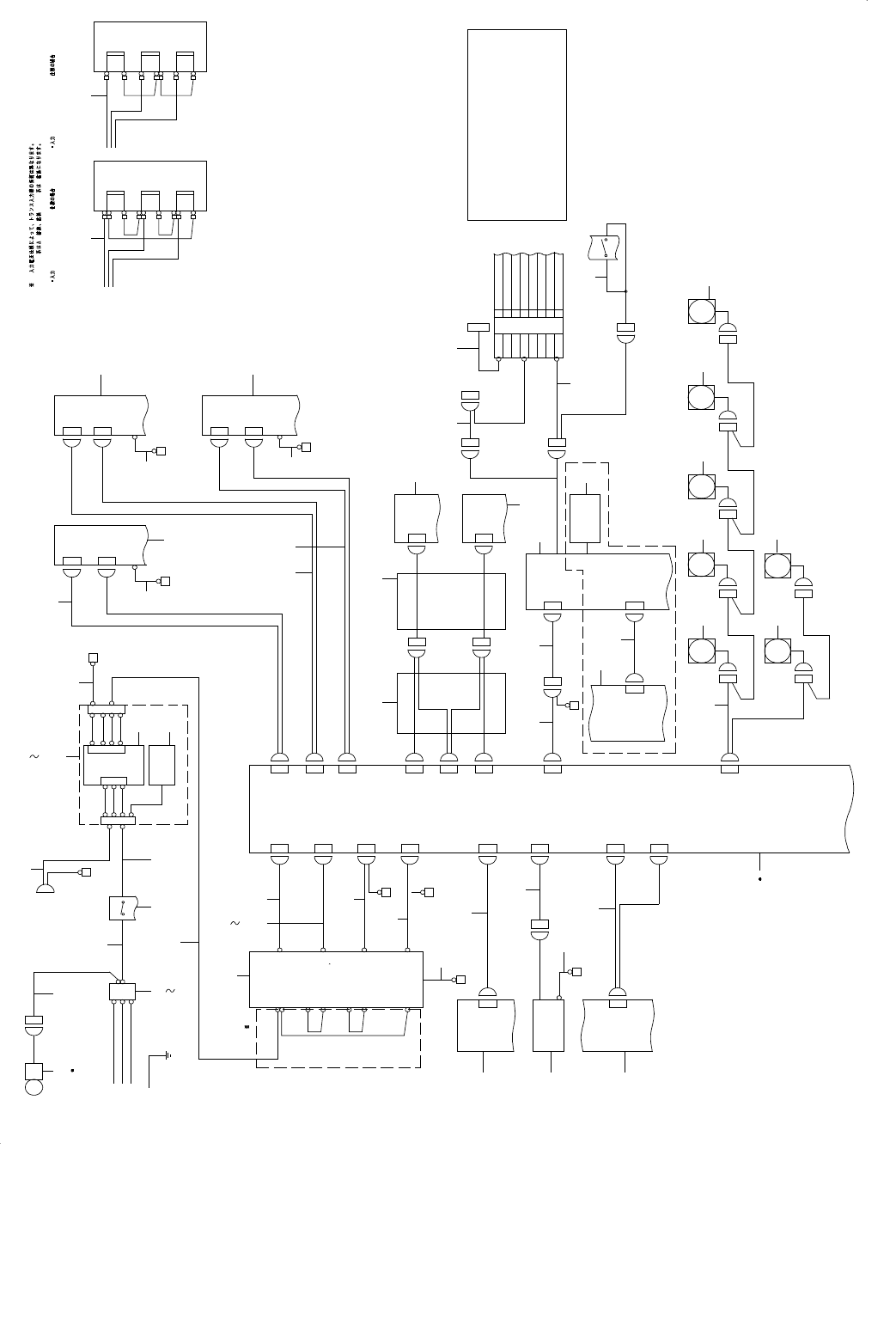
64.SYSTEM DIAGRAM(1)
SYSTEM DIAGRAM(1)
1-4C
6-4B
1-1A
1-4C
2-4B
2-5B
CN013
CN037
CN014
CNP1
CN37
ZTP02
ZTB SERVO
AMP(1/3)
MR-MD200-KW013
ZTACNP1
ZTA SERVO
AMP(1/3)
MR-MD200-KW013
CN14
XY BEAR CABLE
(1/3)
ZTP01
CN13
ZTACNP1
CNP1
CN017CN017
FAN7
[BASE2]
FAN6
FANFAN
FAN2FAN1
FAN
FAN
FAN5FAN4FAN3
[BASE1]
FAN
FAN
FAN
CN064CN064
PUMP
PUMP
R6E
FG
VACUUM PUMP
PWR PUMP
CN31CN531
2-2A
BASE PCB(1/5)
CN068PWR068
CN13
XYD13
O
W
O
V
O
R5E
R4E
TF1
1.
200V Y 400V Y
1
0
0
0
U
W
V
TF1
0
0
0
U
W
V
COM-A
MI FEEDER
4-1C
F16E
F3E
F2E
F1E
R3E
R1E
R2E
IN
IN
5-1A
RS232C BOARD
(2/4)
COM1
SIO1
3-3B
1-2C
CHECK
BATTERY OPTION
RS-232C
IP-X5
POSITION
CPU
IO-20
BATTERY
ATX-POWER(1/3)
8
7
6
5
4
3
2
2-1D
2-3A
1-1C
1
CONTROL UNIT
CPCI BACK BOARD
AC IN
MAIN SW
PS-ON
6-1C
CN251
PWR063CN063
ATX-13
TF1
200V
(6A)
100V
(14A)
CN04A
CN04A
2-4B
2-4A
2-4A
MTS PWR(L)
POWER ON LIGHT
CN001
CN06
CN04B
CN04B
34V
(6
8A)
CN03
CN03
CN01
CN01
CN11
XYD11
YL SERVO
AMP(1/2)
MR-J4-200B-KM012
E
CNP2
CNP1
YR SERVO
AMP(1/2)
MR-J4-200B-KM012
E
CNP2
CNP1
X SER VO
AMP(1/2)
MR-J4-70B-KM012
E
CNP2
CNP1
CN12
XYD12
NFB
200V
(12A)
U
FG
POWER UNIT(1/8)
INPUT
PE
FG
2-1D
MAIN SW
W
V
U
1-4C
CN031 CN031
2-1C
IO-20 PCB(2/6)
CN4 IO-CN4
380V/400V/415V200V/220V/240V
AC08
NF3030C-SVA
AC07
AC06
AC05
AC04
AC03
AC02
AC01
LF1
(5-1C)
CN473ATX-8
1 2
3
4
5 7
10
12
11
13 20
21 22
23
9
25
26 30
31
27 29
32
33 35 38
36
34
37
39
40
41
45
46
42
43
24
8
62 62
44
47
48
49
49
51
50
54
53
52
55
56
57 57
57 57
57
57
57
[CTRL UNIT]
59
58
60
61
9
9
CPU BOARD
COM1:HOD(By way of BASE PCB)
COM2:TOUCH PANEL
RS232C BOARD
COM3(SIO1):ATX BATTERY
COM4(SIO2):2D CodeReader of Head
COM5(SIO3):
COM6(SIO4):UPS of HEAD BACKUP
COM7(SIO5):BarCodeReader of Conveyor surface
COM8(SIO6):2D CodeReader of Conveyor back side
COM9(SIO7):
COM10(SIO8):