JM-20-Rev05.pdf - 第140页
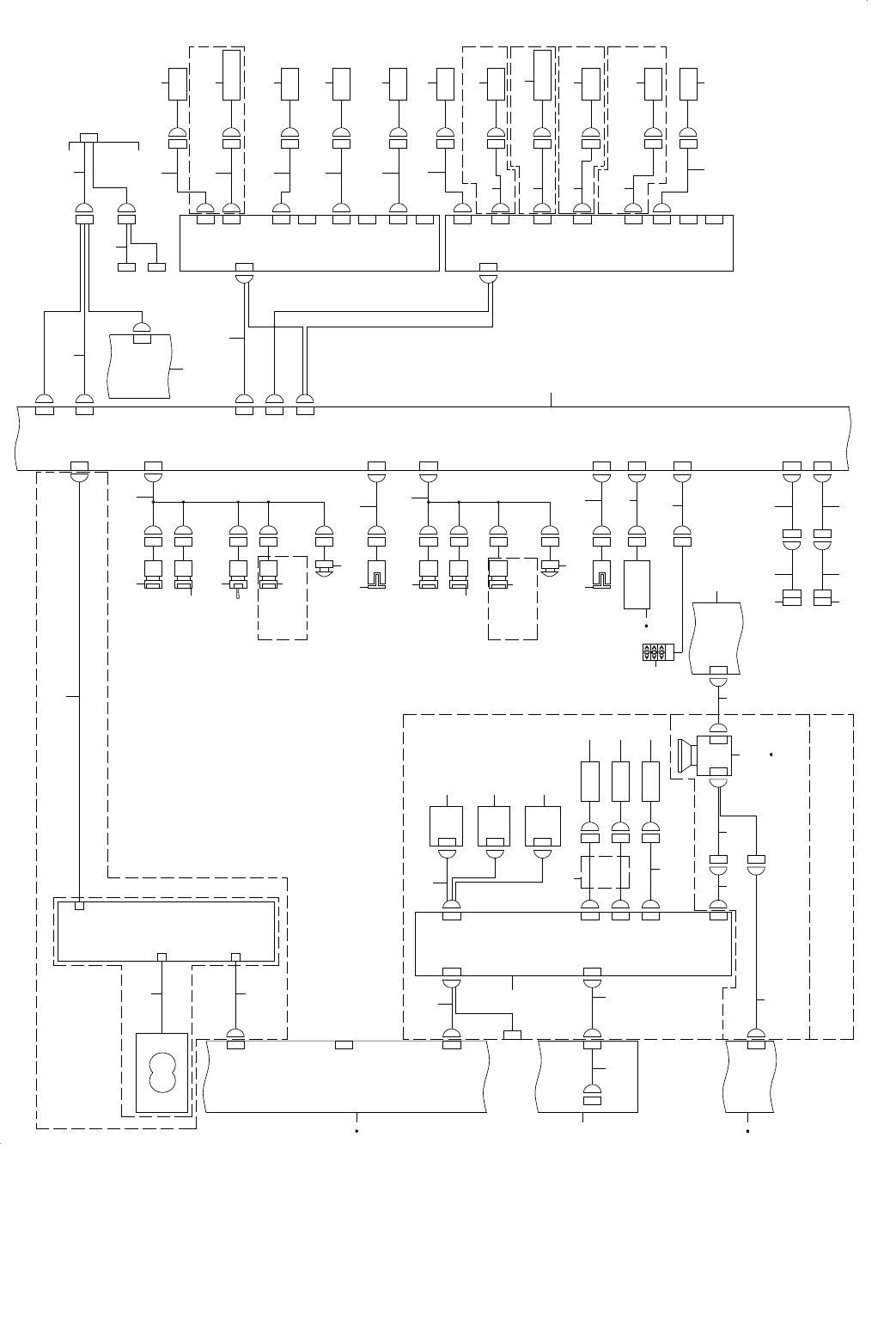
- 135 - 68. SYSTEM DIAGRAM(5) SYSTEM DIAGRA M(5) 6-1 A CPU BOARD(4/7) 3-2D 6-3B PO WER UNI T (6 /9) 5-1C CN305 CN5 LOAD CEL L AS M CN26 CN5 26 COVER OPEN SW(R) COVER OPEN SW(F) MBF SET S W(FR) CN546 CN46 MBF SET S W(FL) …

- 134 -
NOTE( 注記 ) #01....FOR ST ST 用
#02....FOR EN EN 用
REF.NO NOTE PART NO D E S C R I P T I O N
品 名
Qty
1 401-36345 IO-20 PCB ASM
IO−20基板組
1
2 401-36535 IO PCB RELAY CABLE ASM
IO PCB中継ケーブル組
1
3 401-36536 CARRY MOTOR CABLE ASM
キャリーモータケーブル組
1
4
#02
401-36561 CARRY MOTOR CABLE ASM(EN)
キャリーモータケーブル組(EN)
1
5 HM-0013200-00 MOTOR DRIVER
モータドライバ
1
6 401-36538 CENTOR MOTOR CABLE ASM
センターモータケーブル組
1
7 401-36537 CENTOR MOTOR PWR CABLE ASM
センターモータ電源ケーブル組
1
8 401-36540 LEFT-MOTOR CABLE ASM
LEFT−MOTORケーブル組
1
9 401-36539 LEFT MOTOR PWR CABLE ASM
レフトモータ電源ケーブル組
1
10 400-48075 JOINT MOTOR ASM
ジョイントモータ組
1
11 401-36542 RIGHT-MOTOR CABLE ASM
RIGHT−MOTORケーブル組
1
12 E9433-729-0A0 BU ENC ASM.
BU ENC組
1
13 HX-0042000-00 5 PHASE STEP DRIVER
5相ステッピングモータドライバ
1
14
#02
HX-0068900-00 5 PHASE STEP DRIVER
5相ステッピングモータドライバ
1
15 401-36631 BU MOTOR CABLE ASM
BUモータケーブル組
1
16
#02
401-36632 BU MOTOR CABLE ASM(EN)
BUモータケーブル組(EN)
1
17 400-48076 BACK UP MOTOR ASM
バックアップモータ組
1
18 401-36633 BU DRV FG CABLE ASM
BU DRV FGケーブル組
1
19
#02
401-36634 BU DRV FG CABLE ASM(EN)
BU DRV FGケーブル組(EN)
1
20 401-36627 BU DRV PWR CABLE ASM
BU DRV電源ケーブル組
1
21
#02
401-36628 BU DRV PWR CABLE ASM(EN)
BU DRV電源ケーブル組(EN)
1
22 400-48077 AWC MOTOR ASM
幅調モータ組
1
23 401-36639 AWC DRV RELAY CABLE ASM
AWC DRV中継ケーブル組
1
24
#02
401-36640 AWC DRV RELAY CABLE ASM(EN)
AWC DRV中継ケーブル組(EN)
1
25 401-36635 AWC MOTOR CABLE ASM
AWCモータケーブル組
1
26
#02
401-36636 AWC MOTOR CABLE ASM(EN)
AWCモータケーブル組(EN)
1
27 401-36637 AWC DRV FG CABLE ASM
AWC DRV FGケーブル組
1
28
#02
401-36638 AWC DRV FG CABLE ASM(EN)
AWC DRV FGケーブル組(EN)
1
29 401-36629 AWC DRV PWR CABLE ASM
AWC DRV電源ケーブル組
1
30
#02
401-36630 AWC DRV PWR CABLE ASM(EN)
AWC DRV電源ケーブル組(EN)
1
31 401-30370 MI FEEDER PCB ASM
MIフィーダ基板組
1
32 401-36530 BK FPI(F) RLY CABLE ASM
BK FPI(F)中継ケーブル組
1
33 400-00575 DRIVE CYLINDER L
ドライブシリンダL
1
34 401-30379 BANK PCB ASM
バンク基板組
1
35 401-36532 BANK PWR(F) CABLE ASM
バンク電源(F)ケーブル組
1
36 400-00576 DRIVE CYLINDER R
ドライブシリンダR
1
37 401-36531 BK FPI(R) RLY CABLE ASM
BK FPI(R)中継ケーブル組
1
38
#01
401-37036 POWER_UNIT(ST)
電源ユニット(ST)
1
39
#02
401-37045 POWER_UNIT(EN)
電源ユニット(EN)
1
40 401-30360 FEEDER I/F PCB ASM
フィーダI/F基板組
1
41 401-30365 DRV PCB ASM
DRV基板組
1
42 401-36620 RADIAL CB CABLE 1 ASM
RADIAL CBケーブル1組
1
43 401-36621 RADIAL CB CABLE 2 ASM
RADIAL CBケーブル2組
1
44 401-36622 RADIAL CB CABLE 3 ASM
RADIAL CBケーブル3組
1
45 401-36623 RADIAL CB CABLE 4 ASM
RADIAL CBケーブル4組
1
46 401-36624 RADIAL CB CABLE 5 ASM
RADIAL CBケーブル5組
1
47 401-36625 RADIAL CB CABLE 6 ASM
RADIAL CBケーブル6組
1
48 401-36626 RADIAL CB CABLE 7 ASM
RADIAL CBケーブル7組
1
49 401-44972 LL BW-L CABLE ASM
LL BW−Lケーブル組
1
50 401-44973 LR BW-L CABLE ASM
LR BW−Lケーブル組
1
51 401-44974 RL BW-L CABLE ASM
RL BW−Lケーブル組
1
52 401-44975 RR BW-L CABLE ASM
RR BW−Lケーブル組
1
53 401-36601 FEEDER I/F CABLE ASM
フィーダI/Fケーブル組
1
54 401-36541 RIGHT MOTOR PWR CABLE ASM
ライトモータ電源ケーブル組
1
55 401-36520 BANK FL CABLE ASM
バンクFLケーブル組
1
56 401-36522 BANK FR CABLE ASM
バンクFRケーブル組
1
57 401-36521 BANK RL CABLE ASM
バンクRLケーブル組
1
58 401-36523 BANK RR CABLE ASM
バンクRRケーブル組
1
59 401-36533 BANK PWR(R) CABLE ASM
バンク電源(R)ケーブル組
1
60 401-44970 BW-L CABLE RELAY L ASM
BW−Lケーブル中継 L組
1
61 401-44971 BW-L CABLE RELAY R ASM
BW−Lケーブル中継 R組
1

- 135 -
68.SYSTEM DIAGRAM(5)
SYSTEM DIAGRAM(5)
6-1A
CPU BOARD(4/7)
3-2D
6-3B
POWER UNIT
(6/9)
5-1C
CN305CN5
LOAD CELL ASM
CN26 CN526
COVER OPEN SW(R)
COVER OPEN SW(F)
MBF SET SW(FR)
CN546 CN46
MBF SET SW(FL)
CN548 CN48
EMG SW(R)
EMG SW(F)
LOAD CELL OPTION
CN507
LOAD CELL
LOAD CELL AMP
CN538CN38
CN539CN39
CN516
CN16
COUT
STOP
WAIT
S8
S7
S6
S5
S4
S3
S2
S1
SB1
T.PIN OPTION
AWC OPTION
AWC OPTION
AWC OPTION
RIGHT
SENSOR
S8
S7
S6
S5
S4
S3
S2
S1
RIGHT
EN ON LY
AWC ORG
T.PIN
BU RCV
BU LOCK
BU ORG
BU EMIS
LEFT
SB2
AWC O RG
SENSOR
T.PIN
SENSOR
BU PIN SENSOR
(RECEIVING)
BU LO CK
SENSOR
BU O RG
SENSOR
COUT
SENSOR
STOP
SENSOR
WAIT
SENSOR
LEFT
SENSOR
CN307CN7
CN303CN3
CN304CN4
VCS S.V.CABLE ASM
VCS OP SENS ASM
VCS ST SENS ASM
CN476
CN474
CN475
COVER BR
CN032
7-2A
BASE
PCB(3/5)
POWER UNIT(5/9)
CN7
CN030
4-3D
2-2D
4-1D
MI FEEDER
PCB(3/5)
CN66 CN566
(to
RFID)
5-5A
(to
RFID)
5-5A
MTS2
MTS1
CN1 CN201
IS L
I/F R
MTC I/F
7-2A
LAN4
LAN4
Depth from focus processing[(DFFP)
CN5
CN305
DFFP VCS
VCS DFFP
CN481
CN481R
MBF SW(FR)
OPEN ROP
OPEN
FOP
MBF SW(FL)
CN484
CN483
CN480
CN484R
CN483R
CN480R
CN484
CN483
CN482
CN481
CN480
CN547
CN47
CN549
CN49
STOP SW(R)
START SW(R)
CN484F
HOD
CN561
CN61
HOD BOX
CN801
CN537 CN37
SIGNAL
TOWER
REAR MONITOR OPTION
CONSOLE SW(F)
REAR MONITOR OPTION
CONSOLE SW(R)
MAINTENANCE
KEY SW
CN483F
START SW(F)
CN482F
CN481F
CN480F
CN543
CN43
CN542
CN42
VCS OPTION
(1-4C)
5-1D
CN473
CN473
CN10CN310
CN036
CN036
4-1C
CN9CN9 CN9
IO-20
PCB(6/6)
CN313
CN13
IO-CN9
CN2 CN302
COAXIAL
LIGHT PCB
CN1
VCS-CN1
VCS-CN2
CN2
BOTTOM
LIGHT PCB
CN3
VCS-CN3
SIDE LIGHT
UNIT
LIGHT
CTRL PCB
BU PIN SENSOR
(EMISSION)
VCS PWR
VCS TRG
1 3 7 11 13
5
12
63
2 4 6 10
8 9
14
15
16
17 18 19
20 8 9
21
22
23
24
2625 27
28
STOP SW(F)
29
30 31
32
33
28
29
31
32
34
33
35 36
37
38 38
39 39
40 41
42
43
44
45
47
48
49
50
51
52
54
53
55
56
57
58
59
60
61
62
64 65
66
67
68
69
70 71
72
73
46

- 136 -
NOTE( 注記 ) #01....FOR ST ST 用
#02....FOR EN EN 用
REF.NO NOTE PART NO D E S C R I P T I O N
品 名
Qty
1 401-37322 BU ORG SENSOR ASM
BU原点センサ組
1
2 401-10058 BU LOCK SENS CABLE ASM
BU ロックセンサケーブル組
1
3 400-92574 BU LOCK SENS ASM
BU ロックセンサ組
1
4 401-10059 BU PIN(RECEVING) CABLE ASM
BUピン受光センサケーブル組
1
5 400-92575 BU PIN SENSOR RECEIVER ASM
BUピン受光センサ組
1
6 401-37324 T.PIN SENS CABLE ASM
T.ピンセンサケーブル組
1
7 400-92576 T.PIN SENS ASM
Tピンセンサ組
1
8
#01
401-37036 POWER_UNIT(ST)
電源ユニット(ST)
1
9
#02
401-37045 POWER_UNIT(EN)
電源ユニット(EN)
1
10 401-10061 AWC ORG SENS CABLE ASM
AWC原点センサケーブル組
1
11 401-37323 AWC ORG SENSOR ASM
AWC原点センサ組
1
12 401-10062 RIGHT SENS CABLE ASM
ライトセンサケーブル組
1
13 401-36544 RIGHT SENS ASM
ライトセンサ組
1
14 401-36571 LIGHT CTRL PWR CABLE ASM
ライトコントロール電源ケーブル組
1
15 401-07163 LIGHT CTRL PCB ASM
ライトコントロール基板組
1
16 401-07239 VCS LIGHT CABLE ASM
VCSライトケーブル組
1
17 401-07164 COAXIAL LIGHT PCB ASM
COAXIALライト基板組
1
18 401-07165 BOTTOM LIGHT PCB ASM
ボトムライト基板組
1
19 401-07167 SIDE LIGHT ASM
サイドライト組
1
20 401-36345 IO-20 PCB ASM
IO−20基板組
1
21 401-36569 LIGHT SP RELAY CABLE ASM
ライト SP中継ケーブル組
1
22 401-36570 LIGHT SP CABLE ASM
ライト SPケーブル組
1
23 401-36572 VCS SENS CABLE ASM
VCSセンサケーブル組
1
24 401-36573 VCS SV CABLE ASM
VCS SVケーブル組
1
25 400-02147 VCS OP SENS ASM
VCS OPセンサ組
1
26 400-02146 VCS ST SENS ASM
VCS STセンサ組
1
27 400-02148 VCS SV CABLE ASM
VCS SVケーブル組
1
28 401-36549 START SW CABLE ASM
スタートスイッチケーブル組
1
29 401-36550 STOP SW CABLE ASM
ストップスイッチケーブル組
1
30 401-36551 MAINTENANCE KEY SW CABLE ASM
メンテナンスキースイッチケーブル組
1
31 401-36552 CONSOLE SW CABLE ASM
CONSOLE スイッチケーブル組
1
32 401-36553 EMG SW CABLE ASM
EMGスイッチケーブル組
1
33 401-36558 COVER OPEN SW CABLE
カバーオープンスイッチケーブル
1
34 400-48045 SIGNAL TOWER LIGHT ASM
シグナルタワーライト組
1
35 E9649-729-000 HOD ASM.
HOD組
1
36
#02
E9662-729-000 HOD (EN)
HOD(EN)
1
37 401-36545 SIGNAL LIGHT CABLE ASM
シグナルライトケーブル組
1
38 HD-0028100-00 SENSOR
センサー
1
39 401-36559 MBF SET SW ASM
MBFセットスイッチ組
1
40 401-36554 MBF SET SW (FL) CABLE ASM
MBFセットスイッチ(FL)ケーブル組
1
41 401-36555 MBF SET SW (FR) CABLE ASM
MBFセットスイッチ(FR)ケーブル組
1
42 401-36547 SW RELAY F CABLE
スイッチリレーFケーブル
1
43 401-36556 COVER SW CABLE ASM(F)
カバースイッチケーブル組(F)
1
44 401-36548 SW RELAY R CABLE
スイッチリレーRケーブル
1
45 401-36557 COVER SW CABLE ASM(R)
カバースイッチケーブル組(R)
1
46 401-36546 HOD IF CABLE ASM
HOD IFケーブル組
1
47 401-36346 BASE PCB ASM
ベース基板組
1
48 401-36568 MTC MTS I/F CABLE ASM
MTC MTS I/Fケーブル組
1
49 401-30370 MI FEEDER PCB ASM
MIフィーダ基板組
1
50 401-10050 MTC MTS I/F BR CABLE ASM
MTC MTS I/F ブラケットケーブル組
1
51 401-13668 RFID MTS I/F CBL ASM
RFID MTS I/Fケーブル組
1
52 401-36543 SB CABLE ASM
SBケーブル組
1
53 401-10052 LEFT SENS CABLE ASM
レフトセンサケーブル組
1
54 401-36534 LEFT SENS ASM
レフトセンサ組
1
55 401-10053 BU PIN(EMISSION) CABLE ASM
BU PIN 投光センサケーブル組
1
56 400-92569 BU PIN SENSOR EMISSION ASM
BU PIN 投光センサ組
1
57 401-10054 WAIT SENS CABLE ASM
ウェイトセンサケーブル組
1
58 401-10064 WAIT SENSOR ASM
ウェイトセンサ組
1
59 401-10055 STOP SENS CABLE ASM
ストップセンサケーブル組
1
60 401-10065 STOP SENSOR ASM
ストップセンサ組
1
61 401-10056 C.OUT SENS CABLE ASM
C.OUTセンサケーブル組
1
62 401-10066 C.OUT SENSOR ASM
C.OUTセンサ組
1
63 401-10057 BU ORG SENS CABLE ASM
BU原点センサケーブル組
1
64 401-42187 LOAD CELL ASM
ロードセル組
1
65 401-42191 LOAD CELL POWER CABLE ASM
ロードセル電源ケーブル組
1
66 401-42190 LOAD CELL ANALOG CABLE ASM
ロードセルアナログケーブル組
1
67 401-45616 VCS DFFP PWR CABLE ASM
VCS DFFP電源ケーブル組
1
68 401-45617 CAMERA TRIG CABLE ASM
カメラTRIGケーブル組
1
69 401-45618 VCS DFFP CABLE ASM
VCS DFFPケーブル組
1
70 401-50125 VCS CAMERA
VCSカメラ
1
71 401-50126 VCS LENS
VCSレンズ
1
72 401-45619 VCS LAN CABLE ASM
VCS LANケーブル組
1
73 401-23242 CPU BOARD
CPUボード
1