JM-20-Rev05.pdf - 第144页
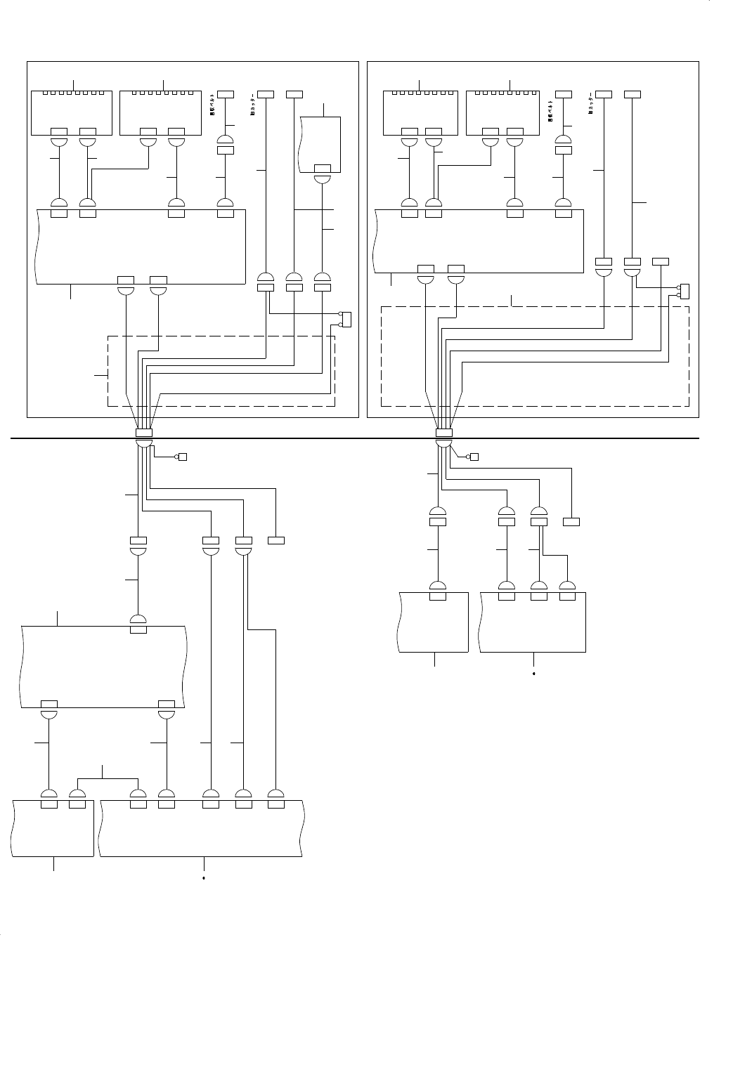
- 139 - 70. SYSTEM DIAGRAM(7) SYSTEM DIAGRA M(7) 4-4D 7-3C FG CN461 CN071 CN071 BANK BANK CN463 CN462 CN066 CN0 66 CN025 CN0 25 7-3A MI FEED ER PCB (5/5 ) POWER UNIT (9/ 9) CN460 CN205 CN5 7-2B DRV PWR FG CN630 CN30 CN63…

- 138 -
NOTE( 注記 ) #01....FOR ST ST 用
#02....FOR EN EN 用
#03....FOR 54MM 54 MM 用
#04....FOR 27MM 27 MM 用
REF.NO NOTE PART NO D E S C R I P T I O N
品 名
Qty
1 401-23242 CPU BOARD
CPUボード
1
2 401-29638 SSD 16GB
SSD16GB
1
3 400-48031 PANEL LINK CABLE 1M
パネルリンクケーブル 1M
1
4 401-36562 CPU-SP IMP SERIAL CABLE ASM
CPU−SP IMPシリアルケーブル組
1
5 401-22816 USB RELAY CABLE 2M
USB中継ケーブル 2M
1
6 401-38976 ANT F/R JOINT CABLE ASM
ANT F/Rジョイントケーブル組
1
7 400-73665 ANTENNA ARRAY 8.5MM PITCH / 80 POSITION
アンテナアレイ8.5MMピッチ/80ポジション
1
8 HW-0018100-80 LAN CABLE
LANケーブル
1
9 HK-0651200-80 CONNECTOR
コネクタ
1
10 400-47528 IP-X5 PCB ASM
IP−X5基板 組図
1
11 401-36574 VCS (54) CABLE ASM
VCS (54) ケーブル組
1
12 401-36575 VCS (27) CABLE ASM
VCS (27)ケーブル組
1
13 400-48028 OCC CAMERA
OCCカメラ
1
14
#03
400-71668 LENZE STD
レンズSTD
1
15
#04
400-71667 LENZE OPT
レンズOPT
1
16 E9623-721-000 PORTRAIT MONITOR CABLE
画像モニタケーブル
1
17 401-36565 ATX-SPIMP PWR CABLE ASM
ATX−SPIMP電源ケーブル組
1
18 401-41515 USB SELECT PCB ASM
USBセレクト基板組
1
19 401-22812 15INCH LCD MINITOR
15インチLCDモニタ
1
20 400-48032 PANEL LINK CABLE 4.5M
パネルリンクケーブル 4.5M
1
21 401-36563 SPIMP-F LCD SERIAL CABLE ASM
SPIMP−F LCDシリアルケーブル組
1
22 401-36564 SPIMP-F LCD PWR CABLE ASM
SPIMP−F LCD電源ケーブル組
1
23 400-48081 PANEL LINK CABLE 5.0M
パネルリンクケーブル 5.0M
1
24 401-36566 SPIMP-R LCD SERIAL CABLE ASM
SPIMP−R LCDシリアルケーブル組
1
25 401-36567 SPIMP-R LCD PWR CABLE ASM
SPIMP−R LCD電源ケーブル組
1
26 400-73033 SWITCHING HUB
スイッチングハブ
1
27 400-73739 RFID LAN CABLE (4.0M) ASM
RFID LANケーブル(4.0M)組
1
28 401-36596 MODULAR KAPLA
モジュラーカプラ
1
29 401-36595 UPS OP GND CABLE ASM
UPS OP GNDケーブル組
1
30 400-72813 MPC RJ45 CABLE ASM
MPC用RJ45ケーブル組
1
31 400-73032 4 PORT MPC
4ポート MPC
1
32 400-72814 MPC POWER CABLE ASM
MPC電源ケーブル組
1
33 401-36579 RFID BRANCH3 CBL ASM
RFIDブランチ3ケーブル組
1
34 401-13668 RFID MTS I/F CBL ASM
RFID MTS I/Fケーブル組
1
35 401-36580 RFID BRANCH4 CBL ASM
RFIDブランチ4ケーブル組
1
36 401-36577 RFID BRANCH1 CBL ASM
RFIDブランチ1ケーブル組
1
37 401-36610 MI BANK RLY CABLE ASM
MIバンク中継ケーブル組
1
38 401-36578 RFID BRANCH2 CBL ASM
RFIDブランチ2ケーブル組
1
39
#01
401-37036 POWER_UNIT(ST)
電源ユニット(ST)
1
40
#02
401-37045 POWER_UNIT(EN)
電源ユニット(EN)
1
41 401-36581 RFID PWR CABLE ASM
RFID電源ケーブル組
1
42 401-36582 RFID CONTROL BOX FG CABLE ASM
RFIDコントロールボックスFGケーブル組
1
43 401-22506 SHIELDING TUBE
シールディングチューブ
1
44 400-95745 UPS
UPS
1
45 401-36589 UPS PWR CABLE ASM
UPS電源ケーブル組
1
46 401-36593 UPS PWR RELAY CABLE ASM
UPS電源中継ケーブル組
1
47 401-36592 BYPASS SW RELAY CABLE ASM
BYPASSスイッチ中継ケーブル組
1
48 401-36587 SW1-4 CABLE ASM
スイッチ1−4ケーブル組
1
49 401-36591 PWR RLY CABLE ASM
電源中継ケーブル組
1
50 HA-0052900-00 SWITCH
スイッチ
1
51 401-36588 SW2-5 CABLE ASM
スイッチ2−5ケーブル組
1
52 401-36594 UPS SW FG CABLE ASM
UPSスイッチFGケーブル組
1
53 401-36586 UPS SW CABLE ASM
UPSスイッチケーブル組
1
54 HX-0047900-00 POWER SUPPLY
電源
1
55 401-36590 SW OUT CABLE ASM
スイッチOUTケーブル組
1
56 HK-0346200-20 2P PLUG
プラグ 2P
1
57 HX-0061000-00 BARCODE READER
バーコードリーダ
1
58 400-48006 ATX PSU
ATX電源
1
59 401-35433 8-PORT COM BOARD
8−PORT COMボード
1
60 401-13670 BARCODE READER CABLE ASM
バーコードリーダーケーブル組
1
61 401-36346 BASE PCB ASM
ベース基板組
1
62 401-41856 USB CABLE 1M A-A
USBケーブル1M A−A
1
63 401-41858 USB SELECT CABLE ASM
USBセレクトケーブル組
1
64 401-23194 USB KEY BOARD SP ASM
USBキーボードSP組
1
65 401-97864 SUPER IMPOSE BOARD
スーパーインポーズボード
1

- 139 -
70.SYSTEM DIAGRAM(7)
SYSTEM DIAGRAM(7)
4-4D
7-3C
FG
CN461CN071CN071
BANK
BANK
CN463
CN462CN066
CN066
CN025
CN025
7-3A
MI FEEDER
PCB(5/5)
POWER UNIT
(9/9)
CN460CN205
CN5
7-2B
DRV PWR
FG
CN630
CN30
CN634
CN627
CN633
CN601 CN1
4-5C
CN507
JNT F/RCN F/R
CN626 CN26
CN34
CN27
CN33
CN649 I C
(REAR)
FEEDER I/F
PCB(2/2)
CN701
CN065
CN065
CN067
CN067
CN1
DRV PWR
FG
FG
CN6CN206
CN461
DRV PCB(2/2)
CN070
CN070
CN510
CN10
CN509CN9
CN630CN30
6-1D
BASE
PCB(5/5)
BANK
BANK
CN463
CN462
CN024
CN024
CN634
CN627
CN633
CN601 CN1
7-3C
5-4A
MI FEEDER
PCB(4/5)
POWER UNIT
(8/9)
CN460
CN203
CN207
CN019
CN3
6-3C
CN019
CN7
4-4C
CN507
JNT F/R
CN F/R
CN626CN26
FEEDER BANK
PCB
CN34
CN27
CN33
FEEDER BANK
PCB
CN649
IC
(FRONT)
FEEDER I/F
PCB(2/2)
REAR CONNECTOR BRACKET(2/2)
6-5A
6-5A
FG
123
4689
5
7
10
11
723
12
11
13 14
15
16
1817
19 19
FRONT CONNECTOR BRACKET(2/2)
20
21
22
23
24
25
26
15
17
19
18
19
20
21
22
23
16
24
FEEDER BANK
PCB
FEEDER BANK
PCB

- 140 -
NOTE( 注記 ) #01....FOR ST ST 用
#02....FOR EN EN 用
REF.NO NOTE PART NO D E S C R I P T I O N
品 名
Qty
1 401-36346 BASE PCB ASM
ベース基板組
1
2
#01
401-37036 POWER_UNIT(ST)
電源ユニット(ST)
1
3
#02
401-37045 POWER_UNIT(EN)
電源ユニット(EN)
1
4 401-36604 BANK DWN CABLE ASM
バンクダウンケーブル組
1
5 401-36605 BASE PCB PWR CABLE R ASM
ベース基板電源ケーブルR組
1
6 401-36606 FEEDER PCB PWR CABLE R ASM
フィーダ基板電源ケーブルR組
1
7 401-30370 MI FEEDER PCB ASM
MIフィーダ基板組
1
8 401-36607 MI BANK DC PWR CABLE ASM
MIバンクDC電源ケーブル組
1
9 401-36608 M BANK AC PWR CABLE ASM
MバンクAC電源ケーブル組
1
10 401-36609 FEEDER PCB IF CABLE ASM
フィーダ基板IFケーブル組
1
11 401-36610 MI BANK RLY CABLE ASM
MIバンク中継ケーブル組
1
12 401-36618 FEEDER PCB IF CABLE ASM
フィーダ基板IFケーブル組
1
13 401-36616 MI BANK DC PWR CABLE ASM
MIバンクDC電源ケーブル組
1
14 401-36617 M BANK AC PWR (R) CABLE ASM
MバンクAC電源(R)ケーブル組
1
15 401-36611 MI BANK CABLE ASM
MIバンクケーブル組
1
16 401-30360 FEEDER I/F PCB ASM
フィーダI/F基板組
1
17 401-36614 FEEDER BANK CABLE L ASM
フィーダバンクケーブルL組
1
18 401-36612 FEEDER BANK DC CABLE 5 ASM.
フィーダバンクDCケーブル5組
1
19 E8615-715-0A0 FEEDER BANK CIRCUIT BOARD ASM.
フィーダバンク基板組
1
20 401-36615 FEEDER BANK CABLE R ASM
フィーダバンクケーブルR組
1
21 401-36613 IC FULL PWR CABLE ASM
IC FULL電源ケーブル組
1
22 E9395-721-0A0 IC FULL RELAY CABLE 3 ASM.
IC FULL中継ケーブル3組
1
23 E9532-729-0A0 CUTTER POWER SOURCE CABLE ASM.
カッタ電源ケーブル組
1
24 400-75356 BANK F/R JOINT PARTS CABLE ASM
バンク中継部品ケーブル組
1
25 401-36619 DRV PCB PWR CABLE ASM
DRV基板電源ケーブル組
1
26 401-30365 DRV PCB ASM
DRV基板組
1