80S20 circuit.pdf - 第54页
3 SIPLACE 80S-20 Circuit Diagrams 54 00321086-050101LD3 SIPLACE 80S20/F4 power supply (Sh. 1 of 2) 00321086-050101LD3 Circuit diagram, power supply # Tuth 21.07.98 23.01.98 23.01.98 23.01.98 01 01 05 Leh Leh Leh 1 23 gny…

3 SIPLACE 80S-20 Circuit Diagrams 53
00321086-050101FD3 Siplace 80S20/F4 safety concept overview (signaling circuit) (Sh. 3 of 3)
05.
23.01.98
23.01.98
Leh
Leh
12 435
00321086-05
67
Software release
Key-operated switch
Input/output
Output
Input
Cover switches
(1-n)
Cover switches
AUT 5
Stromlaufplan/Circuit diagram
00321086-050101FD3
Monitoring
software release
SIEMENS
8910
Safety concept overview
(signaling circuit)
11 12
00321086-K3
1513 14 16 17 18
OFF button
Monitoring
Monitoring
key-operated switch
00321529-S4
00321529-S300321528-S3
00321529-S2
ON button
Monitoring
Monitoring
cover switches
00321528-S2
00303617-S1
00321416-S1
+24VDC
external
Output
Input
Control ON
Control ON
Monitoring
EMERG.-STOP button
X210
00321529-S1
00321528-S1
(SIPLACE 80F)
Monitoring
Monitoring
00321086-K2
00321086-K1
K2
Laser
K1
Signaling circuit
Function status
Product status
Doc. status
SMD Placement System Siplace 80S20/F4
3
3Status Modified Date Name Stand.
Check.
Author
Date
Mat. no.:
CAD file:
Orig./Creat. f./Creat.by
Sh.
Sh.
00321086-050101FD3_SH3
01.
23.01.98
Leh
21.07.98
Tuth
01.

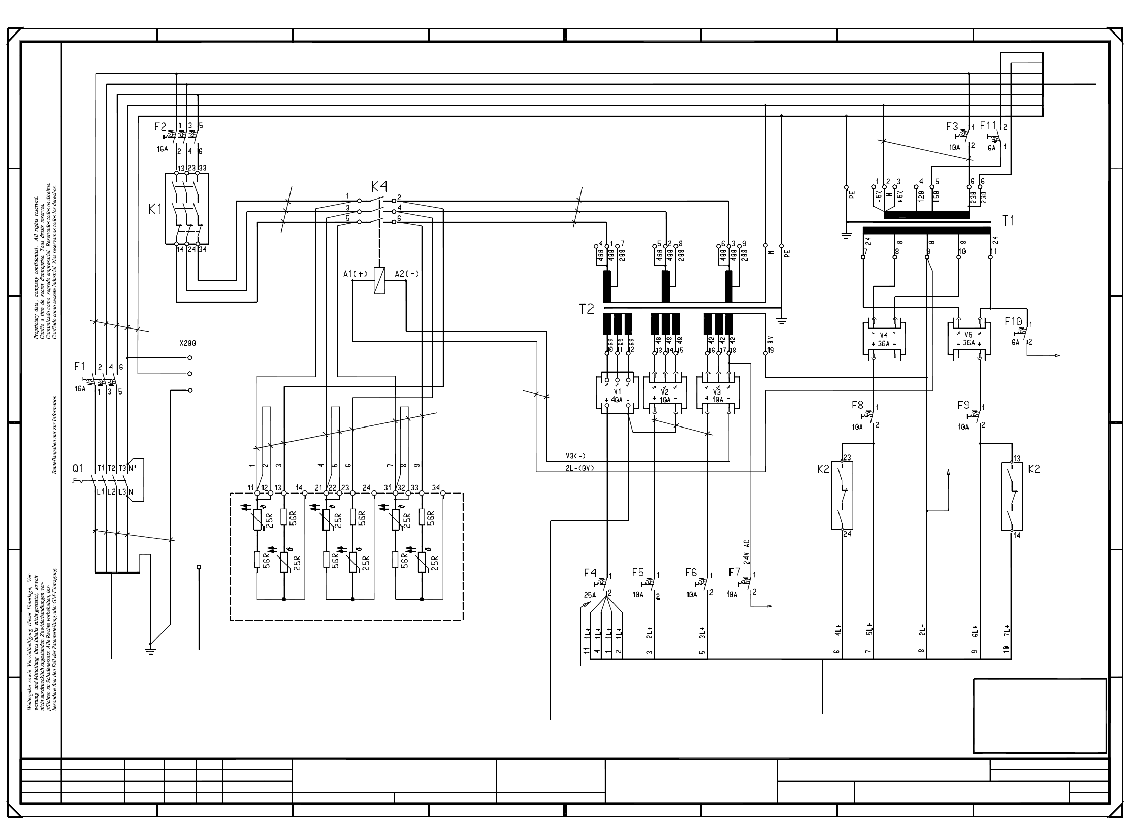
3 SIPLACE 80S-20 Circuit Diagrams 54
00321086-050101LD3 SIPLACE 80S20/F4 power supply (Sh. 1 of 2)
00321086-050101LD3
Circuit diagram, power supply
#
Tuth
21.07.98
23.01.98
23.01.98
23.01.98
01
01
05
Leh
Leh
Leh
1
23
gnye
bl
bk
bk
bk
bk
bk
2.5mm²
2.5mm²
2.5mm²
bk
1.0mm²
bk
2.5mm² bk
GND
To sheet 2
bk bk
1.0mm²
1.5mm²
To
Terminal panel
00321510
00300161-06
rd
gy
bn
bk
wh
gnye
bl
Status Modified Date Name Stand.
Author
Check.
Date
Orig. Creat. f. Creat. by
F
2
2
B
34
1
6
A
A1
C
D
7
FOR INFORMATION ONLY
This document will
not be replaced when
modifications are made !
PL EA1 E
Function status
Product status
Document status
SMD Placement System SIPLACE 80S20/F4
Sheet
Sh.
To
Terminal panel
00321510
00324356-W1
To
00321510
Terminal panel
1L- 00324358-W1
in each sleeve
2 wires
To sheet 2
Emerg.-stop, ext.
C0508-W1 gr
Warning!
24V AC
To sheet 2
bk
If the machine is operated with 230 V
connect the inrush current limiter
(i.e. disconnect wire 3 from 13 and connect it to 14,
in parallel
for the other phases
apply this system as appropriate)
disconnect wire 2 from 12 and connect it to 13,
Inrush current limiter
To
00342917-W1
Cover
Power supplyPower supply
Base
main power filter 1
To
00342193
2.5mm² gnye
PE
gnye
gnye
2.5mm²
bl
bk
bk
bn
2.5mm²
Main
switch
00342917-W3
Remove jumper, if required (IT net)
(France / Italy / Japan / USA)
Jumper is part of the main switch
PE
PE
N
2.5mm²
bk
bk
bk
1.5mm²
bk
1.5mm²
bk
bk
bk
bk
2.5mm²
bk
bn
wh
gnye
bl
(Star/lifting table)
(Tape cutter)
bk
bk
bk
(X/Y-axes)
bk
bk
bk
(X, Y slow)
bk
bk
bk
bk
bk
(Star, slow)
(Lifting table)
(DP1/Z-axes)
bk
bk
bk
bk 4.0mm²
10.0mm²
2.5mm²
bk
bk
bk
bk
bk
bk
bk
bk
bk
bl
gnye
bk
2.5mm²
E
F
85
1 45678
A
E
D
C
B
=
SIEMENS AG +

3 SIPLACE 80S-20 Circuit Diagrams 55
00321086-050101LD3 SIPLACE 80S20/F4 power supply (Sh. 2 of 2)
=
SIEMENS AG
+
FOR INFORMATION ONLY
This document will
not be replaced when
modifications are made !
F F
B
C
D
E
4
D
A
8
1
67
2
2
53 678
12345
E
01
01
05
Leh
Leh
Leh
2
B
A
C
PL EA1 E
00321086-050101LD3
Circuit diagram, power supply
#
Tuth
21.07.98
15.07.98
15.07.98
15.07.98
Function status
Product status
Document status
SMD Placement System SIPLACE 80S20/F4
Sheet
Sh.
GND
To sheet 1
1.0mm²
bk
bk
1.0mm²
To sheet 1
24V AC
F10:2
To sheet 1
24V AC
F7:2
switched
To terminal panel
00344265
To sheet 1
1.0mm²
F10:2 24V AC
1.0mm²
To ext. EMERG.-STOP circuit (WPC) gy
gnTo On button
24V AC wh
24V AC bn
From EMERG.-STOP circuit (to K1) bl
+24V DC wh&gn
From On button ye
To S5 input X2kd:8 bn&gnControl On
Signaling circuit
Software release
Signaling circuit
To S5 input X2kb:7 wh&gr
Software release To S5 output X2kc:8 gr/bn
Software release To GND, S5 assembly X2kc:M pk&bn
To On button gr&pk
To keyswitch vi
From On button rd&bl
From EMERG.-STOP circuit bk
(to K2)
+24V DC
To S5 input X2kd:1 ye&bn
wh&ye
Status Modified Stand.Date Name Orig. Creat. f. Creat. by
Author
Check.
Date
00321113-W1
L2 X2
L1 X1
X4
X6
14
24
4434
54
66
X5X3
13
23
43
33
53
65
K3
14
13
K3
22
K3
MP1
A2
L2
A1
K2
X1L1 X2 X3
14
24
58
44
34
66
X6X4 X5 13
23 574333 65
K3
21
24V AC
F10:2
44
43
3TK2805
3TK2804
K1