80S20 circuit.pdf - 第91页
3 SIPLACE 80S-20 Circuit Diagrams 91 001 16226-010101LD3 Compo nent table, mobile D E 678 7 6 00328703 8 A 2 D 3 C B A 5 B 3 2 F 4 1 E 5 4 F 1 C X13dp X14dp X15dp X16dp X17dp X18dp X19dp X20dp X22dp X2dp X21dp X2do X4do …

3 SIPLACE 80S-20 Circuit Diagrams 90
00328647-010101LD3 Tape cutter, max. tape height 15 mm
Date
Check.
Stand.
Author
Sheet
Urspr. Ers. f. Ers. d.
NameDateModifiedStatus
SIEMENS AG
Sh.
X8dq X10dqX5dq X7dq X6dq X9dq
SIPLACE
00313400
X5dq X7dq X6dq X9dq
X4dq
00322071 / 00322072
Tek
Tek
01.
01.
01.
10.07.97
10.07.97
25.11.97
10.07.1997
Eschenweck
#
00328647-010101LD3
X8dq X10dq
X1dq X3dq
X1ak X4ak
PL EA1 E2
Tek
1
1
Product status
Doc. status
Function status
To interface
Tape cutter
Max. tape height: 15 mm
Cable: power supply unit - tape cutter
Cable: interface (left / right) - tape cutter
component supply
00322063 / 00322064
left / right
To
power supply / T2
00300243
(2x24VAC / 0V)
(dq)
00329699
Control board, tape cutter
Cable: control board tape cutter - valve
00332901
00332900
Proximity switch with cable for tape cutter II
Proximity switch with cable for tape cutter II
00332900
Cable: control board tape cutter - valve
00332901
Proximity switch with cable for tape cutter I
00332899
00332899
Proximity switch with cable for tape cutter I
Left
valve
cylinder
Left
Front
proximity switch
Rear
proximity switch
Front
proximity switch
proximity switch
Rear
Right
cylinder
valve
Right
See page 131
See page 39 See page 39
See page 39

3 SIPLACE 80S-20 Circuit Diagrams 91
00116226-010101LD3 Component table, mobile
D
E
678
76
00328703
8
A
2
D
3
C
B
A
5
B
32
F
41
E
5
4
F
1
C
X13dp X14dp X15dp X16dp X17dp X18dp X19dp X20dp
X22dp
X2dp
X21dp
X2do
X4do X7do X9do X3do X8doX5do X6do
X36
00301069
00323583
00323584
00316265
00328753
10.09.98
10.09.98
10.09.98
10.09.1998
Eschenweck
00116226-010101LD3
1
X4do X7do X9do
X37*
X23dp
X3dp X4dp X5dp X6dp X7dp X8dp X9dp X10dp X11dp X12dp
00301239
X22dp
*
*
X1dp
X1do
1
Tek
Tek
Tek
01.
01.
01.
PL EA1 E2
00300379
( do )
( dp )
LED
X8do
Bauteilangaben nur zur Information
besondere fuer den Fall der Patenterteilung oder GM-Eintragung.
nicht ausdruecklich zugestanden. Zuwiderhandlungen ver-
wertung und Mitteilung ihres Inhalts nicht gestattet, soweit
Weitergabe sowie Vervielfaeltigung dieser Unterlage, Ver-
pflichten zu Schadenersatz. Alle Rechte vorbehalten, ins- Confiado como secrete industrial. Nos reservamos todos los derechos.
Comunicado como segredo empresarial. Reservados todos os direitos.
Confie a titre de secret d'entreprise. Tous droits reserves.
Proprietary data, company confidential. All rights reserved.
Status Modified
Document stat.
Product stat.
Function stat.
Date Name Stand.
Check.
Author
Date
Orig. Repl. f. Replaced by
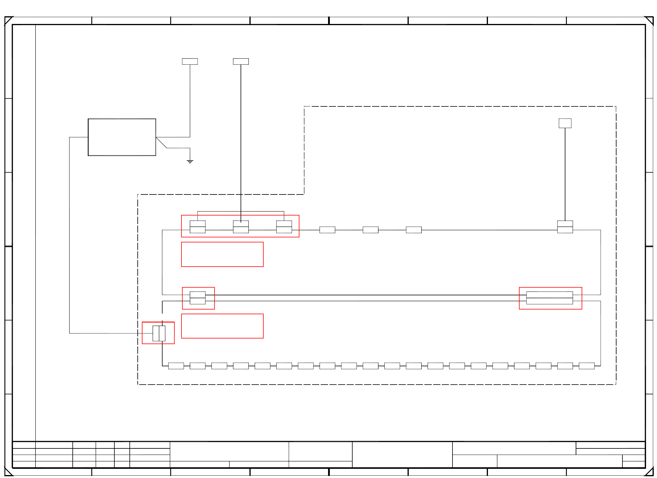
CO-changeover table 80, mobile SIPLACE SMD Placement System
Sheet
Sh.
InterfaceInterface
To To
Cable: CO-table power supply
Cable: control signals – CO-table SMD
CO-table transformer
gnye
1.5mm
CO-table control board, SMD
Cable: transformer power supply
extensions
Feeder
CAN bus Test points
Section :
Communications unit
Table ground
2
CO-table conversion board, SMD
The label of the old CO-table is inscripted with Plug ID "X21ar".
Cable: CO-table – LED SMD
=
SIEMENS AG
+
See page 37
See page 37See page 37
See page 121
See page 123
See page 37

4 80S-20/OPTIONS Circuit Diagrams 92
4 80S-20/OPTIONS Circuit Diagrams
00303636-020101LD3 Cable connecting SIPLACE stations
B
31 6
E
C
8
F
5
D
7
6
2
4
00303636
C
1 8
F
4
A
SIPLACE
3
A
02
01
01
Status Modified
Document stat.
Product stat.
Function stat.
Date Name Stand.
Author
Check.
Date
Orig. Repl. f. Replaced by
Sheet
Sh.
SIPLACE --> SIPLACE
Spare
Spare
Spare
GND (24V)
GND (24V)
+30V unsw.
+30V unsw.
+24V
+24V
Fault signal loop
GND (24V)
--> Board arrived
--> Permission
<-- Board transferred
<-- Request
GND (24V)
Fault signal loop
Preceding station
X1
X2
1 = 6.0m / 20x0.09mm²
Succeeding station
Fault signal loop
GND (24V)
<-- Request
<-- Board transferred
--> Permission
--> Board arrived
GND (24V)
Fault signal loop
Spare
Spare
Spare
Spare
Spare
+30V unsw.
+30V unsw.
GND (24V)
GND (24V)
Spare
+24V
+24V
Spare
Spare
Spare
E
5
2
B
7
D
__.__.
__.__.
#
00303636-020101LD3
PLEA1 E
SIEMENS AG
+
=