80S20 circuit.pdf - 第81页
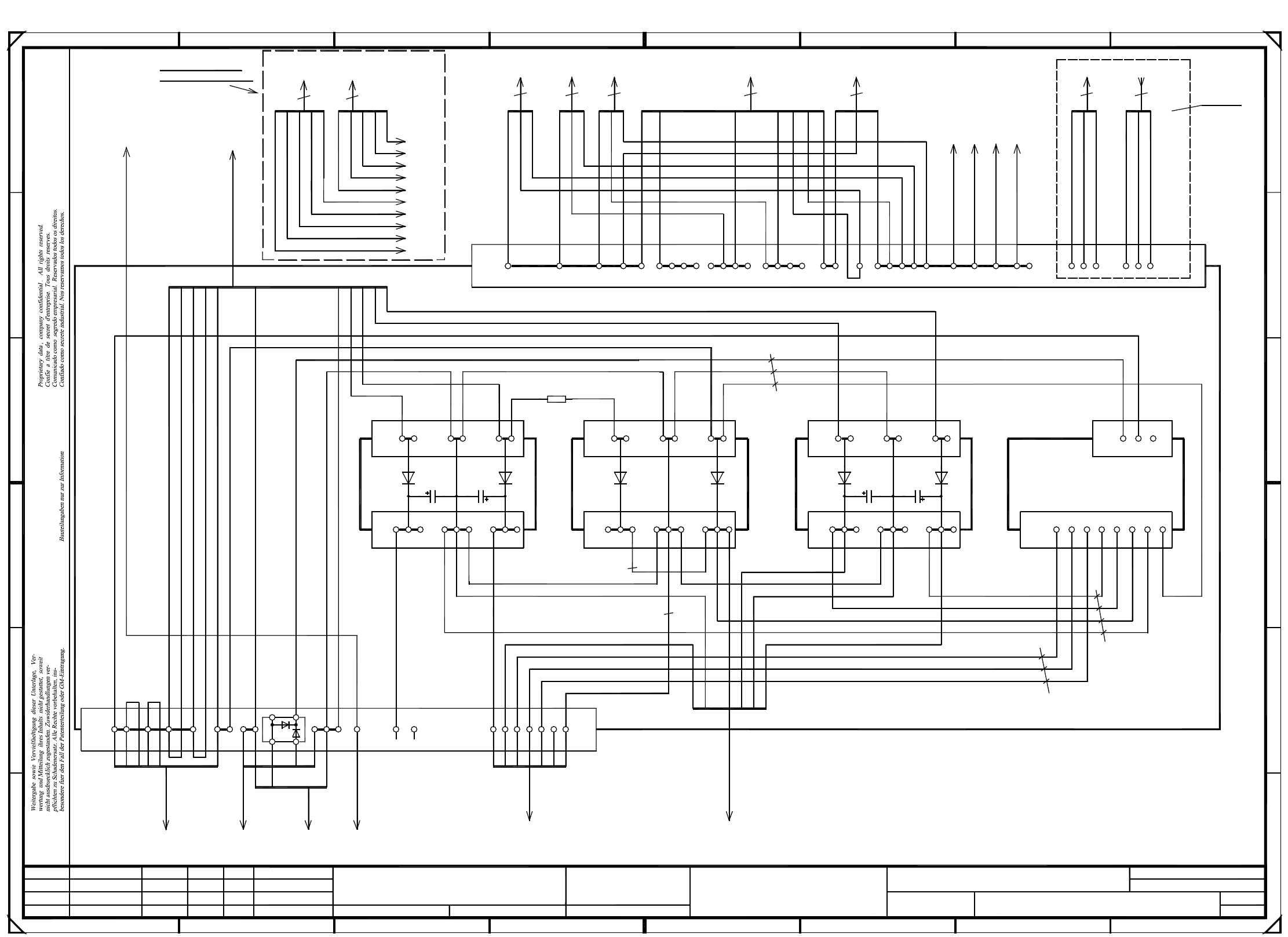
3 SIPLACE 80S-20 Circuit Diagrams 81 00321510-070201LD3 T erminal panel (right-hand side) (vo ltage rectification) = SIEMENS AG + Term inal pane l To Servo unit To Servo unit To Tape cutter 1 To To Tape cutter 2 To Servo…

3 SIPLACE 80S-20 Circuit Diagrams 80
00321785-020102LD3 Potential distributor board
56
X3 1
2 3 4 5
63
21
5
6
4
Stp
003
Stp
002
Stp
005
Stp
007
1L-+12V
001
Stp
+5V
Stp
004
Stp
007
1L-
+24V
006
Stp Stp
008
1710460-Y0026-000
board
Potential distribution
X2
gy
wh
wh
blbk
gybk
brbk
gy
wh
wh
yebk
pk
brbk
gy
vi
vi
wh
wh
gybk
blbk
pk
wh
wh
MB7
Ground measurement
GND/007
*903
To terminal strip
*903
To terminal strip
*904
To terminal strip
pkbk
Pin4
+15V
0.25mm²
H0101
To PCB handling
2L+/5L+
00 321 785
c0902l02_d
1L-
007
Stp
2L+
6L+
7L+
pk
vi
vi
vi
1L+/5L+
009
Stp
008
2L+
Stp
1L-
007
Stp
C510-W1
10mm²
To terminal strip
*903 X207:19
brbk
Stromlaufplan/Circuit diagram
1816151413121110987654321 17
SIEMENS
AUT 5
Product status
Doc. status
SMD Placement System Siplace 80S20
1
1
socket
Status Modified Date Name Stand.
Check.
Date
Author
Mat. no.:
CAD file:
Orig./Repl.f/Replaced by
Sh.
Sh.
1.5mm²
1.0mm²
1.0mm²
1.0mm²
0.25mm²
1.5mm²
1
.
0
m
m
²
15.08.1995
Heuberger
Potential distribution board
2.
2.
Die
Die
28.02.96
28.02.96
00321785-020102LD3
9X14 87654321X4 1234

3 SIPLACE 80S-20 Circuit Diagrams 81
00321510-070201LD3 Terminal panel (right-hand side) (voltage rectification)
=
SIEMENS AG
+
Terminal panel
To
Servo unit
To
Servo unit
To
Tape cutter 1
To To
Tape cutter 2
To
Servo
Star point 007
wh
bl&bk
bl&bk
bl&bk
0.5mm²
6L+ unswitched
+7L switched
+7L switched
6L+ unswitched
4.7 Ohm / 5W
bk
bk
1.0mm²
1.5mm²
To
To
WPC interface
righth. side 00322105
lefth. side, 00322104
WPC interface
Power supply
To
Power supply
VI rectifier
To
in SIPLACE 80F4 machines only
WPC interface:
To
Control unit
To interface To interface
lefth. side righth. side
To
Power supply
Power supply
SC
To
Option:
From UPSTo UPS
bn
bn
gn
gn
wh
wh
bk bk
wh
gy
bk
1.5mm²bk
bn
gn
ye
gy
pk
bl
wh
Spare
bl&bk
bl&bk
bl&bk
gn
bk bk
wh
wh
gn
gn
wh
wh
wh
gn
ye
gy
wh
bn
bn
gy
ye
wh
pk
gy
bk
gn&ye
gn&ye
bk
gn&ye
gn&ye To servo unit
To control unit
To cable
To cable
bn
bl
gn&ye
bn
bl
gn&ye
wh
pk
bk
wh
wh
bl
bn
gn&ye
bl
bkbk
bl
bl
bl
rd
bn
gy
wh
bn
bn
bn
gn&ye
gn&ye
gn&ye
gn&ye
gn&ye
bl
bn
gy
gn&ye
rd
wh
bn
wh
wh
gn&ye
bn
bl
gn&ye
gn&ye
bl
bk
bn
bk
gn&ye
bk
bk
bn
bk
bl
When using
a UPS, connect
the cables and
remove jumper
X206:4-5 !
00322063 00322064
00321510-070201LD3#
Tuth
21.10.98
08.06.98
01.06.00
21.10.98
01
02
07
Leh
Tu.
Leh
00321496-W100300161-0600300170-W1 00322067 00322068
00324356-W1
00321086
1
X1
11
4
1
2
(K1)
2
12V
4
6
2L-
1mm²
1mm²
1mm²
00321480
5
7L+ 10
6L+ 9
PE
2
(K2)
5
2
1L-
B
2
(K2)
(+24V)
4
1
1
456
123 456 78
17
2L+
9
X206:L1
3456
X206:L2
(rd) (re)
X2
X1
1
(K1)
34 56
123 456 7
1mm²
N
X2
X2
PEPEPEPE
X1
12
NN
56
L2 L3L1
3
L1 4L3 L3L2L2 6
1413 15 16
2L+
1L+ 11
12
1L+ 2
2L+ 3
10mm²
1mm²
89
(rc)
6
4
X206
X207
1
5
00315060
2
00313400
00313400
00315060
00324087
5L+
PE PE
1L+
1L+
1L+
1L+
(rb)
PEPENN 5
(+24V)
L1
2L+/5L+
2L+/5L+
2L-
1L-
1L+ 4
1L+ 1
7
10mm²
00324359-W1
6
3
3
2
6mm²
6mm²
C709
C708
X31
00324087/X16
2L+
2L-
2
9
8
D
7
C
A
6
00322110-W1
10
8
3
5
56
1mm²
F
342
2
B
A
1
1
1
8
4L+
18 8 8
1mm²
5
10 19 11
1
4
72345
12
X1
12398711
4
76
3
C
D
E
00344540
E
F
00344539
4
1mm²
7
X1
PEN5PEN4
00324358-W1
10 10
6
6L+ 9
7L+ 10
2L+/5L+
3
1
2L-
5
2
1mm²
2L-
00321535
6
1
7
3
21
6
L3 PE
*904/X211,X212
00306880-W1
(K2)
00321480/X3
00300164-W1
00321480/X2
00300163-W1
2L- 8
00322109-W1
(K1)3L+ 5
X206:PE
X206:N
X206:L3
X206:L2
X206:L1
X206:PE
X206:N
X206:L3
18
89
A2
A3 A4 A5
34
L1 L2
R1
21
PL EA1 E
Function status
Product status
Document status
SMD Placement System SIPLACE 80S20/F4
Sheet
Sh.
Status Modified Date Name Stand.
Check.
Author
Date
Orig. Creat. f. Creat. by
Terminal panel, righthand side

3 SIPLACE 80S-20 Circuit Diagrams 82
00321510-070201TD3 Terminal panel (right-hand side)
L3
N
1
X
18
XX
XX
X
C
234 7
L1
56
X207
A
10
10
N
N
X
13
17
18
6
11
12
19
X
X
X
PE
B
A
420,0mm
F
L2
X2rd
L3
L3
X1re
4
D
E
F
C
X
14
15
16
5
315,0mm
5
D
L2
2
B
C
5
6
4
PE
PE
10
X1rc X1rd
XX
2 6
PE
PE
PE
A4
A5
X2rb X2rc
3
X1rb
AA-BBBB-CCCC
N
PE
PE
00321510-07
SIEMENS PLEA 1
A
B
1
END
E
D
500,0mm
XX
XXX
L1
78
252,0mm
190,0mm
N
L2
8
XX
X206
1
8
9
3
L1
L1
PE
PE
N
40
20
4
A2 A3
1
7
8
1
L3
01
01
07
Leh
Leh
Leh
XX
116,0mm
XX
L2
PL EA1 E
00321510-070101TD3
#
Tuth
21.10.98
08.06.98
08.06.98
21.10.98
Function status
Product status
Document status
SMD Placement System SIPLACE 80S20/F4
Sheet
Sh.
Length for cable ducts +/- 5mm !
Please note:
Terminal panel, righthand side
Font size: 2.5mm, material: Scotchcal 3698-E (color: A1 RAL 9006)
BBBB = date (year/month/day) acc. to SN 01007
AA = manufacturer/location acc. to SN 37040
Assembly inscription acc. to VA - F - 510 - 001 guideline
CCCC = series number
Creat. by
D: space for voltage label from NAFTA – label set (for USA only)
B: inspection label
A: identification label
C: ground label
Identification: testing engineer, month, year
Orig. Creat. f.Stand.
Check.
Author
Date
NameDateModifiedStatus
The following labels have to be applied:
to 4L+ (8V),
This way you will switch from 1L+ (100V)
and insert it at X207 11-12-13-14-15.
remove the jumper from X207 13-14-15-16-17
- when commissioning the X,Y axes the first time
thus reducing the crash risk.
Please note:
Ground connection
acc. to constructions specs 00343603, sh.2
0.0mm
35.0mm
Screw
SN 70093 contact washer
DIN 439 nut
Annular cable lug
DIN 125 washer
DIN 7980 split washer
DIN 439 nut
Please note: Break off one rib at each X !
Cable duct: 65x66 l=460mm
Cable duct: 65x66 l=340mm
Please note: break off one rib at each X !
80.0mm
30.0mm
230.0mm
Cable duct: 65x46 l=400mm
Please note: Break off one rib at each X !
Cable duct: 65x46 l=400mm
Please note: Break off one rib at each X !
110.0mm
=
SIEMENS AG +