5OM-1434-003_w.pdf - 第89页
4-8 0710-001

4-70807-002
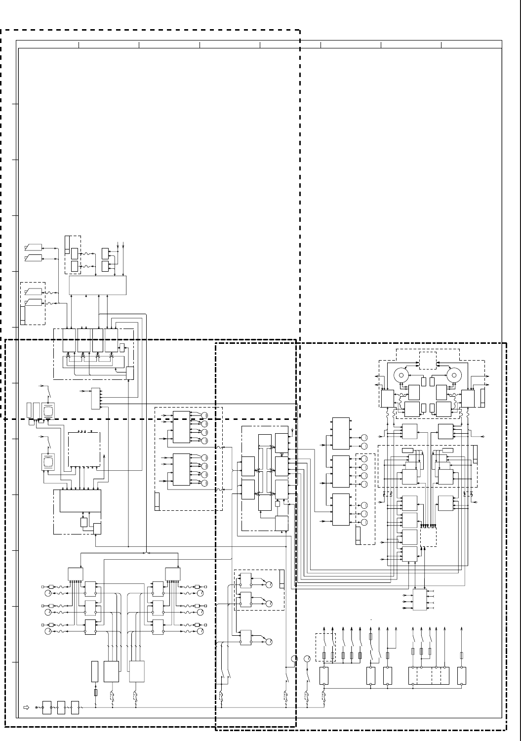
电路图符号

4-80710-001

4-9
0710-001A(M858WA---0001)
㓑ঢ়ῶബ䖳
7P1(Rear)
7P1
7P1(Front)
7P1
UB64 UB43 UB32 UB32 UB34 UB32
UB32 UB34
UB63
124
-U93
(UB09)
Grabber
(UB09)
(UB08)
Frame
CAM
PIO
UB11
(UB10)
CN5
24V
24B1
CN5
24V
24B1
UB71
UB22
UB32
24C
24C
P5G P5G
5E5
24F
24F 24F
24F
24F
24F
24F
24G5
24G8
24G1
24G2
24G
24G
5E5
(5V)
-K28 -K28
24B1,B2
24B
24B1
24B1
24B1
24B1
24B1
24B2
24B2
48D3A
48D3B
48D3E
48D3F
48D
48D3E 48D3F 48D3H
48D3A 48D3B
48D3H
24A1
24A1
3
3
3
3
3
3
3
2
3
3
3
3
2
3
3
3
3
2
3
2
3
2
MMMMMMMM
MMMMMMMMM
M
1
3
M
3
M
3
M
3
M
3
M
3
M
3
M
3
M
3
M
3
M
CONTROL
-U82
MOTION
-U85
HLSC
CH1 CH2
RS485
I/OSSCNET
-U85
124
-12V
(5V)
+12V
+3.3V
+5V
3φ AC200V
Z02
NOISE
FILTER
FILTER
NOISE
Z01
Q200
F201~203
-Q201(1)
-A21(1)
Servo Motor
-A22(1) -A23(1)
-Q201(2)
-A21(2) -A22(2) -A23(2)
-M21
X-Axis
-Q203(L)
-K40
-A53 -A63
-M53
-A63
NA-BL1
-Q204(L)
-K28
-Q205(L)
-K29
-Q206(L)
+48V(D)
-G02(L)
+24V(G)
-G04(L)
F042
T
T
ILB+PWR
-U05L
IF
U07
CNVR
-U08L -U09(1)
FB
-U69(1)
-U01(Rear)
-U09(2)
FB
-U69(2)
(-K77) (-K78)
-K71(-K72)
-K75 -K76
F013
-K44
F014
-K45
F033
-K38
F034
-K38
A-RGB2
RS232C
+3.3V
-12V
+5V
+12V
LAN2
A-RGB3
DVI2
USB2
USB
A-RGB1
DC-IN
CPU1
U71
USB1
COM2
COM1
VGA
KBD
/MS
LAN1
USB1
DVI1
A-RGB4
+5V
AC-IN
REAR
-N74
Linear Scale
I㧛F
-U21
I㧛FI㧛F
-U24
I㧛FI㧛FI㧛F
-M22
-U22
-M23
-U23
-M21 -M22 -M23
-U21 -U22 -U23
-M63
CT(1)-Axis
-M63
CT(2)-Axis
-U27L
U27
(1) (2)
-U68
-U67
FEEDER
CN3
CN4
CN1
CN2
CN1
CN4
CN5
CN3
CN4
CN1
CN2
CN3
CN4
CN1
CN2
CN60
CN70
CN80
CN3
CN4
CN1
CN2
CN40
CN61
X100
X101
CN27
CN29
CN3
CN4
CN1
CN2
CN60
CN70
CN80
CN40
CN61
CN5
CN5
SSCNET
-U24
Connector
PCB ENCD
-U81
CPU
COM1 LAN
COM2
AC-IN
RS232C
+5V
CN1 CN2 CN3
-U68
-U67
X100
X101
CN27
CN29
FEEDER
HLS LINK
HLS LINK
HLS LINK
HLS LINK
SERIAL
SERIAL
I/O
SSCNET
FRONT
-N74
-N76
USB2
PS.OUT
U72
HUB
124
124
124
-U92
-U91
Frame
Grabber
CPU
SIO
PIO
CAM
VGA
LAN
CN4
CN3
CN2
CN1
AC-IN
-U95
-A67
CN10-13
CN6-9
-A68
-B36(1)
-B36(2)
-B61(1)
-B61(2)
-E39 -E39
(1) (2)
(1) (2)
-U94
COUNTER
IN
CN5
+12V
+5V
-12V
+3.3V
+5V
124 124
-K50
ID:0
+12V
HLS LINK
HLS LINK
SERIAL
-M44
NR-L1NA-L1NL-L1
-M42-M41
Stepping Motor AMP
-A41
CN1
ALM
CN6
20-55V
N2
NET
N1
NET
CN10CN9CN8CN7
-M55
NA-W1NL-W2NL-W1
-M52-M51
-A51
N2
NET
N1
NET
NR-W2NR-W1
-M52-M51
-A52
N2
NET
N1
NET
CN1
ALM
CN6
20-55V
CN1
ALM
CN6
20-55V
-M56
NA-W2
CN10CN9CN8CN7 CN10CN9CN8CN7
-M33
NLNSDD
-M32-M31
Servo Motor AMP
-A31(1)
CN8
24V
CNP1
5V/48V
CN1A
SSC
CN2DCN2CCN2BCN2A
-M34
HL
-M33
NLNSDD
-M32-M31
-A31(2)
CNP1
5V/48V
CN1A
SSC
CN2DCN2CCN2BCN2A
-M34
HL
CN8
24V
AE LINK
+12V(G)
-G06
124
40
AMP
Servo Motor
AMP
Servo Motor
AMP
Servo Motor
AMP
Servo Motor
AMP
Servo Motor
AMP
Connector
PCB ENCD
Y1-Axis
Linear Scale
Y2-Axis
Linear Scale
X-Axis
Linear Scale
Y1-Axis
Linear Scale
Y2-Axis
Linear Scale
Servo Motor
AMP
Servo Motor
AMP
Servo Motor
AMP
Servo Motor AMP
Stepping Motor AMP Stepping Motor AMP
Relay P.C.B
(1) (2)
-D81
U
SL-G300
U
HH-G300
U
FB-G300
U
HH-G300
U
CT-G300
-U25(1)
X1
LINE SENSOR
-U03
CN6
CN5
Slip Rings
J1
-U37
-U04
X3
X4
CN21
CN12
LINE SENSOR
-U03
CN5
CN6
Slip Rings
-U37
J1
-U25(2)
X1
X3
X4
CN21
CN12
-U04
U
HH-G300
U
HH-G300
124
CONTROL
-U83
MOTION
I/OSSCNET
ID:1
+24V(A)
-G01
+24V(B)
+24V(C)
+24V(F)
F001-F003
K1
-F005
K25
-F007
K27
+5V(E)
-G05
F041
F036
-K38
-U09(2)
CN3
CN4
CN1
CN2
DOM
SDD
LCD
(TP)
LCD
(TP)
HDD
1
23456789101112
A
B
C
D
E
F
G
H
Outside LAN
(Input/Output PC)
U73
-N75
Selector
Track Bal
Keyboard (Front)
CPU1(Operation PC)
OUT
Trigger
Conponent Recognition Lighting Source
PEC
Recognition Lighting
PEC Recognition Camera Conponent Recognition Camera
CPU3(Recognition PC)
-M66
M101-M102
Vacuum Pump
Celling Cooling FAN
Control Power Supply
Main Power Supply
Main Power Supply
Feeder Base
Batch Connecter
Beam Connecter
Relay Panel
AGE1
CPU2(Control PC)
Power Supply
Cutter Positioning
Cutter Positioning
Each Loads
and Senser
Batch Connector
for Feeder Base Connection (1)
Batch Connector
for Feeder Base Connection (2)
Operation Panel
Cutter Positioning
Head Section
Load and
Sensor
Linear Measure
Light Emission
Linear Measure
Light Reception
Linear Measure
Light Reception
Linear Measure
Light Emission
Lighting
Control PCB
A C
B
F200
-Q201,K3,
-Q221-Q223
-Q201,K3,
-Q221-Q223
Lighting Surge Protector
XY-Axis Breaker
Main Power Supply,
Recognition Power Supply
Control Power Supply
Main Power Supply
Control Power Supply
XY-Axis Breaker
Main Power Supply,
Recognition Power Supply
Main Power Supply
Main Power Supply
Main Power Supply
Main Power Supply
Main Power Supply