5OM-1434-003_w.pdf - 第97页

4-16 0710-001A(M858WBL--0002) ⬊⑥䚽 %/ 㒼⬊ఽ⬊䏄  U U (DC24V ,2A) (DC24V ,5A) (DC24V ,5A) (DC24V ,5A) (DC24V ,5A) (DC24V ,5A) (DC24V ,5A) (DC24V ,2A) (DC24V ,2.5A) 446 450 -U27 L 24A1 10A :3 X502L :4 :2 421 429 443 444 445 4…

100%1 / 151
4-15
0710-001A(M858WBL--0001)
⬊⑥䚽 %/
M
1
M
1
3
M
-10D
-48D
-L147
-L247
-L347
-L104
-L204
-L204
-L104
-L347
-L247
-L147
400W
-M66
U
V
W
-L312
-L212
-L112
FA-A71
-L142
-L242
-L342
-L104
-L204
-L347
-L247
-L147-L104
-L204
-L304
-L304
-L204
-L104
34
2
-K50
1
56
-K28
-K29
-Q205
-L106
-L206
-Q204
3
1
4
2
-L205
-L105
65
43
12
-L312
-L212
-L112
-L311
-L211
-L111
-L104
-L204
-Q203
-L304
L102
L202
L302
(L)
(N)
FG
DC48V
-Q206
-L316
-L216
A31(2)
A31(1)
F013
F014
-K44
64
-K45
64
10DA
48D3A
48D3B
10DB
-G02
65
1
-K40
2
43
-L342
-L242
-L142
-M101 -M102
56
K25
K27
24B1L
10B
10B
24B2L
43
43
-F007(5A)
-F005(5A)
10B
24B
A51(L)
-K38
(5A)
-K38
A41(L)
48D3F
10DF
10DE
48D3E
F033
F034
(5A)
48D2E
48D2F
12
43
-U27(L)
-X2751
:4
-X2751
:3
-U27(L)
-G04
DC24V
(L)
(N)
FG
24G
10G
24G
10G
10G
24G
24G
10G
:1
24B1L
10B
10B
24B1L
-X503L
:4
:3
:2
:1
-X503L
:4
:3
:2
:1
:2
:1
-X13110
10G
24G
-X13110
:2
10B
24B1L
-X2711
:2
-X2711
:1
-X2711
:4
-X2711
:3
-X2751
:2
-X2751
:1
FB-A81
FC-A91
-10P
-7P
(L)
(N)
FG
DC12V
-G06
7P
10P
-F042
10P
7P
7P27P1
(6.3A)
-N74 (R)
-N74 (F)
[BL/01/2E]
[BL/01/10F]
[F-/02/10D]
[F-/02/10H]
[B-/01/7F]
[N-/04/2A]
[D-/22/2A]
[BR/01/12B]
[N-/02/7E]
[N-/03/7E]
[M-/11/1A]
[M-/21/1A]
[D-/13/3G]
[D-/23/3G]
[BL/01/12B]
-A53
NA-BL1 SMD
[D-/12/2A]
-A63(1)
CT(1) SMD
-A63(2)
CT(2) SMD
[C-/01/8D]
[F-/07/3F]
[D-/*1/3F]
[F-/08/3F]
[D-/03/2E]
[C-/01/5E]
[BL/03/9G]
[M-/*1/7F]
[N-/01/3F]
[BL/03/9G]
[D-/*1/3F]
[N-/01/3F]
-K38
A52(L)
F036
(5A)
65
48D2H
48D3H
10DH
[N-/03/7E]
B-
BA
BA
GA
BA
BL
BA
GA
BA
BL
-
+
-
+
-
+
1
23456789101112
A
B
C
D
E
F
G
H
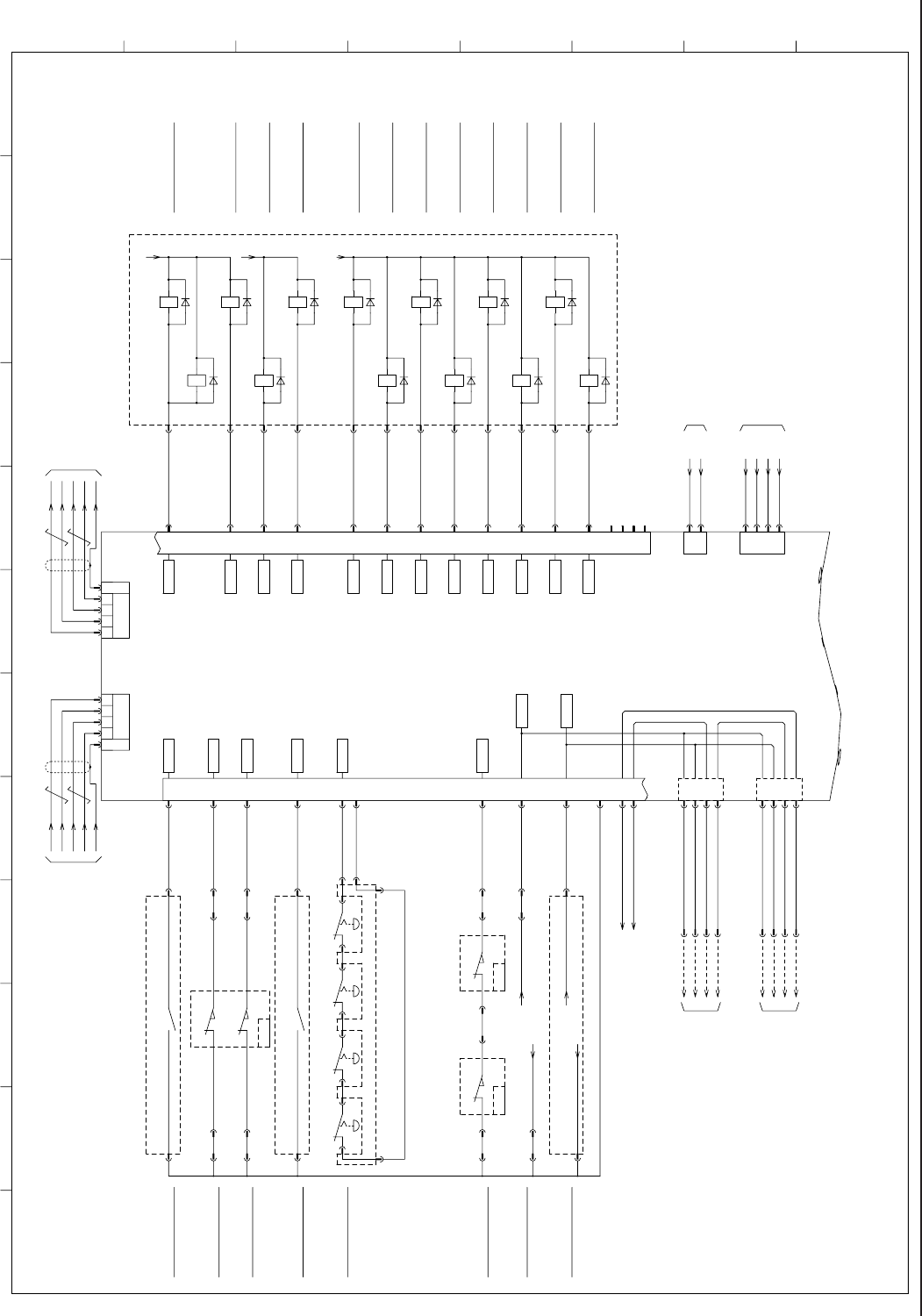
Vacuum Pump L
For Power Supply to Control PC1
[N-/11/1A]
For Power Supply to Operation PC
[F-/01/3F]
Celling Cooling FAN
For Power Supply to Recognition PC
[R-/01/5G]
Rear Touch Panel Screen
Front Touch Panel Screen
For Head Multiaxis SMD
Main Power Supply
For DC24V Equipment
For DC24V Load
For OUTPUT
For INPUT
Power Supply for Feeder (1),(2)
For Recycle CV (1) OPTION
For Multi-Layer Tray (1) OPTION
For Multi-Layer Tray (2) OPTION
For Recycle CV (2) OPTION
Touch Panel Screen Power Supply
For Transfer Multiaxis PMD
Main Power Supply
4-16
0710-001A(M858WBL--0002)
⬊⑥䚽 %/ 㒼⬊ఽ⬊䏄
U
U
(DC24V,2A)
(DC24V,5A)
(DC24V,5A)
(DC24V,5A)
(DC24V,5A)
(DC24V,5A)
(DC24V,5A)
(DC24V,2A)
(DC24V,2.5A)
446
450
-U27 L
24A1
10A
:3
X502L
:4
:2
421
429
443
444
445
440
441
442
2221
11 1 2
:4
:1
:2
-X2742
:3-X2742
-X2742
-X2742
:3
:4
:1
:2
-X2741
-X2741
-X2741
-X2741
21 22
11
S131
12
S132
:1
:2
:1
:2
448
2221
-K33
476
:2-X27170
-X27170 :1
:3
-X2729
:1
462
466
:1
-X27163
-X27164
:5
:6
-X27164
468
:3
-X27164
-X27164
:4
-K50
-K40
-K38
-K33
-K33
454
:2
-X27164
:1
-X27165
456
:2
-X27165
:1
-X27164
502
10B
:A8
-X2761
-X2761
:B8
A2A1
A1 A2
A1 A2
A2A1
A1 A2
(23)
H4B
K4CK4B
K4A
R4B
D4A
R4A C4A
K4A
(33)
(13)
(T31)
(T11)
(T12)
(T32)
(A1)
(A2)
(T21)
(T22)
(14)
(24)
(34)
(Y11)
(Y12)
4443
6463
53 54
6463
5453
4443
3433
2221
1211 1211
21 22
33 34
43 44
5453
63 64
11 12
21 22
31 32
K4AK4B K4C
J11
123
456
:3X160
:1X160
:2X160
X160 :4
X37 :2
X37 :1
(2.2kΩ)
R112
H112
J12
X163 :1
X164 :6
:1X170
:2X170
X29 :1
:4
X42
X42
X42
X41
X41
X41
45
45
45
H
R
D
(2A)
F012
:3
:2
:3
X41
:2
:1
:4
:3
X42
:2
:1
:4
X171 :2
X171 :1
X172 :2
X172 :1
:1X36
:2X36
:2
X165
:5
X165
:4X162
:1
X164
:2
X164
X163
:1:2
X164
X162 :2
X162 :1
:A8X61
K44
01
K45
01
86
K15
86
K16
K21
65
K12
68
K11
68
:B8X61
X164 :3
X164
X162 :3
:4
K22
68
34
TP7
TP5
TP6
TP8
10A
10A
452
21 22
-K50-K40-K33
21 2221 22
-X27171
-X27171
-X27172
-X27172
429
:1X153
:2X153
:3X153
:2
X502L
:1
X502L
-X2729
-X2729
-X2729
X29
X29
X29
-X507
:4
:4
-X507
-X1507A
:2
:4
-X1507A
-X1507B
:4
:2
-X1507B
-X507 :2
:1
:1
:2-X507
X153:3
01
1
2
3
4
BA -U05L (STLT ILB+PWR)
[B-/02/6D]
[BL/03/3E]
[BL/02/4H]
[BL/02/4C]
[B-/02/9G]
[B-/02/12G]
K4B
01
D4B
H4C
R4C
K4C
01
D4C
:1
-X1507A
-X1507A
:3
:3
-X1507B
-X1507B
:1
44
44
44
H
R
D
(SHORT)
BA
BA
BA
BL
BA
1
23456789101112
A
B
C
D
E
F
G
H
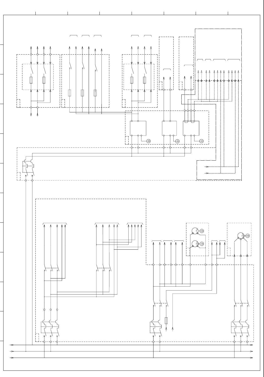
Safety Cover (1)
Safety Cover (2)
Multi-Layer Tray (1)
(Installation)
Multi-Layer Tray (2)
(Installation)
Multi-Layer Tray (L)
Safety Circuit
Power Supply
Safety Cover Safety 3
Safety Cover Safety 2
Safety Cover Safety 1
MA Module Main Power Supply Control
MB Module Main Power Supply Control
CB Module Main Power Supply Control
CA Module Main Power Supply Control
Head (1)
Main Power Supply
Head (2)
Main Power Supply
To -X0511:B8
To -X0511:A8
Safety Monitor for Left Cover
Baem (1) Main Power Supply
Baem (2) Main Power Supply
Multi-Layer Tray (1)
(Installation)
Multi-Layer Tray (2)
(Installation)
CT(1),(2)ޓMain Power Supply
NA-BL Main Power Supply
Conveyor L
Main Power Supply
NL Module Main Power Supply Control
4-17
0710-001-(M858WBL--0003)
8,67/7,/%3:5/
-U05 I/O PCB
IO_DI 0
STLT (ILB+PWR)
:7
:3
:6
:2
CN2
-X0502
CN1
:4
:5
:2
:3
-X0501
:9
RX
/RX
TX
/TX
7395 5937
/TX
TX
/RX
RX
-X0511
CN11
B1
B2
-714
B3
-715
B4
B5
B6
-720
B7
-501
B8
-502
A1-A8
10B1
S131
S132
32 31
32 31
S132
41 42
:B2
-X2761
:5
-X2741
:A2
-X2761
:A3
-X2761
:5
-X2742
:B3
-X2761
:6
-X2741
:6
-X2741
:B6
-X2761
:B7
-X2761
:B8
-X2761
:2
-X2771
:1
-X2770
:A6
-X2761
-U27L
GA
GA
:2
-X27152
:A7
-X2761
:A8
-X2761
A11
-X0511
:A11
-X2761
-726
K25
15
K126
15 16
B11
:B11
-X2761
-727
K43
12 1
24B1L
A12
:A12
-X2761
-728
-K22
16 15
24B1L
B12
:B12
-X2761
-729
-K65
18
A13
:A13
-X2761
-732
-K71
18
B13
:B13
-X2761
-733
-K72
18
A14
:A14
-X2761
-534
-K23
16 15
B14
:B14
-X2761
-535
-K21
18
A17
:A17
-X2761
-540
-K11
16 15
B16
:B16
-X2761
-539
-K12
16 15
A16
:A16
-X2761
-538
-K15
16 15
B15
:B15
-X2761
-537
-K16
16 15
IO_DI 4
IO_DI 5
IO_DI 9
IO_DI 8
IO_DI 10
INT_DI 0
INT_DI 1
IO_DO 0
IO_DO 1
IO_DO 6
IO_DO 7
IO_DO 2
IO_DO 3
INT_DO 6
INT_DO 5
INT_DO 0
INT_DO 1
INT_DO 2
INT_DO 3
A6
B6
CN15
:1
-X504
:2
:2
-X2770
:1
-X2771
B10
-420
A10
-U27L:-X2761:B10
-U27L:-X2761:A10
A9
B9
A15
B17
N.C
N.C
N.C
N.C
A6
B6
CN16
:1
-X504
:2
-X0515
-X0516
1
CN3
-X0503
2
4
1
CN4
-X0504
2
3
10B
24B1L
10B
24B1L
24B2L
10B
A7
B7
:3
:4
A7
B7
:3
:4
GND(10B)
S131
41 42
GA
:1
-X27152
24B2L
-U27L
-X0511
-710
-719
K6
K126
86
86
:B1:A1
-X2761-X2761
:A4
-X2761
:B4
-X2761
-U27L
-U27L
-718
[B-/02/1E]
[F-/15/5A] [D-/03/3A]
[BL/01/12B]
[BL/01/12B]
[BL/01/12C]
:B5
-X2761
:5
-X2725
:6
-X2725
:5
-X2781
:6
-X2781
:5
-X2782
:6
-X2782
:5
-X2728
:6
-X2728
:3
-X27151
:5
-X27151
-U27L
shout cut
A5
:A5
-U85 HLSC
FB ch1-1
CH1-CN1
U07 (STLT IF)
X0704(CN4)
B-(L) ch1-1
1
23456789101112
A
B
C
D
E
F
G
H
Emergency Stop
Safety Monitor
Safety Monitor for Left Cover
Safety Cover (1) Monitor
Cover Lock Check
Emergency Stop Switch
(from K3 33)
(from K4B 63)
(from K3 34)
(from K4C 64)
Safety Cover (2) Monitor
Muilti-Layer
Tray (1)
Muilti-Layer
Tray (2)
OP
OP
Air Pressure Drop Detection
DCLoad Power Supply
Monitor
[B-/02/7C]
[BL/02/10A]
-S105-S121-S121-S105
Center Rear 1
Left Rear 2
Left Front 3Center Front 6
Connector Case
FG(Connector Case)
FG(Connector Case)
Power Supply for Input
Power Supply for Output
Feeder Base (1) Power Supply
Feeder Base (2) Power Supply
Cutter Power Supply
Cover Lock
Vacuum Pump 1 Power
Supply Cpntrol
Conveyer L Main Power
Supply Control
Baem (1) Main Power
Supply Control
Baem (2) Main Power
Supply Control
Head (1) Main Power
Supply Control
Head (2) Main Power
Supply Control
DC Load Power Supply Control
Main Power Supply Shutdown