KE-2010-Rev10.pdf - 第122页
- 11 7 - 6 2 .W IR IN G DI AG RA M (4 ) WIRING DIAGRAM(4) E1 E I P C C 2- 1A P6 AXI S0 -1 P10 AXI S4 -5 S6 -4 5 S6 -0 1 X MP0 ( MAI N) Z1 -C N 3 Z1 -C N 4 1 -3B CN 3 CN 4 CN 8 Z1 -C N 8 Z DR IVE R (1 ) 6- 1C CN 7 CN 9 CN…

- 116 -
NOTE( 注記 ) #01....FOR USE IN JAPAN 日本用
#02....FOR CE CE 用
#03....FOR EN EN 用
#04....EXCEPT ZN ZN を除く
#05....FOR ZN ZN 用
REF.NO NOTE PART NO D E S C R I P T I O N
品 名
Qty
1 E9263-729-0A0 XL MOTOR ENC CABLE ASM.
XL モ−タ ENC ケ−ブル組
1
2 E9264-729-0A0 XR MOTOR ENC CABLE ASM.
XR モ−タ ENC ケ−ブル組
1
3 E9265-729-0A0 YL MOTOR ENC CABLE ASM.
YL モ−タ ENC ケ−ブル組
1
4 E9266-729-0A0 YR MOTOR ENC CABLE ASM.
YR モ−タ ENC ケ−ブル組
1
5 E9268-729-0A0 POWER SOURCE CABLE ASM.
XL モ−タ 電源ケ−ブル組
1
6 E9269-729-0A0 POWER SOURCE CABLE ASM. XR モ−タ 電源ケ−ブル組 1
7 E9270-729-0A0 POWER SOURCE CABLE ASM.
YL モ−タ 電源ケ−ブル組
1
8 E9271-729-0A0 POWER SOURCE CABLE ASM.
YR モ−タ 電源ケ−ブル組
1
9
#01
E9277-729-0A0 MAGNET SCALE FG CABLE ASM.
マグネスケ−ル FG ケ−ブル組
1
10
#02
E9277-729-DA0 MAGNET SCALE FG CABLE ASM.
マグネスケール FG ケーブル組
1
11 E9278-729-0A0 X SHAFT LMT CABLE ASM.
X 軸 LMT ケ−ブル組
1
12 E9279-729-0A0 Y SHAFT LMT CABLE ASM.
Y 軸 LMT ケ−ブル組
1
13 E9280-729-0A0 Y SHAFT LMT RELAY CABLE ASM.
Y 軸 LMT 中継ケ−ブル組
1
14
#03
E9268-729-HA0 POWER SOURCE CABLE ASM.
XL モータ 電源ケーブル組
1
15
#03
E9269-729-HA0 POWER SOURCE CABLE ASM.
XR モータ 電源ケーブル組
1
16
#03
E9270-729-HA0 POWER SOURCE CABLE ASM.
YL モータ 電源ケーブル組
1
17
#03
E9271-729-HA0 POWER SOURCE CABLE ASM.
YR モータ 電源ケーブル組
1
18
#03
E9426-729-HA0 BU MOTOR (L) RELAY CABLE ASM.
BU モータ(L)中継ケーブル組
1
19 #03 E9423-729-HA0 CENT MOTOR(L) RELAY CABLE ASM. CENT モータ(L)中継ケーブル組 1
20
#03
E9417-729-HA0 BU MOTOR PULSE CABLE ASM.
BU モータパルスケーブル組
1
21 E9711-729-000 MAIN 1(AXIS 2-3) CABLE
メイン1(AXIS 2−3)ケ−ブル
1
22 E9712-729-000 MAIN 1(AXIS 6-7) CABLE
メイン1(AXIS 6−7)ケ−ブル
1
23 E9713-729-000 SUB 1(AXIS 4-5) CABLE
サブ1(AXIS 4−5)ケ−ブル
1
24 E9714-729-000 SUB 1(AXIS 6-7) CABLE
サブ1(AXIS 6−7)ケ−ブル
1
25 E9717-729-000 X MOTOR CTRL CABLE
X モ−タ CTRL ケ−ブル
1
26 E9718-729-000 Y MOTOR CTRL CABLE
Y モ−タ CTRL ケ−ブル
1
27 E9720-729-000 XY MOTOR ALM CABLE
XY モ−タ ALM ケ−ブル
1
28 E9722-729-000 YC LMT CABLE
YC LMT ケ−ブル
1
29 E9730-729-000 CONVEY MOTOR CTRL CABLE (L)
搬送モ−タ CTRL ケ−ブル(L)
1
30 E9740-729-000 MAGNET SCALE I/F CABLE マグネスケール I / F ケーブル 1
31 E9301-729-AA0 XL ENC CABLE ASM.
XL ENC ケ−ブル(Y ベア)組
1
32 E9302-729-0A0 XR ENC CABLE ASM.
XR ENC ケ−ブル(Y ベア)組
1
33 E9303-729-0A0 XL POWER CABLE ASM.
XL 電源ケ−ブル(Y ベア)組
1
34 E9304-729-0A0 XR POWER CABLE ASM.
XR 電源ケ−ブル(Y ベア)組
1
35 E9305-729-0A0 XR ENC X AXIS RELAY CABLE ASM.
XR ENC X 軸中継ケ−ブル組
1
36 E9306-729-0A0 POWER X AXIS RELAY CABLE ASM.
XR 電源 X 軸中継ケ−ブル組
1
37 E9307-729-0A0 X AXIS LMT CABLE ASM.
X 軸 LMT ケ−ブル(Y ベア)組
1
38 E9401-729-0A0 XL HOME POSITION SENSOR ASM.
XL 原点センサ組
1
39 E9402-729-0A0 XL MINUS LIMITER SENSOR ASM.
XL マイナスリミットセンサ組
1
40 E9403-729-0A0 XL PLUS LIMITER SENSOR ASM.
XL プラスリミットセンサ組
1
41 E9408-729-0A0 YL HOME POSITION SENSOR ASM.
YL 原点センサ組
1
42 E9409-729-0A0 YL MINUS LIMITER SENSOR ASM.
YL マイナスリミットセンサ組
1
43 E9410-729-0A0 YL PLUS LIMITER SENSOR ASM. + YL リミットセンサ(TRAY)組 1
44 E9411-729-0A0 YL PLUS LIMITER SENSOR ASM.
+ YL リミットセンサ(FEEDER)組
1
45 E9412-729-0A0 YR HOME POSITION SENSOR ASM.
YR 原点センサ組
1
46 E9415-729-0A0 CENT MOTOR(L) PULSE CABLE ASM.
CENT モ−タ(L)パルスケ−ブル組
1
47 E9417-729-0A0 BU MOTOR PULSE CABLE ASM.
BU モ−タパルスケ−ブル組
1
48 E9418-729-0A0 BU ENC (L) RELAY CABLE ASM.
BU ENC(L)中継ケ−ブル組
1
49 E9423-729-0A0 CENT MOTOR(L) RELAY CABLE ASM.
CENT モ−タ(L)中継ケ−ブル組
1
50 E9426-729-0A0 BU MOTOR (L) RELAY CABLE ASM.
BU モ−タ(L)中継ケ−ブル組
1
51
#04
E9429-729-0A0 MOTOR ADJUST CABLE ASM.
自動幅調モ−タ中継ケ−ブル組
1
52 E9420-729-0A0 ENC CABLE ASM.
自動幅調 ENC ケ−ブル組
1
53
#04
E9421-729-0A0 MOTOR PULSE CABLE ASM.
自動幅調モ−タパルスケ−ブル組
1
54
#05
E9429-729-HA0 MOTOR ADJUST CABLE ASM.
自動幅調モータ中継ケーブル組
1
55
#05
E9421-729-HA0 MOTOR PULSE CABLE ASM.
自動幅調モータパルスケーフル組
1
56 E9431-729-0A0 CENT MOTOR ASM. CENT モ−タ組 1
57 E9433-729-0A0 BU ENC ASM.
BU ENC 組
1
58 E9432-729-0A0 BU MOTOR ASM.
BU モ−タ組
1
59 E9434-729-0A0 WIDTH ADJUST MOTOR ASM.
自動幅調モ−タ組
1
60 E9640-729-000 MAGNESCALE DETECTOR (20)
マグネスケ−ルディテクタ(20)
2

- 117 -
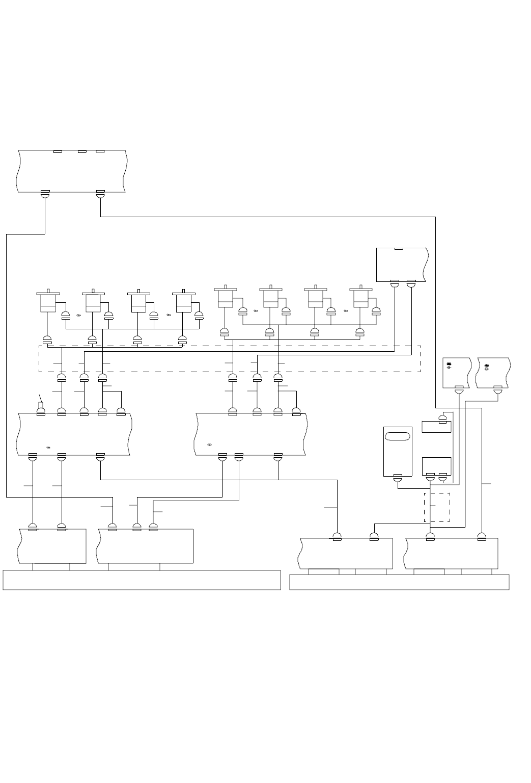
62.WIRING DIAGRAM (4)
WIRING DIAGRAM(4)
E1
E
I
P
C
C
2-1A
P6
AXIS0-1
P10
AXIS4-5
S6 -4 5
S6 -0 1
XMP0
(MAIN)
Z1 -C N 3
Z1 -C N 4
1-3B
CN3
CN4
CN8
Z1 -C N 8
Z DRIVER
(1)
6-1C
CN 7
CN 9
CN 6
CN 10
CN 11
Z1-CN7
Z1-CN9
Z1-CN6
Z1-CN10
Z1-CN11
CN201
CN202
CN225
89
CN211
CN210
CN209
CN212
CN229
CN230
CN231
CN232
Z1 MOTOR
1 MOTOR
Z2 MOTOR
2 MOTOR
X,Y CABLE
BEAR
15 17 19
1-3B
XMP1
(MAIN)
P10
AXIS4-5
P6
AXIS0-1
P6
AXIS2-3
S3 -4 5
S3 -0 1
S3 -2 3
11
12
10
1-3B
Z DRIVER
(1 )
Z2 -C N 3
Z2 -C N 4
Z2 -C N 8
CN3
CN4
CN8
6-1C
CN 11
CN 10
CN6
CN9
Z2-CN9
Z2-CN6
Z2-CN10
Z2-CN11
CN203
CN204
CN226
1816
20
1
7
3
5
24
6
CN213
CN214
CN215
CN216
CN 23 3
CN 23 4
CN 23 5
CN 23 6
Z3 MOTOR
3 MOTOR
Z4 MOTOR
4 MOTOR
CN802
CN803
CN 4
4- 1A
CN 2
CN 3
HEAD MAIN
PCB.
HEAD
PCB.
4- 2A
4- 1B
XMP
PCB.
2- 2D
1-3B
1-3B
MCM(L)
MCM(R)
MCM(L)
MCM(R)
13
MCM(L)
MCM(R)
14
X,Y CABLE
BEAR
LA(L)
LA(R)
MNLA
FMLA
E
V
M
1
P
P
2
1
P
P
2
1-3B
6- 1C
CN8
CN8
CN 9
CN 6
CN10
Z3-CN3
Z3-CN8
21

- 118 -
REF.NO NOTE PART NO D E S C R I P T I O N
品 名
Qty
1 E9285-729-0A0 1,2 MOTOR ENC CABLE ASM.
Z / θ 1,2 モ−タ ENC ケ−ブル組
1
2 E9286-729-0A0 3,4 MOTOR ENC CABLE ASM.
Z / θ 3,4 モ−タ ENC ケ−ブル組
1
3 E9289-729-0A0 HEAD I/O CABLE 1 ASM.
ヘッド I / O ケ−ブル 1組
1
4 E9290-729-0A0 HEAD I/O CABLE 2 ASM.
ヘッド I / O ケ−ブル 2組
1
5 E9293-729-0A0 1,2 POWER SOURCE CABLE ASM.
Z / θ 1,2電源ケ−ブル組
1
6 E9294-729-0A0 3,4 POWER SOURCE CABLE ASM.
Z / θ 3,4電源ケ−ブル組
1
7 E9523-729-0A0 Z LMT SHORT CONECTOR ASM.
Z LMT シヨ−トコネクタ組
1
8 E9701-729-000 Z/THETA 1 CTRL CABLE
Z / θ 1 CTRL ケ−ブル
1
9 E9702-729-000 Z/THETA 2 CTRL CABLE
Z / θ 2 CTRL ケ−ブル
1
10 E9703-729-000 Z/THETA 3 CTRL CABLE
Z / θ 3 CTRL ケ−ブル
1
11 E9705-729-000 Z/THETA 4 CTRL CABLE
Z / θ 4 CTRL ケ−ブル
1
12 E9707-729-000 Z/THETA 5 CTRL CABLE
Z / θ 5 CTRL ケ−ブル
1
13 E9723-729-000 THETA SHAFT ENC CABLE (L)
θ 軸 ENC ケ−ブル(L)
1
14 E9724-729-000 THETA SHAFT ENC CABLE (R)
θ 軸 ENC ケ−ブル(R)
1
15 E9308-729-0A0 Z THETA 1,2 ENC CABLE ASM.
Zθ 1,2 ENC ケ−ブル(ベア)組
1
16 E9309-729-0A0 Z THETA 3,4 ENC CABLE ASM.
Zθ 3,4 ENC ケ−ブル(ベア)組
1
17 E9312-729-0A0 HEAD I/O CABLE 1 ASM.
ヘッド I / O ケ−ブル 1(ベア)組
1
18 E9313-729-0A0 HEAD I/O CABLE 2 ASM.
ヘッド I / O ケ−ブル 2(ベア)組
1
19 E9316-729-0A0 Z THETA 1,2 POWER CABLE ASM.
Zθ 1,2電源ケ−ブル(ベア)組
1
20 E9317-729-0A0 Z THETA 3,4 POWER CABLE ASM.
Zθ 3,4電源ケ−ブル(ベア)組
1
21 E9320-729-0A0 LA(L) CABLE ASM.
LA(L)ケ−ブル組
1