KE-2010-Rev10.pdf - 第126页
- 12 1 - 6 4 .W IR IN G DI AG RA M (6 ) WIRING DIAGRAM(6) V E M P 1 P 2 1 P 2 P 1- 3B B ASE FE EDE R P CB. CN13 CN7 LS2- 13 LS2- 11 LS2- 7 LS2- 12 LS2- 9 LS2- 10 CN11 CN12 CN9 CN10 CN5 LS2- 5 LS2- 15 CN13 5-3A 45 46 11 1…

- 120 -
REF.NO NOTE PART NO D E S C R I P T I O N
品 名
Qty
1 E9580-729-0A0 IMG-CPU 232C CABLE ASM.
IMG − CPU 232 C ケーブル組
1
2 E9488-729-CA0 OCC CAMERA(L) RELAY CABLE ASM.
OCC カメラ(L)中継ケーブル組
1
3 E9422-729-CA0 OCC CAMERA (L) CABLE ASM.
OCC カメラ(L)ケーブル(ベア)組
1
4 E9623-721-000 PORTRAIT MONITOR CABLE
画像モニタケーブル
1
5 E9338-729-0A0 Z3,4 SENSOR CABLE ASM.
Z 3,4センサケ−ブル組
1
6 E9297-729-0A0 POWER SOURCE CABLE ASM.
画像モニタ電源ケ−ブル組
1
7 E9570-729-CA0 OCC LIGHT JUNCTION CABLE ASM.
OCC ライト分岐ケーブル組
1
8 E9441-729-CA0 OCC LIGHT (L) CABLE ASM.
OCC ライト(L)ケーブル(ベア)組
1
9 E9322-729-0A0 SERIAL PARALLEL CABLE ASM.
L ヘッド シリパラケ−ブル組
1
10 E9324-729-0A0 L HEAD POWER SOURCE CABLE ASM.
L ヘッド 電源ケ−ブル組
1
11 E9337-729-0A0 Z1,2 SENSOR CABLE ASM.
Z 1,2センサケ−ブル組
1
12 E9341-729-0A0 Z PRESSURE SENSOR CABLE ASM.
Z 圧力センサケ−ブル組
1
13 E9342-729-0A0 Z VACUUM CABLE ASM.
Z バキュ−ムケ−ブル組
1
14 E9343-729-0A0 Z BLOW CABLE ASM.
Z ブロ−ケ−ブル組
1
15 E9554-729-0A0 BAD MARK SENSOR ASM.
バッドマークセンサ組
1
16 E9576-721-0A0 HIGHT SENSOR CABLE 2 ASM.
ハイトセンサケ−ブル2組
1
17 E9340-729-0A0 Z REDUCE SPEED SENSOR ASM.
Z 減速センサ組
1
18 E9588-705-0A0 VRFY SV I/F CABLE ASM.
VRFY SV I / F ケ−ブル組
1
19 E9589-705-0A0 VRFY SV CABLE ASM.
VRFY SV ケ−ブル組
1
20 E9591-705-0A0 CABLE ASM.
VRFY プロ−ブケ−ブル組
1
21 E9323-729-0A0 SERIAL PARALLEL CABLE ASM.
L ヘッド シリパラケ−ブル(ベア)組
1
22 E9325-729-0A0 L HEAD POWER CABLE ASM.
L ヘッド 電源ケ−ブル(ベア)組
1
23 E9326-729-0A0 TEMPERATURE SENSOR CABLE ASM.
X 軸温度センサケ−ブル組
1
24 E9849-729-0A0 HEAD PWB I/F CABLE ASM.
ヘッド基板I/Fケーブル組
1

- 121 -
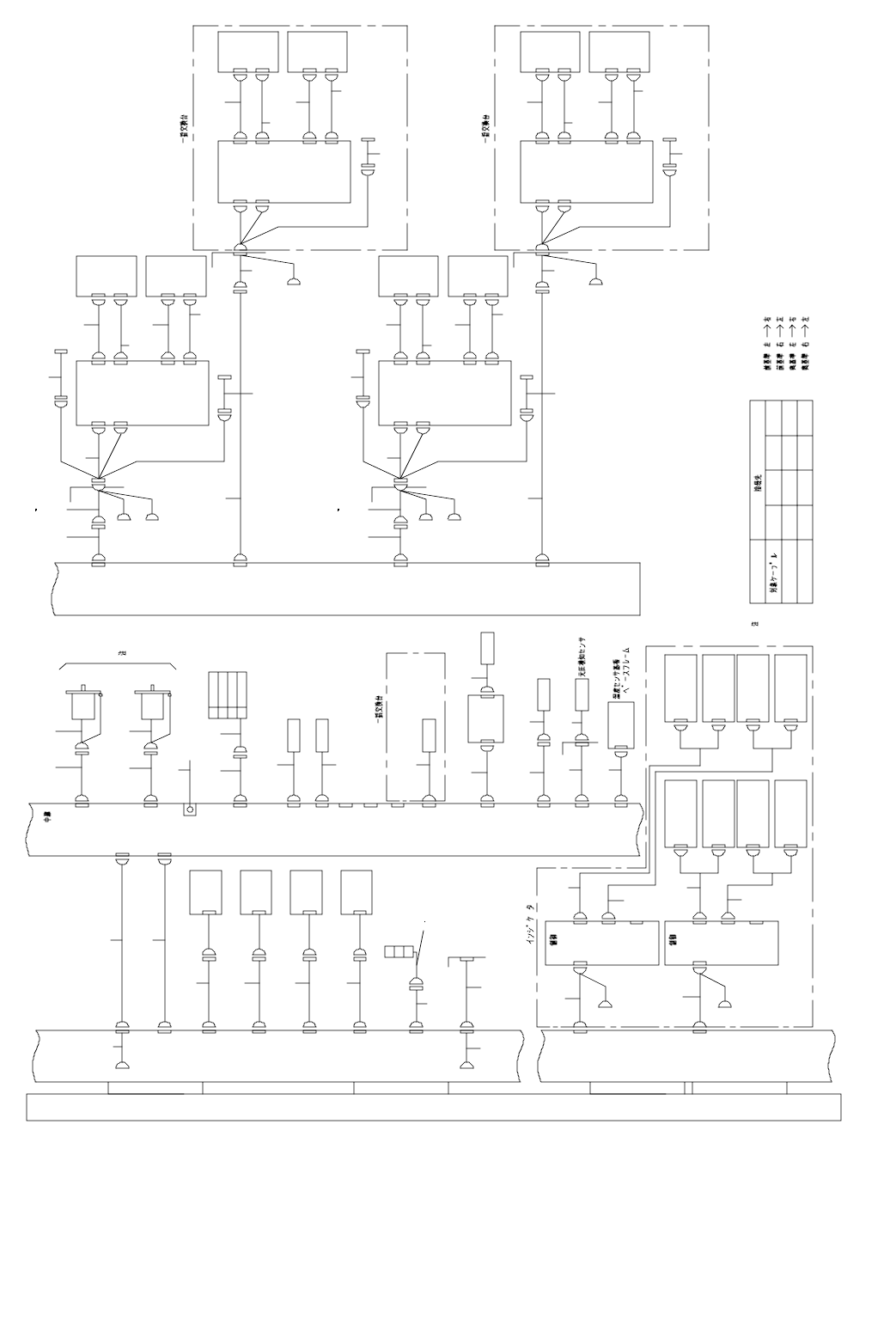
64.WIRING DIAGRAM (6)
WIRING DIAGRAM(6)
V
E
M
P
1
P
2
1
P
2
P
1-3B
BASE
FEEDER
PCB.
CN13
CN7
LS2-13
LS2-11
LS2-7
LS2-12
LS2-9
LS2-10
CN11
CN12
CN9
CN10
CN5
LS2-5
LS2-15CN13
5-3A
45
46
11 13
16 17 18 19
CN631
CN634
CN31
CN34
CN551
CN561
CN571
CN581
CN483
1
7
CN11
SIGNAL LIGHT
MTC I/F
(L)
FEEDER
(FL)
FEEDER
(FR)
FEEDER
(RL)
FEEDER
(RR)
2-4D
CARRY
PCB.
(CN6)
CN3
CN4
(CN5)
CN17
CN20
CN21
TB
CN603
(CN606)
(CN605)
CN604
CN671
CN670
CN672
CN617
CN620
CN621
TB 2
30
47
31
48
32
33
14
49 50
( )1
IN MOTOR
OUT MOTOR
SV
STOPPER
SHAPE(X)
SHAPE(Y)
AT C
ATC OPEN(L)
ATC CLOSE(L)
CN38
CN36
CN42
CN43
CN35
6-2A
CN638
CN636
CN642
CN643
CN635
51
OPTION( )
BANK UP
SENSOR(RL)
CN491
CN669
CN08
CAL S.V
CAL VACUUM
SENSOR
( )
CAL PCB.
CN2CN 1
25 27
12 29
26
15
28
7-1A
4-1B
I/O CTRL
PCB.
CN7
CN6
LS3-7
LS3-6
CN539
CN529
42
39
CN531
CN521
CN4
CN3
CN4
CN3
FP I
PCB.(R)
FP I
PCB.(F)
CN 1
CN 1
OPTION(FP - )
CN524
CN523
CN524
CN523
43
44
40
41
CN541
CN551
CN561
CN571
CN1
CN1
CN1
CN1
FPI LED
PCB.
(F1-1)
FPI LED
PCB.
(F1-2)
FPI LED
PCB.
(F2-1)
FPI LED
PCB.
(F2-2)
CN541
CN551
CN561
CN571
CN1
CN1
CN1
CN1
FPI LED
PCB.
(R2-1)
FPI LED
PCB.
(R3-1)
FPI LED
PCB.
(R3-2)
FPI LED
PCB.
(R2-2)
(
)1
FL FR RL RR
E9453
E9455
CN 3
CN 4 C N5
CN6
CN 5
CN 6
CN4
CN3
FL:
FR:
RL:
RR:
5-1C
BASE
FEEDER
PCB.
CN 1
CN 2
CN 3
CN 4
LS2-1
LS2-2
LS2-4
CN501 CN04
CN502
CN505
PWR
(1-4B)
PWR
(1-4B)
CN1
CN2
CN662
CN661
CN507
CN649
CN9-1
CN10-1
CN9-2
CN10-2
10 52
2
8
3
24
CN11
CN669-1
CN670-1
CN669-2
CN670-2
CN761
CN751
CN760
CN761
20 22
21
23
IC FULL
9
FEEDER
BANK
PCB.
(FL)
FEEDER
BANK
PCB.
(FR)
CN304
PW R
(1-5C)
CN303
6
CN10 CN662
CN661
CN10-1
CN9-1
CN9-2
CN10-2
FEEDER I/F
PCB.
(F)
CN 6 4 9
CN670-1
CN669-1
CN669-2
CN670-2
CN750
CN750
CN751
CN760
34 36
35
37
IC FULL
FEEDER
BANK
PCB.
(FL)
FEEDER
BANK
PCB.
(FR)
OPTION(
(F))
10 52
CN670-1
CN662
CN10-2
23
CN1
CN661
21
24
4
CN750
CN2
CN501
8
CN11
FEEDER
BANK
PCB.
(RL)
9
LS2-3
CN669-2
CN670-2
CN649
CN507
20
CN502
CN505
CN04
FEEDER
BANK
PCB.
(RR)
CN9-2
CN751
IC FULL
CN10-1
CN9-1
CN669-1
CN761
CN760
22
PWR
(1-4B)
PWR
(1-4B)
5
FEEDER I/F
PCB.
(R)
FEEDER I/F
PCB.
(F)
CN303 CN10
6
PW R
(1-4B)
CN304
FEEDER
BANK
PCB.
(RL)
CN751
CN661
CN10-2
CN750
CN760
CN669-1
CN670-2
CN669-2
CN670-1
34 36
35
CN 6 4 9
37
IC FULL
CN761
CN9-1
CN10-1
FEEDER
BANK
PCB.
(RR)
CN662
OPTION( (R))
FEEDER I/F
PCB.
(R)
CN9-2
38
CN 2
CN 1
CN2
CN1
38
53
54

- 122 -
NOTE( 注記 ) #01....FOR EN EN 用
REF.NO NOTE PART NO D E S C R I P T I O N
品 名
Qty
1 E9352-729-0A0 SIGNAL LIGHT RELAY CABLE ASM.
パトライト中継ケ−ブル組
1
2 E9353-729-0A0 I/F(F) RELAY CABLE ASM.
バンク I / F(F)中継ケ−ブル組
1
3 E9750-729-0A0 CABLE ASM.
BUSY 信号分岐ケーブル組
1
4 E9355-729-0A0 I/F(R) RELAY CABLE ASM.
バンク I / F(R)中継ケ−ブル組
1
5 E9750-729-0A0 CABLE ASM.
BUSY 信号分岐ケーブル組
1
6 E9569-729-0A0 I/F CABLE ASM.
旧一括交換台 I / F ケ−ブル組
1
7 E9573-729-0A0 MTC I/F(L) CABLE ASM.
MTC I / F(L)ケ−ブル組
1
8 E9530-729-0A0 BANK CABLE ASM.
バンクケ−ブル組
1
9 E9532-729-0A0 CUTTER POWER SOURCE CABLE ASM.
カッタ電源ケ−ブル組
1
10 E9363-729-0A0 BANK RELAY CABLE ASM.
バンク中継ケ−ブル組
1
11 E9437-729-0A0 FEEDER SENSOR CABLE ASM.
フィ−ダセンサケ−ブル組
1
12 E9438-729-0A0 RELAY CABLE ASM.
元圧検出センサ中継ケ−ブル組
1
13 E9452-729-0A0 CORRESPONDENCE CABLE ASM.
温度センサ通信ケ−ブル組
1
14 E9457-729-0A0 CONVEYOR MOTOR FG CABLE ASM.
搬送モ−タ FG ケ−ブル組
1
15 E9403-725-0A0 PRESSURE SENSOR CABLE ASM.
減圧検知ケ−ブル組
1
16 E9726-729-000 FEEDER CABLE (FL)
フィ−ダケ−ブル(FL)
1
17 E9727-729-000 FEEDER CABLE (FR)
フィ−ダケ−ブル(FR)
1
18 E9728-729-000 FEEDER CABLE (RL)
フィ−ダケ−ブル(RL)
1
19 E9729-729-000 FEEDER CABLE (RR)
フィ−ダケ−ブル(RR)
1
20 E9378-721-0A0 FEEDER BANK CABLE 5 ASM
フィ−ダバンクケ−ブル5組
1
21 E9384-721-0A0 FEEDER BANK DC CABLE 5 ASM.
フィ−ダバンク DC ケ−ブル5組
1
22 E9379-721-0A0 FEEDER BANK CABLE 6 ASM.
フィ−ダバンクケ−ブル6組
1
23 E9385-721-0A0 FEEDER BANK DC CABLE 6 ASM.
フィ−ダバンク DC ケ−ブル6組
1
24 E9395-721-0A0 IC FULL RELAY CABLE 3 ASM.
IC FULL 中継ケ−ブル 3組
1
25 E9443-729-0A0 CAL LIGHT ON RELAY CABLE ASM.
CAL ライト ON 中継ケ−ブル組
1
26 E9367-725-0A0 CAL VACUUM ON CABLE ASM.
CAL バキュ−ム ON ケ−ブル組
1
27 E9444-729-0A0 VACUUM SENSOR RELAY CABLE ASM.
CAL バキュ−ムセンサ中継ケ−ブル組
1
28 E9445-729-0A0 CAL VACUUM SENSOR ASM.
CAL バキュ−ムセンサ組
1
29 E9540-729-0A0 SENSOR CABLE ASM.
ベース温度センサケーブル組
1
30 E9453-729-0A0 IN MOTOR RELAY CABLE ASM.
IN モ−タ中継ケ−ブル組
1
31 E9455-729-0A0 OUT MOTOR RELAY CABLE ASM.
OUT モ−タ中継ケ−ブル組
1
32 E9450-729-0A0 CONVEYOR SV RELAY CABLE ASM.
搬送 SV 中継ケ−ブル組
1
33 E9451-729-0A0 CONVEYOR S.V. CABLE ASM.
搬送 S.V.ケ−ブル組
1
34 E9378-721-0A0 FEEDER BANK CABLE 5 ASM
フィ−ダバンクケ−ブル5組
1
35 E9384-721-0A0 FEEDER BANK DC CABLE 5 ASM.
フィ−ダバンク DC ケ−ブル5組
1
36 E9379-721-0A0 FEEDER BANK CABLE 6 ASM.
フィ−ダバンクケ−ブル6組
1
37 E9385-721-0A0 FEEDER BANK DC CABLE 6 ASM.
フィ−ダバンク DC ケ−ブル6組
1
38 E9395-721-0A0 IC FULL RELAY CABLE 3 ASM.
IC FULL 中継 ケ−ブル 3組
1
39 E9552-729-0A0 FPI CONTROL CABLE (F) ASM.
FPI 制御ケーブル(F)組
1
40 E9557-729-0A0 FPI LED CABLE (1) ASM.
FPI LED ケーブル(1)組
1
41 E9551-729-0A0 FPI LED CABLE (2) ASM.
FPI LED ケーブル(2)組
1
42 E9553-729-0A0 FPI CONTROL CABLE (R) ASM.
FPI 制御ケーブル(R)組
1
43 E9557-729-0A0 FPI LED CABLE (1) ASM.
FPI LED ケーブル(1)組
1
44 E9551-729-0A0 FPI LED CABLE (2) ASM.
FPI LED ケーブル(2)組
1
45 E9351-729-0A0 MTC I/F(L) RELAY CABLE ASM.
MTC I / F(L)中継ケ−ブル組
1
46 E9436-729-0A0 FEEDER SENSOR RELAY CABLE ASM.
フィ−ダセンサ中継ケ−ブル組
1
47 E9454-729-0A0 IN MOTOR ASM.
IN モ−タ組
1
48 E9456-729-0A0 OUT MOTOR ASM.
OUT モ−タ組
1
49 E9446-729-BA0 ATC OPEN SENSOR (L) ASM.
ATC OPEN センサ(L)組
1
50 E9447-729-BA0 ATC CLOSE SENSOR (L) ASM.
ATC CLOSE センサ(L)組
1
51 E9377-729-0A0 BANK UP SENSOR (RR) ASM.
バンクアップセンサ(RR)組
1
52
#01
E9363-729-HA0 BANK RELAY CABLE ASM.
バンク中継ケーブル組
1
53 E9575-729-0A0 SIGNAL TOWER ASM.
シグナルタワ−組
1
54 E9576-729-0A0 SIGNAL TOWER BUZZER ASM.
シグナルタワ− ブザ−組
1