P-0188-003.pdf - 第169页
Key No. P AR T No. P AR T NAME Q’ty REMARKS NOTE MODEL TCM-X1 10J 0306-001 167 102 630 091 4023 GUIDE,LINEAR 1 810KB-010-102 103 630 092 9942 PLA TE,LOCA TE 1 810KB-010-103 104 630 038 5663 PIN,LOCA TE 1 810KB-010-104 10…

MODEL TCM-X110J
0306-001
166
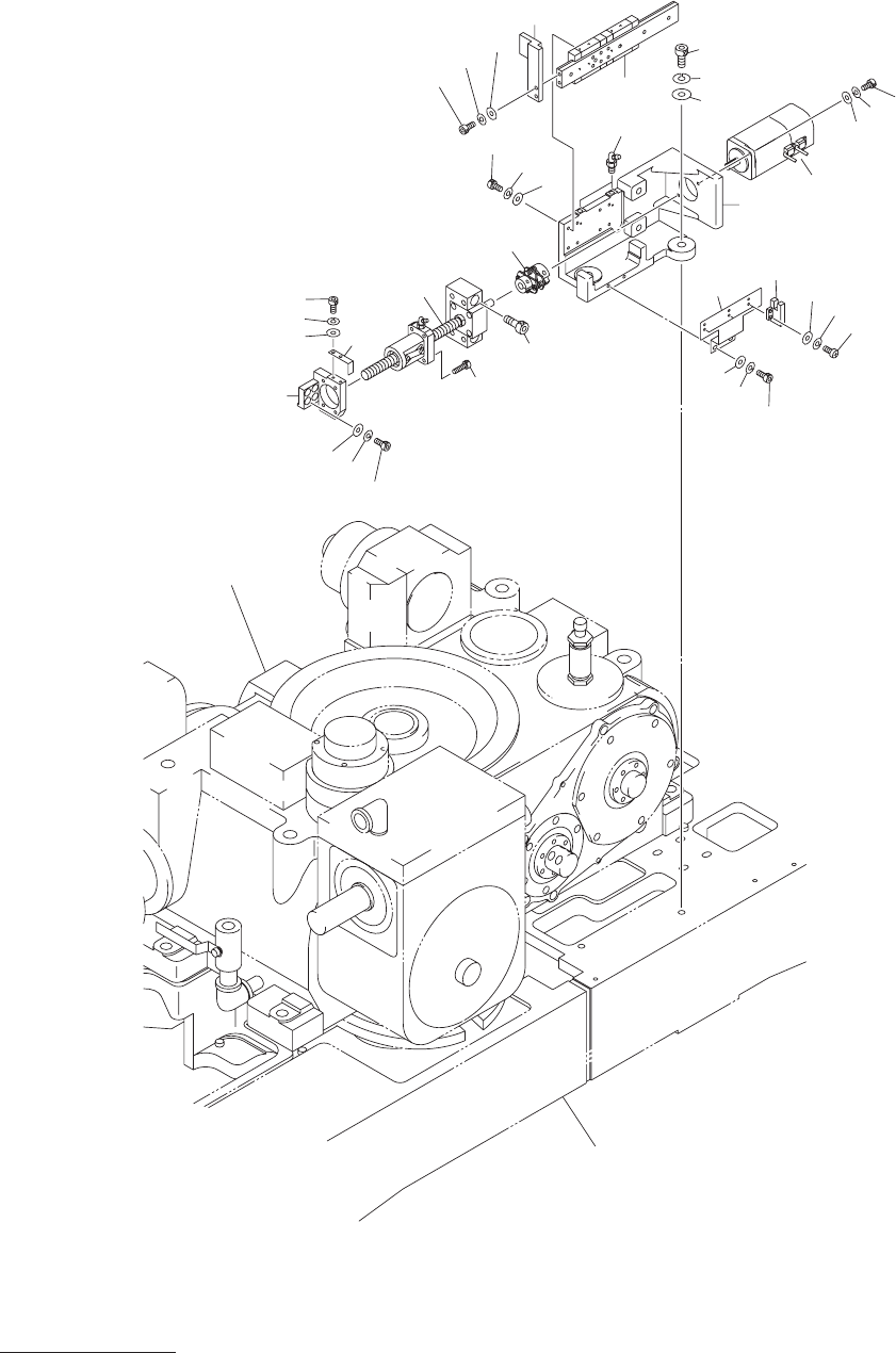
ヘッド駆動ユニット
HEAD DRIVING UNIT
Fig. KB-2
吸着上下部
Pick-up Leveller
131
133
135
134
128
136
132
114
11
2
111
11
0
123
108
11
7
127
126
125
124
11
8
11
9
120
121
122
11
5
116
105
106
107
108
144
143
145
146
102
149
148
147
103
109
104
See Fig.B-1
Key No.1
113

Key No. PART No. PART NAME Q’ty REMARKS
NOTE
MODEL TCM-X110J
0306-001
167
102 630 091 4023 GUIDE,LINEAR 1 810KB-010-102
103 630 092 9942 PLATE,LOCATE 1 810KB-010-103
104 630 038 5663 PIN,LOCATE 1 810KB-010-104
105 630 038 5687 PIN,LOCATE 1 810KB-010-105
106 630 001 1241 BEARING,RADIAL 2 R-1560ZZ 810KB-010-106
107 411 001 0003 RING E 4 2 810KB-010-107
108 630 000 8920 SET SCREW 2 810KB-010-108
109 630 084 5792 CAM FOLLOWER 1 #99401-083 810KB-010-109
110 411 141 4008 WASHER V 4X9X0.8 2 810KB-010-110
111 411 141 2905 WASHER SPR 4 2 810KB-010-111
112 630 000 7619 BOLT,HEX-SCT 2 810KB-010-112
113 630 000 8944 SET SCREW 1 810KB-010-113
114 411 141 3902 WASHER V 3X7X0.5 4 810KB-010-114
115 411 141 2806 WASHER SPR 3 4 810KB-010-115
116 630 000 7510 BOLT,HEX-SCT 4 810KB-010-116
117 630 093 0214 GUIDE,LINEAR 1 810KB-010-117
118 630 000 7626 BOLT,HEX-SCT 2 810KB-010-118
119 630 092 9881 PLATE 1 810KB-010-119
120 411 141 4008 WASHER V 4X9X0.8 8 810KB-010-120
121 411 141 2905 WASHER SPR 4 8 810KB-010-121
122 630 000 7626 BOLT,HEX-SCT 8 810KB-010-122
123 630 092 9959 PLATE 1 810KB-010-123
124 630 086 4113 PLATE 1 810KB-010-124
125 411 141 4008 WASHER V 4X9X0.8 2 810KB-010-125
126 411 141 2905 WASHER SPR 4 2 810KB-010-126
127 630 000 7633 BOLT,HEX-SCT 2 810KB-010-127
128 630 048 7787 BOLT 2 810KB-010-128
131 630 098 5399 COLLAR 1 810KB-010-131
132 630 116 7404 SPRING,COMP 1 810KB-010-132
133 630 099 1062 GUIDE,LINEAR 1 810KB-010-133
134 411 141 4305 WASHER V 6X12.5X1.6 2 810KB-010-134
135 411 141 3001 WASHER SPR 6 2 810KB-010-135
136 630 000 7909 BOLT,HEX-SCT 2 810KB-010-136
143 630 086 4144 PLATE 1 810KB-010-143
144 411 141 3902 WASHER V 3X7X0.5 2 810KB-010-144
145 411 141 2806 WASHER SPR 3 2 810KB-010-145
146 630 000 7503 BOLT,HEX-SCT 2 810KB-010-146
147 411 141 4305 WASHER V 6X12.5X1.6 3 810KB-010-147
148 411 141 3001 WASHER SPR 6 3 810KB-010-148
149 630 000 7886 BOLT,HEX-SCT 3 810KB-010-149
KB-2

MODEL TCM-X110J
0507-002
168
ヘッド駆動ユニット
HEAD DRIVING UNIT
Fig. KB-3
装着上下補正部
Placement Leveller Adjuster
205
208
203
209
210
204
206
202
245
201
221
235
242
215
217
231
224
241
240
238
237
236
239
222
223
211
212
213
214
See Fig.B-1
Key No.1
See Fig.L-1
Key No.12
220
233
234
232
216
219
218
225