JM-100_维修调整要领书.pdf - 第151页
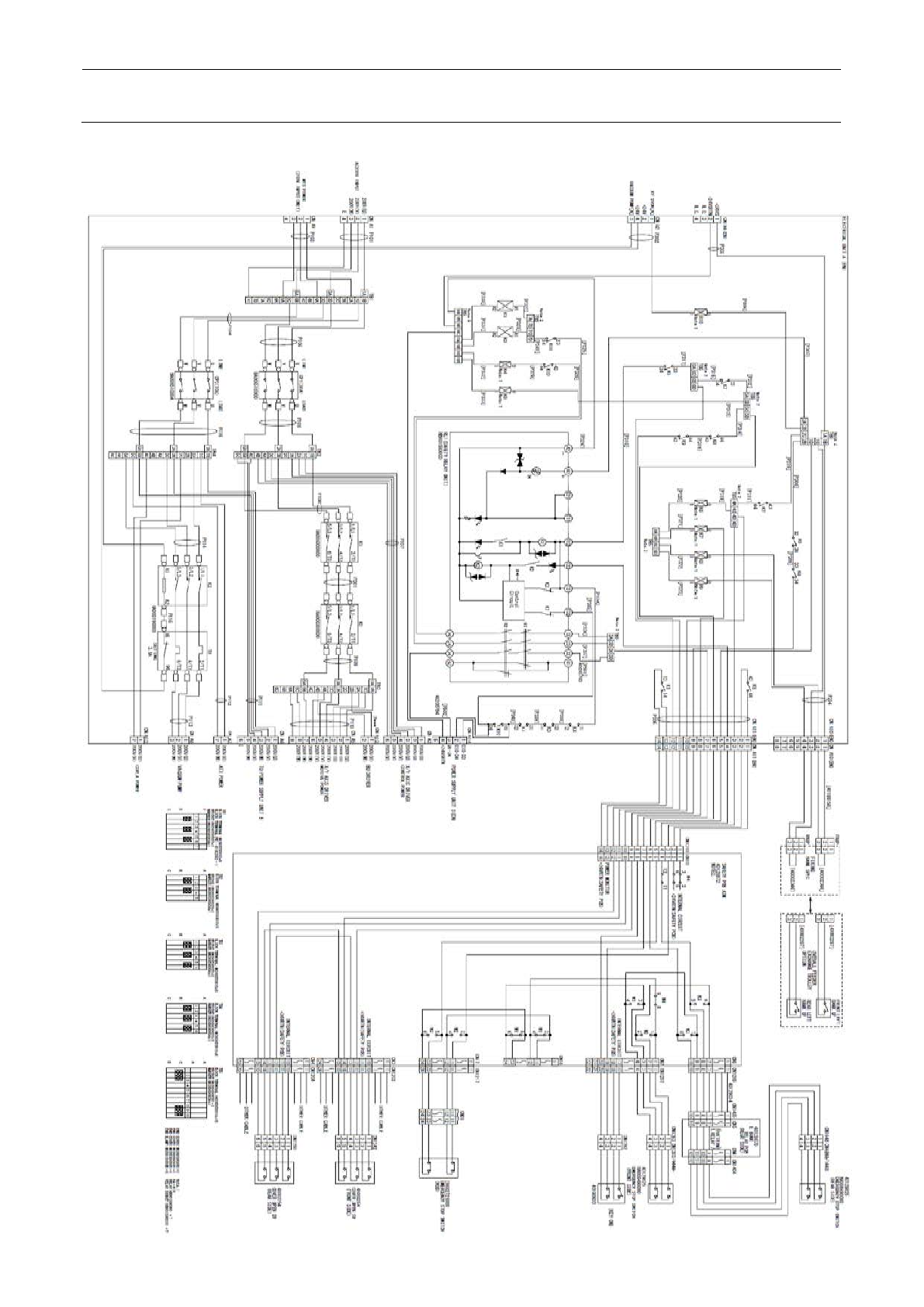
维修调整要领书 11 -9 11 -2- 2 电气装置单元 B 电 气装置 单元 B 实际安装在 底座框架的 装置左下部 。 图 11 -2-2-1-1 ~图 11 -2-2-1-2 为外观图, 图 11 -2-2-1-3 为构成图。 图 12 -2-2-1-4 ~图 11 -2-2- 1-6 为 EU 连接图及 P OW E R 基板电路图。 电气 设备单 元 B 由 DC 电源、控制用 继电器、 电 路保 护 器等 构成,向各装 置…

维修调整要领书
11-8
图
11-2-1-2-4 PSU A WIRING DIAGRAM [EN]

维修调整要领书
11-9
11-2-2
电气装置单元
B
电气装置单元 B 实际安装在底座框架的装置左下部。
图 11-2-2-1-1~图 11-2-2-1-2 为外观图,图 11-2-2-1-3 为构成图。
图 12-2-2-1-4~图 11-2-2-1-6 为 EU 连接图及 POWER 基板电路图。
电气设备单元 B 由 DC 电源、控制用继电器、电路保护器等构成,向各装置(Zθ 单元的 Head 单元,
台架,供料器等)供给 DC 电源。
各 DC 电源的用途如下。调整值请参见 QA 表 DC 电源输出电压进行调整。
・+24V(PS1) 通用(控制单元外基板、驱动器等用)
・+24VZ(PS2) Z,ZA,T 伺服放大器控制用
・+24V F BANK 为前侧台架(供料器)
・+24V R BANK 为后侧台架(供料器)
・+48V(PS3) Z,ZA,T 轴伺服马达动力用
11-2-2-1
电气装置单元
B (ST)
构成
图
11-2-2-1-1
电气装置单元
B (ST)
的外观图

维修调整要领书
11-10
图
11-2-2-1-2
电气装置单元
B (ST)
的正面图
(
前盖取下的状态
)
图
11-2-2-1-3
电气装置单元
B (ST)
的背面图
5