KE-2030-Rev08.pdf - 第123页
- 118 - REF.NO NOTE PART NO D E S C R I P T I O N 品 名 Qty 1 E9285-729- AA0 1,2 MOTOR ENC CABLE ASM. Z / θ 1,2モ−タ ENC ケ−ブル組 1 2 E9286-729- AA0 3,4 MOTOR ENC CABLE ASM. Z / θ 3,4モ−タ ENC ケ−ブル組 1 3 E9287-729- AA0 5,6 MOTOR E…

- 117 -
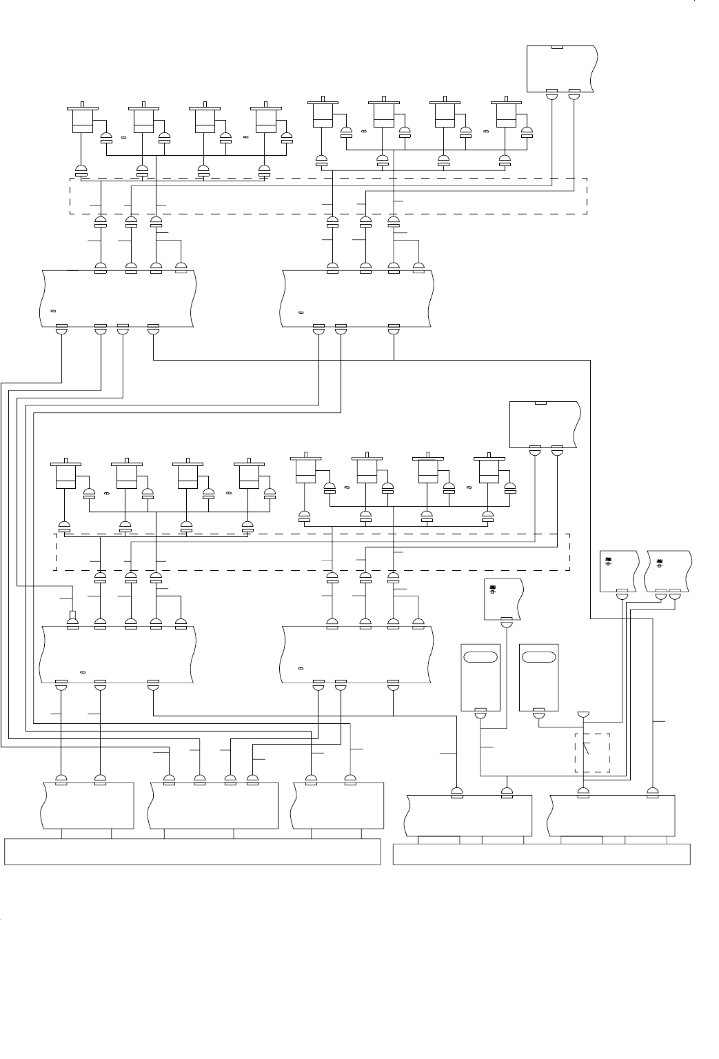
62.WIRING DIAGRAM (4)
WIRING DIAGRAM(4)
E
I
P
C
C
2-1A
P6
AXIS0-1
P10
AXIS4-5
S6-45
S6-01
XMP0
(MAIN)
Z1-CN3
Z1-CN4
1-3B
CN3
CN4
CN8
Z1-CN8
Z DRIVER
(1)
6-1C
CN7
CN9
CN6
CN10
CN11
Z1-CN7
Z1-CN9
Z1-CN6
Z1-CN10
Z1-CN11
CN201
CN202
CN225
11 12
CN211
CN210
CN209
CN212
CN229
CN230
CN231
CN232
Z1 MOTOR
1 MOTOR
Z2 MOTOR
2 MOTOR
X,Y CABLE
BEAR
18 20 22
1-3B
XMP1
(MAIN)
P10
AXIS4-5
P6
AXIS0-1
P6
AXIS2-3
S3-45
S3-01
S3-23
14
15
13
1-3B
Z DRIVER
(2)
Z2-CN3
Z2-CN4
Z2-CN8
CN3
CN4
CN8
6-1C
CN11
CN10
CN6
CN9
Z2-CN9
Z2-CN6
Z2-CN10
Z2-CN11
CN203
CN204
CN226
21
19
23
14
7
25
8
CN213
CN214
CN215
CN216
CN233
CN234
CN235
CN236
Z3 MOTOR
3 MOTOR
Z4 MOTOR
4 MOTOR
CN802
CN803
CN4
4-1A
CN2
CN3
HEAD MAIN
(L)
HEAD
(R)
4-2A
4-1B
XMP
PCB.
2-2D
1-3B
1-3B
MCM(L)
MCM(R)
MCM(L)
MCM(R)
16
MCM(L)
MCM(R)
17
XR,YR CABLE
BEAR
LA(L)
MNLA(R)
E
V
M
1
P
P
2
1
P
P
2
34
24
6-1C
CN803
CN4
34
CN204
CN226
Z2-CN9
Z2-CN6
Z2-CN10
Z2-CN11
8 MOTOR
Z8 MOTOR
CN236
7 MOTOR
CN802
CN231
CN230
CN229
CN225
5 MOTOR
Z1-CN9
CN202
Z1-CN6
CN201
Z1-CN10
Z1-CN11
CN11
6-1C
1-3B
Z5 MOTOR
CN4
CN211
CN212
CN3
CN8
CN210
CN209
Z1-CN8
Z DRIVER
(3)
CN203
CN232
Z7 MOTOR
XR,YL CABLE
BEAR
CN9
Z1-CN4
Z1-CN3
CN6
CN10
CN11
Z6 MOTOR
CN234
26
6 MOTOR
CN233
CN235
25 27
Z2-CN4
Z2-CN3
CN8
Z2-CN8
CN4
CN3
Z DRIVER
(4)
1-3B
35
CN10
CN6
CN9
33
CN214
CN213
37
36
10
CN215
9
CN216
36
4-1A
CN2
CN3
HEAD MAIN
(R)
PCB.
28
XMP1
(SUB)
CN7
MNLA(L)
HEAD
(L)
4-2A
29
30
31
32

- 118 -
REF.NO NOTE PART NO D E S C R I P T I O N
品 名
Qty
1 E9285-729-AA0 1,2 MOTOR ENC CABLE ASM.
Z / θ 1,2モ−タ ENC ケ−ブル組
1
2 E9286-729-AA0 3,4 MOTOR ENC CABLE ASM.
Z / θ 3,4モ−タ ENC ケ−ブル組
1
3 E9287-729-AA0 5,6 MOTOR ENC CABLE ASM.
Z / θ 5,6モ−タ ENC ケ−ブル組
1
4 E9289-729-AA0 HEAD I/O CABLE 1 ASM.
ヘッド I / O ケ−ブル1組
1
5 E9290-729-AA0 HEAD I/O CABLE 2 ASM.
ヘッド I / O ケ−ブル2組
1
6 E9291-729-AA0 HEAD I/O CABLE 3 ASM.
ヘッド I / O ケ−ブル3組
1
7 E9293-729-AA0 1,2 POWER SOURCE CABLE ASM.
Z / θ 1,2 電源ケ−ブル組
1
8 E9294-729-AA0 3,4 POWER SOURCE CABLE ASM.
Z / θ 3,4 電源ケ−ブル組
1
9 E9295-729-AA0 5,6 POWER SOURCE CABLE ASM.
Z / θ 5,6 電源ケ−ブル組
1
10 E9319-729-AA0 Z THETA 7,8 POWER CABLE ASM.
Zθ 7,8 電源ケ−ブル組
1
11 E9701-729-A00 Z/THETA 1 CTRL CABLE
Z / θ 1 CTRL ケ−ブル
1
12 E9702-729-A00 Z/THETA 2 CTRL CABLE
Z / θ 2 CTRL ケ−ブル
1
13 E9703-729-A00 Z/THETA 3 CTRL CABLE
Z / θ 3 CTRL ケ−ブル
1
14 E9705-729-A00 Z/THETA 4 CTRL CABLE
Z / θ 4 CTRL ケ−ブル
1
15 E9707-729-A00 Z/THETA 5 CTRL CABLE
Z / θ 5 CTRL ケ−ブル
1
16 E9723-729-A00 THETA SHAFT ENC CABLE(L)
θ 軸 ENC ケ−ブル(L)
1
17 E9724-729-A00 THETA SHAFT ENC CABLE(R)
θ 軸 ENC ケ−ブル(R)
1
18 E9308-729-AA0 Z THETA 1,2 ENC CABLE ASM.
Zθ 1,2 ENC ケ−ブル組
1
19 E9309-729-AA0 Z THETA 3,4 ENC CABLE ASM.
Zθ 3,4 ENC ケ−ブル組
1
20 E9312-729-AA0 HEAD I/O CABLE 1 ASM.
ヘッド I / O ケ−ブル1(ベア)組
1
21 E9313-729-AA0 HEAD I/O CABLE 2 ASM.
ヘッド I / O ケ−ブル2組
1
22 E9316-729-AA0 Z THETA 1,2 POWER CABLE ASM.
Zθ 1,2 電源ケ−ブル組
1
23 E9317-729-AA0 Z THETA 3,4 POWER CABLE ASM.
Zθ 3,4 電源ケ−ブル組
1
24 E9321-729-AA0 LA(R) CABLE ASM.
LA(R)ケ−ブル組
1
25 E9310-729-AA0 Z THETA 5,6 NEC CABLE ASM.
Zθ 5,6 ENC ケ−ブル組
1
26 E9314-729-AA0 HEAD I/O CABLE 3 ASM.
ヘッド I / O ケ−ブル3組
1
27 E9318-729-AA0 Z THETA 5,6 POWER CABLE ASM.
Zθ 5,6 電源ケ−ブル組
1
28 E9708-729-A00 Z/THETA 6 CTRL CABLE
Z / θ 6 CTRL ケ−ブル
1
29 E9709-729-A00 Z/THETA 7 CTRL CABLE
Z / θ 7 CTRL ケ−ブル
1
30 E9710-729-A00 Z/THETA 8 CTRL CABLE
Z / θ 8 CTRL ケ−ブル
1
31 E9320-729-AA0 LA(L) CABLE ASM.
LA(L)ケ−ブル組
1
32 E9522-729-AA0 Z LMT RELAY CABLE ASM.
Z LMT 中継ケ−ブル組
1
33 E9288-729-AA0 7,8 MOTOR ENC CABLE ASM.
Z / θ 7,8モ−タ ENC ケ−ブル組
1
34 E9292-729-AA0 HEAD I/O CABLE 4 ASM.
ヘッド I / O ケ−ブル4組
1
35 E9296-729-AA0 7,8 POWER SOURCE CABLE ASM.
Zθ 7,8 電源ケ−ブル組
1
36 E9311-729-AA0 Z THETA 7,8 NEC CABLE ASM.
Zθ 7,8 ENC ケ−ブル組
1
37 E9315-729-AA0 HEAD I/O CABLE 4 ASM.
ヘッド I / O ケ−ブル4組
1

- 119 -
63.WIRING DIAGRAM (5)
WIRING DIAGRAM(5)
M
E
V
OPTION( )
AMP
PCB.
13
2
P
P
1-3B
5-1C
I/O CTRL
PCB.
LS3-9
CN9
XL,YR CABLE
BEAR
3
1
CN245
CN805
5
XL CABLE BEAR
(X
)
CN6
CN5
3-2D
6-1A
XMP
PCB.
CN9
LS3-9
CN806
CN246
CN801
CN1
2
XL,YR CABLE
BEAR
4
AMP
OPTION(
)
12
CN10
CN860
8-2C
CN868
CN18 CN1
Z1/2
7
CN9
PCB.
Z1
14
Z1
14 9
Z1
(CN5)
CN8
CN6
(CN2)
(CN7)
CN3
CN4
(CN8)
(CN9)
CN5
CN2
(CN6)
(CN3)
CN7
(CN4)
10 911 1110
Z1
3-3D 3-2D
HEAD
MAIN
PCB.
HEAD
PCB.
Z2
Z2
Z2
Z2
1
CN17
CN9
XSTOPSENSOR
6
1110
Z3
CN867
(CN4)
CN7
(CN3)
CN2
CN5
CN4
CN3
(CN2)
9
CN1
15
Z4
CN9
10 11
Z4
CN6
CN8
(CN5)
Z3
914
Z3
14
Z3
PCB.
Z4
Z4
OPTION( )
HEAD
MAIN
PCB.
6-1A
1110
Z5
CN868
(CN4)
CN7
(CN3)
(CN6)
CN2
CN5
(CN9)
(CN8)
CN4
CN3
(CN7)
(CN2)
3-2D
CN246
9
CN1
3-2D
8-2C
7
CN806
AMP
CN6
Z6
CN801
CN4
CN9
10
Z1/2
LS3-9
11
Z6
CN6
CN8
(CN5)
Z5
914
Z5
14
HEAD
PCB.
2
CN9
13
PCB.
1
CN860
3-3D
M
E
V
AMP
P
Z5
P
PCB.
18
1-3B
5-1C
I/O CTRL
PCB.
LS3-9
CN245
CN1
XR,YL CABLE
BEAR
19
17
XR,YL CABLE
BEAR
CN10
16
CN18
12
OPTION( )
XMP
PCB.
Z8
Z8
PCB.
Z7
14
Z7
14 9
Z7
(CN5)
CN8
CN6
Z8
1110
CN9
Z8
15
CN1
9
Z6
Z6
(CN2)
CN4
CN867
Z7
11
8
X SLOW SENSOR
(CN4)
10
CN7
CN17
CN9
CN3
(CN3)
CN2
CN5
20
CN10
CN6
21