5M-1751-004w_G5S.pdf - 第135页
4-10 5OM-1751 Integrated Block Diagram (Details B) 1305-002A(21010W A--1001) 410051 1C5E 410051 1C5E 210101 1C83(3.5m) 210101 1C84 ( 2.5m ) 410051 1C5E UC18 UB95 UC34 KB-STP-03LB ( 3m ) KB-STP-03LB ( 3m ) KB-STP-03LB ( 3…

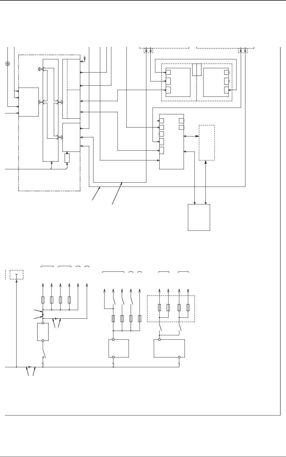
4-9
5OM-1751
1305-002A(21010WA--1001)
Integrated Block Diagram (Details A)
1 2 3 4 5 6
4100511C6S
3101016D01
3100516D19
USB-AM-AM-2:2M(MiSUMIi)
KR-ECM15(SANWA SUPPLY)
G5はG4W2002692/KRS433XF-07K
44W2004737
44W2004737
3101011C6W
(2m)
4100511C5U
KC-VMH2:2M(SANWA SUPPLY)
4100511C5X
CAC-DVSL50BK:5M(ELECOM)
4100511C6T
USB-AM-AM-5:5M(MiSUMIi)
G4W2003562
KB-STP-005LB:0.5M(SANWA SUPPLY)
No.20 No.21
No.104
No.105
No.103 No.104
No.80
No.80
44W2004587
(3m)
F200
Q221
K28
Q205
K29
M66
G2
F13
48D3A
3
U82
I/OSSCNET
SSCNET3
SSCNET3
Z2
3φ AC200V-AC400
3
M
3
K33A
LAN2
CPU
U91
DVI
LAN1
U92
PIO
CAM
U93
U178
USB HUB
N74F
N76
N75
Option
Option
2CH1CH 2CH1CH
K10
K33B
B36(1)
B36(2)
LAN- CPU1
(B) (F)
Q206
AC-DC Adapter
LAN
LAN
G4W2003562
USB
USB
U94
PIO
CAM
Option
PIO
CAM
KB-STP-005LB
(SANWA SUPPLY)
Equivalent to G5
USB3
USB11
COM1 COM2
RS232C
3
Z1
Noise Filter
N74B
Q200
PCI-bus
PCIe-bus
D89 SSD
PCIe-bus
G21
Power Supply Unit
VGA
No.103 No.104
X30B_Connector
X30F_Connector
AC-DC Adapter
Rear Monitor
Front Monitor
Main Breaker
Noise Filter
Lightning Surge Protector
Vacuum Pump
Key Board
Track Ball
PCB Recognition
Camera
Recognition
Camera
Component
Servo Main
Power Supply
Servo Control
Power Supply
CPU1(Operation and Recognition)
CPU2(Control)
Swiching Power
Supply
3
3
3
3 2
2
2
Frame
Grabber1
Frame
Grabber2
Frame
Grabber3
Motion Control
12V
MAIN
HD

4-10
5OM-1751
Integrated Block Diagram (Details B)
1305-002A(21010WA--1001)
4100511C5E
4100511C5E
2101011C83(3.5m)
2101011C84
(2.5m)
4100511C5E
UC18
UB95
UC34
KB-STP-03LB(3m)
KB-STP-03LB(3m)
KB-STP-03LB(3m)
3101011C6X(3.3m)
4100511C5Y
(SANWA SUPPLY)
KR-M2:2M
4100511C5Z
(SANWA SUPPLY)
KRS-433XF-4K:4M
No.75
No.72
No.20 No.21
No.104
No.105
No.97
No.98 3101011C6Y改
G2
G3 24G1A
24G1B
F13
48D3A
F14
48D3B
48D3
G1 24A1
F1
K1A
U82
U85
I/OSSCNET
SSCNET3
U81
COM1 LAN
RS232C
RS232C
24A6
AE LINK
CPCI
F2
24A2
24A0
F5
24A3
K25
AE LINK
K75
K77
24G2A
24G2B
2CH1CH 2CH1CH
K10
K1B
COM2
U27
Relay PCB
Sensor
S-CV
U180
F21
F25
U27
U01
U14
U08
DN T
UP
UP DN T
DN T
HSIO HSIO
IO PCB
HSIO
HSIO
HSIO
UC18
UB95
UB95
UC34
CH1 CH2
X30B
X30F
F23
F27
D81
CF
F7
24A6
48D
No.97
X30F_Connector
Relay
Solenoid valve/etc
IO PCB
IO PCB
D-CV
CPU HSIO AE-LINK
CPU2(Control)
For A31(Main Power)
For A51,53(Main Power)
For U95
For IO PCB
For Output Circuit
For Relay Circuit
For Feeder Power
(Block1)
For Feeder Power
(Block2)
T
CN6 CN7
Swiching Power
Supply
Swiching Power
Supply
Swiching Power
Supply
2
2
2
Motion Control
TTDNUPDIO
CN4 CN4CN3CN2CN1CN7
TT
F15
48D3C
F16
48D3D
For A63(Main Power)

4-11
5OM-1751
1305-002A(21010WA--1001)
Integrated Block Diagram (Details C)
7 8 9 10 11 12
A
B
C
D
UC19
44W200458644W2004586 44W2004586 44W2004586
3101016D01
3100516D0P
3100516D0Q
3100511C1F
3100511C1D
KR-ECM15(SANWA SUPPLY
)
G5はG4W2002692/KRS433XF-07K
44W2004586
44W2004587
3101011C6V
3101011C6W
44W2004588
44W2004589
FO-PF1-2HB209-0.3M
FO-PF1-2HB209-3M
FO-PF1-2HB208-3M
FO-PF1-2HB208-4M
FO-PF1-2HB209-1M
FO-PF1-2HB209-2M
30cm 30cm 30cm 30cm
3101011C6W(2m)
44J1001010 CF-AD1
KB-STP-005LB:0.5M(SANWA SUPPLY
)
No.91
No.91
No.91 No.91
44W2004586
30cm
No.91
No.127 No.128 No.129 No.130 No.131 No.132
3101011C6V(1m)44W2004587(3m) No.89
No.92
No.88
W101016D07
W101016D08
SSCNET3
SSCNET3
3
2
A31B
CNP1 CN1A CN3
A31F
24A224A6 24A2
48D3A 48D3B
U92
PIO
CAM
U93
CN2
CN3
U95
CN6
CN8
CN5
CN7
E192
E39
E39
Option
CN1B
SSCNET3
CNP1 CN1A CN3CN1B
24A6
E193
E191
E192
E193
Servo Motor
M21F
Linear Scale
I/F
U21F
M22F
U22F
M23F
U23F
AMP
Linear Scale Linear Scale
I/F I/F
A21B
M21B
Linear Scale
I/F
U21B
M22B
U22B
M23B
U23B
Linear Scale Linear Scale
I/F I/F
3
M
3
M
3
M
3
M
3
M
3
M
B36(1)
B36(2)
B61(1)
B61(2)
(B) (F) (B) (F)
U94
PIO
CAM
Option
3100511C1F
3100511C1D
PIO
CAM
Linear Motor
AMP
A22B
AMP
A23B
Servo Motor
AMP
A21F
AMP
A22F
AMP
A23F
X-Axis Y1-Axis Y2-Axis X-Axis Y1-Axis Y2-Axis
(1)
(2)
No.127 No.128 No.129 No.130 No.131 No.132
48D3
48D3
AE LINK(CH2)
PCB Recognition
Camera
Recognition
Camera
Component
PCB Recognition
Lighting
CPU1(Operation and Recognition)
Lighting
Control
LED
Linear Motor Linear Motor Linear Motor
COM3 COM4
PCB
COM1 COM2
Frame
Grabber1
Frame
Grabber2
Frame
Grabber3
E191
Ring Lighting
(Rear)
Coaxial Lighting
Base MarkBase Mark
(Rear)
(Rear)
(Front)
(Front)
(Front)
48D
CN1
Ring Lighting
Coaxial Lighting
Base MarkBase Mark
CONVEYOR