5M-1751-004w_G5S.pdf - 第182页
4-57 5OM-1751 1304-001-(31012WN---1002) A10 Motor Driver Connection Circuit 1 1 2 3 4 5 6 7 8 A B C D E F 1 2 3 CN6 4 2 4 3 N1 2 4 3 N2 ALM- STP- ALM+ STP+ 1 2 3 4 CN1 :B1 X1006 GND(SG) COM B +V COM A COM B +V COM A XN1 …

4-56
5OM-1751
1304-001-(31012WN---1001)
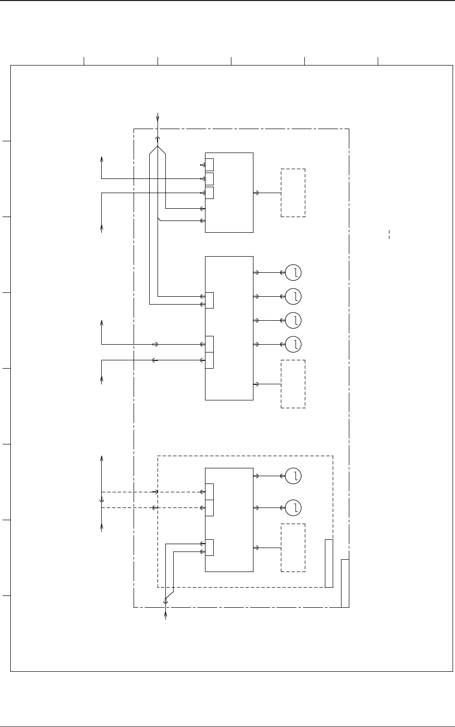
Single Transfer Block Diagram
1 2 3 4 5 6 7 8
A
B
C
D
E
F
A11
Stepping Motor Driver
M45 M46
NA_BL NA_BR
MM
Connection destination with the back-up OP mounted
XAE2CH XAE_CT
CN1 CN5
U85-2CH
N1 N2
AE-LINK
24A6
48D
Transfer Section
Load Sensor
Servo Motor AMP
A63B
XAE2CH XAE_CT
Backup Base OP
Single Transfer Unit
POWER
CN10
XCV-L
DC24,48V
A10
Stepping Motor Driver
M41 M42 M43 M44
NL_L NA_L NR_L NA_W
MMMM
X1X2
U08
IO PCB
Bundled Connector
XAE1CH XAE_CT
CN7 CN8 CN9 CN10
CN1
UP
CN2
DN
CN3
T
U85-T(X85T) X30C1-BU85-1CH
Servo Motor AMP
A63F
N1 N2
AE-LINK
24A6
48D
24A3
XCV-R
DC24,48V
POWER
CN6
HSIO
Transfer Section
Load Sensor
Transfer Section
Load Sensor

4-57
5OM-1751
1304-001-(31012WN---1002)
A10 Motor Driver Connection Circuit 1
1 2 3 4 5 6 7 8
A
B
C
D
E
F
1
2
3
CN6
4
2
4
3
N1
2
4
3
N2
ALM-
STP-
ALM+
STP+
1
2
3
4
CN1
:B1
X1006
GND(SG)
COM B
+V
COM A
COM B
+V
COM A
XN1
CV+
:A1
GND(B)
MV+
GND(D)
:B5
:A5
1
1
GND(SG)
XN2
Stepping Motor Driver
A10
XCV-R
24A6
10
48D
10
from U85-1CH
[F-/03/7B]
COM A
COM B
10
24A6
to A63F-CN12
[DC/02/2B]
COM A
COM B
10
24A6
G5S Main MachinePHG5S Main Machine PH
XCV-R
:2
:3
:1
:4
XAE1CH
XAE-CT
XAE
:2
:3
:1
:4
XAE-CT

4-58
5OM-1751
1304-001-(31012WN---1003)
A10 Motor Driver Connection Circuit 2
1 2 3 4 5 6 7 8
A
B
C
D
E
F
X1007
M
4
3
6
1
2
4
3
1
/B
/A
N.C.
B
5
A
X1008
M
2
4
3
1
5
NL_L Motor
PCB Detection Sensor (Left)
5
6
4
2
1
SEN+
SEN3
COM
3 SEN2
SEN4
:4
:2
:1
:3
B1005
X1009
M
2
4
3
1
5
X1010
M
2
4
3
1
5
/B
/A
N.C.
B
A
/B
/A
N.C.
B
A
/B
/A
N.C.
B
A
Movable Chute Origin
SEN1
5
6
4
2
1 SEN+
SEN3
COM
3 SEN2
SEN4
SEN1
PCB Detection Sensor (Center Left)
PCB Fiber Sensor (Left)
:3
:2
:1:4
B11003
:3
:2
:1:4
B21003
:3
:2
:1:4
B31003
PCB Fiber Sensor (Right)
Long picture PCB Fiber Sensor(OP)
4
3
6
1
4
3
6
1
4
3
6
1
M41
:1
:2
:3
CN2
X1002
B11002
:3
:2
:1
B11002
5
6
4
2
1 SEN+
SEN3
COM
3 SEN2
SEN4
SEN1
:3
:2
:1
B21002
PCB Detection Sensor (Right)
PCB Detection Sensor (Center Right)
:3
:2
:1
B11004
5
6
4
2
1 SEN+
SEN3
COM
3 SEN2
SEN4
SEN1
:3
:2
:1
B21004
OUT
+
0V
B11003
B21003
B31003
Stepping Motor Driver
A10
B21002
OUT
+
0V
B11003
OUT
+
0VIN
B21003
OUT
+
0VIN
B31003
OUT
+
0VIN
B11004
OUT
+
0V
B21004
OUT
+
0V
B1005
L.ON
+
D.ON
0V
NA_L Motor
M42
NR_L Motor
M43
NA_W Motor
M44
CN3
CN4
CN5
X1003
X1004
X1005
CN7
CN8
CN9
CN10
X1007
X1008
X1009
X1010
from U08-CN27
[N-/06/6F]
24A6
10
24A6
24A6
24A6
10
10
10
(1-axis)
(2-axis)
(3-axis)
(4-axis)
(1-axis)
(2-axis)
(3-axis)
(4-axis)