P-169-001e.pdf - 第102页
MODEL TPM-1 10F/R 0108-001 100 クリーニング部 CLEANING SECTION Fig. M-2 ペーパ巻取り駆動部 Paper Wind-out Driver 11 6 167 167 123 107 107 111 121 167 164 11 6 163 128 11 8 108 106 11 7 175 124 11 0 120 127 11 0 122 See Fig.M-1 Key No.10…

MODEL TPM-110F/R
0108-001
Key No. PART No. PART NAME Q’ty REMARKS
NOTE
99
M-1
1 630 096 6404 CYLINDER 1 BPS080,081 748M--210-001
2 630 003 5223 AIR LINE EQPT 2 748M--210-002
3 630 096 6626 MECH PARTS 1 748M--210-003
4 630 088 3602 SENSOR,PHOTO 1 BPH082 748M--210-004
5 630 089 2079 SENSOR,PELEC 1 BPH084,B08F 748M--210-005
6 630 089 2086 SENSOR,PELEC(SLIT) 1 748M--210-006
7 630 008 5310 BEARING,UNIT 2 748M--210-007
8 630 096 5209 BEARING,RADIAL 4 748M--210-008
9 630 096 5216 RING 4 748M--210-009
10 630 088 1202 FRAME 1 748M--210-010
11 630 088 1219 SHAFT 1 748M--210-011
12 630 088 1226 STAY 1 748M--210-012
13 630 088 1233 STAY 2 748M--210-013
14 630 088 1240 HOLDER 2 748M--210-014
15 630 088 1257 SHAFT 1 748M--210-015
16 630 088 1264 BLOCK 1 748M--210-016
17 630 088 1332 PIPE 1 748M--210-017
18 630 088 1349 PIPE 1 748M--210-018
19 630 091 0223 PULLEY 1 748M--210-019
20 630 088 1363 STAY 1 748M--210-020
21 630 103 0258 PLATE 1 748M--210-021
61 630 000 8050 BOLT,HEX-SCT 2 748M--210-061
62 630 000 8029 BOLT,HEX-SCT 2 748M--210-062
63 630 000 8012 BOLT,HEX-SCT 4 748M--210-063
64 630 000 7916 BOLT,HEX-SCT 4 748M--210-064
65 630 000 7909 BOLT,HEX-SCT 4 748M--210-065
66 630 000 7893 BOLT,HEX-SCT 8 748M--210-066
67 630 000 7879 BOLT,HEX-SCT 5 748M--210-067
68 630 000 7602 BOLT,HEX-SCT 2 748M--210-068
69 411 141 4503 WASHER V 8X17X1.6 8 748M--210-069
70 411 141 3100 WASHER SPR 8 8 748M--210-070
71 411 141 4305 WASHER V 6X12.5X1.6 21 748M--210-071
72 411 141 3001 WASHER SPR 6 21 748M--210-072
73 411 141 4008 WASHER V 4X9X0.8 2 748M--210-073
74 411 141 2905 WASHER SPR 4 2 748M--210-074
75 411 086 4408 WASHER SPR 3 2 748M--210-075
76 411 119 1909 WASHER V 3X7X0.5 4 748M--210-076
77 411 086 4408 WASHER SPR 3 4 748M--210-077
78 411 113 9703 SCR TRS 6X10 1 748M--210-078
79 411 041 8908 SCR PAN 3X6 2 748M--210-079
80 411 040 7803 SCR PAN 3X12 4 748M--210-080
81 630 000 8944 SET SCREW 2 748M--210-081
82 630 000 8920 SET SCREW 2 748M--210-082

MODEL TPM-110F/R
0108-001
100
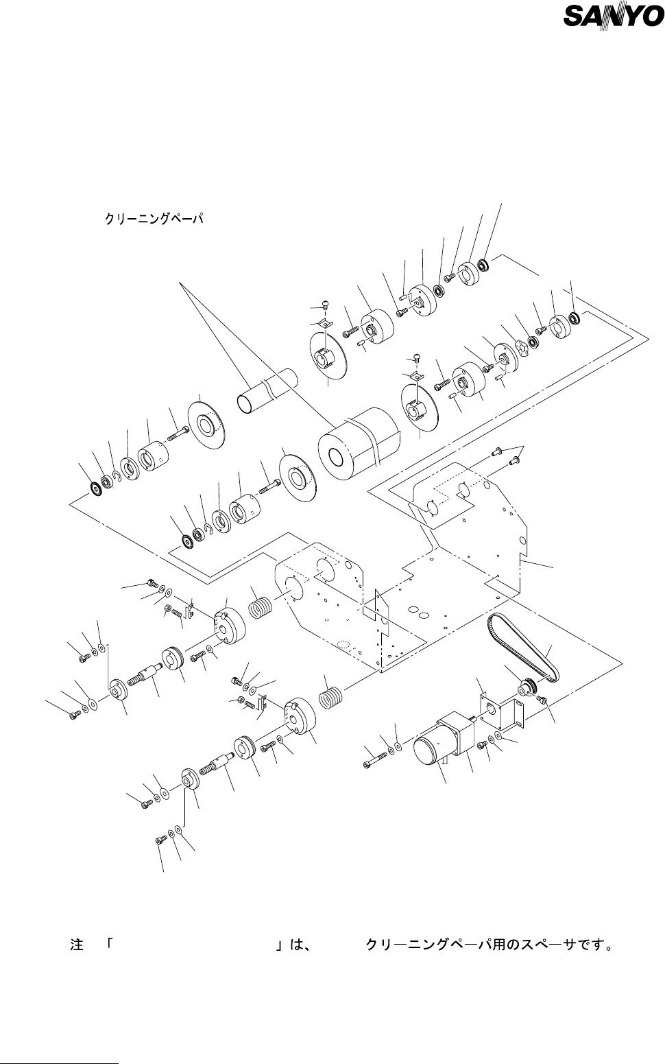
クリーニング部 CLEANING SECTION
Fig. M-2 ペーパ巻取り駆動部 Paper Wind-out Driver
116
167
167
123
107
107
111
121
167
164
116
163
128
118
108
106
117
175
124
110
120
127
110
122
See Fig.M-1
Key No.10
See Fig.S-1
Key No.101,102
103
105
168
172
173
168
102
101
115
172
109
119126
112
174
112
126
172
173
166
170
171
161
109
172
173
166
170
171
161
174
173
165
169
173
172
119
173
165
125
113
114
125
113
114
172
173
169
173
162
110
104
107
167
123
107
124
120
175
164
110
127
163
128
118
108
106
117
Fig.M-2
TPM-100F/R
TPM-110F/R
1. Key No.127,128 COLLAR 280mm
NOTE1. "Key No.127,128 COLLAR" are the spacer for 280mm CLEANING PAPER.
CLEANING PAPER

MODEL TPM-110F/R
0108-001
Key No. PART No. PART NAME Q’ty REMARKS
NOTE
101
M-2
101 630 096 8620 MOTOR,INDUCTION 1 M004, VHI206A-GVJ 748M--210-101
102 630 096 6657 GEAR,REDUCTION 1 748M--210-102
103 630 094 5324 PULLEY,TIMING 1 748M--210-103
104 630 094 5331 PULLEY,TIMING 1 748M--210-104
105 630 096 6664 BELT,TIMING 1 748M--210-105
106 630 001 1272 BEARING,RADIAL 2 748M--210-106
107 630 001 1418 BEARING,RADIAL 4 748M--210-107
108 411 000 7102 RING C 10 2 748M--210-108
109 630 001 4808 SPRING,COMP 2 748M--210-109
110 411 182 0304 PIN SPRING 3X6 12 748M--210-110
111 630 096 6688 WASHER 1 748M--210-111
112 411 182 0205 SCR SET C-SCT 5X20 2 748M--210-112
113 630 094 5195 SHAFT 2 748M--210-113
114 630 094 5188 FEED SCREW 2 748M--210-114
115 630 088 1370 STAY 1 748M--210-115
116 630 088 1400 COLLAR 2 748M--210-116
117 630 088 1417 PLATE 2 748M--210-117
118 630 088 1431 RING 2 748M--210-118
119 630 088 1448 BLOCK 2 748M--210-119
120 630 088 1479 COLLAR 2 748M--210-120
121 630 088 1486 PLATE 1 748M--210-121
122 630 088 1493 SHAFT 2 748M--210-122
123 630 088 1509 BLOCK 2 748M--210-123
124 630 088 1516 HOOK 6 748M--210-124
125 630 091 0162 SPACER 2 748M--210-125
126 630 091 0179 STAY 2 748M--210-126
127 630 088 1585 COLLAR 2 748M--210-127
128 630 088 1592 COLLAR 2 748M--210-128
161 630 000 7749 BOLT,HEX-SCT 2 748M--210-161
162 630 096 6411 BOLT,HEX-SCT 4 748M--210-162
163 630 000 7718 BOLT,HEX-SCT 4 748M--210-163
164 630 000 7688 BOLT,HEX-SCT 4 748M--210-164
165 630 000 7671 BOLT,HEX-SCT 4 748M--210-165
166 630 000 7633 BOLT,HEX-SCT 4 748M--210-166
167 630 000 7626 BOLT,HEX-SCT 6 748M--210-167
168 630 000 7619 BOLT,HEX-SCT 5 748M--210-168
169 630 000 7602 BOLT,HEX-SCT 4 748M--210-169
170 630 001 0220 WASHER 2 748M--210-170
171 411 141 6705 WASHER SPR 5 2 748M--210-171
172 411 141 4008 WASHER V 4X9X0.8 15 748M--210-172
173 411 141 2905 WASHER SPR 4 19 748M--210-173
174 411 118 8503 NUT HEX 5 2 748M--210-174
175 411 051 1708 SCR TRS 4X6 6 748M--210-175