SIPLACE HS50 电路图.pdf - 第90页
2 Circuit Diagr ams 90 I 0033615 2-030 103LD3 Di stributo r , sector 1 (Sh. 1 o f 2) = SIEMENS AG + GND +5V +24V Voltag es ring c ircu it Sec4<>S ec1 Voltag es ring c ircu it Sec1<>S ec2 Infeed Socket 1, p er…

2 Circuit Diagrams 89
I
00336145-030201LD4 HS-50 circuit diagram with option lifting table (dual conveyor) (Sh. 5 of 6)
00336145-030201LD4 HS-50 circuit diagram with option lifting table (dual conveyor) (Sh. 6 of 6)
1234
D
C
B
A
E
SIEMENS
A&D CD TDV Bremen
TEF3
Willnecker
Cramer
00336145-030201LD4
Typ 4AV1301-4CT-1D
AutoCAD
5
6
with option lifting table (dual conveyor)
HS50 power supply
(NC)(NC)(NO)(NC)
29.6.99
Technical aspects Untol. dimens. Scale: Weight:
Check.
Stand.
Date
Author
ModifiedStat. NameDate Replacement for Replaced by
Sheet
Sh.
Cutter
Sheet 4
1234
D
C
B
A
E
SIEMENS
A&D CD TDV Bremen
TEF3
Willnecker
Cramer
00336145-030201LD4
Ty
p
4AV1301-4CT-1D
AutoCAD
6
6
w
i
t
h
option liftin
g
table (dual conve
y
or)
H
S
50 power suppl
y
Threaded bolt M6
(Threaded bolt
M10)
(Threaded bolt
M8)
E
m
e
r
g
e
n
cyStop
C
o
ntrolOn
G
r
o
u
n
d
t
e
r
m
i
n
a
l
G
r
o
u
n
d
t
e
r
m
i
n
a
l
G
r
o
u
n
d
t
e
r
m
i
n
a
l
G
r
o
u
n
d
t
e
r
m
i
n
a
l
G
r
o
u
n
d
t
e
r
m
i
n
a
l
G
r
o
u
n
d
t
e
r
m
i
n
a
l
G
r
o
u
n
d
t
e
r
m
i
n
a
l
G
r
o
u
n
d
t
e
r
m
i
n
a
l
s
2
9
.
6
.
9
9
P200V
P100P6V
P30V
P34V, 2P34V
P8V
P48V
=
=
=
=
=
=
ap
p
r
o
x
.
2
0
0
V
ap
p
r
o
x
.
1
0
0
V
/
4
V
ap
p
r
o
x
.
3
0
V
ap
p
r
o
x
.
4
0
V
ap
p
r
o
x
.
1
0
V
ap
p
r
o
x
.
5
2
V
Voltage ratings in the circ
u
i
t
d
i
a
g
r
a
m
s
c
o
r
r
e
s
p
o
n
d
t
o
s
i
g
n
a
l
n
a
m
e
s
.
Please refer to the table a
b
o
v
e
f
o
r
t
h
e
r
e
a
l
v
o
l
t
a
g
e
s
a
n
d
t
h
e
i
r
c
o
r
r
e
s
p
o
n
d
i
n
g
s
i
g
n
a
l
n
ames.
Technical aspects
U
n
t
o
l
.
d
i
m
e
n
s
.
S
c
a
l
e
:Weight:
C
h
e
c
k
.
S
t
a
n
d
.
D
a
t
e
A
u
t
h
o
r
ModifiedStat.
N
a
m
e
D
a
t
e
R
e
p
l
a
c
e
m
e
n
t
f
o
r
Replaced by
Sheet
Sh.
Sheet 5

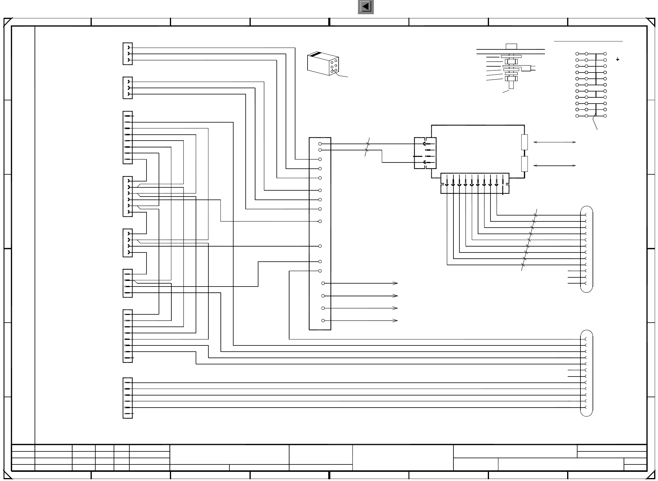
2 Circuit Diagrams 90
I
00336152-030103LD3 Distributor, sector 1 (Sh. 1 of 2)
=
SIEMENS AG
+
GND
+5V
+24V
Voltages ring circuit
Sec4<>Sec1
Voltages ring circuit
Sec1<>Sec2
Infeed
Socket 1, peripheral modules
StartStopInputRight
Emerg.StopPCBInput
Safety ring circuit
Sec4<>Sec1
Safety ring circuit
Sec1<>Sec2
5
B
SMD Placement System SIPLACE HS50
4
X1af
A7
A10
+24V
+24V
1P34V
P8V
N8V/34V
GND
+5V
+24V
876
D
2
X3ag and X4ag ,
X100 terminals overview
X5af
X2af
X8af
X4af
X6af
X3af
Hood1
All control lines: 1.00mm² / black
Cable ties are used to form the cable harness !
+24V
X25af
CompFlap1
X7af
2
F
A module
M5 split washer, DIN 7980
M5x16 fillister head screw, DIN 912
3
5
2
4
6
1
M5 hexagon nut, DIN 439
Distributor sheet
Locking clip plug:
To Harting plug housing (from X1)
PE
A11
N8V/34V
6
1
P8V
32
C
+5V
CAN_INT
CAN_RESET
GND
+5V
GND
A
Ground connection :
Contact washer
M5 hexagon nut, DIN 439
Annular cable lug
B5
B6
B9
B8
B7
10
B module
CANL
CANH
3
4
5
76
X3ag
X4ag
B10
B11
B12
B2
34
A6
+5V
C
A3
A8
A4
E
gnye
00336788gnye
00336789gnye
00336790
PE
PE
8
B
5
1
D
1
A9
A1
A2
X3ag
X2ag
M5 washer, DIN 125
X1ag
500kbps
CAN bus
500kbps
X5ar - X16ar
B4
key
key
B1
A5
A
8
A12
2
3
CAN bus
1P34V
To cover
To distributor sheet
To machine frame
0.56mm² / bk
Bridge
A1 CAN-bus coupler
00332557 (ag)
0.56mm² / bk
00336787
X100
7
ab c
GND
F
03.
01.
03.
Tek
Tek
Tek
2
gnye
B3
+24V
X1af
GND
X4ag
E
4b
1a
2c
4c
109
24.03.99
1
00336152-030103LD3
Distributor, sector 1
Hoffmann
11.12.1997
10.04.00
24.03.99
Document stat.
Product stat.
Function stat.
3
5
4
1
2
3
6
6
7
4
5
3
1
2
8 / 9
4
2
1
2
3
4
PE
PE
5
4
6
7
1
3
PL EA1 E2
5
1
1
3
6
2
4
1
3
2
2
8 / 9
1
2
3
1
2
3
4
5
8
8
29
must be as viewed from the rear side of the casing.
Cable
GROUND
7
PE
6a
7a
7b
7c
3c
that the numerical sequence of a locking clip plug
Please note that ...
4a
PE
16
71
1
5
4
4
3
3
2
6
6c
2a
4
Spare
Spare
Spare
Address bit 1
GND_Address
Address bit 0
S_Begin
L_Begin
L_End
S_End
Spare
Spare
PCC11
PCC12
ModifiedStatus Stand.Date Name
Orig. Replaced byRepl. f.
Author
Check.
Date
Spare
S_CompEnd
S_hood
S_StartButton
S_Emerg.StopButton
S_CompFlap
S_StopButton
L_End
L_Begin
S_Emerg.StopButton
S_StartButton
S_StopButton
L_End
L_Begin
S_hood
L_End
L_Begin
S_CompFlap
L_End
S_StopButton
S_CompFlap
S_Emerg.StopButton
S_StartButton
S_hood
L_End
S_CompEnd
Spare
PCC11
PCC12
Spare
Sheet
Sh.

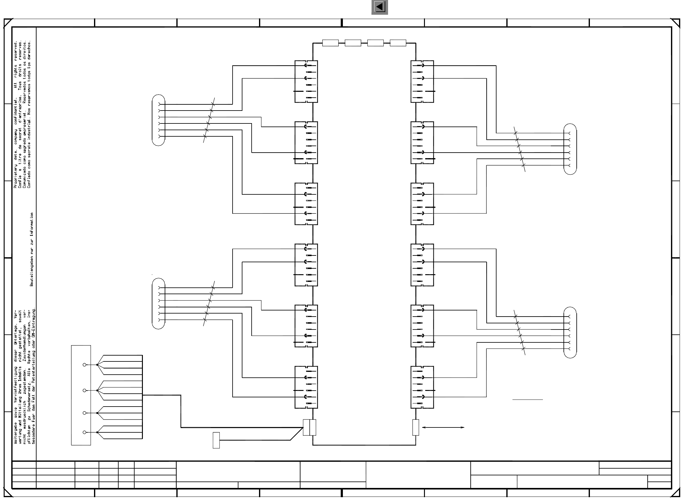
2 Circuit Diagrams 91
I
00336152-030103LD3 Distributor, sector 1 (Sh. 2 of 2)
D
C
10
11
12
13
24V
24V
A
X15ar
8
X18ar
X17ar
X16ar
2
4
5
6
1 4
3
4
6
1
3
4
GND
32
X4ar
24V
E
A
24V
key
X8ar
A
key
key
key
+24V
Nozzle changer 2b
3
4
5
6
7
A
24V
24V
3
4
6
1
3
4
8
9
00329698 (ar)
GND
X15ar
GND
X5ar
24V
23
D
C
0V
0V
X3ar
E
A
24V
24V
0V
2
B
F
E E
4
X14ar
E
1
=
SIEMENS AG
+
4
5
6
2
3
4
6
0.56mm² / bk
X17*
+24V
GND
X9arX9ar
has been hard wired; installed as option only!
CAN input/output module 3 (A2)
E
A
1
6
0V
0V
X8ar
0V
0V
E
X16ar
CAN input/output module 3
4
3
X7arX7ar
key
0.56mm² / bk
GND
E
5
A
B
567
2
2
6
2
4
5
E
A
24V
24V
0V
0V
key
Nozzle changer 4b
0.56mm² / bk
+24V
GND
+5V
GND
Not
24V
24V
0V
0V
X13ar
X100
1
2
A
X10arX10ar
A
E
+24V
4
3
24V
24V
0V
0V
1
6
A
24V
24V
0V
0V
X12ar
key
key
24V
0V
0V
+24V
X11ar
X12ar
X13ar
X14ar
E
A
24V
24V
0V
24V
24V
0V
6
2
F
678
key
connected
CAN bus
125kbps
X5ar
key
24V
24V
E
0V
SMD Placement System SIPLACE HS50
A
3
4
A2
6
0.56mm² / bk
Please note !
0V
14
00336801
X17ar
0V
X11ar
key
E
GND
GND
Nozzle changer 1b
0V
10.04.00
11.12.1997
Hoffmann
Distributor, sector 1
00336152-030103LD3
2
24.03.99
X1ar is reserved for the "Fill level" monitoring
Reserved
GND
X1ar X2ar
6
2
4
5
6
0V
X6ar X6ar
E
A
Nozzle changer 3b
key
2
5
3
2
$PROJECT/00336152-03/00336152-030102LD3/schematic/sheet210.4.2000
17:00
2
Tek
Tek
Tek
03.
01.
03.
Function stat.
Product stat.
Document stat.
24.03.99
PL EA1 E2
6
5
5
5
1
X18af
1
2
3
4
5
6
3
X17af
1
2
3
4
5
6
2
1
2
1
4
5
6
5
6
1
2
3
5a
1
1
6
1
2
3
4
5
6
3
4
5
6
1
2
3
5
1
5
4
4
5
6
1
2
3
4
5
6
1
3
4
5
6
3
4
5
6
1
2
3
4
5
6
1
2
3
4
5
6
2
3
1b
1c
1
5
2
5
1
3
1
5
2
6
X19af
1
2
3
4
5
6
6b
1
1
X20af
1
2
3
4
5
1
2
3
4
1
2
3
4
5
3
2
S_LeftNozzles(open)
S_RightNozzles(closed)
Ctrl_ValveNozzles
S_LeftNozzles(open)
S_RightNozzles(closed)
Ctrl_ValveNozzles
Stand.Status NameDateModified
Orig. Repl. f. Replaced by
Date
Check.
Author
Sheet
Sh.
S_LeftNozzles(open)
S_RightNozzles(closed)
Ctrl_ValveNozzles
Ctrl_ValveNozzles
S_LeftNozzles(open)
S_RightNozzles(closed)