PTS-AIMEX-02JE.pdf - 第115页
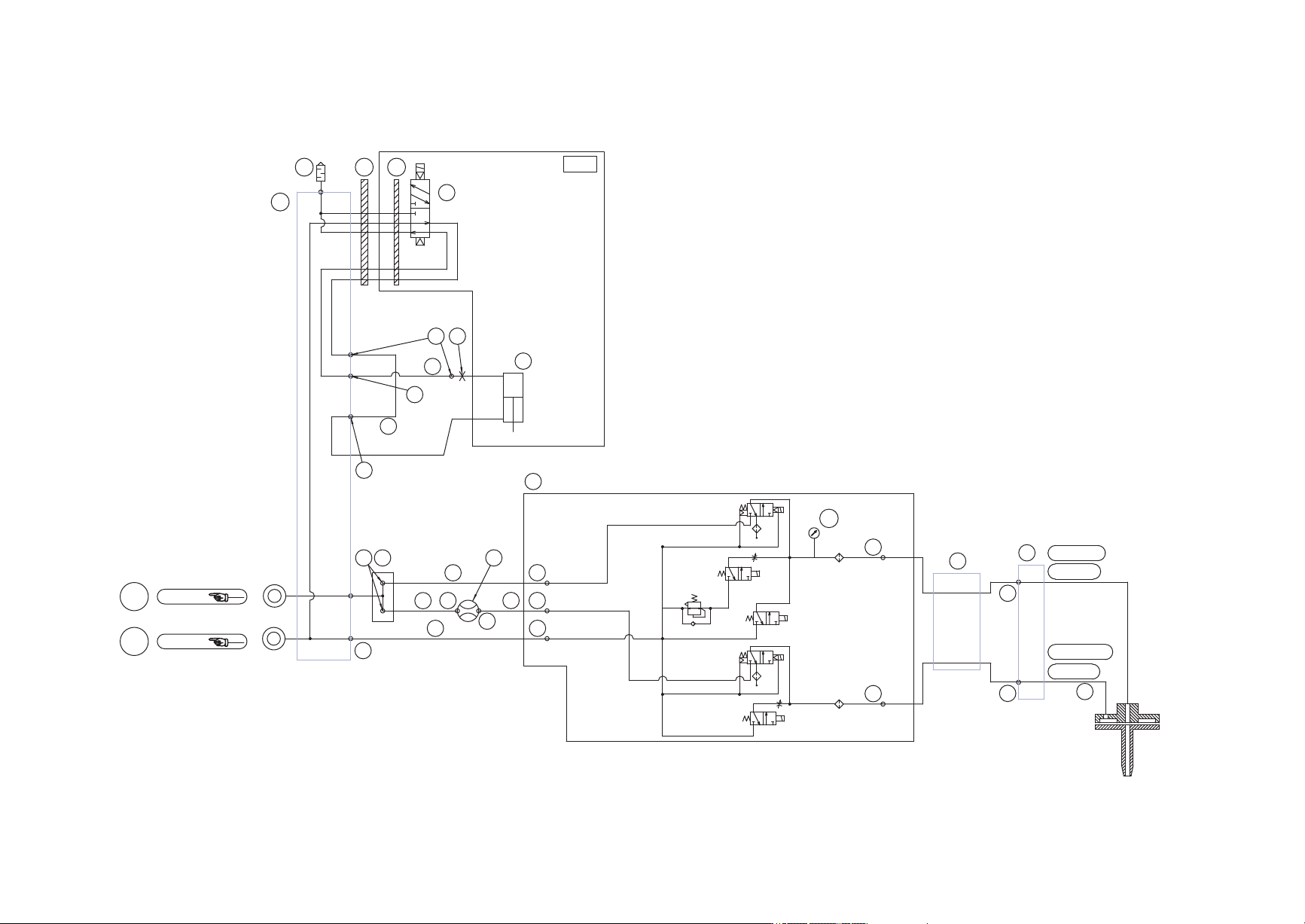
H01 HEAD 5/5 H01 ヘッド 5/5 UH00663 No. Dr g .No. & Code No. QTY Descri p tion Ratin g Materials Remarks 番号 図番 & コード番号 個数 品名 規 格材 質 備 考 1 PT01515 1 BODY 本体 FE 4 AA37134 1 HOUSING ハウジン グ OT 5 PM35524 1 BOLT, JOINT ボ…

㈇ᅽ
┿✵࣏ࣥࣉࡼࡾ
1HJSUHVV
)URP9DFXXPSXPS
ࠉὀ⮬ືࣂࢵࢡࢵࣉࣆࣥᶵ⬟࢜ࣉࢩࣙࣥࢆྲྀࡅࡿሙྜࡣࠊ
ࠉရ␒㸪ရ␒㸪ရ␒ࢆ㏣ຍࡋࠊရ␒㸪ရ␒ࡣせ࡞ࡾࡲࡍࠋ
1RWH:KHQWKHRSWLRQDODXWREDFNXSSLQHTXLSPHQWLVDWWDFKHGSDUWQXPEHUV
DUHDGGHGDQGSDUWQXPEHUVDQGDUHQRWUHTXLUHG
[
[
[
;%
ȭ
0
0
ȭ
0
0
0
ȭ
ȭ
ȭ
ȭ
ȭ
$
%
ȭ
0
0
0
0
0
0
0
0
237,21
ࣀࢬࣝ྾╔
ࣃ࣮ࢶ྾╔
3DUWSLFNXS
1R]]OHSLFNXS
⮬ືࣂࢵࢡࢵࣉࣆࣥᶵ⬟
$XWREDFNXSSLQHTXLSPHQW
3RVSUHVV
ṇᅽ
.3D
Ref.BED
Ref.BED
a1a1
a2a2
ȭ
34
29
23
1
20
26
22
23
25
27
21
24
28
6
9
9
16
15
14
5
10
11
16
10
10
8
7
12
12
4
19
12
12
17
+࣊ࢵࢻ
++($'
UH00663
114
PTS- AI MEX- 02J E
4CYImM8w
4CYImM8w
Downloaded at 2012/11/08 16:01 JST by 3NFD4805 DL#4CYImM8w

H01 HEAD 5/5
H01 ヘッド 5/5
UH00663
No. Dr
g
.No. & Code No. QTY Descri
p
tion Ratin
g
Materials Remarks
番号 図番 & コード番号 個数 品名
規
格材質 備考
1 PT01515 1 BODY 本体 FE
4 AA37134 1 HOUSING ハウジン
グ
OT
5 PM35524 1 BOLT, JOINT ボルト ジョイント FE
6 XS01582 1 SENSOR センサ OT
7 S4033G 1 SENSOR, PRESSURE センサ 圧力 PSE543-M5 OT
8 A4067T 2 ELBOW エルボ M-5ALHU-4 OT
9 A4068H 2 ELBOW エルボ M-5ALU-4 OT
10 N2030T 3 NIPPLE ニッ
プ
ル M-5AU-4 OT
11 A4067A 1 ELBOW エルボ M-3ALU-4 OT
12 A4068G 4 ELBOW エルボ M-5ALU-3 OT
14 PZ14431 1 TUBE チュー
ブ
OT
15 PZ24381 1 TUBE チュー
ブ
OT
16 PZ07472 2 TUBE チュー
ブ
OT
17 PZ09531 1 HOSE, AIR ホース エアー OT
19 RH04339 1 HARNESS ハーネス OT
20 S1058B 1 SILENCER サイレンサ AN120-M3 OT
21 H62140 1 PLATE
プ
レート SYJ3000-21-12A OT
22 A4067G 1 ELBOW エルボ M-3AU-3 OT
23 A40669 3 ELBOW エルボ M-3ALU-3 OT
24 N1108K 1 NUT, DOMED CAP ナット 六角袋 M03(ステンレス) FE
25 PZ15280 1 TUBE チュー
ブ
OT
26 PZ15271 1 TUBE チュー
ブ
OT
27 H1122D 1 VALVE, SOL バル
ブ
SOL SYJ3140-5M0U OT
28 XS01854 1 CYLINDER シリンダ OT
29 PJ06431 1 PLATE, ACRYLIC
プ
レート アクリル OT
34 XB02474 1 VALVE UNIT バル
ブ
ユニット OT
115
PTS- AI MEX- 02J E
4CYImM8w
4CYImM8w
Downloaded at 2012/11/08 16:01 JST by 3NFD4805 DL#4CYImM8w

19
19.1
18
20
21
31
31.1
31.1
36
43
35
34
38
37
51
49
50
43
43
44
26
27
28
5
8
7
6
45
32
33
46
48
47
30
29
1
39
41
42
40
AA15X18
++($'$872%$&.833,1(48,30(17
+࣊ࢵࢻ⮬ືࣂࢵࢡࢵࣉࣆࣥᶵ⬟
116
PTS- AI MEX- 02J E
4CYImM8w
4CYImM8w
Downloaded at 2012/11/08 16:01 JST by 3NFD4805 DL#4CYImM8w