PTS-AIMEX-02JE.pdf - 第23页
V12 HEAD 3/4 V12 ヘッド 3/4 UH03326 No. Dr g .No. & Code No. QTY Descri p tion Ratin g Materials Remarks 番号 図番 & コード番号 個数 品名 規 格材 質 備 考 107 2MGKHA010700 1 PLATE, INSULATING プ レート 絶縁 PL 108 PJ24620 2 COLLAR, INSULAT…

V12 HEAD 3/4
V12 ヘッド 3/4
UH03326
No. Dr
g
.No. & Code No. QTY Descri
p
tion Ratin
g
Materials Remarks
番号 図番 & コード番号 個数 品名
規
格材質 備考
49 AA9FL05 12 ARM アーム OT
50 2MGKHA001600 12 RING, HOLDER リン
グ
受け OT
52 PM08CC2 12 SHAFT シャフト FE
53 PM0KWZ2 12 COLLAR, BEARING カラー ベアリン
グ
FE
54 PZ34392 12 SPRING ス
プ
リン
グ
FE
55 PZ38470 12 SPRING ス
プ
リン
グ
FE
56 PM07RX7 12 SYRINGE シリンジ FE
57 PM59831 12 ROLLER, NEEDLE ローラ ニードル FE
58 PM59842 12 ROLLER, NEEDLE ローラ ニードル FE
59 PM19126 12 PIPE パイ
プ
FE
60 PZ13362 12 SPRING, COIL ス
プ
リン
グ
コイル FE
61 PM074Z1 12 COLLAR カラー FE
62 PZ16856 12 SPRING, COIL ス
プ
リン
グ
コイル FE
63 A5188Z 12 O RING Oリン
グ
φ
4.0X1.0(FKM70) OT Consumable Parts
64 2MGKHA014800 12 O RING Oリン
グ
OT Consumable Parts
65 S61451 12 CIR-CLIP サークリッ
プ
5103-21(クリセントガタ)3カクロメート OT
66 2MGKHA035102 2 SHEET シート PL Consumable Parts
67 2EGKHA001201 1 BOARD, PRINTED CIRCUIT 基板
プ
リント OT
68 K51756 4 SCREW, C
/
R PAN 小ネジ 十穴鍋 M02.5X005(ステンレス) FE
69 W1020H 4 WASHER, LOCK ワッシャ ス
プ
リン
グ
2.5M
/
MFE
70 W11081 4 WASHER, FLAT ワッシャ 平 2.5M
/
MX0.5X5(3カクロ) FE
71 2MGKHA019101 1 BKT, COVER BKT カバー FE
72 K62149 2 SCREW, C
/
R FLAT 小ネジ 十穴平 M03X006ヒラトウH=0.6ヤキイレ(ニッケルメッキ) FE
73 T61093 1 DISPLAY, LIQUID CRYSTAL ディス
プ
レイ 液晶 COM24H2N57XLC OT
74 2AGKHB000200 1 COVER カバー OT
75 2MGKHB001701 1 RETAINER, COVER 押え カバー FE
76 K5173M 2 SCREW, C
/
R PAN 小ネジ 十穴鍋 M02.5X004(ステンレス) FE
77 W1020H 2 WASHER, LOCK ワッシャ ス
プ
リン
グ
2.5M
/
MFE
78 W11081 2 WASHER, FLAT ワッシャ 平 2.5M
/
MX0.5X5(3カクロ) FE
80 AA66W06 1 CAMERA カメラ OT
83 XK06461 1 BOARD, PRINTED CIRCUIT 基板
プ
リント OT
84 K5168K 2 SCREW 小ネジ M02.5X006 バインド(ステンレス) FE
85 W1020H 2 WASHER, LOCK ワッシャ ス
プ
リン
グ
2.5M
/
MFE
86 W11081 2 WASHER, FLAT ワッシャ 平 2.5M
/
MX0.5X5(3カクロ) FE
87 PM09TH3 1 BKT BKT AL
88 PM09TG3 1 BKT BKT AL
89 H5275A 4 BOLT, HEX SOCKET ボルト 六角穴 M03X008 FE
90 W1021A 4 WASHER, LOCK ワッシャ ス
プ
リン
グ
3M
/
MFE
91 W1042A 4 WASHER, FLAT ワッシャ 平 4W- 3 FE
92 PJ17381 2 PLATE, INSULATING
プ
レート 絶縁 PL
93 PJ17392 4 BUSHING
ブ
シュ PL
94 H5277A 4 BOLT, HEX SOCKET ボルト 六角穴 M03X012 FE
95 W1021A 4 WASHER, LOCK ワッシャ ス
プ
リン
グ
3M
/
MFE
96 W1042A 4 WASHER, FLAT ワッシャ 平 4W- 3 FE
101 2MGKHA011000 1 BKT, ADJUSTING BKT 調整 FE
102 H5276A 2 BOLT, HEX SOCKET ボルト 六角穴 M03X010 FE
103 W1021A 2 WASHER, LOCK ワッシャ ス
プ
リン
グ
3M
/
MFE
104 W1040R 2 WASHER, FLAT ワッシャ 平 3M
/
MX0.5X7(1W-3)(3カクロ) FE
105 XK05933 1 CAMERA カメラ OT
105.1 PX11810 1 NAMEPLATE, CAUTION
銘
板注意 OT
106 2MGKHA010800 1 PLATE, INSULATING
プ
レート 絶縁 PL
22
PTS- AI MEX- 02J E
4CYImM8w
4CYImM8w
Downloaded at 2012/11/08 16:01 JST by 3NFD4805 DL#4CYImM8w

V12 HEAD 3/4
V12 ヘッド 3/4
UH03326
No. Dr
g
.No. & Code No. QTY Descri
p
tion Ratin
g
Materials Remarks
番号 図番 & コード番号 個数 品名
規
格材質 備考
107 2MGKHA010700 1 PLATE, INSULATING
プ
レート 絶縁 PL
108 PJ24620 2 COLLAR, INSULATION カラー 絶縁 PL
109 PZ61910 2 BOLT, HEX SOCKET ボルト 六角穴 OT
110 W1021A 2 WASHER, LOCK ワッシャ ス
プ
リン
グ
3M
/
MFE
111 W1040R 2 WASHER, FLAT ワッシャ 平 3M
/
MX0.5X7(1W-3)(3カクロ) FE
112 PJ18512 2 PLATE, INSULATING
プ
レート 絶縁 PL
113 PJ24620 1 COLLAR, INSULATION カラー 絶縁 PL
114 H5277A 1 BOLT, HEX SOCKET ボルト 六角穴 M03X012 FE
115 W1021A 1 WASHER, LOCK ワッシャ ス
プ
リン
グ
3M
/
MFE
116 W1040R 1 WASHER, FLAT ワッシャ 平 3M
/
MX0.5X7(1W-3)(3カクロ) FE
117 2MGKHA010400 1 BKT BKT AL
118 H5277A 1 BOLT, HEX SOCKET ボルト 六角穴 M03X012 FE
119 2MGKHA010601 1 WASHER ワッシャ FE
120 XB03216 1 BOX, PRISM BOX
プ
リ
ズ
ムOT
121 K5256A 2 SCREW, HEX SOCKET BUTTON 小ネジ 六角穴ボタン M03X008 FE
122 W1021A 2 WASHER, LOCK ワッシャ ス
プ
リン
グ
3M
/
MFE
123 PB04TA1 1 COVER, LOWER カバー 下 FE
124 K5255A 1 SCREW, HEX SOCKET BUTTON 小ネジ 六角穴ボタン M03X004 FE
125 AA9AS04 1 BOARD 基板 OT
126 PZ53032 3 SCREW, C
/
R PAN 小ネジ 十穴鍋 OT
127 2MGKHA010000 1 SEAL, RUBBER シール ゴム OT
23
PTS- AI MEX- 02J E
4CYImM8w
4CYImM8w
Downloaded at 2012/11/08 16:01 JST by 3NFD4805 DL#4CYImM8w

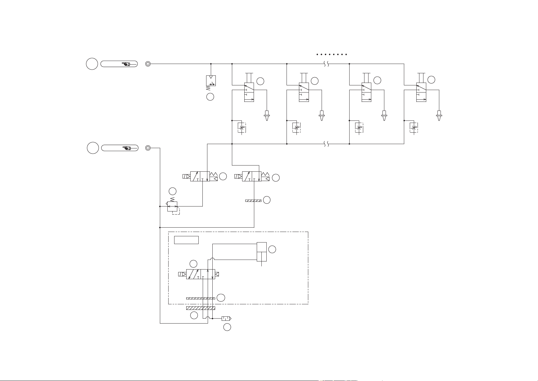
㈇ᅽ
┿✵࣏ࣥࣉࡼࡾ
1HJSUHVV
)URP9DFXXPSXPS
Ref.BED
a2a2
3RVSUHVV
ṇᅽ
.3D
Ref.BED
a1a1
ࣀࢬࣝࢡ࣮ࣜࢽࣥࢢ┿✵◚ቯ
$LUEORZ
1R]]OHFOHDQLQJ
237,21
⮬ືࣂࢵࢡࢵࣉࣆࣥᶵ⬟
$XWREDFNXSSLQHTXLSPHQW
12==/(12==/(12==/(12==/(
>$@>%@>.@>/@
㸿
㹀
2
2
2
2
1
6
7
5
4
4
9
13
11
8
UH03326
9࣊ࢵࢻ
9+($'
24
PTS- AI MEX- 02J E
4CYImM8w
4CYImM8w
Downloaded at 2012/11/08 16:01 JST by 3NFD4805 DL#4CYImM8w