PTS-AIMEX-02JE.pdf - 第239页
NOZZLE CHANGER (V-Advance) 1/2 ノズルチェンジャ (V-Advance) 1/2 2UGMMR000104 No. Dr g .No. & Code No. QTY Descri p tion Ratin g Materials Remarks 番号 図番 & コード番号 個数 品名 規 格材 質 備 考 126 W1021A 1 WASHER, LOCK ワッシャ ス プ リン グ 3M…

NOZZLE CHANGER (V-Advance) 1/2
ノズルチェンジャ (V-Advance) 1/2
2UGMMR000104
No. Dr
g
.No. & Code No. QTY Descri
p
tion Ratin
g
Materials Remarks
番号 図番 & コード番号 個数 品名
規
格材質 備考
67 2MGLMR001202 2 SHAFT シャフト FE
68 H5426K 8 BOLT, HEX SOCKET ボルト 六角穴 M04X008(3カ シロ) FE
69 W1011A 8 WASHER, CONICAL ワッシャ 皿 M-4-L FE
71 2MGLMR007301 1 PLATE, INNER
プ
レート 中 FE
72 H61616 2 BOLT, STOPPER ボルト ストッパ ANB6-60 FE
73 PM0HSA0 1 NUT ナット FE
74 2MGLMR007700 1 BKT BKT FE
75 H5275A 2 BOLT, HEX SOCKET ボルト 六角穴 M03X008 FE
76 W1021A 2 WASHER, LOCK ワッシャ ス
プ
リン
グ
3M
/
MFE
77 S60422 1 SPACER スペーサ C-303.5 PL
78 W10052 1 WASHER ワッシャ CC-0306-03 PL
79 2AGKMP000400 1 BOARD, PRINTED CIRCUIT 基板
プ
リント OT
81 K5256A 1 SCREW, HEX SOCKET BUTTON 小ネジ 六角穴ボタン M03X008 FE
82 W1021A 1 WASHER, LOCK ワッシャ ス
プ
リン
グ
3M
/
MFE
83 K5255T 1 SCREW, HEX SOCKET BUTTON 小ネジ 六角穴ボタン M03X006 FE
84 W1021A 1 WASHER, LOCK ワッシャ ス
プ
リン
グ
3M
/
MFE
85 S2121M 1 CYLINDER, AIR シリンダ エアー CQSB16-10S OT
86 H5282A 4 BOLT, HEX SOCKET ボルト 六角穴 M03X030 FE
87 W1010A 4 WASHER, CONICAL ワッシャ 皿 M-3-L FE
88 H3243E 1 PUSHER
プ
ッシャ USLH8 FE
89 N2030T 1 NIPPLE ニッ
プ
ル M-5AU-4 OT
91 2MGLMR003801 1 PLATE, UPPER
プ
レート 上 FE
92 K5255H 6 SCREW, HEX SOCKET BUTTON 小ネジ 六角穴ボタン M03X005 FE
93 W1010A 6 WASHER, CONICAL ワッシャ 皿 M-3-L FE
94 H5136D 1 BOLT, STOPPER ボルト ストッパ BSTEH7 FE
95 PM17792 1 PIN, REFERENCE ピン 基準 FE
96 H21928 2 PIN, PARALLEL ピン 平行
φ
02X08 B種(h8) FE
97 2MGLMR004101 1 GUIDE ガイド FE
98 H5275A 2 BOLT, HEX SOCKET ボルト 六角穴 M03X008 FE
99 W1010A 2 WASHER, CONICAL ワッシャ 皿 M-3-L FE
101 2MGLMR005000 1 COVER カバー FE
102 H5273A 2 BOLT, HEX SOCKET ボルト 六角穴 M03X005 FE
103 W1021A 2 WASHER, LOCK ワッシャ ス
プ
リン
グ
3M
/
MFE
104 2MGLMR005700 1 BKT BKT FE
105 H5275A 2 BOLT, HEX SOCKET ボルト 六角穴 M03X008 FE
106 W1021A 2 WASHER, LOCK ワッシャ ス
プ
リン
グ
3M
/
MFE
107 H31630 2 PLUNGER, BALL
プ
ランジャ ボール PBF-5-KS FE
108 N1084B 2 NUT, HEX ナット 六角 M05 3シュ(3カクロ) FE
111 K5255T 2 SCREW, HEX SOCKET BUTTON 小ネジ 六角穴ボタン M03X006 FE
112 W1021A 2 WASHER, LOCK ワッシャ ス
プ
リン
グ
3M
/
MFE
113 W1040R 2 WASHER, FLAT ワッシャ 平 3M
/
MX0.5X7(1W-3)(3カクロ) FE
114 H5273A 2 BOLT, HEX SOCKET ボルト 六角穴 M03X005 FE
115 W1010A 2 WASHER, CONICAL ワッシャ 皿 M-3-L FE
116 2MGLMR006600 1 CYLINDER, AIR シリンダ エアー OT
117 H5263A 2 BOLT, HEX SOCKET ボルト 六角穴 M03X018 FE
118 W1021A 2 WASHER, LOCK ワッシャ ス
プ
リン
グ
3M
/
MFE
121 2MGLMR007100 1 PLATE
プ
レート FE
122 PM05794 1 PIN, ROLLER ピン ローラ FE
123 PM05785 1 ROLLER ローラ FE
124 PM05801 1 COLLAR カラー FE
125 N10795 1 NUT, HEX ナット 六角 M03(3カ クロ) FE
238
PTS- AI MEX- 02J E
4CYImM8w
4CYImM8w
Downloaded at 2012/11/08 16:01 JST by 3NFD4805 DL#4CYImM8w

NOZZLE CHANGER (V-Advance) 1/2
ノズルチェンジャ (V-Advance) 1/2
2UGMMR000104
No. Dr
g
.No. & Code No. QTY Descri
p
tion Ratin
g
Materials Remarks
番号 図番 & コード番号 個数 品名
規
格材質 備考
126 W1021A 1 WASHER, LOCK ワッシャ ス
プ
リン
グ
3M
/
MFE
127 N2030T 2 NIPPLE ニッ
プ
ル M-5AU-4 OT
131 2MGLMR004802 1 BKT BKT FE
132 K52565 2 SCREW, HEX SOCKET BUTTON 小ネジ 六角穴ボタン M04X006 FE
133 W1022A 2 WASHER, LOCK ワッシャ ス
プ
リン
グ
4M
/
MFE
134 PP01361 1 DOG, SW ドッ
グ
SW FE
135 H5268T 2 BOLT, HEX SOCKET ボルト 六角穴 M02.5X006 FE
136 W1020H 2 WASHER, LOCK ワッシャ ス
プ
リン
グ
2.5M
/
MFE
137 W1039H 2 WASHER, FLAT ワッシャ 平 2.5M
/
MX0.5X5 FE
141 PP01351 1 DOG, SW ドッ
グ
SW FE
142 H5268T 2 BOLT, HEX SOCKET ボルト 六角穴 M02.5X006 FE
143 W1020H 2 WASHER, LOCK ワッシャ ス
プ
リン
グ
2.5M
/
MFE
144 W1039H 2 WASHER, FLAT ワッシャ 平 2.5M
/
MX0.5X5 FE
145 PB08BL0 1 COVER, SWITCH カバー SW FE
146 K5255H 2 SCREW, HEX SOCKET BUTTON 小ネジ 六角穴ボタン M03X005 FE
147 W1021A 2 WASHER, LOCK ワッシャ ス
プ
リン
グ
3M
/
MFE
151 2MGLMR006400 1 BKT, CLAMP BKT クラン
プ
FE
152 PM0FBK0 1 PIN, PIVOT ピン 支点 FE
153 PP00346 1 LEVER, CLAMP レバー クラン
プ
FE
154 PZ08741 1 SPRING, TORSION ス
プ
リン
グ
ネジリ FE
155 PM17551 1 COLLAR カラー FE
156 PP00863 1 CLAMPER クランパ FE
157 S1003D 1 CIR-CLIP サークリッ
プ
ST-EW-2(3カ シロ) FE
161 PP00323 1 GUARD ガード FE
162 K51756 3 SCREW, C
/
R PAN 小ネジ 十穴鍋 M02.5X005(ステンレス) FE
163 W1020H 3 WASHER, LOCK ワッシャ ス
プ
リン
グ
2.5M
/
MFE
164 K5175Z 2 SCREW, C
/
R PAN 小ネジ 十穴鍋 M02X012(ステンレス) FE
165 S5161A 1 SW, MICRO SW マイクロ AV630564-A OT
166 N1074A 2 NUT, HEX ナット 六角 M02(ステンレス) FE
167 W1020A 2 WASHER, LOCK ワッシャ ス
プ
リン
グ
2M
/
MFE
171 2MGLMR000702 1 MANIFOLD マニホールド AL
172 H5277T 2 BOLT, HEX SOCKET ボルト 六角穴 M03X014 FE
173 W1021A 2 WASHER, LOCK ワッシャ ス
プ
リン
グ
3M
/
MFE
174 S1058A 4 SILENCER サイレンサ AN120-M5 OT
175 Y30824 1 UNION, HALF ユニオン ハーフ KQ2H04-M5 OT
176 K11520 2 GASKET ガスケット SY3000-11-24 OT
177 H11224 2 VALVE, SOL バル
ブ
SOL SY3220-5MOZ-M5 OT
178 K51735 4 SCREW, C
/
R PAN 小ネジ 十穴鍋 SY3000-23-4 FE
179 H3146A 1 PLUG
プ
ラ
グ
M-5P OT
181 K5335K 1 CONTROLLER, SPEED コントローラ スピード ASD230F-M5-04 OT
182 K53382 1 CONTROLLER, SPEED コントローラ スピード AS1301F-M5-04(シロ) OT
183 Y3077Z 1 UNION, ELBOW ユニオン エルボ KQ2L04-M5 OT
184 K5335W 2 CONTROLLER, SPEED コントローラ スピード AS1001F-04シロ OT
239
PTS- AI MEX- 02J E
4CYImM8w
4CYImM8w
Downloaded at 2012/11/08 16:01 JST by 3NFD4805 DL#4CYImM8w

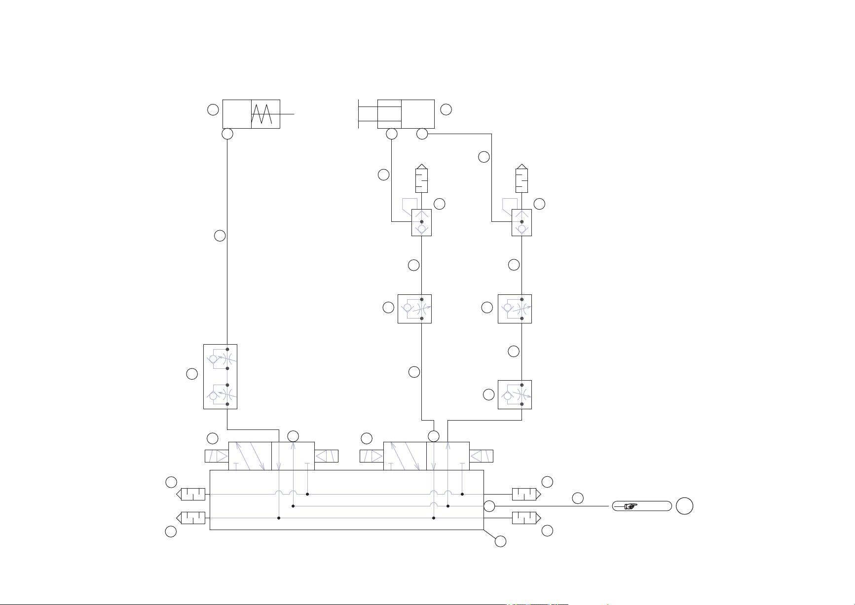
㸿
㹀
㸿
㹀
Ref.BED
dd
3RVSUHVV
ṇᅽ
.3D
$ୖ8S
%ୗ㝆'RZQ
$ࢩࣕࢵࢱ࣮㛤
$6KXWWHURSHQ
%ࢩࣕࢵࢱ࣮㛢
%6KXWWHUFORVH
2
1
3
4
6
5
7
8
99 9
10
11
12
13
13
20
21
22
24
23
25
26
25
3
3
3
4
7
ࣀࢬࣝࢳ࢙ࣥࢪࣕ9$GYDQFH
12==/(&+$1*(59$GYDQFH
2UGMMR000104
240
PTS- AI MEX- 02J E
4CYImM8w
4CYImM8w
Downloaded at 2012/11/08 16:01 JST by 3NFD4805 DL#4CYImM8w