PTS-AIMEX-02JE.pdf - 第96页
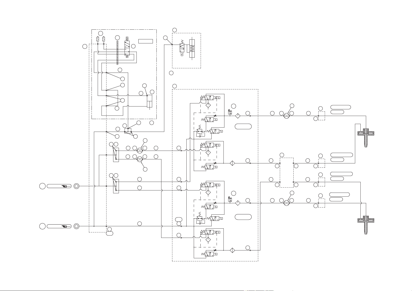
Note) ࠉ When the optional auto backup pin equipment is attached, part number 18 is removed and part number 19 through 26 ,48 through 50 are added. ὀ㸧ࠉ⮬ືࣂࢵࢡࢵࣉࣆࣥᶵ⬟㸦࢜ࣉࢩࣙࣥ㸧ྲྀࡅࡢሙྜࠊရ␒㸯㸶ࢆྲྀࡾእࡋࠊ ࠉࠉࠉရ␒㸯㸷㹼㸰㸴ࠊ㸲㸶㹼㸳㸮ࢆ㏣ຍࡍࡿࠋ ȭ 4 ȭ 4 Z …

ࡇࡢ࣮࣌ࢪࡣࣈࣛࣥࢡ࣮࣌ࢪ࡛ࡍࠋ
This page is intentionally blank.
95
PTS- AI MEX- 02J E
4CYImM8w
4CYImM8w
Downloaded at 2012/11/08 16:01 JST by 3NFD4805 DL#4CYImM8w

Note)ࠉ When the optional auto backup pin equipment
is attached, part number 18 is removed and
part number 19 through 26
,48
through 50
are added.
ὀ㸧ࠉ⮬ືࣂࢵࢡࢵࣉࣆࣥᶵ⬟㸦࢜ࣉࢩࣙࣥ㸧ྲྀࡅࡢሙྜࠊရ␒㸯㸶ࢆྲྀࡾእࡋࠊ
ࠉࠉࠉရ␒㸯㸷㹼㸰㸴ࠊ㸲㸶㹼㸳㸮ࢆ㏣ຍࡍࡿࠋ
ȭ4
ȭ4
Z㍈ࣈ࣮ࣞ࢟
XS03470
(OPTION)
or
ȭ3.2
ȭ3.2ȭ3.2
M5
ȭ3.2
ȭ3.2
ȭ3.2
ȭ3.2
M5M5
M5M5
M5
ȭ3.2
ȭ3.2
A
B
M3
M3
M3
M3
ȭ4(S)
ȭ4(S)
ȭ4(S)
ȭ4(S)
ȭ4(S)
M5
M5
M5
M5
ȭ4(S)
M5
M3
XB03123
M5
M5
ȭ3.2
M5
M5
M5
M5
M5
M3
M3 ȭ4
ȭ4(S)
M5
a2
a1
Neg press
(From Vacuum pump)
㈇ᅽ
㸦┿✵࣏ࣥࣉࡼࡾ㸧
ṇᅽ
㸦㸳㸮㸮㹉㹎㹟㸧
Pos press
Ref.BED
Ref.BED
OPTION
Auto backup pin equipment
⮬ືࣂࢵࢡࢵࣉࣆࣥᶵ⬟
NOZZLE1
NOZZLE2
ࣃ࣮ࢶ྾╔
Part pickup
Nozzle pickup
ࣀࢬࣝ྾╔
Nozzle pickup
ࣀࢬࣝ྾╔
Part pickup
ࣃ࣮ࢶ྾╔
NOZZLE1
NOZZLE2
Z-axis brake
25
1
19
24
50
48
20
26
21
22
21
3118
29
34
3023
912
36
35
7
13
38
7
37
13
13
13
40
12 9
39
41
11
14
52
14
14
14
51
17
33
32
28
4415
8
28
42
42
16
16
2
15 46
15
8
15
27
28
47
43
43
16
6
3
15
15
15
4
16
45
28
27
5
15
52.1
11.1
49
+࣊ࢵࢻ
++($'
UH02610
96
PTS- AI MEX- 02J E
4CYImM8w
4CYImM8w
Downloaded at 2012/11/08 16:01 JST by 3NFD4805 DL#4CYImM8w

H02 HEAD 6/6
H02 ヘッド 6/6
UH02610
No. Dr
g
.No. & Code No. QTY Descri
p
tion Ratin
g
Materials Remarks
番号 図番 & コード番号 個数 品名
規
格材質 備考
1 2MGKHH003401 1 BODY 本体 AL
2 PM054D4 1 STAY ステー AL
3 PM04HH6 1 SLIDER スライダ FE
4 PM04HK6 1 SLIDER スライダ FE
5 PM03MK4 1 CAP キャッ
プ
AL
6 PM03ML4 1 CAP キャッ
プ
AL
7 XS01582 2 SENSOR センサ OT
8 S4033G 2 SENSOR, PRESSURE センサ 圧力 PSE543-M5 OT
9 PM0CHB2 2 BOLT, JOINT ボルト ジョイント FE
11 Y3044Z 1 UNION, ELBOW ユニオン エルボ LH-0425-M3 OT
11.1 R2031B 1 RING リン
グ
LS-0425 OT
12 A4067T 4 ELBOW エルボ M-5ALHU-4 OT
13 A4068H 4 ELBOW エルボ M-5ALU-4 OT
14 N2030T 4 NIPPLE ニッ
プ
ル M-5AU-4 OT
15 A4067R 8 ELBOW エルボ M-5AU-3 OT
16 A4068G 4 ELBOW エルボ M-5ALU-3 OT
17 XB03124 1 VALVE UNIT バル
ブ
ユニット OT
18 H3145H 1 PLUG
プ
ラ
グ
M-3P OT
19 S1058B 2 SILENCER サイレンサ AN120-M3 OT
20 A4067G 1 ELBOW エルボ M-3AU-3 OT
21 A40669 3 ELBOW エルボ M-3ALU-3 OT
22 A4067H 1 ELBOW エルボ M-3AU-4 OT
23 A4067A 1 ELBOW エルボ M-3ALU-4 OT
24 H1077W 1 VALVE, SOL バル
ブ
SOL PCS242-NB-D24L OT
25 PJ15302 1 PLATE, ACRYLIC
プ
レート アクリル OT
26 XS02773 1 CYLINDER シリンダ OT
27 XS01582 2 SENSOR センサ OT
28 A4068G 4 ELBOW エルボ M-5ALU-3 OT
29 PM096S1 1 JOINT, HOSE ジョイント ホース AL
30 A4067H 2 ELBOW エルボ M-3AU-4 OT
31 A4067H 1 ELBOW エルボ M-3AU-4 OT
32 A4067H 1 ELBOW エルボ M-3AU-4 OT
33 2MGKHH000700 1 CYLINDER シリンダ OT
34 PZ54271 1 TUBE チュー
ブ
OT
35 PZ42601 1 TUBE チュー
ブ
OT
36 PZ42621 1 TUBE チュー
ブ
OT
37 PZ42561 1 TUBE チュー
ブ
OT
38 PZ42571 1 TUBE チュー
ブ
OT
39 PZ42591 1 TUBE チュー
ブ
OT
40 PZ42581 1 TUBE チュー
ブ
OT
41 PZ42611 1 TUBE チュー
ブ
OT
42 PZ42661 2 TUBE チュー
ブ
OT
43 PZ15271 2 TUBE チュー
ブ
OT
44 PZ42631 1 TUBE チュー
ブ
OT
45 PZ42671 1 TUBE チュー
ブ
OT
46 PZ42641 1 TUBE チュー
ブ
OT
47 PZ42671 1 TUBE チュー
ブ
OT
48 PZ42641 1 TUBE チュー
ブ
OT
49 PZ42651 1 TUBE チュー
ブ
OT
50 PZ54281 1 TUBE チュー
ブ
OT
51 PZ54291 1 TUBE チュー
ブ
OT
97
PTS- AI MEX- 02J E
4CYImM8w
4CYImM8w
Downloaded at 2012/11/08 16:01 JST by 3NFD4805 DL#4CYImM8w