PTS-AIMEX-02JE.pdf - 第39页
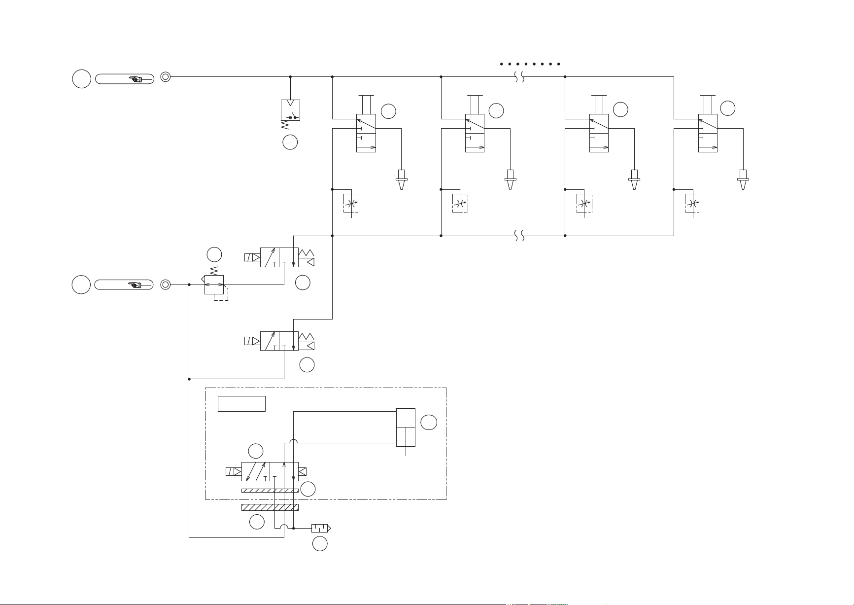
H12HS HEAD 3/3 H12HS ヘッド 3/3 UH03025 No. Dr g .No. & Code No. QTY Descri p tion Ratin g Materials Remarks 番号 図番 & コード番号 個数 品名 規 格材 質 備 考 1 XB03330 2 VALVE, SOL バル ブ SOL OT 2 XB00763 1 VALVE, PRESSURE REDUCING バ …

ࣀࢬࣝࢡ࣮ࣜࢽࣥࢢ
┿✵◚ቯ
㈇ᅽ
┿✵࣏ࣥࣉࡼࡾ
12==/(12==/(12==/(12==/(
>$@>%@>.@>/@
237,21
⮬ືࣂࢵࢡࢵࣉࣆࣥᶵ⬟
%
$
1HJSUHVV
)URP9DFXXPSXPS
$LUEORZ
1R]]OHFOHDQLQJ
$XWREDFNXSSLQHTXLSPHQW
3RVSUHVV
ṇᅽ
.3D
Ref.BED
Ref.BED
a1a1
a2a2
7
1
2
3
3
3
3
13
1
5
6
9
10
++6࣊ࢵࢻ
++6+($'
UH03025
38
PTS- AI MEX- 02J E
4CYImM8w
4CYImM8w
Downloaded at 2012/11/08 16:01 JST by 3NFD4805 DL#4CYImM8w

H12HS HEAD 3/3
H12HS ヘッド 3/3
UH03025
No. Dr
g
.No. & Code No. QTY Descri
p
tion Ratin
g
Materials Remarks
番号 図番 & コード番号 個数 品名
規
格材質 備考
1 XB03330 2 VALVE, SOL バル
ブ
SOL OT
2 XB00763 1 VALVE, PRESSURE REDUCING バル
ブ
減圧 OT
3 XS03693 12 SPOOL ス
プ
ール OT
5 S1058B 1 SILENCER サイレンサ AN120-M3 OT
6 H62140 1 PLATE
プ
レート SYJ3000-21-12A OT
7 XS00842 1 SENSOR, PRESSURE センサ 圧力 OT
9 H1122D 1 VALVE, SOL バル
ブ
SOL SYJ3140-5M0U OT
10 XS01844 1 CYLINDER シリンダ OT
13 PJ06032 1 PLATE, ACRYLIC
プ
レート アクリル OT
39
PTS- AI MEX- 02J E
4CYImM8w
4CYImM8w
Downloaded at 2012/11/08 16:01 JST by 3NFD4805 DL#4CYImM8w

49
25
30
29
28
35
34
18
19
19.1
20
21
22
24
23
8
9
10
11
5
7
6
25.1
25.1
26
27
45
47
48
46
1
31
32
33
37
41
40
42
43
AA74A06
++6+($'$872%$&.833,1(48,30(17
++6࣊ࢵࢻ⮬ືࣂࢵࢡࢵࣉࣆࣥᶵ⬟
40
PTS- AI MEX- 02J E
4CYImM8w
4CYImM8w
Downloaded at 2012/11/08 16:01 JST by 3NFD4805 DL#4CYImM8w