PTS-AIMEX-02JE.pdf - 第223页
WASTE TAPE DUCT 残テープダクト 2UGMBA000119 No. Dr g .No. & Code No. QTY Descri p tion Ratin g Materials Remarks 番号 図番 & コード番号 個数 品名 規 格材 質 備 考 1 2MGMPL000101 1 DUCT ダ クト FE 2 H5288A 4 BOLT, HEX SOCKET ボルト 六角穴 M04X010 …

HALF DUCT
1/3 DUCT
㸰㸱㸲㸳㸴㸵㸶㸷㸯㸮㸯㸯
㸯㸰㸯㸱㸯㸲㸯
V-Advance
BB
AA
CC
DD
EE
BB
AA
CC
DD
CC
CC
EE
EE
EE
21
22
23
25
26
26
1
7
8
9
10
11
12
12
13
13
14
14
15
15
2
3
4
5
31
32
33
24
24
23
2
3
4
41
42
43
45
46
44
44
43
47
48
49
51
52
53
55
56
54
54
57
58
59
61
62
64
65
66
66
63
2UGMBA000119
ṧࢸ࣮ࣉࢲࢡࢺ
:$67(7$3('8&7
222
PTS- AI MEX- 02J E
4CYImM8w
4CYImM8w
Downloaded at 2012/11/08 16:01 JST by 3NFD4805 DL#4CYImM8w

WASTE TAPE DUCT
残テープダクト
2UGMBA000119
No. Dr
g
.No. & Code No. QTY Descri
p
tion Ratin
g
Materials Remarks
番号 図番 & コード番号 個数 品名
規
格材質 備考
1 2MGMPL000101 1 DUCT ダクト FE
2 H5288A 4 BOLT, HEX SOCKET ボルト 六角穴 M04X010 FE
3 W1022A 4 WASHER, LOCK ワッシャ ス
プ
リン
グ
4M
/
MFE
4 W1043A 4 WASHER, FLAT ワッシャ 平 4W- 4 FE
5 PG02914 1 PACKING パッキン OT
7 PB057C1 1 COVER カバー FE
8 H5274A 2 BOLT, HEX SOCKET ボルト 六角穴 M03X006 FE
9 W1021A 2 WASHER, LOCK ワッシャ ス
プ
リン
グ
3M
/
MFE
10 W1042A 2 WASHER, FLAT ワッシャ 平 4W- 3 FE
11 PZ14532 2 HINGE 蝶番 OT
12 N1074Z 8 NUT, HEX ナット 六角 M02.5(ステンレス) FE
13 W1020H 8 WASHER, LOCK ワッシャ ス
プ
リン
グ
2.5M
/
MFE
14 W1040R 8 WASHER, FLAT ワッシャ 平 3M
/
MX0.5X7(1W-3)(3カクロ) FE
15 K5357A 8 SCREW, HEX SOCKET COUNTERSUNK 小ネジ 六角穴皿 M02.5X006(ステンレス) FE
21 2AGMPL000302 1 DUCT ダクト OT
22 PB32215 1 DUCT ダクト FE
23 2MGMPL002500 2 PACKING, RUBBER パッキン ゴム OT
24 2MGMPL003401 2 PACKING, RUBBER パッキン ゴム OT
25 PX02082 1 NAMEPLATE
銘
板PL
26 K5198D 4 SCREW, WASHER ASS'Y 小ネジ 座金組込み M04X008 ナベセムス P3(3カシロ) FE
31 2MGMBA009800 1 PLATE, BLIND
プ
レート 盲 FE
32 H5287A 2 BOLT, HEX SOCKET ボルト 六角穴 M04X008 ゼンネジ FE
33 W1022A 2 WASHER, LOCK ワッシャ ス
プ
リン
グ
4M
/
MFE
41 2AGMPL000401 1 DUCT ダクト OT HALF DUCT
42 2MGMPL002900 1 DUCT ダクト FE HALF DUCT
43 2MGMPL002500 2 PACKING, RUBBER パッキン ゴム OT HALF DUCT
44 2MGMPL003401 2 PACKING, RUBBER パッキン ゴム OT HALF DUCT
45 PX02082 1 NAMEPLATE
銘
板 PL HALF DUCT
46 K5198D 2 SCREW, WASHER ASS'Y 小ネジ 座金組込み M04X008 ナベセムス P3(3カシロ) FE HALF DUCT
47 H5289A 2 BOLT, HEX SOCKET ボルト 六角穴 M04X012 FE HALF DUCT
48 W1022A 2 WASHER, LOCK ワッシャ ス
プ
リン
グ
4M
/
M FE HALF DUCT
49 W1043C 2 WASHER, FLAT ワッシャ 平 4W- 4(3カシロ) FE HALF DUCT
51 2AGMPL000501 1 DUCT ダクト OT 1
/
3 DUCT
52 2MGMPL003000 1 DUCT ダクト FE 1
/
3 DUCT
53 2MGMPL002500 1 PACKING, RUBBER パッキン ゴム OT 1
/
3 DUCT
54 2MGMPL003401 2 PACKING, RUBBER パッキン ゴム OT 1
/
3 DUCT
55 PX00143 1 NAMEPLATE
銘
板PL1
/
3 DUCT
56 K5198D 2 SCREW, WASHER ASS'Y 小ネジ 座金組込み M04X008 ナベセムス P3(3カシロ) FE 1
/
3 DUCT
57 H5289A 2 BOLT, HEX SOCKET ボルト 六角穴 M04X012 FE 1
/
3 DUCT
58 W1022A 2 WASHER, LOCK ワッシャ ス
プ
リン
グ
4M
/
MFE1
/
3 DUCT
59 W1043C 2 WASHER, FLAT ワッシャ 平 4W- 4(3カシロ) FE 1
/
3 DUCT
61 2AGMPL000801 1 DUCT ダクト OT V-Advance
62 2MGMPL003300 1 DUCT ダクト FE V-Advance
63 2MGMPL003500 1 PACKING, RUBBER パッキン ゴム OT V-Advance
64 2MGMPL003600 1 PACKING, RUBBER パッキン ゴム OT V-Advance
65 PX02082 1 NAMEPLATE
銘
板 PL V-Advance
66 K5198D 4 SCREW, WASHER ASS'Y 小ネジ 座金組込み M04X008 ナベセムス P3(3カシロ) FE V-Advance
223
PTS- AI MEX- 02J E
4CYImM8w
4CYImM8w
Downloaded at 2012/11/08 16:01 JST by 3NFD4805 DL#4CYImM8w

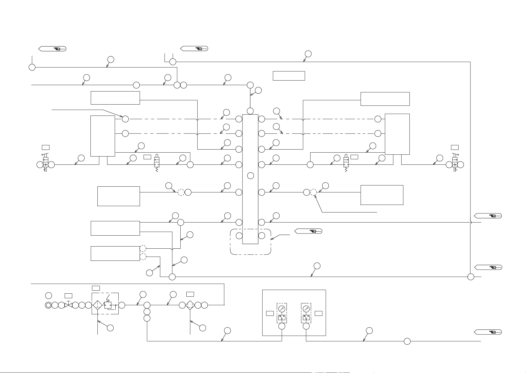
BB
AA
CC
DD
EE
FF
Ref.2/
Ref.2/
Ref.3/
Ref.3/
Ref.3/
Ref.3/
䝕䝞䜲䝇ྎ䚷ṧᅽ㛤ᨺ⏝
䠄䝅䝸䞁䝎䜽䝷䞁䝥ഃ䜈䠅
䃥䠐
䠨䠙䠕䠌䠌
䃥䠍䠒䃥䠍䠒
䃥䠍䠒
䠨䠙䠍䠍䠑䠌
䠨䠙䠎䠌䠌䠨䠙䠏䠐䠌
䃥䠍䠒
䠨䠙䠎䠌䠌
䝟䝺䝑䝖䜽䝷䞁䝥⏝
䠄䝋䝺䝜䜲䝗䝞䝹䝤䜈䠅
䠩䠰䠱䚷䝸䝮䞊䝞⏝
䠩䠰䠱䚷ྛ㥑ື⏝
䃥䠐
䠄䠬䠅䠄䠝䠅
䠨䠙䠍䠏䠓䠌
䝕䝞䜲䝇䝧䞊䝇
䠄䡉䠝㻘䡏䠍䠅
㼟㼕㼐㼑䠍ഃ䝖䝺䜲ᵝ䛾䛸䛝ྲྀእ䛧
ṧ䝔䞊䝥䜹䝑䝍䠄䡉䠝㻘䡏䠍䠅
䃥䠐
䝟䝺䝑䝖䜰䞁䜽䝷䞁䝥⏝
䠄䝅䝸䞁䝎䜰䞁䜽䝷䝥ഃ䜈䠅
䃥䠐
䠄ṇᅽ䠅
䠄㈇ᅽ䠅
䠨䠙䠏䠕䠌
䠨䠙䠍䠏䠌䠌
䃥䠐
䃥䠐
䠨䠙䠏䠌䠌
䠨䠙䠑䠍䠌
䝁䞁䝧䜰䠄䡉䠝㻘䡏䠍䠅䚷䠤䠞䠟
䝜䝈䝹䝏䜵䞁䝆䝱䠄䡉䠝㻘䡏䠍䠅
䃥䠍䠌
䃥䠍䠌
䠨䠙䠎䠒䠌䠌
䠨䠙䠎䠑䠌䠌
䠨䠙䠎䠎䠌䠌
䠨䠙䠎䠎䠌䠌
䃥䠒
䃥䠐
䃥䠐
䃥䠐
䠨䠙䠎䠏䠌䠌
䠨䠙䠎䠐䠌䠌
䠨䠙䠐䠌䠌
䃥䠍䠒
䝟䝺䝑䝖䜽䝷䞁䝥⏝
䠄䝋䝺䝜䜲䝗䝞䝹䝤䜈䠅
䠩䠰䠱䚷䝸䝮䞊䝞⏝
䠩䠰䠱䚷ྛ㥑ື⏝
䃥䠍䠌
䃥䠍䠌
䃥䠒
䃥䠐
䃥䠐
䠨䠙䠎䠎䠌䠌
䠨䠙䠎䠍䠌䠌
䠨䠙䠍䠍䠌䠌
䠨䠙䠍䠑䠌䠌
䃥䠔
䃥䠐
䠌䠊䠐䠩䠬䠽
ṇᅽ㈇ᅽ
䠉䠑䠕䡇䠬䠽
䃥䠒
䃥䠐
䃥䠐
䃥䠍䠒䃥䠍䠒
䃥䠍䠌
䝕䝞䜲䝇ྎ䚷ṧᅽ㛤ᨺ⏝
䠄䝅䝸䞁䝎䜽䝷䞁䝥ഃ䜈䠅
䃥䠐
䠄䠬䠅䠄䠝䠅
䃥䠍䠌
䠨䠙䠍䠏䠌䠌
䠨䠙䠏䠔䠌
䠨䠙䠕䠌䠨䠙䠕䠑
䠨䠙䠒䠐䠌
䠨䠙䠐䠎䠌
䠨䠙䠐䠍䠌
䃥䠐
䃥䠐
䃥䠐
䠨䠙䠍䠕䠌䠌
䠨䠙䠍䠎䠑䠌
䠨䠙䠍䠏䠕䠌
䠨䠙䠍䠓䠌䠌
䠨䠙䠍䠍䠔䠌
䠨䠙䠍䠍䠔䠌
䠄ṇᅽ䠅
䠄㈇ᅽ䠅
䠨䠙䠑䠍䠌
䝁䞁䝧䜰䠄䡉䠝㻘䡏䠎䠅䚷䠤䠞䠟
䠴䠍
䠯䠥䠠䠡䠍
䠄䝅䝸䞁䝎䜰䞁䜽䝷䝥ഃ䜈䠅
䃥䠐
䃥䠐
䠩䠑䠩䠑
䃥䠒
䠄䠬䠅䠄䠝䠅
䠄䠝䠅䠄䠬䠅
䠨䠙䠒䠑䠌
䠨䠙䠒䠌䠌
䃥䠒
䠨䠙䠎䠒䠑䠌
䝕䝞䜲䝇䝧䞊䝇
䠄䡉䠞㻘䡏䠍䠅
䃥䠐
䠨䠙䠏䠌䠌
䠨䠙䠕䠌䠌
ṧ䝔䞊䝥䜹䝑䝍䠄䡉䠞㻘䡏䠍䠅
䝜䝈䝹䝏䜵䞁䝆䝱↓䛧⏝
䝜䝈䝹䝏䜵䞁䝆䝱䠄䡉䠞㻘䡏䠍䠅
䝟䝺䝑䝖䜰䞁䜽䝷䞁䝥⏝
WASTE TAPE CUTTER
WASTE TAPE CUTTER
DEVICE BASE
FOR PALLET CLAMP
(CYLINDER UNCLAMP SIDE)
FOR PALLET CLAMP
FOR PALLET CLAMP
MTU FOR EACH DRIVE
MTU FOR EACH DRIVE
MTU FOR REMOVER MTU FOR REMOVER
(CYLINDER UNCLAMP SIDE)
(CYLINDER UNCLAMP SIDE)(CYLINDER CLAMP SIDE)
SOL VALVE'S TO
NOZZLE CHANGER (mB,s1)
NOZZLE CHANGER(mA,s1)
DEVICE BASE
FOR REMAINING PRESSURE
DISCHARGE
FOR PALLET CLAMP
SOL VALVE'S TO
(NEG PRESS)
NEG PRESS
(NEG PRESS)
(POS PRESS)
(POS PRESS)
POS PRESS
CONVEYOR(mA,s1) HBC
CONVEYOR(mA,s2) HBC
DEVICE BASE
DEVICE TABLE
FOR REMAINING PRESSURE
DISCHARGE
REMOVAL WHEN TRAY USED AT SIDE 1
USED WHEN NOT USING NOZZLE CHANGER
54
69
13
13 14 9
123
23
56
45
45
87
24 24
G
59
60
61
58
57
17
17
18
19
19
23
23
44
62
84
85
86
130
131
132
137
144
17
18
19
19
20
21
21
23
17
65
66
67
68
129
63
64
15
16
23
44
138
144
345 6 7
10
11
A
B
689
C51
50
5352
107
108
115
DE
2
1
3
43
43
H
13
H
45
45
55
90
91 92
24 24
G
39
93
42
116
19
12 12
2UGMBA000119
࢚࣮㓄⟶ᅗ
31(80$7,&&,5&8,7',$*5$0
224
PTS- AI MEX- 02J E
4CYImM8w
4CYImM8w
Downloaded at 2012/11/08 16:01 JST by 3NFD4805 DL#4CYImM8w