MX系列中文说明书.pdf - 第314页
G-40 Mx Series Manual 2811Z-24001-06x SMPS2 DC24Vsw ??2811Z-10901-03x 2811Z-24001-05x D I/O LIMIT CAN COMM DMC I/O BOARD Anlog SIG DMC MAIN BOARD DC24V Flat Cable_SX1 DC24Vsw 3 Z6-ECD Z5-ECD DC24Vsw 2 CAN 1 CAN 0 Current…

Appendix G-39
SMPS2
DC24Vsw
??2811Z-10901-03x
2811Z-24001-02x
2811Z-24001-03x
D I/O
LIMIT
CAN COMM
DMC I/O BOARD
Anlog SIG
DMC MAIN BOARD
DC24V
Flat Cable_SX1
DC24Vsw 3
Z6-ECD
Z5-ECD
CAN 0
CAN 1
Current Board
DMC INVERTER BOARD
DC24Vsw3
Z5-POWER
Z6-POWER
HEAD DMC
DC CONTROL POWER IN
From:L P_BOX CN4A
2811Z-10401-01x
SMPS1
DC24Vsw
??2811Z-10901-02x
Left Front Head Block Diagram
CAN
AC POWER IN
From:L P_BOX CN9
2811Z-10901-01x
DMC I/O BOARD
D I/O
Anlog SIG
LIMIT
CAN COMM
DC24V1
DC24V2
DC24V3
DC24Vsw 1
DC24Vsw 2
Flat Cable X1
DMC MAIN BOARD
Current Board
DC24V
Z1-ECD
Z2-ECD
Z3-ECD
Z4-ECD
DMC INVERTER BOARD
DC24Vsw1
DC24Vsw2
Z1-POWER
Z2-POWER
Z3-POWER
Z4-POWER
2811Z-24011-02x
2811Z-33010-01x
Z1-ECD
2811Z-24009-03x
2811Z-24011-01x
Anlog SIG
D I/O
2811Z-24012-01x
LIMIT
D I/O
2811Z-24009-01x
LIMIT
DC24V
DMC Connector Board
2811Z-33090-01X
2811Z-33040-01X
2811Z-33030-01X
2811Z-33030-02X
2811Z-24010-010
VACUUM EJECTOR(6P)
LMT Z-NSEN
LMT Z-PSEN
Laser Point
VACUUM EJECTOR(6P)
A-SIG 6PORT
D-SIG 12PORT
2811Z-33010-06x
M
M
Z6-POWER
Z6-ECD
Z5-POWER
Z5-ECD
Z4-POWER
Z3-POWER
Z4-ECD
Z2-POWER
Z2-ECD
Z3-ECD
Z1-POWER
2811Z-33010-03x
2811Z-33010-02x
M
M
M
M
2811Z-33010-04x
2811Z-33010-05x
DMC-A
From:L P-BOX CN4A
2811Z-10401-01x
From : Left Front Pana
2811Z-24016-02x
DC24V
DMC ANALOG Board
2811Z-24004-05x
2811Z-24004-06x
2811Z-24004-07x
2811Z-240054-08x
X5
rW AMP
Right Rear
Convex 연결
X5
T/B Block
PANA AMP
CONVEX AMP
rY2 AMP
2652Z-24005-07x
2652Z-24005-08x
2811Z-24015-01x
2811Z-24015-03x
rY2_HS
B/D
To: C/B 1(CN4)
2811Z-27201-02x
2811Z-24006-05x
2811Z-24006-06x
2811Z-24006-07x
2811Z-24006-08x
To: C/B 1(CN4)
2811Z-27201-02x
From:L P-BOX CN8
2811Z-10801-02x(AMP Cont PWR)
From:L P-BOX CN10
2811Z-11001-02x(Motor PWR)
Right Rear Pana 연결
2811Z-24016-03x
2811Z-24001-04x
DMC MAIN Board
From:P-BOX CN4A
2811Z-10401-01x(EXT DC24V)
LIMIT
CAN COMM
Rear DMC I/O Board
2811Z-24002-02x
CAN
Left Rear Gantry Block Diagram
2652Z-32020-01x
Left Front DMC-A
LIMIT Y1-PSEN
2811Z-24003-01x
2652Z-24005-06x
X5
T/B BlockT/B Block
CONVEX AMP
rY1 AMP
2811Z-24015-01x
2652Z-24005-05x
X5
CONVEX AMP
rX AMP
From : Left Front Convex
2811Z-24015-02x
rX_HS
B/D
To: C/B 1(CN4)
2811Z-27201-02x
rY1_HS
B/D
MOTOR
rY1-ECD
rY2-HALL
Y1
Y2
fX-HALL
rX-Temp
rY1-HALL
MOTOR
rX-ECD
X1
2811Z-24007-01x
40543-11000-000
553312-000036
rX-Hall
rY1-Hall
40543-11000-000
553312-000037
40543-11000-000
553312-000038
rY2-Hall
Flat Cable
rX-PSEN
rX-PSEN
rX-NSEN
rY1-PSEN
2811Z-32010-02x
2811Z-32010-01x
2811Z-24007-01x
Scale Head
rX-NSEN
rX-ECD
Scale Head
rY1_MOVER
rY2-ECD
rY2_MOVER
rY2-Temp
rY1-POWER
rX-POWER
rY1-Temp
rX-Temp
rY1-ECD
rX_MOVER
Scale Head
Flat Cable
MOTOR
rW-POWER
MOTOR
rY2-POWER
rY1-Temp
Y2
X1
2811Z-24007-01x
rY1-POWER
MOTOR
rX-POWER
X1
Y1
MOTOR
rW-ECD
rY2-Temp
MOTOR
rY2-ECD
rW-ECD
Panasoinc
2811Z-33110-010
rW-POWER
2811Z-24008-01x
M
rY2-POWER

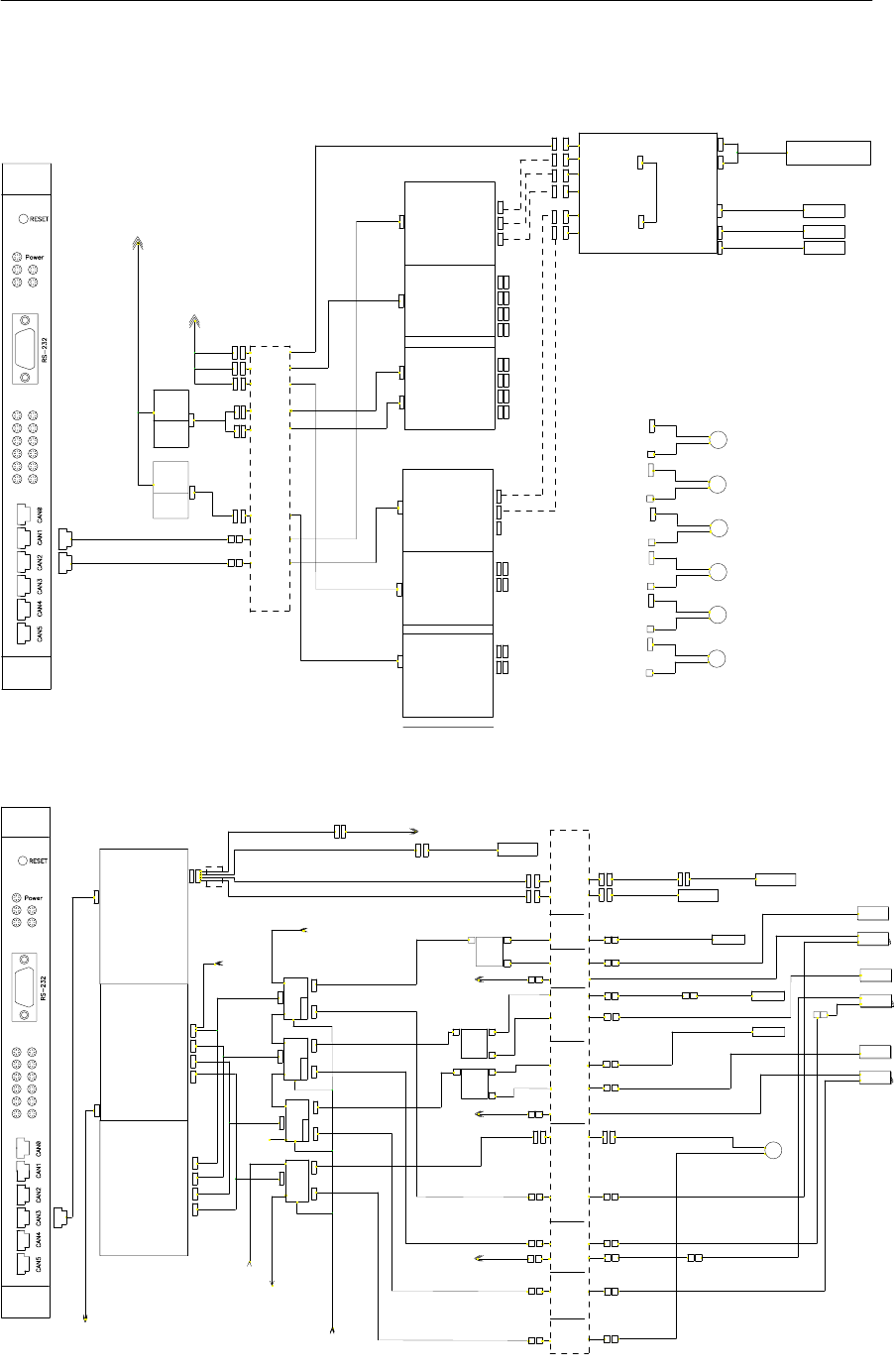
G-40 Mx Series Manual
2811Z-24001-06x
SMPS2
DC24Vsw
??2811Z-10901-03x
2811Z-24001-05x
D I/O
LIMIT
CAN COMM
DMC I/O BOARD
Anlog SIG
DMC MAIN BOARD
DC24V
Flat Cable_SX1
DC24Vsw 3
Z6-ECD
Z5-ECD
DC24Vsw 2
CAN 1
CAN 0
Current Board
DMC INVERTER BOARD
DC24Vsw3
Z5-POWER
Z6-POWER
HEAD DMC
DC CONTROL POWER IN
From:L P_BOX CN4A
2811Z-10401-01x
SMPS1
DC24Vsw
??2811Z-10901-02x
CAN
Left Rear Head Block Diagram
AC POWER IN
From:L P_BOX CN9
2811Z-10901-01x
DMC I/O BOARD
D I/O
Anlog SIG
LIMIT
CAN COMM
DC24Vsw 1
DC24V3
DC24V2
DC24V1
Flat Cable_X1
Z4-ECD
Z3-ECD
Z2-ECD
Z1-ECD
DC24V
Current Board
DMC MAIN BOARD
DC24Vsw1
DC24Vsw2
Z1-POWER
Z2-POWER
Z3-POWER
Z4-POWER
DMC INVERTER BOARD
2811Z-24011-04x
2811Z-33020-01x
Z1-ECD
2811Z-24009-04x
Anlog SIG
D I/O
2811Z-24011-03x
2811Z-24012-02x
D I/O
LIMIT
2811Z-24009-02x
DMC Connector Board
DC24V
LIMIT
2811Z-33090-02X
2811Z-33040-02X
2811Z-33030-03X
2811Z-33030-04X
2811Z-24010-010
VACUUM EJECTOR(6P)
LMT Z-NSEN
LMT Z-PSEN
Laser Point
VACUUM EJECTOR(6P)
A-SIG 6PORT
D-SIG 12PORT
2811Z-33020-06x
Z5-POWER
Z6-ECD
Z6-POWER
M
M
Z5-ECD
Z4-POWER
Z3-POWER
Z4-ECD
Z2-POWER
Z2-ECD
Z3-ECD
Z1-POWER
2811Z-33020-02x
2811Z-33020-03x
M
M
M
M
2811Z-33020-04x
2811Z-33020-05x

Appendix G-41
2811Z-24101-01x
See "2811Z-24100-010"
"Inlet, Conveyor width"
CAN
Left VME Rack
Left VME CAN-2 Board Block Diagram
From
P-BOX CN8
2811Z-10901-01X
From
P-BOX CN9
2811Z-10801-01X
From
P-BOX CN4B
2811Z-?
2811Z-24105-03
2811Z-24104-03
2811Z-24103-03
Conveyor Front Panasonic AMP
(MADDT1205)
X5
X1
X6
X6
X2
Inlet Rear Panasonic AMP
(MADDT1205)
2811Z-24105-02
2811Z-24105-01
2811Z-24104-02
2811Z-24104-01
2811Z-24103-02
X1
X5
X1
X5
X2
X6
X2
Inlet Front Panasonic AMP
(MADDT1205)
Inlet : From
2811Z-27203-01x
Inlet : From
2811Z-27203-02x
X5
X1
X6
X2
Conveyor Rear Panasonic AMP
(MADDT1205)
2811Z-24103-04
2811Z-24104-04
2811Z-24105-04
Inlet, Conveyor CAN Board 2(CN0)
2811Z-24101-01x
Encoder 2
Encoder 3
Motion Analog 0
Main board
Control PWR
Motion Analog 2
Motion Analog 1
Motion Analog 3
Analog Board
Encoder 1
DMC ANALOG V13
IO Board
CAN COMM
Digital I/O
Limit Input
Analog Input
Encoder 0
CAN
Inlet Machine, Conveyor Width Block Diagram
2811Z-24102-01
2811Z-24103-01
rENT
2652Z-36250-02x
fENT
2652Z-36250-01x
CONV Front Motor(100W)
(MSMD012S1S)
CONV Rear Motor(100W)
(MSMD042S1T)
Motor
Conv CSN
Conv N_SN
Conv P_SN
?
PM-L24(SUNX)
Inlet-Conv
(+)Limit
Conv
SEN(+)
To: Inlet Limit Sensor
Motor
?
PM-L24(SUNX)
Conv
SEN(-)
Inlet-Conv
(-)Limit
Conv
CSN(+,-)
To: Inlet Limit Sensor
?
PM-U24(SUNX)
Inlet-Conv
(+,-)Limit
To: Inlet Collision Sensor
※ Inlet CONV
Motor
CONV Rear Motor(100W)
(MSMD042S1T)
PM-L24(SUNX)
?
Conv
SEN(+)
Outlet-Conv
(+)Limit
Conv
CSN(+,-)
Outletf-Conv
(-)Limit
Conv
SEN(-)
PM-L24(SUNX)
To:Conveyor Limit Sensor
Conv N_SN
Conv P_SN
Conv CSN
?
CONV Front Motor(100W)
(MSMD012S1S)
Motor
To:Conveyor Limit Sensor
※Conveyor Widrh
To:Conveyor Collision Sensor
?
PM-U24(SUNX)
Outlet-Conv
(+,-)Limit