P-0206-001.pdf - 第141页
MODEL TCM-X200 0203-002 Key No. P AR T No. P AR T NAME Q’ ty REMARKS NOTE 139 JE-1 1 630 095 6498 BRAC KET 1 696JE-1 10-001 2 630 095 6283 BRAC KET 1 696JE-1 10-002 5 630 094 2576 CO VE R 1 6 96JE-1 10-005 6 630 093 2621…

MODEL TCM-X200
0211-003
138
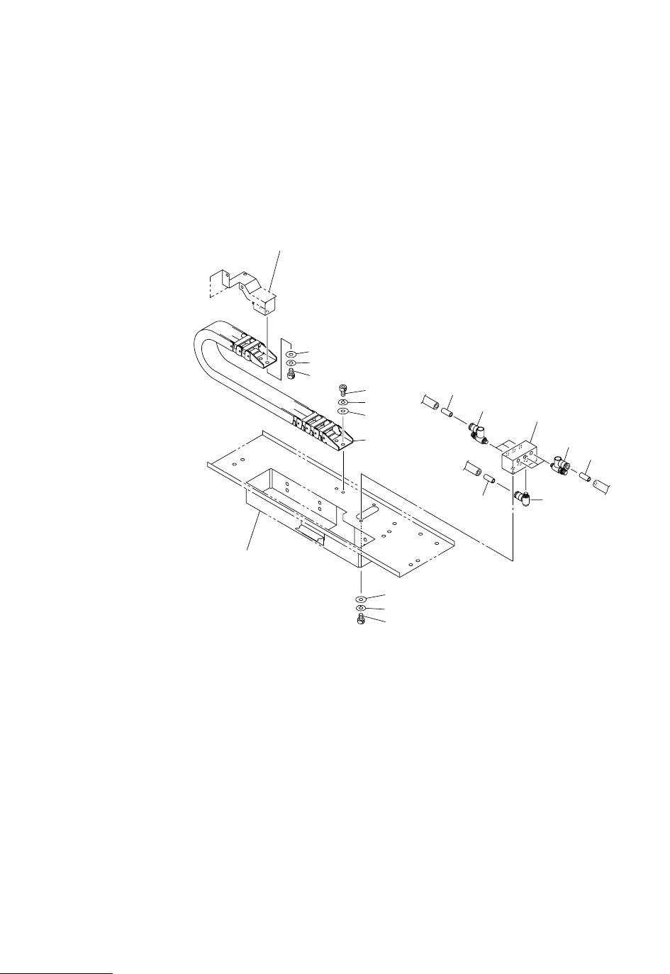
XY ࠹ࡉ࡞㈩▤ޔ㈩✢ XY TABLE PIPING, WIRING
Fig. JE-1 XY ࠪࡘ࠻ࡦࠨ XY Chute Width Limit Sensors
See Fig.JD-1
Key No.33
See Fig.JD-1
Key No.1
See Fig.JC-1
Key No.4
See Fig.JD-4
Key No.306
Fig.JE-1
TCM-X200-003
4797A-002
27
7
1
27
27
11
16
19
14
18
21
12
17
20
26
10
11
16
19
14
2
6
27
20
17
28
18
21
10
5
29
23

MODEL TCM-X200
0203-002
Key No. PART No. PART NAME Q’ty REMARKS
NOTE
139
JE-1
1 630 095 6498 BRACKET 1 696JE-110-001
2 630 095 6283 BRACKET 1 696JE-110-002
5 630 094 2576 COVER 1 696JE-110-005
6 630 093 2621 COVER 1 696JE-110-006
7 630 093 5936 COVER 1 696JE-110-007
10 630 093 0016 ASSY,SENSOR,PHOTO 2 BPH73,BPH74 696JE-110-010
11 411 140 6300 SCR PAN 2X8 4 696JE-110-011
12 630 000 7503 BOLT,HEX-SCT 4 696JE-110-012
14 630 000 7619 BOLT,HEX-SCT 3 696JE-110-014
16 411 141 2509 WASHER SPR 2 4 696JE-110-016
17 411 141 2806 WASHER SPR 3 5 696JE-110-017
18 411 141 2905 WASHER SPR 4 4 696JE-110-018
19 411 141 3605 WASHER V 2X5X0.3 4 696JE-110-019
20 411 141 3902 WASHER V 3X7X0.5 5 696JE-110-020
21 411 141 4008 WASHER V 4X9X0.8 3 696JE-110-021
23 630 087 7182 COVER 1 696JE-110-023
26 630 095 6290 PLATE 1 696JE-110-026
27 630 047 4596 BOLT,HEX-SCT(BUTTON HEAD) 10 696JE-110-027
28 630 000 7527 BOLT,HEX-SCT 1 696JE-110-028
29 630 076 8824 BOLT,HEX-SCT(BUTTON HEAD) 2 696JE-110-029

MODEL TCM-X200
0203-002
140
XY ࠹ࡉ࡞㈩▤ޔ㈩✢ XY TABLE PIPING, WIRING
Fig. JE-2 Z ࠢࡦࡊ㈩▤ - 㧝 Z Clamp Piping-1
See Fig.JE-1
Key No.1
See Fig.JE-1
Key No.2
Fig.JE-2
TCM-X200-002
4797A-002
119
118
120
119
120
103
104
117
115
104
117
116
117
118
120
119
118