P-0206-001.pdf - 第159页
MODEL TCM-X200 0203-002 Key No. P AR T No. P AR T NAME Q’ ty REMARKS NOTE 157 K-4 30 1 630 092 7580 BASE 1 6 9 6 K--1 10-301 30 2 630 100 7205 CYLINDER 1 YSV20 6 9 6 K--1 10-302 30 3 630 102 7937 L EVER 1 6 9 6 K--1 10-3…

MODEL TCM-X200
0211-003
156
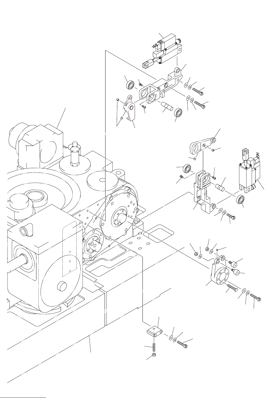
ࡋ࠶࠼㚟േㇱ HEAD DRIVING SECTION
Fig. K-4 ⵝ⌕ࠬ࠻࠶ࡄ Placement Stopper
See Fig.B-1
Key No.1
See Fig.L-1
Key No.12
Fig.K-4
4797A-003
TCM-X300-002
TCM-X100J-002
TCM-X100-002
4797L-002
4797S-002
TCM-X200-003
327
325
322
325
337
332
333
334
336
335
338
323
324
329
326
320
330
331
316
315
314
312
311
313
302
301
317
318
319
337
321
See Fig.B-1
Key No.1-01
304
304
336
335
310
305
306
307
307
306
303
304
309
308

MODEL TCM-X200
0203-002
Key No. PART No. PART NAME Q’ty REMARKS
NOTE
157
K-4
301 630 092 7580 BASE 1 696K--110-301
302 630 100 7205 CYLINDER 1 YSV20 696K--110-302
303 630 102 7937 LEVER 1 696K--110-303
304 630 000 8975 SET SCREW 4 696K--110-304
305 630 093 0702 SHAFT 1 696K--110-305
306 630 001 1289 BEARING,RADIAL 2 696K--110-306
307 411 051 1708 SCR TRS 4X6 4 696K--110-307
308 630 000 7923 BOLT,HEX-SCT 4 696K--110-308
309 411 141 3001 WASHER SPR 6 4 696K--110-309
310 630 093 3246 WASHER 4 696K--110-310
311 630 092 6644 BLOCK 1 696K--110-311
312 630 093 3222 SET SCREW 1 696K--110-312
313 411 141 0703 NUT HEX 6 1 696K--110-313
314 630 093 3215 BOLT,HEX-SCT 2 696K--110-314
315 411 141 3001 WASHER SPR 6 2 696K--110-315
316 411 141 4305 WASHER V 6X12.5X1.6 2 696K--110-316
317 630 093 3208 BOLT,HEX-SCT 1 696K--110-317
318 411 141 3001 WASHER SPR 6 1 696K--110-318
319 411 141 4305 WASHER V 6X12.5X1.6 1 696K--110-319
320 630 095 7549 LEVER 1 696K--110-320
321 630 094 6567 BASE 1 696K--110-321
322 630 094 6734 SHAFT 1 696K--110-322
323 630 007 2464 CAM FOLLOWER 1 696K--110-323
324 630 001 2125 CAM FOLLOWER 1 696K--110-324
325 630 001 1289 BEARING,RADIAL 2 696K--110-325
326 630 085 9591 BOLT,HEX 1 696K--110-326
327 630 100 7212 CYLINDER 1 YSV61 696K--110-327
329 411 141 4305 WASHER V 6X12.5X1.6 5 696K--110-329
330 411 141 3001 WASHER SPR 6 5 696K--110-330
331 630 000 7923 BOLT,HEX-SCT 5 696K--110-331
332 411 141 4305 WASHER V 6X12.5X1.6 4 696K--110-332
333 411 141 3001 WASHER SPR 6 4 696K--110-333
334 630 000 7787 BOLT,HEX-SCT 4 696K--110-334
335 411 141 3001 WASHER SPR 6 2 696K--110-335
336 411 141 0703 NUT HEX 6 2 696K--110-336
337 411 051 1708 SCR TRS 4X6 4 696K--110-337
338 630 008 2296 SET SCREW 1 696K--110-338

MODEL TCM-X200
0203-002
158
ࡋ࠶࠼㚟േㇱ HEAD DRIVING SECTION
Fig. K-5
ๆ⌕ࠬ࠻࠶ࡄޔㅍࠅࠬ࠻࠶ࡄ
Pick-up Stopper, Feeder Stopper
See Fig.L-1
Key No.12
See Fig.KB-5
Key No.401
Fig.K-5
422
426
425
424
423
426
424
410
404
417
416
415
404
409
408
421
410
409
420
434
436
435
433
432
431
406
407
402
407
403
404
404
414
413
412
405
401
406
411
419
418
4797L
TCM-X200-002
TCM-X300
4797A-002