SP60P-L操作手册.pdf - 第44页
SP 80/SP 60 参考手册 1.7 基板吸 着盒 Page 1-44 1.7. 5 顶板设计示例 顶板设计示例 顶板设计示例 顶板设计示例 ( 前侧基准 前侧基准 前侧基准 前侧基准 ) 设计条件 1) 基板尺寸 : L408 m m × W 182 mm 2) 基板流向 : 左 → 右流向 3) 基板定位基准 : 前侧基准、 中心基准 4) 使用盒类型 : 类型 A 1B4C-059C 1E3C-C- RMA01- A05-00

SP80/SP60
参考手册
1.7 基板吸着盒
Page 1-43
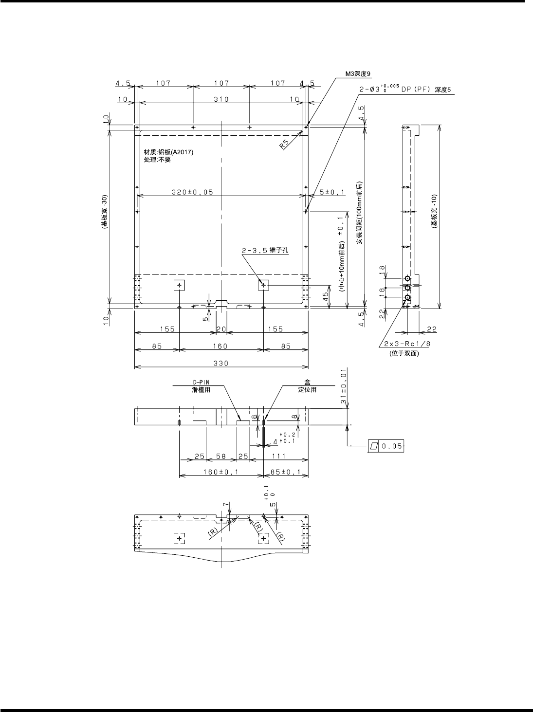
1.7.4
盒设计示例
盒设计示例盒设计示例
盒设计示例
(
前侧基准、后侧基准共用
前侧基准、后侧基准共用前侧基准、后侧基准共用
前侧基准、后侧基准共用
)
类型
A
1B4C-057C
1E3C-C-RMA01-A05-00

SP80/SP60
参考手册
1.7 基板吸着盒
Page 1-44
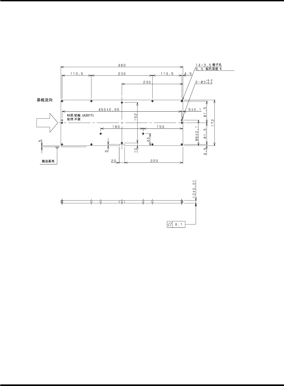
1.7.5
顶板设计示例
顶板设计示例顶板设计示例
顶板设计示例
(
前侧基准
前侧基准前侧基准
前侧基准
)
设计条件
1) 基板尺寸: L408 mm
×
W182 mm
2) 基板流向: 左
→
右流向
3) 基板定位基准: 前侧基准、中心基准
4) 使用盒类型: 类型 A
1B4C-059C
1E3C-C-RMA01-A05-00

SP80/SP60
参考手册
1.7 基板吸着盒
Page 1-45
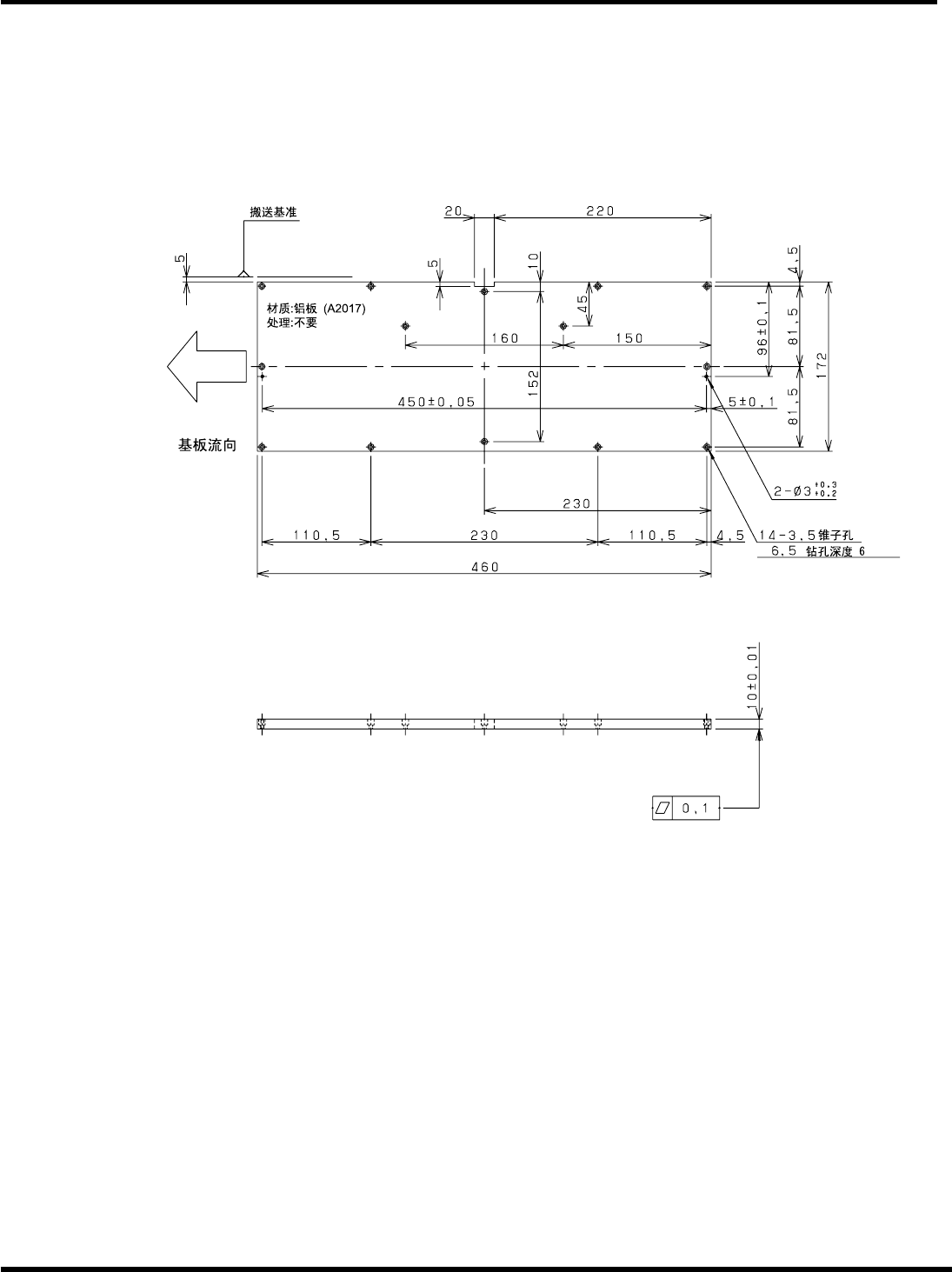
1.7.6
顶板设计示例
顶板设计示例顶板设计示例
顶板设计示例
(
后侧基准
后侧基准后侧基准
后侧基准
)
设计条件
1) 基板尺寸: L408 mm
×
W182 mm
2) 基板流向: 右
→
左流向
3) 基板定位基准: 后侧基准、中心基准
4) 使用盒类型: 类型 A
1B4C-060C
1E3C-C-RMA01-A05-00