SJSF115900-16_S20_v2016.pdf - 第39页
45 17. フィーダー ( オプション ) S20 (SJSF115900-16) v2.016 17. フィーダー ( オプション ) 17.1 種別 バンク種別 対応荷姿 特徴 FFB-36E / 45E CFB-36E / 45E 機種名 …

44
16. 基本仕様
S20 (SJSF115900-16) v2.016
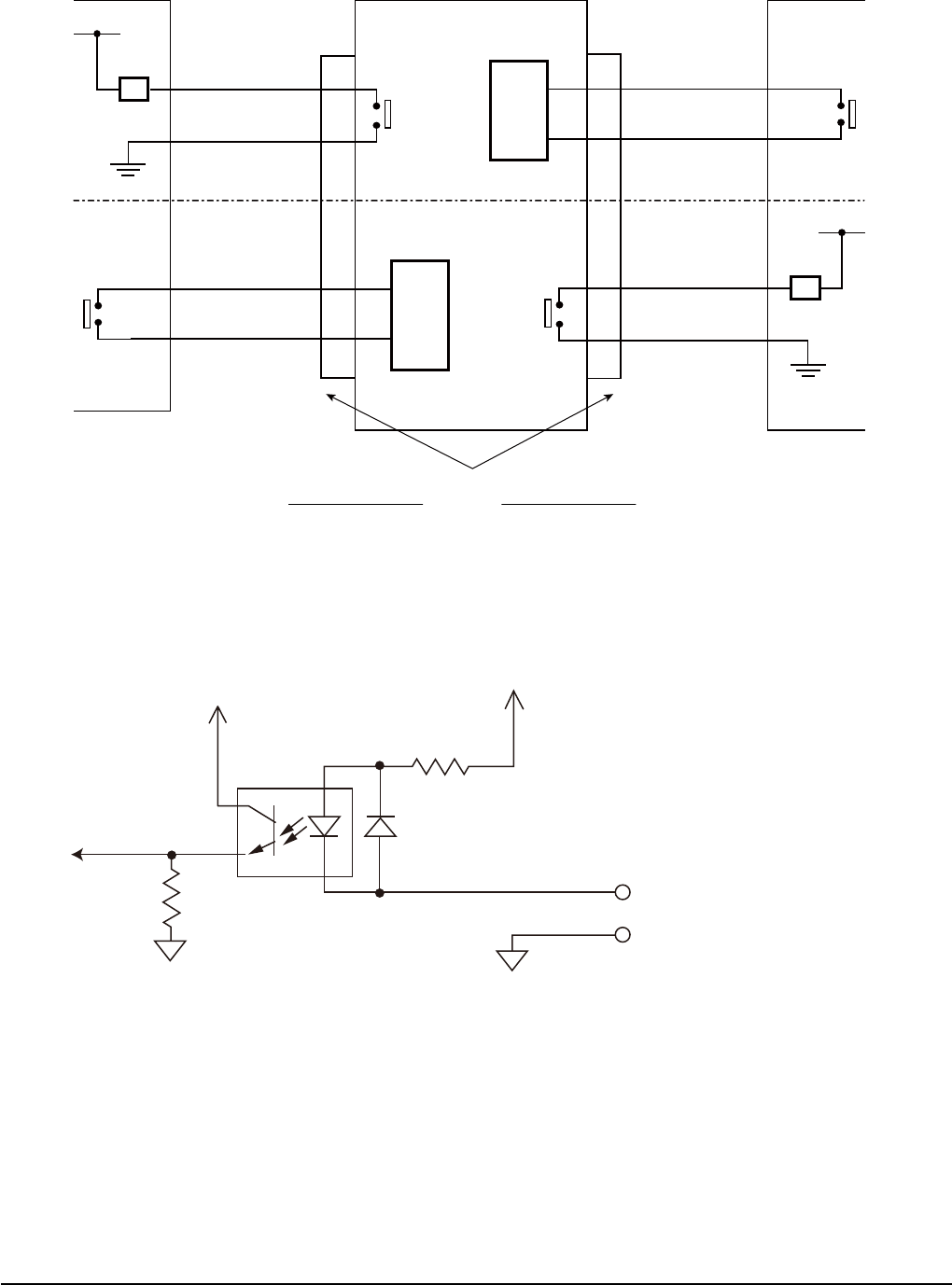
搬送許可
COM
2
1
CN2
CN1
後工程設備
前工程設備
搬送許可
搬送許可
COM
搬送許可
搬送要求
搬送要求
COM
3
4
2
1
搬送要求
搬送要求
COM
3
4
入力回路 ※2
入力回路 ※2
リレー出力 ※1
リレー出力 ※1
リレー接点,
フォトカプラ等
リレー接点,
フォトカプラ等
マウンタ側コネクタ
Tyco Electronics 社製
206043-1( レセプタクル )
ケーブル側コネクタ
Tyco Electronics 社製
206044-1( プラグ )
66099-2 相当 ( ピン )
206070-1( ケーブルクランプ )
※1 出力用リレーの最大定格
DC30V : 0.5A、AC100V : 0.5A
※2 入力回路(NPN 入力)
+5V
+24V
COM
CN1-1(CN2-3)
2.04kΩ
CN1-2(CN2-4)

45
17. フィーダー ( オプション )
S20 (SJSF115900-16) v2.016
17. フィーダー ( オプション )
17.1 種別
バンク種別
対応荷姿 特徴FFB-36E / 45E CFB-36E / 45E
機種名
※ テープフィーダーはリール外径φ 178 ~φ 382 対応可能
※ F3 フィーダーはインテリジェント対応。ただし、F3-MSF は非対応
※詳細は別紙使用説明書を参照願います。

46
17. フィーダー ( オプション )
S20 (SJSF115900-16) v2.016
17.2 その他 ( オプション )
F3 フィーダー(SS フィーダー)