RL132电路图N7205A093E.pdf - 第102页
) u se motor contro er MUI UK-DK1V 匕 K N610109598 M61010960C N61 0053628 N61 0053629 a UL1007 AWG22 RD UL1007 AWG22 RD UL1007 AWG22 RD 216-223 o UL1007 AWG22 BK UL1007 AWG22 BK 101 09599 N610109601 REFER TO N61 01 30796+…

1
2
4
5
6
7
8
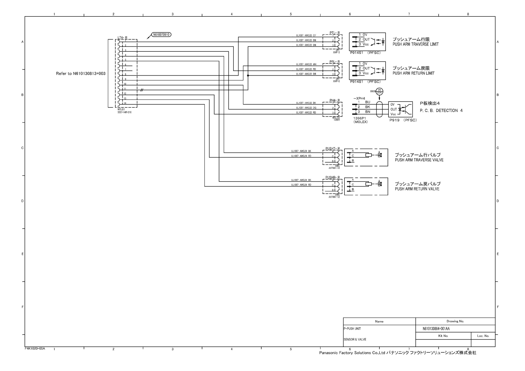
/N6100709W)
UL1007
AWG22
GY
UL1007
AWG22
BN
A A
UL1007
AWG22
BN
XHP-3
UL1007
AWG22
WH
UL1007
AWG22
RD
Refer
to
N61
01
3081
3+003
UL1007
AWG22
BN
8
9
XHP-3
10
11
12
B
B
13
P
板检出
4
UL1007
AWG22
0G
P.
C.
B.
DETECTION
4
UL1007
AWG22
RD
P919
(PFSC)
1396R
c
c
UL1007
AWG24
BK
UL1O07
AWG24
RD
UL1007
AWG24
BK
ULI
007
AWG24
RD
D
D
E
E
F
F
F4K
1020-05
A
1
2
4
5
6
7
8
Panasonic
Factory
Solutions
Co.,
Ltd
/^7—
'7^
77
U
—
VUzl
—
株
式会社
1396P1
(MOLEX)
)
)
)
r
2^
行/
"I/:/
PUSH
ARM
TRAVERSE
VALVE
PUSH
ARM
RETURN
VALVE
苧
K
AXT661-12
0V
OUT
Vcc
戾限
PUSH
ARM
RETURN
LIMIT
:
工
了一公
行限
PUSH
ARM
TRAVERSE
LIMIT
P914S1
(PFSC)
P914S1
(PFSC)
LT4-R
迪
1R-
小
<
——
M:
i
_
1
s
病
AXT661-12
30838^^
I
、
|
14
—
L<__
:
I
MOLEX
5557-14R-210
-XPH4
1
BU
工
2
BK
[3
~
BN
1
OV
二
2
OUT、一
土
J
3
Vcc
/
—
十
…
G22BK
L-E
性县
1
OV
二
2
OUT、一}
」
3
Vcc
〃一十
Name
Drawing
No.
P-PUSH
UNIT
SENSOR
&
VALVE
N610130864+001AA
Kit
No.
Loc.
No.

)
u
se
motor
contro
er
MUI
UK-DK1V
匕
K
N610109598
M61010960C
N61
0053628
N61
0053629
a
UL1007
AWG22
RD
UL1007
AWG22
RD
UL1007
AWG22
RD
216-223
o
UL1007
AWG22
BK
UL1007
AWG22
BK
101
09599
N610109601
REFER
TO
N61
01
30796+001
1
216-223
o
o
2
懒
3
o
WAGO
216-223
WAGO
216-223
被而一
51067-0500
IICH1FU
「
MEE1.25-3.
r-CONTACTOR
NIC
I
MEE1.
25-3.3
2
慨%
TOEN1X
ST
2.5-QUATTRO
RD
X
躁警
24V1b
WAGO
2
伯423
WAGO
PHOENIX
PRO
NIX
ST
2.5-QUATTRO
BK
ST
2.5-QUATTRO
BK
-X
一如93
wag。
PNFCAA-AA
PFSC
-K305
N61
0053630
N610053631
PFSC
PMC0AA-AA
-K303
CN1P-K305.
-
4
43025-0600
UL2464-1061/2A-SB
AWG24X3P
OR/RD
OR/BK
WH/RD
WH/BK
GY/RD
GY/BK
43025-0600
SANYO
DENKI
PM-UDSB1S04-22
-K601
Name
Drawing
No.
AUTO
WIDTH
CLOSING
DIAGRAM
N610130865+001AA
Kit
No.
Loc.
No.
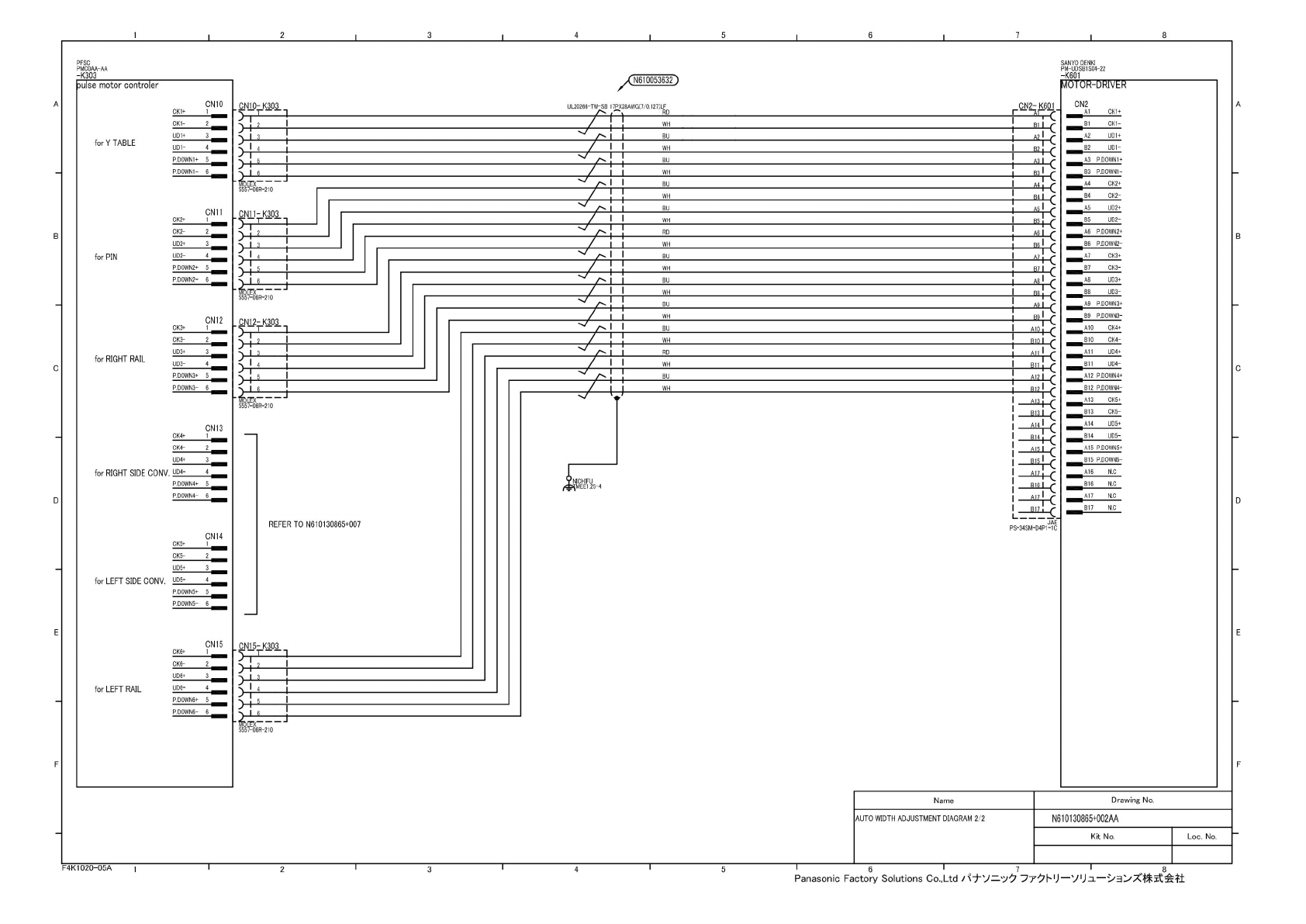
Axis
and
I/O
Control
Board
CN10
TXD+
1
RXD+
2
TXD-
4
RXD-
5
EMG
3[
GND
6
.
F4K
1020-05
A
2
5
1
6
1
7
1
8
Panasonic
Factory
Solutions
Co.,
Ltd
/弋十\/
二^夕
77
U
—
VUzl
—
朱
式会社
1
I
2
।
3
।
4
1
5
i
6
1
7
।
8
------
w
V
M
24
GN
GN
ml

1
2
4
5
6
7
8
^XN6
10053632)
CN10
A A
CK1+
CK1
+
CK1-
B1
CK1-
WH
Bl
UD1+
UD1+
A2
BU
A2
for
丫
TABLE
UDI-
82
UDI-
WH
P.D0WN1+
5
A3
PD0WN1
+
BU
P.D0WN1-
6
B3
P.D0WN1-
WH
6
B3
A4
CK2
+
BU
A4
B4
CK2-
WH
B4
I
7
A5
UD2+
BU
CK2+
B5
UD2-
WH
7
CK2-
A6
P.D0WN2+
RD
B B
UD2+
B6
P.DOWN2-
WH
CK3+
for
PIN
UD2-
A7
BU
A7
P.D0WN2+
5
B7
CK3-
WH
B7
P.D0WN2-
6
A8
UD3+
BU
6
A8
B8
UD3-
WH
B8
A9
P.D0WN3
+
BU
A9
B9
PD0WN3-
WH
CN12
CN12-
K303
CK3+
A10
CK4+
BU
CK3-
B10
CK4-
WH
RIO
UD3+
UD4
+
RD
3
All
for
RIGHT
RAIL
UD3-
BI1
UD4-
WH
R11
c
c
P.D0WN3
+
5
BU
P.DOWN3-
6
WH
6
CN13
CK4
+
CK4-
UD4+
for
RIGHT
SIDE
CONV.
吐
P.DOWN4+
5
P.DOWN4-
6
D D
REFER
TO
N61
01
30865+007
CN14
CK5+
CK5-
UD5+
for
LEFT
SIDE
CONV.
屿
P.DOWN5+
5
P.DOWN5-
6
E
E
CN15
CK6+
CK6-
UD6+
UD6-
for
LEFT
RAIL
P.DOWN6+
5
P.DOWN6-
6
6
必
5557-06R-210
F
F
F4K
1020-05
A
1
2
4
5
6
7
8
Panasonic
Factory
Solutions
Co.,
Ltd
/^7—
'7^
77
U
—
VUzl
—
株
式会社
)
NICHIFU
《
MEEL25-4
c
c
c
CN2-
I
A
SANYO
DENK1
PM-UDSB1S04-22
-K601
MOTOR—
DRIVER
前必
5557-06R-210
CN11-K303
gnu
1
CN2
A1
K
CN10-
K303
——
厢必
—
5557-06R-210
仍必
5557-06R-210
A5
/
Z/
A10
A3
I
(
竺
j
宿
8AWGW
叫
°
-
7H!
I
AI3
{
事
厘
i^-C
宜
JAE
PS-34SM-D4P1-1C
CN15-
K303
>+j
——
——
PFSC
PMC0AA-AA
-K303
bulse
motor
controler
^^A12
P.DOWN4
+
B12
P.DOWN4-
A13
CK5+
^^B13
CK5-
,A14
UD5+
UD5-
^^A15
P.DOWN5
+
B15
P.DOWN5
-
A16
N.C
^^B16
N.C
二
AI7
N.C
N.C
Name
Drawing
No.
AUTO
WIDTH
ADJUSTMENT
DIAGRAM
2/2
N610130865+002AA
Kit
No.
Loc.
No.