RL132电路图N7205A093E.pdf - 第30页
5559-10P-210 ULI 007 AWG22 BN UL1007 AWG22 RD ULI007 AWG22 YE UL1007 AWG22 GN ULI007 AWG22 BU Refer to N6 101 3081 4+003 UL1007 AWG22 BK ULI 007 AWG22 BN ULI 007 AWG22 RD ULI 007 AWG22 OG ” UL1007 AWG22 BU ,, ULI007 AWG2…

1
2
5
6
7
8
LT2-
R
UL1007
AWG22
BN
BK
N61013298D
UL1007
AWG22
RD
G/Y3
UL1007
AWG22
OG
UL1007
AWG22
YE
A A
RD
WH
Refer
to
N61
01
3081
3+002
9
10
11
STO4X18AWG
BK
12
N610132989)
UL1007
AWG22
BU
UL1007
AWG22
VT
G/Y3
11-S303Bo
B
B
RD
WH
610064036
(
N610132987
UL1007
AWG22
WH
UL1007
AWG22
BN
UL1007
AWG22
BK
UL1007
AWG22
RD
UL1007
AWG22
BN
UL1007
AWG22
OG
UL1007
AWG22
RD
UL1007
AWG22
YE
c
c
M610124177
N610064031
Y610125405
也竺
3A-
上
LMA-R.
《
——
।
——
y-2—
~
[
口
1
5
AWG
।
X
弓丫
|
I
3
一
-M003
AG
52co
40
墙
工社)
一
1
WH
GY
UL1015
AWG18
BK
I
I
BK
Refer
to
N61
01
3081
3+001
—
被而
1.3uF
3191-03P-201
UL1015
AWG18
BK
D
D
N61
01
25401
N610125403
3191-06R1-201
-M004
AG
52co
40(
浦
工社)
(白
610125408
UL1015
AWG18
WH
।
—
WH
UL1015
AWG18
GY
GY
I
BK
i
〃
E
E
UL1015
AWG14
G/Y3
UL1015
AWG16
G/Y3
UL1015
AWG14
G/Y3
1~26
O
o
o
o
\
o
o
o
o
o
o
o
o
o
o
o
o
F
F
F4K
1020-05
A
1
2
4
5
6
7
8
Panasonic
Factory
Solutions
Co.,
Ltd
/^7—
'7^
77
U
—
VUzl
—
株
式会社
)
)
>
>
)
)
)
)
>
)
OKAYA
XEB1201
-F207
左
L/一
及
ZL
二'3/卜
LEFT
RAIL
UNIT
左力八
'-(-S303B)
LEFT
COVER(-S303B)
OKAYA
XEB1201
-F209
MOLEX
5557-12R-210
集中了
一入板
PROTECTIVE
EARTH
PLATE
0IK1GN-CW2J
(ORIENTAL
MOTOR)
0IK1GN-CW2J
(ORIENTAL
MOTOR)
冕
麴
前
左力八
'-(-S303A)
LEFT
SIDE
AT
FRONT
COVER(-S303A)
IDEC
XW1E-BV402MFR-TK2377
-S202
J
2-
S202
左
前面非
常停止
入不;
7
刃:
-S202)
FRONT
SIDE
LEFT
PART(-S202)
左
Lz-
及
zl
二
、
3/
卜架台
仁接地
To
LEFT
RAIL
UNIT
BODY
M
1
M
1
LT3-2P
LT3-
2R
宁
7升
=4
OKAYA
XEB1201
-F208
11-S303Ao
31
一
逊
A_
N
【CHFU°
TMEE1.25-3.5S
OKAYA
31-
S303Bn
NICHIFUU
TMEE1.25-3.5S
Q12-
S303B
n32-S303B
TMEE1.25-3.5S
Q
IQ05
L
A
X
o12-
S303A
-J2-S303A
UNIUHIFU
TMEE1.25-3.5S
JUNFRON
FLEXIBLE
PTFE
CABLE
AG52C040
(JUNKOSHA)
口
刀
儿
PTFEl
余泉
JUNFRON
FLEXIBLE
PTFE
CABLE
AG52C040
(JUNKOSHA)
以"
SF
刀
儿
PTFE
雷像
UL1015
AWG18
BK
口
1.3uF
山
55AWGHWH
「一
畔;
学
f是
一
祀必
做
g
5557-04R-210
5559-04P-210
~>/WH
卜
j
S303B-
R
S303B-
P
UL1007
AWG22
GN
|
匚
1
I
I
V
I
r
/
芋
11-S202
-
?
I
y±J
—
3191-03P-201
3191-03R1-201
LMB-
P
LMB-
R
6
UL1007
AWG22
GY
I
I
5557-04R-21U
006
L
I
祀必
3191-03P-201
3191-03R1-201
年
14
3191-03P-201
3191-03R1-201
LT3-R
21
二
§202;
:
L
/々
S202
S202-
R
S202-
P
尸
L
_S303A^_R^_
S303M
P.
__
STO4X18AWG
r~C
I
j
।
~
I
―
——
H
4!
>
1
TL
4
1
二、
I
M610124178
Name
Drawing
No.
LEFT
SIDE
RAIL
COVER
PARTS
N610130813+003AB
Kit
No.
Loc.
No.

5559-10P-210
ULI
007
AWG22
BN
UL1007
AWG22
RD
ULI007
AWG22
YE
UL1007
AWG22
GN
ULI007
AWG22
BU
Refer
to
N6
101
3081
4+003
UL1007
AWG22
BK
ULI
007
AWG22
BN
ULI
007
AWG22
RD
ULI
007
AWG22
OG
”
UL1007
AWG22
BU
,,
ULI007
AWG22
BU
“
UL1007
AWG22
BU
土
"
UL1007
AWG22
BU
«
ULI
007
AWG22
BN
_
£
ULI
007
AWG22
BN
5559-1
OP-210
Refer
to
N61
01
3081
4+005
ULIO07
AWG22
GN
ULI007
AWG22
GN
UL1007
AWG22
VT
UL1007
AWG22
GY
UL1007
AWG22
WH
UL1007
AWG22
WH
UL1007
AWG22
WH
—
Rem
555X)84210
Refer
to
N6
101
3081
4+002
“
UL100。
AWG22
WM
疗
ULI007
AWG22
WH
“
UL1007
AWG22
WH
“
ULI007
AWG22
WH
ULI
007
AWG22
BN
ULI
007
AWG22
BN
,,
ULI007
AWG22
8N
5559-1
6P-210
ULI007
AWG22
WH
ULI007
AWG22
VT
N61006262D
GP46-10-02
(SMC)
//>1610132360)
UL1007
AWG22
YE
1
叩
工了夕
'、如
AIR
DOWN
ULI007
AWG22
WH
ULI007
AWG22
WH
UL1007
AWG22
GY
ULI007
AWG22
BU
UL1007
AWG22
GN
ULI
007
AWG22
YE
UL1007
AWG22
OG
ULI
007
AWG22
RD
/CN610129233)
ULI
007
AWG22
BN
「出
省一
ULI
007
AWG22
BN
UL1007
AWG22
RD
X
ULI
007
AWG22
OG
ULI
007
AWG22
YE
ULI
007
AWG22
GN
ULI007
AWG22
BU
ULI
007
AWG22
VT
ULI
007
AWG22
GY
UL1007
AWG22
WH
ULI
007
AWG22
BK
10
UL1007
AWG22
BN
UL1007
AWG22
RD
UL1007
AWG22
OG
13
UL1007
AWG22
YE
14
UL1007
AWG22
WH
//
UL1007
AWG22
WH
UL1007
AWG22
WH
X
X
用
%
用
用
、
1
20
5559-22P
5557-22R-210
22
UL1007
AWG22
YE
I
,
,
UL1007
AWG22
YE
I
UL1007
AWG22
YE
I
UL1007
AWG22
YE
I
i
ULI
007
AWG22
GY
UL1007
AWG22
WH
ULI
007
AWG22
BK
UL1007
AWG22
BN
ULI
007
AWG22
RD
ULI
007
AWG22
OG
ULI
007
AWG22
YE
UL1007
AWG22
GN
ULI007
AWG22
8U
ULI
007
AWG22
VT
^XN610129232)
ULI
007
AWG22
BN
「一改
RT1-R
中
:
*
、
I
7
PNF0AA-AA
PFSC
-K311
43025-2000
Name
Drawing
No.
RIGHT
SIDE
RAIL,XY
TABLECARRY
ARM
PARTS
N610130814+001AA
Kit
No.
Loc.
No.
King
1/U
Load
board
初
XY
TABLE
INSIDE
PCB
DETECTION
POSI.ERR
DETECTION
RETURN
UM.
XAXIS*UM1T
X
AXIS
ORG.
X
AXIS-LIMIT
Y
AXIS^UMJT
Y
AXIS
ORG.
丫
AXIS-LIMIT
F4K
1020-05
A
2
4
5
1
6
1
7
1
8
Panasonic
Factory
Solutions
Co.,
Ltd
/s十\/
二^夕
77
U
l
VUzl
—
株
式会社
1
I
2
।
3
।
4
।
5
.
6
1
7
1
8
ITTTTT1
I
—
d

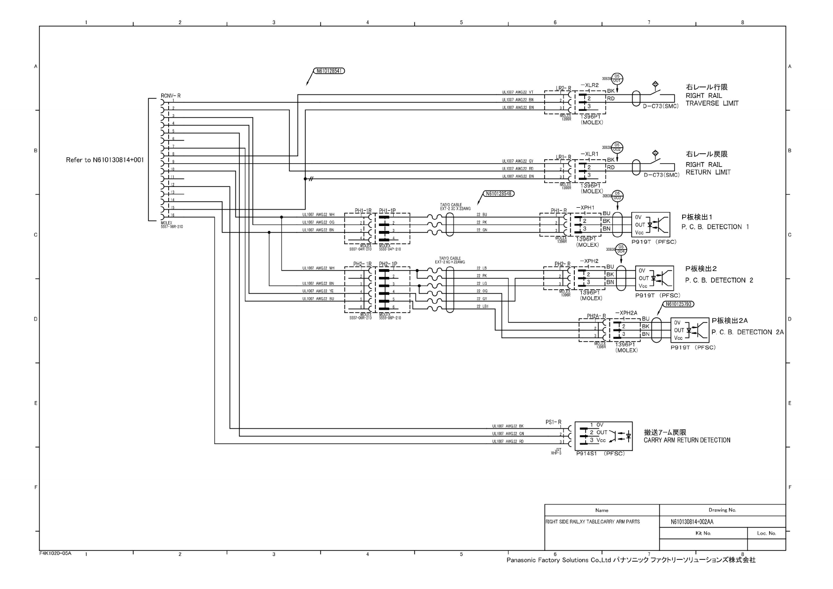
Refer
to
N610130814+001
N61012854
LR2-
R
UL1007
AWG22
VT
RD
UL1007
AWG22
BN
UL1007
AWG22
BN
右
L^一
儿民限
LR1-R
UL1007
AWG22
GY
UL1007
AWG22
RD
D-C73(SMC)
UL1007
AWG22
BN
中
N610128548D
UL1007
AWG22
WH
UL1007
AWG22
OG
UL1007
AWG22
BN
5557-04R-2K
3083
PH2-R
】
BU
P
板检出
2
UL1007
AWG22
WH
22
LB
22
PK
P.
C.
B.
DETECTION
2
UL1007
AWG22
BN
22
LG
UL1007
AWG22
YE
22
OG
UL1007
AWG22
BU
22
GY
N61
01
25793)
22
LB1
PH2A-
R
P
板检出
2A
c
P.
C.
B.
DETECTION
c
P919T
(PFSC)
1396Pl
(MOLEX)
1396P1
(MOLEX)
1396Pl
(MOLEX)
MULtA
1396R
MOLEX
1396R
MOLEX
1396R
TAIYO
CABLE
EXT-2
3c
X
22AWG
RIGHT
RAIL
RETURN
LIMIT
T396PT'
(MOLEX)
TAIYO
CABLE
EXT-2
6CX22AWG
右
Lz
一
儿行限
RIGHT
RAIL
TRAVERSE
LIMIT
P
板横出
1
P.
C.
B.
DETECTION
1
-XPH2
--
1
--
YCi-r
n
阿必
一砸
B
—
5557-06R-210
5559-06P-210
//
〃
2
3
我
祀必
1396R
DH『R—
二空
jl
rF
BK
[bn
3
。83④^
-XLR2
T
士
iBKt
2
3
P919T
(PFSC)
3083@^
-XLR1
V
iBK!
P919T
(PFSC)
iBU
Jbk
iBN
-XPH2A
--
1
iBU
M
:
X
峭藉
1396P1
(MOLEX)
3083:
D-C73(SMC)
2A
UL1007
AWG22
BK
UL1007
AWG22
GN
UL1007
AWG22
RD
P914S1
(PFSC)
搬送
了-
公庆限
CARRY
ARM
RETURN
DETECTION
Name
RIGHT
SIDE
RAIL,XY
TABLECARRY
ARM
PARTS
Drawing
No.
N610130814+002AA
[2
BK
£3
|BN
F4K
1020-05
A
2
5
1
6
1
7
1
8
Panasonic
Factory
Solutions
Co.,
Ltd
R
十、)
二
、力
77
U
—
VUzl
—
朱
式会社
1
I
2
।
3
।
4
।
5
.
6
1
7
1
8