RL132电路图N7205A093E.pdf - 第50页
A Refer to N61 01 30853+001 B C D Refer to N610130821+001 E F F4K 1020-05 A i 2 4 5 6 7 8 ZR AXIS N6101 13931 12- K031 UL1007 AWG22 WH A 0- K031 UL1007 AWG22 RD UL1007 AWG22 WH UL1007 AWG22 BK UL1007 AWG22 WH UL1007 AWG2…

STO4X18AWG
12CN16-R
)
)
)
)
)
)
左
夕一
左上限
LEFT
SHUTTER
UPPER
LIMIT
BK
N6
100745
RO
WH
左
夕一
右下限
(-S66)
LEFT
SHUTTER
LOWER
UMIT(-S66)
IDEC
HS5D-02RNP
G/Y3
21-
S66±S66
22.22-
S66
1
3
二
」
4q],
二
§66
WAGO"
'nVAGU
216-223
216-223
左
7
c/
夕一
右上限
LEFT
SHUTTER
UPPER
LIMIT
ov
„
OUT
工
Vcc
OV
OUT
Vcc
G/Y3
RO
WH
[DEC
HS5D-02RNP
21-S65。
尊
22q22-S65
WAG^U
^VAGO
216-223 216-223
/
N6
100745
13)
左
夕一
左下限
(_
S65)
LEFT
SHUTTER
LOWER
UMIT(-S65)
/
:N61
007451
6)
—
「
STO
4XJ8AWG
BK
ULI
007
AWG22
YE
ULI
007
AWG22
RD
ULI
007
AWG22
BU
RD
*Shortpin
for
40
station
S
BK
N6
100745
12)
For
80
Station
Machine
only.
ULI
007
AWG22
OG
K
ULI
007
AWG22
BU
RD
BK
N6
1006542。
3I-S308
RO
ULI
007
AWG22
BN
ULI
007
AWG22
RD
ULI
007
AWG22
BU
5557-04R-
21c
部
品加工
部力八
一
(-S310)
PARTS
PROCESS
COVER(-S310)
IDEC
HS5D-O2RNP
Not
needed
for
40
Station
machine.
(
Install
dummy
connector
on
unused
connection
)
IDEC
HS5D-02RNP
5557-04R-2I0
彳爰面
左力八
一(-S308)
LEFT
SIDE
AT
REAR
COVER(-S308)
NILnlrU
NH
TMEE1.25-3.5S
MUtEL*
—
5559-04P-2I0
|
IDEC
HS5D-02RNP
-Qqno
G/Y3
11-S308
12-
S308
^XN6
100745
10
MOLEX MOLEX
5557-04R-2I0
5559-04P-2I0
MOLEX
MOLEX
5557-04R-210
5559-04P-2IC
G/Y3
11-S310oii^7i2q12-S310
31
二
二
S310
NICHIFU°r^
—“NICHIFU
|
WH
TMEE1.25-3.5S
TMEE1
.25-3.5S
G/Y3
11-S311oM『"oJ2-S311
31
二
§31
1
S31
1
QRicHIFU
j
NH
TMEE1.25-3.5S
TMEE1.25-3.5S
32-S308
‘NICHIFU
I
TMEE1.25-3.5S
「
q
平u
I
S3
1(
I
—
ULI
007
AWG22
BU
ULI007
AWG22
YE
UL1007
AWG22
BN
L-
飞蝙
ULI007
AWG22
OG
UL1007
AWG22
BU
For
80
Station
Machine
only.
Not
needed
for
40
Station
machine.
ULI
007
AWG22
BU
UL1007
AWG22
GN
ULI
007
AWG22
BN
ULI
007
AWG22
OG
UL1007
AWG22
BN
ULI
007
AWG22
RD
ULI
007
AWG22
YE
-XSWL2
1
BR
二
2
RD
二
3
OR
!4
~
YE1
5559-04P
-210
(MOLEX)
-SO7O
3°871^^
ZL
部
品交换
SW
ZL
PARTS
EXCHANGE
SW
A3KJ-90C1
-24EW(OMRON)
ULI
007
AWG22
RD
ULI
007
AWG22
YE
-XSPL1
、
1
GN
2
BU
30871
5557-02R-210
(MOLEX)
ZL
部品
交换中
ZL
PARTS
EXCHANGING
LAMP
R
APN122DNS
(IDEC)
For
40
Station
Machine
only.
Name
Drawing
No.
L
FEEDER
PART:Radial
SENSOR
&
COVER
N610130822+001AB
Kit
No.
Loc.
No.
ULI007
AWG22
BN
UL1007
AWG22
RD
ULI007
AWG22
OG
UL1007
AWG22
GN
UL1007
AWG22
BU
UL1007
AWG22
VT
UL1007
AWG22
GY
ULI
007
AWG22
WH
UL1007
AWG22
BK
>P—
}
I
20
Hmx
1
5557-20R-210
R2-
R
/N610070845)
/N6
101
33068)
UL1007
AWG22
BN
UL1007
AWG22
RD
UL1007
AWG22
OG
UL1007
AWG22
YE
AMP
AMP
2-1318119-4
1376009-2
S610-R
IDEC
LW6L-M1C14VW-BC-TK2504
EXHAUST
SW
E
-S610
X—
1
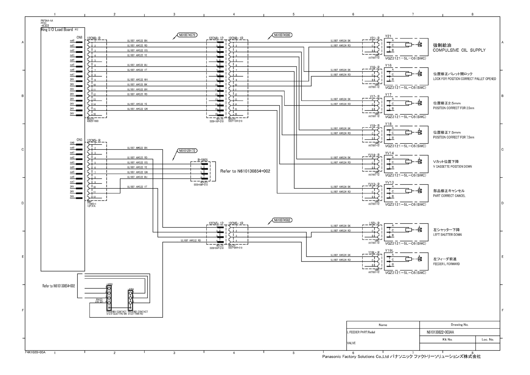
PNF0AA-AA
PFSC
-K322
Refer
to
N610130821+001
、
I
4
MULtA
5557-04R-2I0
ling
L
0
Load
Board
#12
CN11
CN16
F4K
1020-05
A
2
5
1
6
1
7
1
8
Panasonic
Factory
Solutions
Co.,
Ltd
/弋十\/
二^夕
77
U
—
VUzl
—
朱
式会社
1
I
2
।
3
।
4
1
5
i
6
1
7
।
8
ITTTTTT
d

A
Refer
to
N61
01
30853+001
B
C
D
Refer
to
N610130821+001
E
F
F4K
1020-05
A
i
2
4
5
6
7
8
ZR
AXIS
N6101
13931
12-
K031
UL1007
AWG22
WH
A
0-
K031
UL1007
AWG22
RD
UL1007
AWG22
WH
UL1007
AWG22
BK
UL1007
AWG22
WH
UL1007
AWG22
RD
UL1007
AWG22
WH
UL1007
AWG22
BK
11-K032
B
UL1007
AWG22
BN
UL1007
AWG22
RD
11
UL1007
AWG22
OG
UL1007
AWG22
RD
12
UL1007
AWG22
YE
23
UL1007
AWG22
GN
24
UL1007
AWG22
BU
0
UL1007
AWG22
VT
C
1
UL1007
AWG22
GY
11
UL1007
AWG22
RD
12
23
D
24
0
1
N610133271
*
Shortpin
for
40
station
N6
10065434
S204-
R
,
S204-
P
十
W
—
]
cl.
I
。
I
11-S204
UL1007
AWG22
BN
UL1007
AWG22
BN
E
UL1007
AWG22
RD
UL1007
AWG22
RD
UL1007
AWG22
OG
JL1007
AWG22
OG
UL1007
AWG22
YE
JL1007
AWG22
YE
UL1007
AWG22
GN
UL1007
AWG22
BU
UL1007
AWG22
VT
N61
0065435)
UL1007
AWG22
GY
11-S205
JL1007
AWG22
BN
22-
S205
JL1007
AWG22
RD
JL1007
AWG22
OG
UL1007
AWG22
YE
F
2
4
5
6
7
8
Panasonic
Factory
Solutions
Co.,
Ltd
/^7—
'7^
77
U
—
VUzl
—
株
式会社
>
>
>
OMRON
G7SA-3A1B
OMRON
G7SA-3A1B
For
80
Station
Machine
only.
Not
needed
for
40
Station
machine.
(
Install
dummy
connector
on
unused
connection
)
彳爰
部上非
常停止
入不力
KS204)
EMERGENCY
STOP
SIG.
REAR
CENTER(-S204)
―
加值
5557-04R-21C
FEEDER-
1R
12-
K032
°
0-
K032
q
1-K032K
1
TMEE1.25-3
OMRON
ar
Zl_
部品交
换信号
ZL
PARTS
CHANGING
SIGNAL
加值
5557-04R-21C
LB7-R
左彳
爰面非
常停止
入不^
天
-S205)
REAR
SIDE
LEFT
PART(-S205)
11-K031|O
11
NICHIFU
TMEE1.25-3
OMRON
解
ZR
部品交
换信号
ZR
PARTS
CHANGING
SIGNAL
1-K031L
1
5557-08R-210
IDEC
个
XW1E-BV402MFR-TK2377
、
-S204
广
N2-S204
IDEC
宁
XW1E-BV402MFR-TK2377
-S205
广
Q2-S205
5557-1
6R-210
11-K008。
12-
K0Q8lo
23-
K0081
0
24-
K008
Q
0-
K008
°
tm
跚
LB6-R
「
h-二
——
后
5557-1
4R-210
21-S205
|
TM
甄
21-S204
I
11-K009
°
12-
K009lo
23-
K009I
Q
24
-
K009
6
0-
K009
1-K009|^
TM
甄购
22-S204
TMEE125-3
Name
Drawing
No.
L
FEEDER
PART:Radial
POWER
CUT
&
EMERGENCY
N610130822+002AB
Kit
No.
Loc.
No.

12CN5-1P
I
1
MOLEX
5559-04P-210
ULIOO7
AWG24
BK
UL1007
AWG24
RD
VQZ3
12
1-5L-C6(SMC)
Y19L
UL1OO7
AWG24
BK
_
LSD-.R
—
M
:
i
I
一范敲
」
左
•>在3/
夕
一下降
LEFT
SHUTTER
DOWN
左
7
《一夕
、'前
迤
FEEDER
L
FORWARD
VQZ3121-5L-C6
SMC
UL1007
AWG24
BK
说
AXT661-12
1
1
1
1
UL1007
AWG24
RD
;
C
:
厂
:
1
〕
I
1
1
1
1
犹」
AXT661-12
Y16-R
UL1007
AWG24
BK
।
厂
7〕
I
j
v.
|
UL1007
AWG24
RD
;
C
:
/
1
111
I
lLt
i
UL1OO7
AWG24
BK
UL1OO7
AWG24
RD
—
次'
AXT661-12
Y17-R
X
I
UL1OO7
AWG24
BK
UL1OO7
AWG24
RD
UL1OO7
AWG24
BK
ULIOO7
AWG24
RD
AXT661-12
UL1007
AWG22
BN
UL1007
AWG22
RD
UL1007
AWG22
OG
UL1007
AWG22
YE
UL1007
AWG22
BU
UL1007
AWG22
VT
UL1OO7
AWG22
WH
UL1007
AWG22
BK
UL1007
AWG22
BN
UL1007
AWG22
RD
UL1007
AWG22
YE
UL1007
AWG22
GN
/
(N610074579)
/N610074580)
而
p
1
177905-1
12P
以
UL1007
AWG22
BN
ULI
007
AWG22
RD
UL1007
AWG22
OG
UL1007
AWG22
YE
UL1007
AWG22
GN
UL1007
AWG22
BU
ULI
007
AWG22
VT
5559-04P-210
Refer
to
N61
01
30854+002
Y21
O-
fe
VQZ3121-5L-C6(SMC)
Y16
VQZ3
12
1-5L-C6(SMC)
Y17
下
4
询
I
B
VQZ3121-5L-C6(SMC)
Y18
£
VQZ3
12
1-5L-C6(SMC)
YV14
VQZ3
12
1-5L-C6(SMC)
YV13
VQZ3
12
1-5L-C6(SMC)
UL1007
AWG24
RD
弓金
制统由
COMPULSIVE
OIL
SUPPLY
位
置修正
/St/、:/
卜^
口、、夕
LOCK
FOR
POSITION
CORRECT
PALLET
OPENED
位
置修正
2.5
mm
POSITION
CORRECT
FOR
2.5mm
位
置修正
7.
5mm
POSITION
CORRECT
FOR
7.5mm
V
力
、
3/H
立
置下降
V
CASSETTE
POSITION
DOWN
部品
修正中
儿
PART
CORRECT
CANCEL
Name
Drawing
No.
L
FEEDER
PART:Radial
VALVE
N610130822+003AA
Kit
No.
Loc.
No.
Refer
to
N61
01
30854+002
嬲峭僻
纵视脚
act
1
I
2
।
3
।
4
।
5
।
6
।
7
।
8
PNF0AA-AA
PFSC
-K322
Load
Board
#12
CN8
out。
out1
out2
Cl
it?
out5
out6
out?
24V
24V
24V
24V
24V
24V
24V
24V
43025-1600
12CN5-R
F4K
1020-05
A
2
4
5
1
6
1
7
1
8
Panasonic
Factory
Solutions
Co.,
Ltd
/弋十\/
二^夕
77
U
—
VUzl
—
朱
式会社