RL132电路图N7205A093E.pdf - 第104页
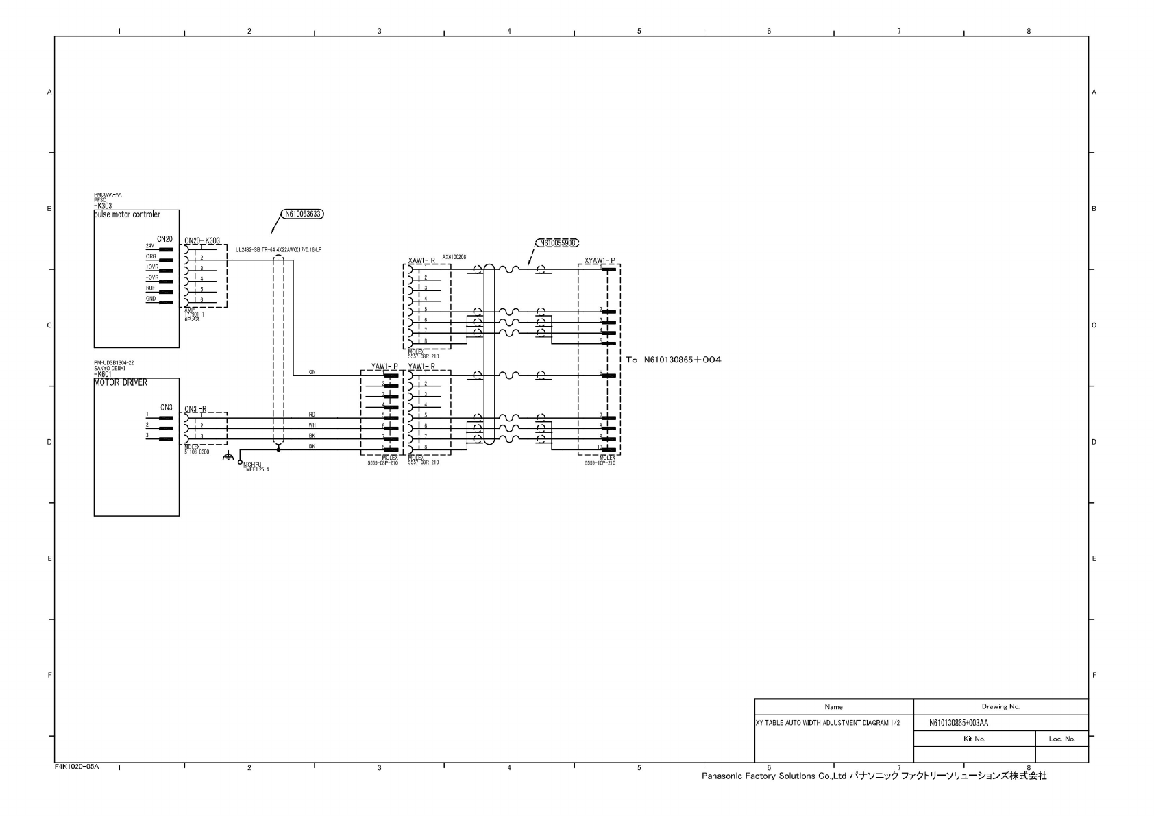
CN1-R • —— I )13 I •和今 」 5 1 1 03-0300 I 6nichifu TMEEL25-4 5559-08P-2 1 0 5557-08R-210 UL2482-SB TR-64 4X22 AWG(1 7/0.1 6)LF 5559-10P-210 L 幽 If 上 PM-UDSB1S04-22 SANYO DENKI -K601 To N610130865 + OO4 N610053633 PMCOAA-A…

1
2
4
5
6
7
8
^XN6
10053632)
CN10
A A
CK1+
CK1
+
CK1-
B1
CK1-
WH
Bl
UD1+
UD1+
A2
BU
A2
for
丫
TABLE
UDI-
82
UDI-
WH
P.D0WN1+
5
A3
PD0WN1
+
BU
P.D0WN1-
6
B3
P.D0WN1-
WH
6
B3
A4
CK2
+
BU
A4
B4
CK2-
WH
B4
I
7
A5
UD2+
BU
CK2+
B5
UD2-
WH
7
CK2-
A6
P.D0WN2+
RD
B B
UD2+
B6
P.DOWN2-
WH
CK3+
for
PIN
UD2-
A7
BU
A7
P.D0WN2+
5
B7
CK3-
WH
B7
P.D0WN2-
6
A8
UD3+
BU
6
A8
B8
UD3-
WH
B8
A9
P.D0WN3
+
BU
A9
B9
PD0WN3-
WH
CN12
CN12-
K303
CK3+
A10
CK4+
BU
CK3-
B10
CK4-
WH
RIO
UD3+
UD4
+
RD
3
All
for
RIGHT
RAIL
UD3-
BI1
UD4-
WH
R11
c
c
P.D0WN3
+
5
BU
P.DOWN3-
6
WH
6
CN13
CK4
+
CK4-
UD4+
for
RIGHT
SIDE
CONV.
吐
P.DOWN4+
5
P.DOWN4-
6
D D
REFER
TO
N61
01
30865+007
CN14
CK5+
CK5-
UD5+
for
LEFT
SIDE
CONV.
屿
P.DOWN5+
5
P.DOWN5-
6
E
E
CN15
CK6+
CK6-
UD6+
UD6-
for
LEFT
RAIL
P.DOWN6+
5
P.DOWN6-
6
6
必
5557-06R-210
F
F
F4K
1020-05
A
1
2
4
5
6
7
8
Panasonic
Factory
Solutions
Co.,
Ltd
/^7—
'7^
77
U
—
VUzl
—
株
式会社
)
NICHIFU
《
MEEL25-4
c
c
c
CN2-
I
A
SANYO
DENK1
PM-UDSB1S04-22
-K601
MOTOR—
DRIVER
前必
5557-06R-210
CN11-K303
gnu
1
CN2
A1
K
CN10-
K303
——
厢必
—
5557-06R-210
仍必
5557-06R-210
A5
/
Z/
A10
A3
I
(
竺
j
宿
8AWGW
叫
°
-
7H!
I
AI3
{
事
厘
i^-C
宜
JAE
PS-34SM-D4P1-1C
CN15-
K303
>+j
——
——
PFSC
PMC0AA-AA
-K303
bulse
motor
controler
^^A12
P.DOWN4
+
B12
P.DOWN4-
A13
CK5+
^^B13
CK5-
,A14
UD5+
UD5-
^^A15
P.DOWN5
+
B15
P.DOWN5
-
A16
N.C
^^B16
N.C
二
AI7
N.C
N.C
Name
Drawing
No.
AUTO
WIDTH
ADJUSTMENT
DIAGRAM
2/2
N610130865+002AA
Kit
No.
Loc.
No.

CN1-R
•
——
I
)13
I
•和今
」
5
1
1
03-0300
I
6nichifu
TMEEL25-4
5559-08P-2
1
0
5557-08R-210
UL2482-SB
TR-64
4X22
AWG(1
7/0.1
6)LF
5559-10P-210
L
幽
If
上
PM-UDSB1S04-22
SANYO
DENKI
-K601
To
N610130865
+
OO4
N610053633
PMCOAA-AA
PFSC
-K303
Name
Drawing
No.
XY
TABLE
AUTO
WIDTH
ADJUSTMENT
DIAGRAM
1/2
N610130865+003AA
Kit
No.
Loc.
No.
MOTOR-DRIVER
CN3
三
pulse
motor
controler
CN20
ORG
GND
F4K
1020-05
A
2
4
5
1
6
1
7
1
8
Panasonic
Factory
Solutions
Co.,
Ltd
/弋十\/
二^夕
77
U
—
VUzl
—
朱
式会社
1
I
2
।
3
।
4
1
5
i
6
1
7
।
8
)3
&
CN2P
AAAAA
J
^1
J
l
WH
1

1
2
4
5
6
7
8
UL1007
AWG22
VT
UL1007
AWG22
RD
A A
P921SA1
(PFSC)
UL1007
AWG22
BK
UL1007
AWG22
GY
UL1007
AWG22
RD
UL1007
AWG22
BK
JL1007
AWG22
WH
B
B
JL1007
AWG22
RD
<N6W062620)
AX6
100208
TS2-P
I
匚
-i
N61
01
3081
4+003
c
c
M61
0066771
AX61
00208
~JST
P914S1
(PFSC)
XHP-3
D
D
±
N61
01
30865+003
-M601
MT1A
M
E
E
F
F
F4K
1020-05
A
1
2
4
5
6
7
8
Panasonic
Factory
Solutions
Co.,
Ltd
/^7—
'7^
77
U
—
VUzl
—
株
式会社
>
)
x
希氏卜
X
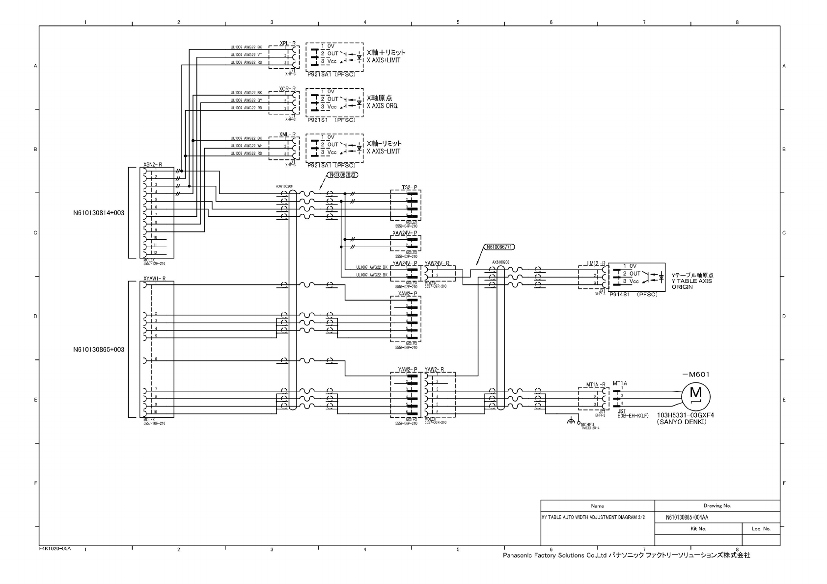
AXIS-LIMIT
被面
5559-06P-210
xlft
原点
X
AXIS
ORG.
Y
亍一
:/及$4
原点
Y
TABLE
AXIS
ORIGIN
MOLEX
5557-10R-210
JLtZA
5557-12R-210
X
AXIS+LIMIT
3
Vcc
J—
看
XOR-R
P921S1
(PFSC)
XML-R
当」
XHP-3
B3B-EH-K(LF)
1
03H5331-03GXF4
(SANYO
DENKI)
)
)
1
10
I
1
OV
j
|
工红
UT、—
±1
I
_T
3
Vcc
J—
力
I
—
―
I
I
1
OV
j
।
工
22g—
制
I
_T
3
Vcc
J—
力
I
I
——
I
P921SA1
(PFSC)
UL1007
AWG22
BK
2^_
1
加值
5559-02P-210
XAW2-
P
I
匚
1
ULW07AWG22BK
厂一幺¥3
被而
而
CEX
5559-06P-210
5557-06R-21C
1
加必
一
5559-04P-210
;
।
1
—
祀必一
5559-02P-210
YAW24V-
P
YAW24V-
R
UL1007
AWG22
BK
I
匚
XSN2
-
R
至
>p-
计
X7
A
XYAW1-R
T
1
OV
卫
UT、一±
3
Vcc
J—
干
LM12-R
r
——
w
二
'
」
八
H
Name
Drawing
No.
XY
TABLE
AUTO
WIDTH
ADJUSTMENT
DIAGRAM
2/2
N610130865+004AA
Kit
No.
Loc.
No.