RL132电路图N7205A093E.pdf - 第108页
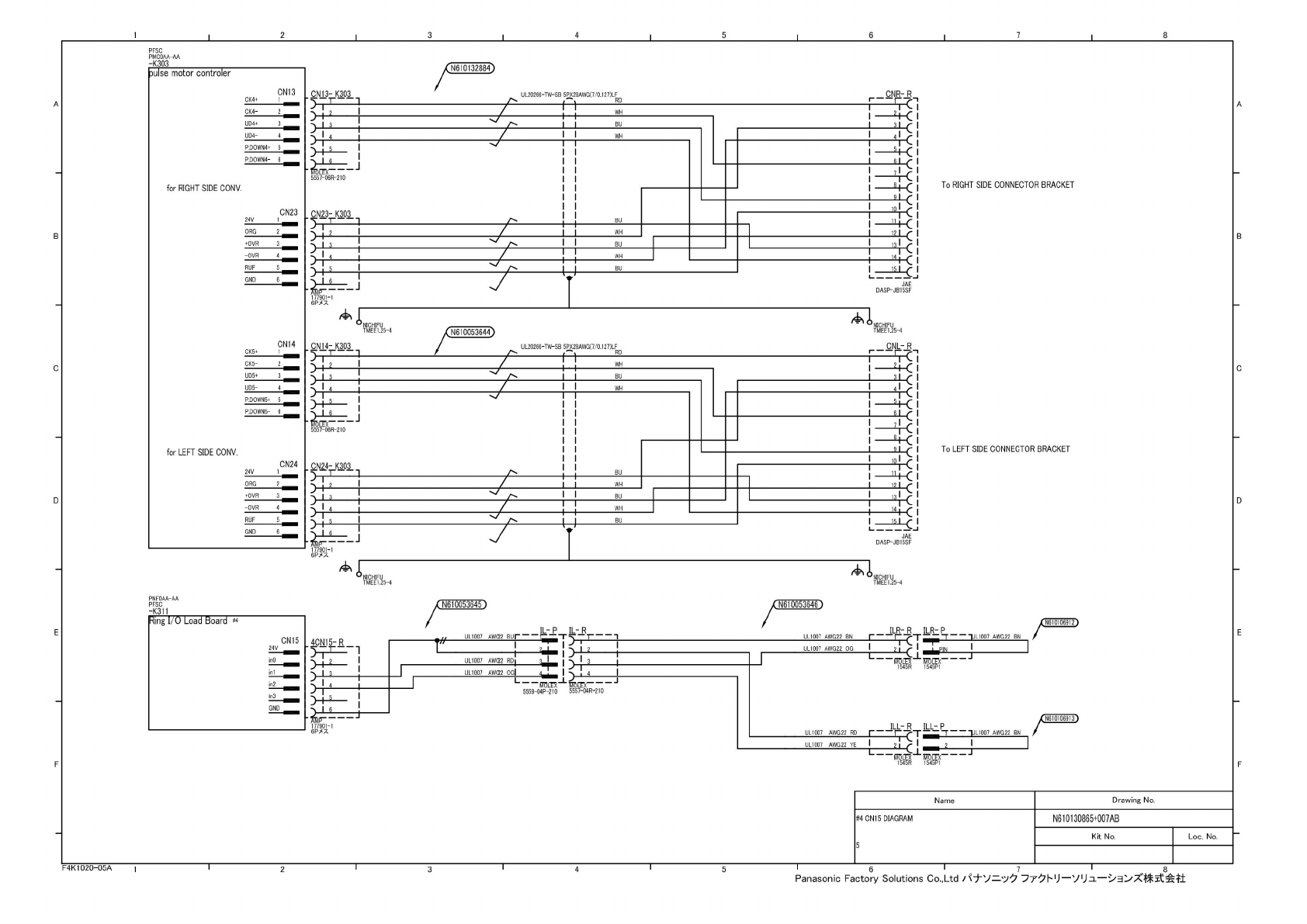
1 2 4 5 6 7 8 PFSC A A To RIGHT SIDE CONNECTOR BRACKET B B C C To LEFT SIDE CONNECTOR BRACKET D D N610053645 N61 0053646 Ring I/O Load Board 判 E E UL1007 AWC22 BUF UL1007 AWG22 BN 4CN15-R UL1007 AWG22 OG inO UL1007 AWC22…

PM-UDSB1S04-22
SANYO
DENKI
-K601
UL2484-SB
TR-64
3X22AWG(1
7/0.1
6)LF
N610129854
-M606
J103H7832-0312
(SANYO
DENKI)
Name
Drawing
No.
LEFT
SIDE
RAIL
AUTO
WIDTH
ADJUSTMENT
DIAGRAM
N610130865+006AB
Kit
No.
Loc.
No.
6P"
PMCOAA-AA
PFSC
-K303
左
1/T4
由原点
LEFT
RAIL
AXIS
ORIGIN
P914S1
(PFSC
1
ov
=2
OUT、一
±
=[
3
Vcc
J—
十
MOTOR-DRIVER
小
1
N1CHIFU°
TMEE
1.25-4
CN6
julse
motor
controler
CN25
ORG
2
+OVR
3
-PVR
4
P.ORG
5
GND
6
F4K
1020-05
A
2
4
5
1
6
1
7
1
8
Panasonic
Factory
Solutions
Co.,
Ltd
/弋十\/
二^夕
77
U
—
VUzl
—
朱
式会社
1
I
2
।
3
।
4
1
5
i
6
1
7
।
8
£
£

1
2
4
5
6
7
8
PFSC
A A
To
RIGHT
SIDE
CONNECTOR
BRACKET
B
B
C
C
To
LEFT
SIDE
CONNECTOR
BRACKET
D D
N610053645
N61
0053646
Ring
I/O
Load
Board
判
E
E
UL1007
AWC22
BUF
UL1007
AWG22
BN
4CN15-R
UL1007
AWG22
OG
inO
UL1007
AWC22
in1
UL1007
AW(22
in2
in3
GND
N610106913)
UL1007
AWG22
RD
—
TJL1007
AWG22
BN
UL1007
AWG22
YE
F
F
F4K
1020-05
A
1
2
4
5
6
7
8
Panasonic
Factory
Solutions
Co.,
Ltd
/^7—
'7^
77
U
—
VUzl
—
株
式会社
177901-1
6P
以
MULtA
1545R
PNFOAA-AA
PFSC
-K311
1LR-
R
ILR-
P
IL-
P
IL-
R
CN15
24V
^口°°7
AWG22
BN
2
I
「
।
^^PIN
।
加向
」
拼
A
1
1545R
1545Pl
—
।
A
I
)
:
4
森;
黑盟
'盛
麻装
U
—
—
Name
Drawing
No.
#4
CN1
5
DIAGRAM
5
N610130865+007AB
Kit
No.
Loc.
No.

NICHIFU
『
MH
1.
25T
RD
WH
BK
BK
5559-08P-210
5557-08R-210
PM-UDSB1S04-22
SANYO
DENKI
-K601
沈而
5559-10P-210
To
N610130866
+
OO2
N610053659
PMCOAA-AA
PFSC
-K303
Name
Drawing
No.
POSI
PIN
AUTO
WIDTH
ADJUSTMENT
DIAGRAM
1/2
N610130866+001AA
Kit
No.
Loc.
No.
MOTOR-DRIVER
CN4
三
)
ulse
motor
controler
CN21
+OVR
-OVR
RUF
GND
F4K
1020-05
A
5
1
6
1
7
1
8
Panasonic
Factory
Solutions
Co.,
Ltd
R
十、)
二
、力
77
U
—
VUzl
—
朱
式会社
1
I
2
।
3
।
4
।
5
.
6
1
7
1
8
R
r