RL132电路图N7205A093E.pdf - 第34页
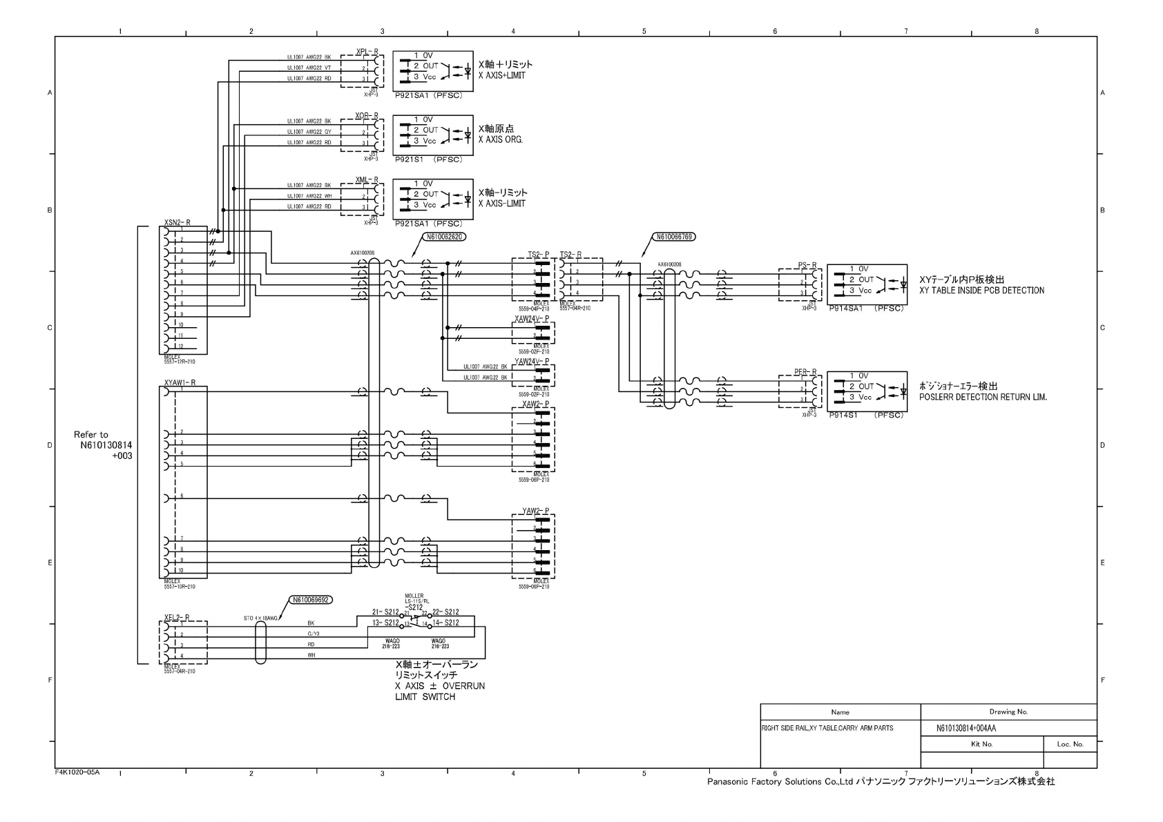
1 2 4 5 6 7 8 N610128933 UL1007 AWG22 GN A A UL1007 AWG22 BN D-A73(SMC) Refer to N610130814+001 UL1007 AWG22 BU UL1007 AWG22 RD D-A73(SMC) B B UL1007 AWG22 VT UL1007 AWG22 OG ULI 007 AWG22 WH c c 1 ov 二 2 OUT\—± 二 3 Vcc …

1
2
4
5
6
7
8
UL1007
AWG22
BK
UL1007
AWG22
VT
UL1007
AWG22
RC
A A
P921SA1
(PFSC)
XHP-3
1
ov
2
OUT
UL1OO7
AWG22
GY
UL1007
AWG22
RD
XHP-3
UL1007
AWG22
BK
UL1OO7
AWG22
WH
UL1OO7
AWG22
RD
B
B
P
921sAi
(PFSC)
N61
0062620)
7610066769
AX6100208
「一
通丁髻
F—
C
C
空
P91461
(PFSC)
D
D
±
E
E
N61
0069692
「毕簟
A
STO4X18AWG
BK
G/Y3
RD
WH
F
F
F4K
1020-05
A
1
2
4
5
6
7
8
Panasonic
Factory
Solutions
Co.,
Ltd
/^7—
'7^
77
U
—
VUzl
—
株
式会社
WAGO
216-223
WAGO
216-223
x
率由
卜
X
AXIS-LIMIT
MOLEX
5557-12R-210
X
触原点
X
AXIS
ORG.
被必
5559-06P-210
被必
5559-06P-210
MOLEX
5557-10R-210
XHP-3
xy^-^、N
内
P
板检出
XY
TABLE
INSIDE
PCB
DETECTION
xli
士
才一八
一^1/
X
AXIS
±
OVERRUN
LIMIT
SWITCH
X^
+
凤
卜
X
AXIS+LIMIT
木与
二刀十
一工^
一检出
POSI.ERR
DETECTION
RETURN
LIM.
Refer
to
N610130814
+003
P921S1
(PFSC)
1
几
必」
5559-02P-210
XAW2-
P
।
—
—
।
P914SA1
(PFSC)
砸必
5557-04R-210
被必
一砸必
5559-04P-210
5557-04R-210
XAW24V-
P
I
二「
4^-
W007AWG22BK
厂一
窿
—
1
0V
二
2
OUT\—±
」
3
Vcc
J—
十
1
OV
_
[
3
Vcc
)
—十
AX6100208
XSN2
-
R
5=F=
>4^
>?-
>4^-
2H
2/AW1-R
1
5559-02P-210
YAW24V-
P
UL1007
AWG22
BK
|
UL1007
AWG22
BK
I
2—1
—
।
MOLLER
LS-11S/RL
-Q919
21-S212
22-
S212
13-
S2120i3^Lj4Q14-S212
1
OV
红
UT、_
土
3
Vcc
J
—十
1
OV
运
UT\—
±
3
Vcc
J—
十
Name
Drawing
No.
RIGHT
SIDE
RAIL,XY
TABLECARRY
ARM
PARTS
N610130814+004AA
Kit
No.
Loc.
No.

1
2
4
5
6
7
8
N610128933
UL1007
AWG22
GN
A A
UL1007
AWG22
BN
D-A73(SMC)
Refer
to
N610130814+001
UL1007
AWG22
BU
UL1007
AWG22
RD
D-A73(SMC)
B
B
UL1007
AWG22
VT
UL1007
AWG22
OG
ULI
007
AWG22
WH
c
c
1
ov
二
2
OUT\—±
二
3
Vcc
J—
十
UL1007
AWG22
YE
ULI
007
AWG22
BK
D D
E
E
F
F
F4K
1020-05
A
1
2
4
5
6
7
8
Panasonic
Factory
Solutions
Co.,
Ltd
/^7—
77
U
—
VUzl
—
株
式会社
5559-02P-210
(MOLEX)
5559-02P-210
(MOLEX)
状/
XMl/
八
'一
行限
POSITIONER
LEVER
TRAVERSE
LIM.
搬送
了一原
检出
CARRY
ARM
FEED
SLOW
DOWN
DETE.
搬送
了一
A
行限
CARRY
ARM
TRAVERSE
DETECTION
木
5°
为十
一
1/
八
、'一
民限
POSITIONER
LEVER
RETURN
LIMIT
P914S1
~
(PFSC)
P914S1
(PFSC)
PLT-R
E
~
短满制
PS3-R
予
i
—H-C
I
XHP-3
1
OV
ZP^UT、一
土
二
3
Vcc
J—
十
30836
总
—XPLT
1
BK
*
C
工
2
RD
i
3l
「
I
一二
XHP-3
30838^^
—XPLR
1
BK
t
C
工
2
RD
PLR-R
E
―
研
R
5557-O2R-21O
POSI-1R
)
)
)
)
)
)
)
)
)
I
1(J
MOLEX
~
5557-1
0R-210
UL1007
AWG22
GY
Name
Drawing
No.
RIGHT
SIDE
RAIL,XY
TABLECARRY
ARM
PARTS
N610130814+005AA
Kit
No.
Loc.
No.

UL1007
AWG22
BK
UL1007
AWG22
BN
UL1007
AWG22
RD
UL1007
AWG22
YE
UL1007
AWG22
GN
UL1007
AWG22
BU
UL1007
AWG22
VT
UL1007
AWG22
GY
UL1007
AWG22
WH
LIL1007
AWG22
BK
UL1007
AWG22
BN
UL1007
AWG22
RD
UL1007
AWG22
OG
UL1007
AWG22
YE
JST
XADR-34V
UL1OO7
AWG22
WH
LIL
1007
AWG22
GY
18
JL1007
AWG22
YE
I
14
1
UL1007
AWG22
GN
I
1
15]
LIL1007
AWG22
BU
I
1
16
1
UL1007
AWG22
VT
I
1
17
1
UL1007
AWG22
RD
UL1007
AWG22
OG
LJL1007
AWG22
BN
UL1007
AWG22
BK
UL1007
AWG22
GN
UL1007
AWG22
BU
UL1007
AWG22
VT
UL1007
AWG22
GY
UL1007
AWG22
WH
UL1007
AWG22
OG
UL1007
AWG22
RD
1CN6-
R
%
0CN8
-
R
)
io
n
CN7-
R
>
10
)
>
>
>
MOLEX
43025-1600
AMP
177905-1
12P
汇
>+^
}
116
MOLtX
43025-1600
—
3
4
T
P
—
—
3
4
ULI007
AWG22
YE
“
5
UL1007
AWG22
YE
“
—
6
ULI007
AWG22
YE
T
岭一
UL1007
AWG22
BN
UL10O7
AWG22
RD
UL1007
AWG22
OG
UL10O7
AWG22
GN
ULI0O7
AWG22
BU
UL10O7
AWG22
VT
ULI0O7
AWG22
YE
UL1007
AWG22
YE
UL10O7
AWG22
YE
ULI007
AWG22
GN
ULI
007
AWG22
GN
ULI0O7
AWG22
GN
UL10O7
AWG22
BU
UL10O7
AWG22
GY
—
worn
5559-16P-210
,,
UL10O7
AWG22
BU
14
UL10O7
AWG22
BU
棣畴、
N6
10070647+00
1
参照
REFER
TO
N61
0070647+001
FOR
RADIAL
SPEC
UL10O7
AWG22
YE
UL10O7
AWG22
GY
UL10O7
AWG22
WH
UL10O7
AWG22
BK
UL1007
AWG22
BN
UL10O7
AWG22
RD
UL10O7
AWG22
OG
UL10O7
AWG22
YE
UL10O7
AWG22
VT
UL10O7
AWG22
WH
UL1007
AWG22
BK
7,
ULI
007
AWG22
BK
ULI0O7
AWG22
BK
UL10O7
AWG22
BN
•
i
UL10O7
AWG22
BN
Rem
5559-1
8P
儿仕
棣畤、
N610070647+001
参照
REFER
TO
N6
10070647+001
FOR
RADIAL
SPEC
UL10O7
AWG22
GN
UL1007
AWG22
BU
ULI
007
AWG22
VT
UL10O7
AWG22
GY
UL10O7
AWG22
WH
UL10O7
AWG22
BK
UL1007
AWG22
BN
ULI
007
AWG22
RD
UL10O7
AWG22
RD
UL10O7
AWG22
RD
ULI0O7
AWG22
RD
UL1007
AWG22
OG
UL10O7
AWG22
OG
UL10O7
AWG22
OG
UL10O7
AWG22
YE
UL1007
AWG22
YE
―
5559-20P
Name
Drawing
No.
ANVIL
PART
N610130815+001AA
Kit
No.
Loc.
No.
<ing
1/U
Load
board
种
CN8
OUt1
—
ling
I/O
Load
Board
如
CN6
out2_^^
out3
out4
out5
out6
ouU
24V
24V
24V
24V
24V
24V
24V
24V
F4K
1020-05
A
2
4
5
1
6
1
7
1
8
Panasonic
Factory
Solutions
Co.,
Ltd
/弋十\/
二^夕
77
U
—
VUzl
—
朱
式会社
1
I
2
।
3
।
4
1
5
i
6
1
7
।
8
J
1-
J
J
SZ
J