RL132电路图N7205A093E.pdf - 第66页
UL1007AWG22 BN UL1007AWG22 RD UL1007AWG22 OG 16 . I 亦 二 MOLEX 5559-1 6P-210 MOLEX 5557-1 6R-21O UL1007AWG22 BN UL1007AWG22 OG UL1007AWG22 GN PNFOAA-AA PFSC -K322 M610068599 -XVCRE UL1007 AWG22 OG UL1007AWG22 GN UL1007 AW…

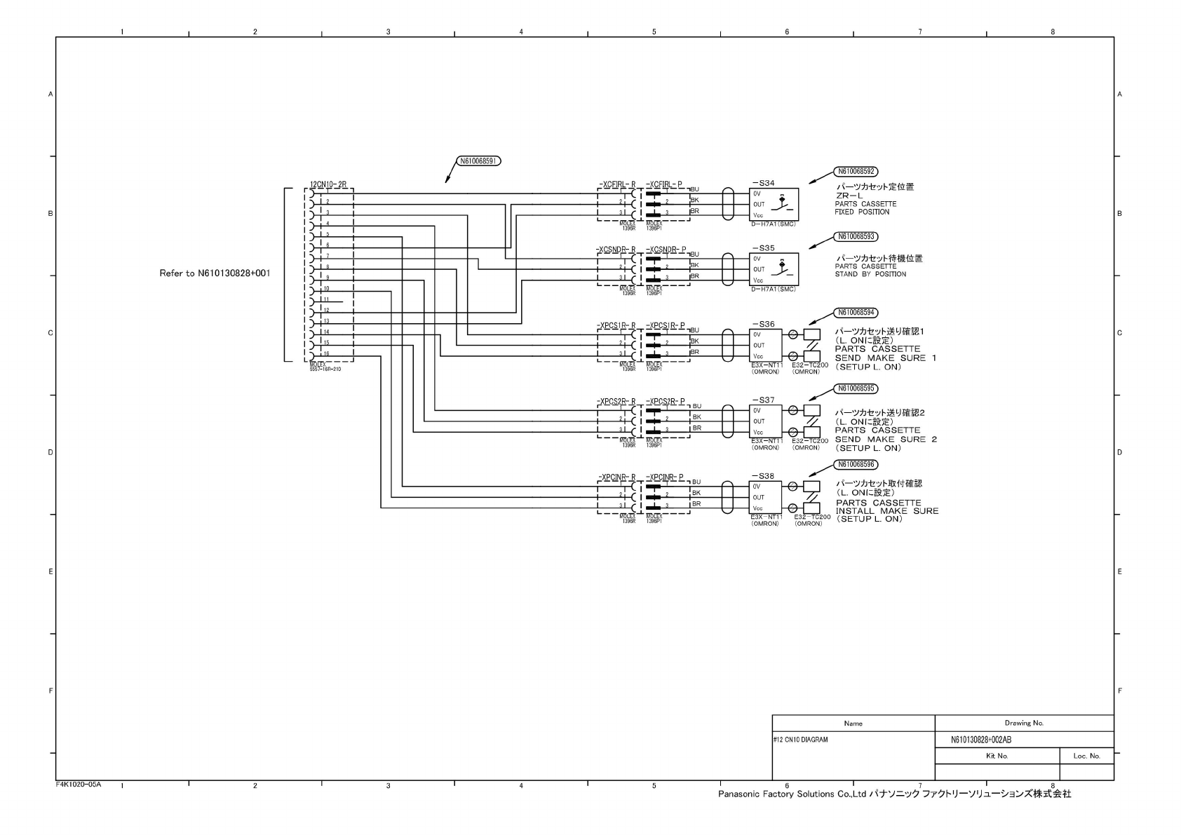
N610068596)
ov
OUT
Vcc
E3X-NT11
E32-TC200
(OMRON) (OMRON)
Z一^
力也
亦取
付碓熬
(L.
o川二^
定)
PARTS
CASSETTE
INSTALL
MAKE
SURE
(SETUP
L.
ON)
-XPCS2R-
R
-XPCS2R-
P
--
唱隘
崛廨一-
-S37
E3X-NT1
1
(OMRON)
N6
10068595)
E32-TC200
(OMRON)
z一?7
力也
仆送
打鹤忍
2
(L.
ONI
瑞
殳定)
PARTS
CASSETTE
SEND
MAKE
SURE
2
(SETUP
L.
ON)
-S36
ov
OUT
Vcc
E3X-NT1
1
(OMRON)
N6
10068594)
忍
e-a
E32-TC200
(OMRON)
Z-?7
力七
^卜送
硅熬
1
(L.
ONI
萧
殳定)
PARTS
CASSETTE
SEND
MAKE
SURE
1
(SETUP
L.
ON)
-XCSNDR-R
-XCSNDR-P
…
i
L
7
T
才
ibu
1
I
C7
D-H7AKSMC)
-XCFIRL-
R
-XCFIRL-
P
nil
i
产
7-r
f
iBU
1
T<
I
F
i
——
M-C
i
-
J
——
i
a
1
被必
,砸必
1
1396R
1396Pl
N610068592)
-S34
D-H7AKSMC)
N610068593)
-S35
OV
OUT
Vcc
/S一^
力
七^卜
定位置
ZR
—
L
PARTS
CASSETTE
FIXED
POSITION
/
力七
^卜待
檄位置
PARTS
CASSETTE
STAND
BY
POSITION
Name
Drawing
No.
#12
CN
10
DIAGRAM
N610130828+002AB
7610068591
Refer
to
N6101
30828+001
ov
OUT
Vcc
2
|BK
3
|BR
;
BK
I
BR
F4K
1020-05
A
2
4
5
1
6
1
7
1
8
Panasonic
Factory
Solutions
Co.,
Ltd
R
十、)
二
、力
77
U
—
VUzl
—
朱
式会社
1
I
2
।
3
।
4
।
5
.
6
1
7
1
8
R
wr
CN

UL1007AWG22
BN
UL1007AWG22
RD
UL1007AWG22
OG
16
.
I
亦
二
MOLEX
5559-1
6P-210
MOLEX
5557-1
6R-21O
UL1007AWG22
BN
UL1007AWG22
OG
UL1007AWG22
GN
PNFOAA-AA
PFSC
-K322
M610068599
-XVCRE
UL1007
AWG22
OG
UL1007AWG22
GN
UL1007
AWG22
BN
I
-S44
UL1007AWG22
BU
UL1OO7
AWG22
OG
I
-S45
-XPLCL
-XPLCL-
R
-1BU
UL1OO7AWG22
BN
L
UL1007AWG22
VT
UL1OO7AWG22
OG
I
D-M9N(SMC)
-S41
UL1OO7AWG22
GY
UL1007AWG22
OG
I
-S42
UL1OO7AWG22
WH
UL1007
AWG22
GN
I
c
-S43
UL1OO7
AWG22
OG
e
UL1OO7AWG22
BK
e
-S47
IBU
UL1007
AWG22
BN
UL1007
AWG22
GN
01
748
E3X-NT11
(OMRON)
E32-TC200
(OMRON)
MOLEX
1396R
MOLEX
1396R
MOLEX
1396R
MOLEX
1396Pl
MULtX
1396P1
E32-TC200
(OMRON)
EE-SX671A
(OMRON)
E3X-NT11
(OMRON)
》正毕
一「BU
yci
I
X
I
-
y
—
e-o
-e-n
-e-dl
E3X-NT11
E32-TC200
(OMRON) (OMRON)
(OMRON) (OMRON)
E3X-NT11
E32-TC200
(OMRON) (OMRON)
—
—
明睛
®
山
007AWG22OGL
皿
3
空
当号
丁力印
早-一
「
BU
1
—
1
十
PT-47
曾
一桶骤
—
-
-e-n
E32-TC200
-XPPP1-R
-XPPP1
UL1OO7AWG22
BN
I
L7
丁
丁
I
F
M
:
I
-
-XPPP2-
R
UL1OO7AWG22
OG
I
「工丁
PT-47
<747>
/5
1
J1
770
746
-二
rBU
H
2
;
BK
0V
Cl
IT
E5
UU
1
Vcc
TOITX
1
g7
E3X-NT1
—
—
ULI007
AWG22
GN
3
।
V
力
卜彳麦
〒一7°
有
辗横出
(L.
ONI
编
殳定)
TAPE
PRESENCE
SENSOR
AFTER
V
CUT
(SETUP
L.
ON)
PALETTE
CHUCK
LOCK
CLOSE
MAKE
SURE
八
Lz、2;
卜
部品位
置硅熬
1
(L.
ONI
蝠
殳定)
PALETTE
PARTS
POSITION
MAKE
SURE
1
(SETUP
L.
ON)
ZLz、:/
卜
部品位
置硅熬
2
(L.
ONI*
殳定)
PALETTE
PARTS
POSITION
MAKE
SURE
2
(SETUP
L.
ON)
,5
卜
部品有
殛出
(D.
殳定)
PALETTE
PART
EXISTS
SENSOR
(SETUP
D.
ON)
zS/
卜
部品残
检出
(D.
ON
【瑞
殳定)
PALETTE
PART
LEFTOVER
SENSOR
(SETUP
D.
ON)
761006859X
OV
OUT
Vcc
OV
OUT
Vcc
OV
OUT
Vcc
OV
OUT
Vcc
OV
OUT
Vcc
Name
Drawing
No.
#12
CN
14
DIAGRAM
N610130829+001AA
Kit
No.
Loc.
No.
UL1007AWG22
BU
UL1007AWG22
VT
UL1007AWG22
GY
UL1007AWG22
WH
UL1007AWG22
BK
V
力^夕
庆
横出
V
CUTTER
REVERSE
SENSOR
2
|bk
3
|BR
2
|BK
3
|BR
2
[BK
3
|BR
Ring
I/O
Load
Board
#12
CN14
CN13
F4K
1020-05
A
5
1
6
1
7
1
8
Panasonic
Factory
Solutions
Co.,
Ltd
R
十、)
二
、力
77
U
—
VUzl
—
朱
式会社
1
I
2
।
3
।
4
।
5
.
6
1
7
1
8
R

PNFOAA-AA
PFSC
-K322
UL1OO7
AWG22
OG
ULI
007
AWG22
BU
12CN12-P1
12CN12-
R1
5559-02P-210
5557-02R-210
YE
YE
MFDDTA390N21
PANASONIC
-K401
NICHIFU
TMEE2-5
NICHIFU
TMEE2-5
UL1007
AWG22
BU
UL1007
AWG22
RD
UL1007
AWG22
BN
P921SA1
(PFSC)
cis
原点
C
AXIS
ORIGIN
A
DVOP4285
M
日
-R200
RESISTOR
※乱
<
前
1
00861
班)
Name
Drawing
No.
#12
CN
12
DIAGRAM
N610130830+001AA
Kit
No.
Loc.
No.
MOTOR-DRIVER
JP
AC200V
2.5kW
H
AXIS
iing
I/O
Load
Board
#12
CN12
F4K
1020-05
A
5
1
6
1
7
1
8
Panasonic
Factory
Solutions
Co.,
Ltd
/弋十\/
二^夕
77
U
—
VUzl
—
朱
式会社
1
I
2
।
3
।
4
1
5
i
6
1
7
।
8
4
6
12
_»>>>rM
177
6p